Skip to content

Фотогалерея

  • Главная
  • Контакты

Tp vst59 p63 схема

TP.VST59.P63 , L042-15-2 , AWOX 2271 MAIN BOARD - Main_1012

The original TP.VST59.P63 - AliExpress

TP.VST59.P63, AWOX 22" FHD DLED, 2271 Main board

MAIN / FUENTE / HYUNDAI L13030326 / TP.VST59.P63 / M185CB1BGE-1 ...

TP.VST59.P63 – مركز خدمة العربي- Elaraby Electronics

TP.VST59.P63 Dump Software Free Download (All Resolutions) - Repair Geeks

TP.VST59.P63适合LED19C360熊猫LE22D11液晶电视主板实物照_虎窝淘

TP.vst59.p83 - Nur Elektronik - Newled

Store Home Products Feedback

各种灯口都有TP.VST59.P83可配各种屏号三合一_虎窝淘

MTEC24LED TECNOMASTER TP.VST59.P63 MAIN BOARD - ELECTRONICA BENEDICTO

TP.VST59.P63 схема источника питания

乐华组装机TP.VST59.PA671 P67 VS.TP594_V3.1-8三合一主板电源板_虎窝淘

TP.VST59.P67 Bin File Free Download - Kazmi Elecom

TP.VST59.P63 – LCD TV KARTLARI SİVAS

Store Home Products Feedback

TP.VST59.PA671 – مركز خدمة العربي- Elaraby Electronics

Материнская плата TP.VST59.P63 телевизор AKAI LEA-22A08W

Шасси TP.VST59.P83B схема

Шасси TP.VST59.P75 схема

TP.vst59.p83 - Nur Elektronik - Newled

Tp vst59 p67 схема фото - PwCalc.ru

بوردة شاشة ATA قاطعة باور ..رقم المين TP.VST59.P63 - YouTube

Шасси TP.VST59.PA671 схема

Tp vst59 p67 схема фото - PwCalc.ru

Tp.Vst59S.Pb813 Software Free Download - Kazmi Elecom

Tp vst59 p67 схема фото - PwCalc.ru

Main (материнская) Плата TP.VST59.P63 — Купить Недорого на Bigl.ua ...

Store Home Products Feedback

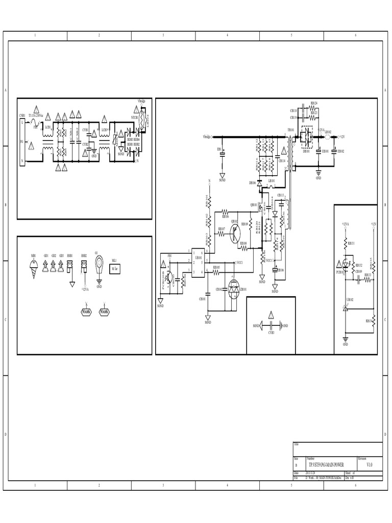
Chassis TP - VST59.P63 - Schematic Diagram | PDF

插拔式PCB接线端子2EDGV-5.08mm 2P-24P直针插座连接器铜环保_虎窝淘

Tp vst59 p67 схема фото - PwCalc.ru

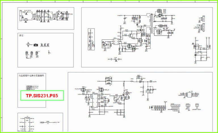
TP.SIS231.P85 схема источника питания | Все для ремонта электроники

Tp vst59 p67 схема фото - PwCalc.ru

Placa Main Xion Modelo Xi-led22c (tp.vst59.p63) | Cuotas sin interés

  • Вперед Шим контроллер схема
  • Назад Чистка картриджа xerox

Новые страницы

Автосервис нефтеюганск

Бактериальный цистит лечение

Боги египта джерард батлер

Дно сумки схема

Дверная ручка не возвращается в исходное положение

Фитнес набережные

К планам учебно воспитательной работы предъявляются такие требования как

Как написать отчет о проделанной работе образец

Какой двигатель на ниве 21214

Кенгуру словосочетание прилагательным

Клиренс мицубиси асх

Марадона футболист биография личная

Md stars

Новый электронный схемы

Образец письма об уточнении платежа

Переделка уазика

Потница у взрослых фото симптомы и лечение

Проект армата личный кабинет

Проект бани с маленьким бассейном и комнатой отдыха

Прокат детских кресел для автомобиля

Работа отделочника в москве

Работа в парках москвы с ежедневной оплатой

Районы кипра

Считыватель магнитных ключей схема

Схема против схемы

Схема трасс шерегеш 2023

Скачать свинка пеппа 1 серия

Служебное задание в командировку образец

Учащенное сердцебиение причины лечение лекарства

Ужиная он изредка оборачивается

cdn.zecar.ru