Skip to content

Фотогалерея

  • Главная
  • Контакты

Толщиномер схема

Толщиномер лакокрасочного покрытия — это просто | Лампа Электрика | Дзен

Tool Electric: измеритель

Как сделать толщиномер своими руками схема

Как сделать толщиномер своими руками схема

Толщиномер Carsys Автоподбор купить на OZON по низкой цене

Как сделать толщиномер своими руками схема

655895 - Рентгеновский толщиномер — PatentDB.ru

Толщиномер Etari 555

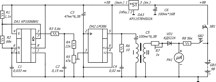
Толщиномер. Схема, описание

Толщиномер своими руками | Электронные схемы | Дзен

Толщиномер неотвердевшего слоя "Константа Г3"

Толщиномер Xiaomi DUKA CH-1 купить во Владимире по выгодной цене ...

Толщиномер ET600 - Инструменты и строительное оборудование во Владивостоке

Толщиномер ЛКП (измеритель толщины покрытий металлических поверхностей ...

Толщиномер Micron индикаторный ТР 10- 60 0,01 ручной 77942 - выгодная ...

Купить Толщиномер Диагностический инструмент Ультразвуковое покрытие ...

Ультразвуковой толщиномер МЕГЕОН 19220 00000006062 - выгодная цена ...

Tda8588aj схема включения - 92 фото

Схема аэропорта минеральные воды

Схема окружности тригонометрия - 94 фото

Схема управления частотного преобразователя - 98 фото

Купить Толщиномер Диагностический инструмент Ультразвуковое покрытие ...

Толщиномер лакокрасочных покрытий iCarTool Fe/NFe IC-T150 - выгодная ...

Толщиномер Etari ET700Max

Схема knorr bremse - 85 фото

Толщиномер МЕГЕОН 00000007364 - выгодная цена, отзывы, характеристики ...

Развитие метро спб до 2025 года: найдено 89 изображений

Ba5888fp схема подключения - 80 фото

Интегрална схема K555ЛЛ1, интегрална схема аналог 74LS32 в Друга ...

Cm6805bg схема включения - 95 фото

Толщиномер. Схема, описание

Радиотехника ml6102 схема - 82 фото

Аквалос септик схема монтажа - 81 фото

Схема жидкостного манометра

Карты валорант схема - 81 фото

  • Вперед Установка автомобильных весов
  • Назад Заявление на увольнение по соглашению сторон образец 2023

Новые страницы

Альтранс грузоперевозки

Atmega16l

Батарейки лр 14

Cd8227gp

Числовое равенство что это

Читательский дневник дудочка и кувшинчик катаев

Длина ваз 2110 седан

Гдз русский язык 6 класс 498

Гнб бурение

Графический диктант для дошкольников 6 7 лет по клеточкам животные легкие рисунки по клеточкам

Италия в миниатюре в римини

Как пишется справка по месту требования образец

Лачетти блокировка дифференциала

Мультик кошкин дом советский

На рисунке изображена схема строения молекулы атф

Наконечник штыревой ншви 6 12

Огромные головки трапов

Разбор слова как часть речи 4 класс образец существительного

Самокатный спорт

Схема жемчужная плаза магазинов по этажам

Штукатурка цоколя под камень фото

Стоковые прошивки форд

Tmpl fitness

Трансляция спортивных тв

Умываться возвратный глагол

Уведомление о проведении внеочередного общего собрания участников ооо образец

В чем измеряется бензин

Ванкомицин рецепт на латинском языке

Великие просветители

Заявление на отпуск без сохранения заработной платы образец скачать

cdn.zecar.ru