Skip to content

Фотогалерея

  • Главная
  • Контакты

Tny264gn datasheet

TNY264GN Datasheet(PDF) & Specifications - Power Integrations - FindIC

TNY264GN datasheet(2/24 Pages) POWERINT | Enhanced, Energy Efficient ...

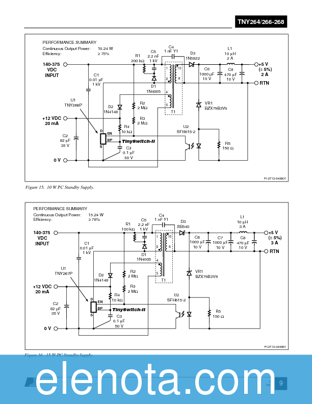
TNY264 Datasheet PDF (516 KB) Power Integrations | Pobierz z Elenota.pl

Power Integrations TNY266GN, AC-DC Converter 8-Pin, SMDC | RS

TNY264GN Power Integrations - Datasheet PDF & Technical Specs

TNY264电路图-千图网

TNY264GN datasheet(3/22 Pages) POWERINT | Enhanced, Energy Effi cient ...

TNY264GN datasheet(1/24 Pages) POWERINT | Enhanced, Energy Efficient ...

Electronics Part Reviews: TNY264GN AC/DC Converters Power Integrations

TNY264 Datasheet PDF (516 KB) Power Integrations | Pobierz z Elenota.pl

Electronics Part Reviews: TNY264GN AC/DC Converters Power Integrations

Tny268pn datasheet

FSL336LRLX onsemi | onsemi FSL336LRLX, Buck Power Switch IC 7-Pin, LSOP ...

Electronics Part Reviews: TNY264GN AC/DC Converters Power Integrations

TNY264GN Power Integrations - Datasheet PDF & Technical Specs

TNY264GN-TL POWER INTEGRATIONS | Power Management (PMIC) - LCSC Electronics

TNY264GN переключатель >> недорого купить

TNY264GN Integrated Circuit TNY264GN SOP-7 SMD CMS Tny 264 Gn | eBay

Features of using IC LNK304 chip in PSU - YouTube

Electronics Part Reviews: TNY264GN AC/DC Converters Power Integrations

TNY264GG-TL Datasheet PDF - Power Integrations, Inc

Купить Микросхема TNY264GN по цене 25 грн. в интернет магазине ...

Compare products - YellowScan

schematic_psu_tny275 | Электроника, Устройство, Электронная схема

(20pcs/lot) TNY264P TNY264PN|Integrated Circuits| - AliExpress

datasheet_30_kevineeg | Kaggle

GMP-Compliant CPC

MAN6960 Data Sheet | QT Optoelectronics

(PDF) xp-datasheet-5982-7811EN.pdf - DOKUMEN.TIPS

LT317 DataSheet | Linear Technology

NJM4562_11625.PDF Datasheet Download --- IC-ON-LINE

D1779 Data Sheet | NEC

324256 Data Sheet | Sanyo

EVAL-AD7470CB Datasheet PDF ( Pinout ) - 1.75 MSPS/ 4 mW 10-Bit/12-Bit ...

10PCS TNY264GN SOP TNY264 SMD new and original IC free shipping-in ...

  • Вперед Отпуск закончился завтра на работу картинки прикольные
  • Назад Пензенская область карта с районами и деревнями и дорогами

Новые страницы

Афанасьева 7 класс английский рабочая тетрадь

Алупкинский парк

Деринат капли в нос фото

Десерт павлова

Двигатель сосет воздух

Эндуро спорт 003

Исполнительные схемы в строительстве образец снип

Кафе цех краснодар

Как перевести с жилого в нежилое помещение

Карта города санкт петербург майнкрафт

Математика 6 2часть

Образец договора с менеджером по продажам

Определительные предлоги

Проект по обществознанию 6 класс на тему мое хобби

Распиновка датчика кислорода рено меган 2

Ремонт кухни панелями пвх

Схема боли человека

Схема мультиметра my64

Схема парка горького

Sport car 2

Sports okko sport

Спортсеть ул маршала мерецкова 3 отзывы

Tny264gn datasheet

Тренировки вк

Установка двух счетчиков

Ветлуга стелла

Возражение на иск гпк рф образец

Юлия с днем рождения картинки с пожеланиями красивые анимация

Заполните схему признаки правонарушения

Зимние спорт шины

cdn.zecar.ru