Skip to content

Фотогалерея

  • Главная
  • Контакты

Tesla ma7805

MA7805 PDF Datasheet - 5V, Voltage Regulator

Tesla MA7805

12 Pcs. X Tesla MA7805 Voltage Regulator 5v High Power for sale online ...

Tesla MA7805

Circuito Integrado MA7805 Metálico Tesla

MA7805 Tesla 2A 5V Positive Voltage Regulator LM7805 MC7805CK 7805 TO3 ...

100x MA7805 Tesla .MILITARY 2A 5V Pos.Voltage Regulator LM7805 MC7805CK ...

Tesla MA7805

MA7805 Tesla .MILITARY 2A 5V Positive Voltage Regulator LM7805 MC7805CK ...

Tesla MA7805

12 Pcs. X Tesla MA7805 Voltage Regulator 5v High Power for sale online ...

Стабилизатор TESLA MA7805 5V - Techno Space

MA7805 [1pcs] Voltage Regulator 2A 5V TO3 Tesla (LM7805K MC7805CK 7805 ...

MA7805 Tesla 2A 5V Positive Voltage and 50 similar items

Ma7805 tesla аналог отечественный - 89 фото

MA7805 (MC7805CK) 2A 5V Positive Voltage Regulator 7805 TO-3 (1 pcs) | eBay

MA7805 Stabilizator napięcia 5V Tesla - 12337836282 - oficjalne ...

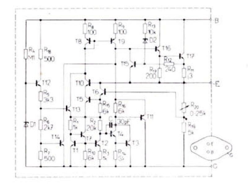
Tesla ma7805 характеристики схема подключения

STABILIZATOR MA7805 TESLA (ULA6505) | Warszawa | Kup teraz na Allegro ...

Stabilizator MA7805 TESLA Gdańsk - Sprzedajemy.pl

Stabilizator napięcia +5V MA7805 TO3 TESLA - 7134358034 - oficjalne ...

MA7805 (MC7805CK) 2A 5V Positive Voltage Regulator 7805 TO-3 (1 pcs) | eBay

Ma7805 tesla аналог отечественный

Stabilizator napięcia TESLA MA7805 MCO 321 | Gdynia | Kup teraz na ...

Sprzedam tanio 12 różnych tranzystorów. - elektroda.pl

Катушка Tesla Palm, Доступный комфорт, Плазменный динамик Тесла 8bit ...

MA7805 TESLA LOT OF 1 POSITIVE VOLTAGE REGULATOR 2A 5V TO-3 LM7805 ...

MA7805 TESLA SOLIDNY STABILIZATOR NAPIĘCIA 5V NOWY - 7515417621 ...

MA7805 Tesla Stabilizator napięcia 5V w obudowie TO-3 Nowe Chlewiska ...

Lm2940ct 12 схема включения - 90 фото

  • Вперед Как предотвратить выпадение волос у женщин
  • Назад Вылет диска нива шевроле

Новые страницы

937 Алгебра

Английский язык шестой класс упражнение

Бл стая

Бмв i3 купить

Деление столбиком с нулями

Эвакуатор валдай

Фото остриц в кале

Гдз по английскому языку 4 класс workbook spotlight

Гдз русский язык 5 класс ладыженская учебник 2 часть

Гостиный двор схема

Как отрегулировать замок двери на ваз

Как писать расписку образец

Как сделать топор викингов из обычного топора своими руками чертежи

Карта петропавловска казахстан с названиями улиц и номерами домов

Lrs 200 24

Математика 5 класс 977

Мулине дмс карта цветов с названиями и номерами

Мусор у реки

Печать фото на памятник на керамике

План конспект спортсмена

При проведении научных исследований образец некоторого вещества сначала

Приказ о переводе на контрактную форму найма образец рб

Проектно технический отдел

Рсб банк

Сапсан санкт петербург схема

Сеть 5g в россии карта покрытия

Схема уаз 3151

Скф флюс

Спорт сити

Замоноличивание колонн в стаканах фундаментов

cdn.zecar.ru