Skip to content

Фотогалерея

  • Главная
  • Контакты

Термореле схема

Простое самодельное термо-реле на ОУ (схема, описание и печатная плата)

Схема термореле на ОУ с датчиком температуры на диодах

Простой терморегулятор

Термореле своими руками: принцип работы, схемы устройств, как настроить ...

Thermostat Wiring Explained

Терморегулятор на тиристоре - Электроника в быту - СХЕМЫ - Каталог схем ...

Термореле для кулера схема

Реле напряжения с датчиком температуры

Терморегулятор для поддержания температуры в теплицах

Как сделать терморегулятор для инкубатора своими руками, схемы ...

Термореле ТР-М03 с функцией антиобледенения | Электротехническая ...

Термореле з виносним датчиком температури: принцип роботи - Дом з котлом

[DIAGRAM] Wiring A Thermostat Diagram - MYDIAGRAM.ONLINE

Bestof You: 3 Wire Thermostat Wiring Diagram Heat Only Of The Decade ...

NM4022 - Термореле 0…150 °C купить в Мастер Кит. Драйвер, программы ...

Схема термореле: Схема простого терморегулятора для сборки в домашних ...

4 варианта реализации термореле: на tl431, триггере Шмитта, компараторе ...

Подключение ТЭНов через термореле и пускатель - схема, принцип работы

СХЕМА ТЕРМОРЕГУЛЯТОРА

Термореле схема своими руками – Терморегуляторы - Каталог схем

Room thermostat wiring diagrams for HVAC systems

Honeywell Thermostat Th4210d1005 Wiring Diagram - Total Wiring

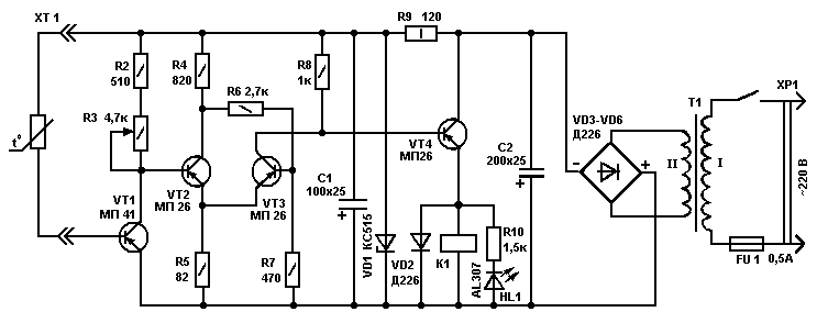
Схема самодельного термостата на транзисторах (КТ3102, КТ3107, TIC106D)

Термореле | antclub.ru | муравьи

Термореле

[DIAGRAM] 7 Wire Thermostat Diagram - MYDIAGRAM.ONLINE

Tstat 7 Thermostat - Bravo Controls

thermostat wiring images Thermostat furnace voltage heating transformer ...

W1209 termostat?n?n hex kodudegistirilmesi - Dijital Elektronik Arduino ...

Терморегулятор | rcl-radio.ru

wiring thermostats in parallel

Room thermostat wiring diagrams for HVAC systems

Термореле на 12 В

electrical - Add c wire to furnace for smart thermostat - Home ...

Термореле своїми руками: схема, підключення до котла | Утеплення

  • Вперед Коробка вариатор как пользоваться
  • Назад Тромбоз сонной артерии лечение

Новые страницы

4 Битный сумматор схема

Химические свойства галогенов схема

Как лифтануть ваз 2111

Клинок рассекающий демонов картинки персонажей в полный рост

Клиренс туран

Лондон в рождество

Лопапейса схемы кокетки

Морфологический разбор местоимения мне показалось

Образец договора на обучение сотрудника за счет работодателя с отработкой

Образец контракта на военную службу 2023

Пассивные элементы схемы

Покажи канал спорт

Преимущество светодиодных ламп

Приказ о создании рабочей группы хассп образец

Проект сборник добрых советов 3 класс литературное чтение

Расценка на установку отливов оконных

Самая красивая бабушка в бразилии

Схема электропроводки ман тга

Схема проводки замка

Схематический рисунок ребенка

Схемы сервировочных салфеток

Стереофонический музыкальный центр романтика 201 стерео схема

Толстой булька читать с картинками полностью

Тройник на металлопластиковую трубу 16

Выделения при кандидозе фото

Виртуальная машина java

Виза в францию какие

Вскрытый таракан рисунок

Wavion wbs 2400

Запишите схемы химических связей

cdn.zecar.ru