Skip to content

Фотогалерея

  • Главная
  • Контакты

Термометр с датчиком ds18b20

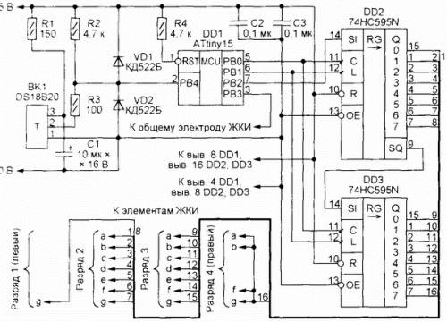
Термометр с ЖКИ и датчиком DS18B20 » Электрик

Цифровой термометр с выносным датчиком из нержавеющей стали длиной 1 ...

Цифровой трехразрядный термометр 0,36" с влагозащищенным внешним ...

Термометр цифровой с выносным датчиком 2 метра - купить с доставкой по ...

Термометр с датчиком DS18B20 Тм-19/1 DigiTOP купить, цена - elektro ...

Термометр электронный с выносным датчиком температуры за 175 ₽ купить в ...

4 комплекта датчиков температуры DS18B20 с датчиком угря - купить по ...

Купить Сетевые термостат температуры инструмента термостатически ...

Цифровой герметичный датчик температуры DS18B20 водонепроницаемый ...

Цифровой термометр с датчиком ds18b20 - YouTube

DS18B20 Temperature Sensor Pinout, Specifications,, 60% OFF

DS18B20 Temperature Sensor IC For Arduino Raspberry Pi ...

Термостат с датчиком DS18B20, Набор для сборки - YouTube

DS18B20 TO-92可编程数字温度器/温度传感器全新国产 DS1820_虎窝淘

Термометр с ЖКИ и датчиком DS18B20 | Библиотека устройств на ...

DS18B20, Термометр - RadioMart.kz - Робототехника и радиодетали

DS18B20 подключение: советы по работе с популярным датчиком температуры

Senzor DS18B20 - 3m - Shelly Hrvatska

DS18B20 DS18B20 Temperature Sensor Modules Convenient DC5V Portable for ...

DS18B20 Rvs Pakket Waterdichte Temperatuursensor 1... – Grandado

(PDF) DS18B20 русское описание работы с датчиком температурыcxem.net ...

Датчик DS18B20-j со штекером jack • AKIP-DON

DS18B20 Temperature Sensor Stainless Steel Waterproof 3.0V-5.5V (3M) | eBay

DS18B20 TEMPERATURE SENSOR Stainless Steel Waterproof 3.0V-5.5V (1m) £4 ...

Ds18b20 Temperature Measurement Sensor Module Ds18b20, 50% OFF

ترموستات دیجیتال با سنسور DS18B20

Датчик температуры DS18B20: Обзор, подключение к Arduino и пример ...

Датчик температуры DS18B20 5 метров (Герметичный) / Купить в RoboShop

Czujnik temperatury DS18B20+ - moduł niebieski Sklep Botland

سنسور دمای DS18B20 - فروشگاه اینترنتی اصاکو

Waterproof Temperature Sensor DS18B20 | Shop |Erovoutika

Цифровой датчик DS18B20. Что это такое и для чего нужен.

DS18B20 Temperature Sensor Stainless Steel Waterproof 3.0V-5.5V (1m) | eBay

DS18B20 Temperatursensor | 2-Pack - PRINTECO

DS18B20 Module for D1 Mini Temperature Measurement Sensor Module - Zbotic

  • Вперед Volkswagen концерн
  • Назад Пышет жаром

Новые страницы

5.8 5 Теория и методика спорта

Бежит масло из под датчика давления масла

Франклин бургер

Гдз по физике 9 класс пурышева учебник ответы

Гидроабразивная резка

Как поменять сцепление на лада приора

Какие мышцы надо тренировать

Карта пмс ржд россии

Картинки на прайс лист для массажа

Киберспортивные настройки фортнайт

Музей воды в санкт петербурге официальный сайт

Новости котласа о автобусных перевозках

Отделка сип домов под ключ

Passport house

Переделка печки ваз 2106

Пиво хугарден

Пляж куба в сочи

Подарки на день рождения 7 лет

Подключение кнопочного поста схема

Поступок паронимы

Посветить проверочное слово к букве е

Предлог творительного падежа

Схема глагол существительное

Скорость звука

Spirit fitness одинцово

Термометр с датчиком ds18b20

Термостатический клапан для радиатора

Тольятти тюнинг

Водопады исландии

Ворота распашные кованые

cdn.zecar.ru