Skip to content

Фотогалерея

  • Главная
  • Контакты

Tda7851l характеристики

TDA7851L,Модули усилителей мощности,Микросхемы интегральных схем ...

Микросхема TDA7851L - купить с доставкой по выгодным ценам в интернет ...

Tda7851l - Circuito Integrado - Tech Sul Eletrônicos

TDA7851L Audio IC - qualityelectro.com

Микросхема TDA7850 четырехканальный усилитель - RadioMart.kz ...

Разборка ГУ Teyes CC2 Plus. — Nissan Almera Classic (B10), 1,6 л, 2008 ...

TDA7851L ST General Parts - Nevsemi Electronics

TDA7851L микросхема >> недорого купить

4 шт. Микросхема TDA7851L - купить с доставкой по выгодным ценам в ...

TDA7851L ST Amplifier ICs - Jotrin Electronics

TDA7851L datasheet, amplifier equivalent, STMicroelectronics

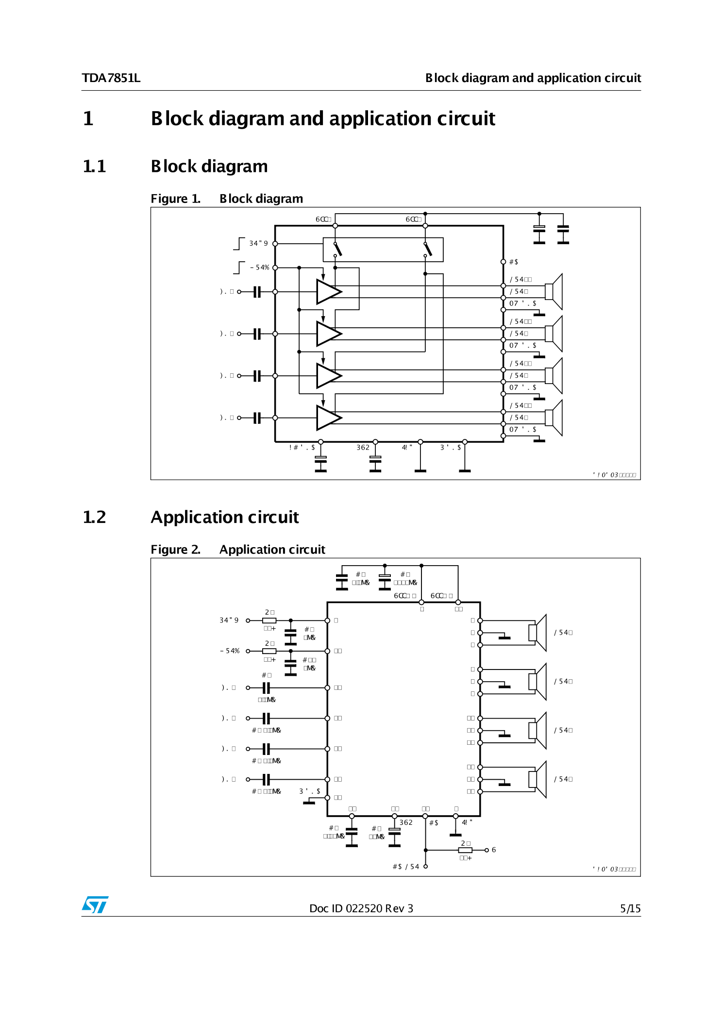
TDA7851L datasheet(5/15 Pages) STMICROELECTRONICS | 4 x 48 W MOSFET ...

TDA7851L datasheet(13/15 Pages) STMICROELECTRONICS | 4 x 48 W MOSFET ...

4 unids/Lote TDA7851L TDA7851F TDA7851 7851 ZIP-25 : Amazon.es: Hogar y ...

2шт Усилитель мощности TDA7851L ZIP25 аудио усилитель мощности 75Wx4 ...

TDA7851L - YouTube

TDA7851L ZIP25 全新汽车功放模块 集成电路芯片 直插IC

IC TDA7851L F A TDA7850 4X48W-in Replacement Parts & Accessories from ...

TDA7851L_(ST(意法半导体))TDA7851L中文资料_价格_PDF手册-立创电子商城

Микросхема TDA7851L 10 шт - купить с доставкой по выгодным ценам в ...

tda7851f电路图,a7851l电路图,a1541电路图_大山谷图库

【凯拓达电子】TDA7851L TDA7851F汽车功放IC 4X45W_虎窝淘

tda7851f电路图,a7851l电路图,a1541电路图(第4页)_大山谷图库

Микросхема TDA7851L 1шт - купить с доставкой по выгодным ценам в ...

TDA7851L ถูกที่สุด พร้อมโปรโมชั่น มิ.ย 2023|BigGoเช็คราคาง่ายๆ

Jual IC TDA7851L TDA7851 TDA7851A TDA7851F TDA 7851L 7851 7851F 7851A ...

Tda7851 или tda7850 что лучше – Сравнение усилителей TDA7851, TDA7850 ...

Tda7294 характеристики схема подключения - 93 фото

TDA7851L IC TDA7851L INTEGRATED CIRCUIT

Tda 7851 Tda-7851 Tda7851 Tda7851l Circuito Integrado 25 Pin - Cyberofice

TDA7851L | STMicroelectronics | Audio Power OpAmps | JLCPCB

Original-Integrated-Circuit-TDA7851-Audio-Amplifier-IC-Chip-Mosfet-TDA ...

tda7851f电路图,a7851l电路图,a1541电路图(第2页)_大山谷图库

NEW ORIGINAL Car amplifier module TDA7851l TDA7851L TDA 7851L TDA7851 ...

Tda7851l Ci Novo Tda7851 L Circuito Integrado Original | MercadoLivre

  • Вперед Монтаж usb разъема
  • Назад Замена катализатора на паук на калине

Новые страницы

1Нф сколько мкф

2 Года как нет папы картинки

Давление в шинах камаз 5320 старого образца

Fitness 24 корзуна санкт петербург

Гдз по географии 6 класс стр 164

Гдз по математике 5 класс 1 часть номер 882

Как слить бензин с дэу нексия

Камелия комнатный цветок

Карта нижнего новгорода заброшки

Карточка подписей для банка образец скачать в ворде

Кифосколиоз 1 степени лечение

Кули кофе

Народы сибири таблица 9 класс

Неравный брак картина история создания

Операционный директор функционал

Основное содержание песни об авдотье рязаночке

Параметры микросхемы

Приказ на единовременную премию за хорошую работу образец

Прохождение игры mystery tales 9 в картинках

Расход топлива vw touareg

Словосочетания с страдательными причастиями

Снять квартиру комнату в путилково

Sport clean

Суммированный учет рабочего времени положение образец

Суточная норма витамина д3

Труба 20х2 5

У четырехугольника вписанного в окружность сумма противолежащих углов равна 180

Задания русский 2 класс

Заявление на главу района образец

Заявление в ростехнадзор на проверку знаний по электробезопасности образец заполнения

cdn.zecar.ru