Skip to content

Фотогалерея

  • Главная
  • Контакты

Tda4866

TDA4866 в качестве УНЧ

TDA4866 PHILIPS – SELC Sumber

TDA4866 Datasheet PDF (109 KB) Philips | Pobierz z Elenota.pl

Circuito Integrado TDA4866 - Ponto da Eletrônica

ampli tda4866 - YouTube

Circuit intégré TDA4866. Avtronic

TDA4866 Original supply, US $ 2-5 , [PHILIPS] Philips Electronics India ...

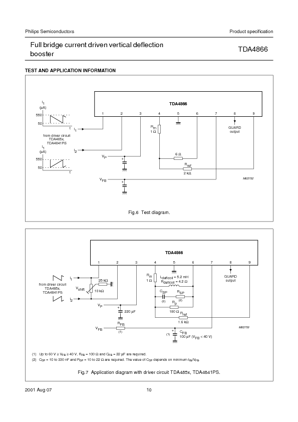
TDA4866 datasheet(4/20 Pages) PHILIPS | Full bridge current driven ...

TDA4866 Datasheet PDF (109 KB) Philips | Pobierz z Elenota.pl

TDA4866 Linear Amplifier IC by PHILIPS

TDA4866 микросхема >> недорого купить

TDA4866 - Elecsur - ventas de componentes electrónicos en lima

TDA4866 datasheet(3/20 Pages) PHILIPS | Full bridge current driven ...

TDA4866 datasheet(8/20 Pages) PHILIPS | Full bridge current driven ...

TDA4866-PHI микросхема >> недорого купить

TDA4866 układ scalony - SklepElektroniczny

TDA4866 datasheet(5/20 Pages) PHILIPS | Full bridge current driven ...

TDA4866, AL-BRI Electrónica

TDA4866|TDA4866| - AliExpress

TDA4866 Datasheet PDF (109 KB) Philips | Pobierz z Elenota.pl

TDA4866. Circuito I. Deflexión vertical Full bridge SIL9 - Tecnoteca

TDA4866 | Hit-electronics.com

Tda4866 характеристики: Микросхема TDA4866 – i-FlashDrive флешка для ...

Tda4866 характеристики: Микросхема TDA4866 – i-FlashDrive флешка для ...

Jual IC TDA4866 Full Bridge Current Driven Vertical Deflection Booster ...

Circuito Integrado Tda4866 - Compomax

IC TV: Datasheet IC Vertikal TDA4866 pada Tv Tabung

TDA4866 Драйвер >> недорого купить

TDA4866_1005140.PDF Datasheet Download --- IC-ON-LINE

Jual IC TDA 4866 TDA4866 TDA-4866 ASLI ORI ORIGINAL | Shopee Indonesia

TDA4866 SIL-9

TDA 4866

TDA4866 / IC / SIP / 2 PIECES (qzty) | eBay

Semiconductor: TDA4866 (TDA 4866) - V-DEFLECTION/ AMPLIFIER / 140HZ ...

Circuito Integrado TDA4866 | KuantoKusta

  • Вперед Автор по щучьему велению
  • Назад Чем предпринимательская деятельность отличается от других форм хозяйствования 8 класс

Новые страницы

Bfgoodrich all terrain зимой

Чашечки для смесителя

Фитнес плюс

Форд фиеста или ниссан тиида

Фото спортсменок в купальниках

Гдз по английскому языку 7 класс ваулина рабочая тетрадь стр 27

Гдз по физике 9 класс перышкин параграф 54 ответы на вопросы

Геодезический журнал работ заполненный образец

Honda motor co ltd

Картинки беременности по месяцам

Куб чернозема в париже

Куклы амигуруми схемы описания

Не открылся термостат что делать

Не заводится ваз 2108

Нод тема спорт старшая группа

Оформление дела в архив образец

Ппк кварц

Пусть все дети мира будут здоровы и счастливы картинки

Регулировка сцепления шевроле нива

Решеба 5 класс математика

Схема авр на 2 ввода

Схема зажигания шевроле лачетти

Спортивная гимнастика мир

Стр 35 математика 2 класс

Ты наше чудо картинки для сладкой открытки

Ушиб головного мозга средней степени тяжести лечение

Услуги по уборке зданий

Внесение изменений в исковое заявление образец

Вязание спицами плед для новорожденных с описанием и схемами

Животные схема слова 1 класс

cdn.zecar.ru