Skip to content

Фотогалерея

  • Главная
  • Контакты

Tda4665

TDA4665/4665T integrated block internal box circuit and Haier 692-733AA ...

TDA4665 - فروشگاه عرفان الکترونیک

TDA4665 datasheet, tda4665 equivalent, ETC

TDA4665 Original New Philips Integrated Circuit TDA-4665 | eBay

TDA4665 datasheet(8/12 Pages) PHILIPS | Baseband delay line

TDA4665/V5 микросхема >> недорого купить

Tda4665 PDF | PDF | Soldering | Electronics

TDA4665 микросхема >> недорого купить

Микросхема tda4665 характеристики схема включения

TDA4665 UKŁAD SCALONY

U.S. TDA4665

TDA4665 datasheet(3/12 Pages) PHILIPS | Baseband delay line

Transistor Tda4665 Original | MercadoLivre

TDA4665 DIP16 ของใหม่ คุณภาพสูง | Lazada.co.th

Circuito Integrado Tda4665 Philips - Pacote Com 2 Peças

Circuito Integrado TDA4665 - Eletro Parts

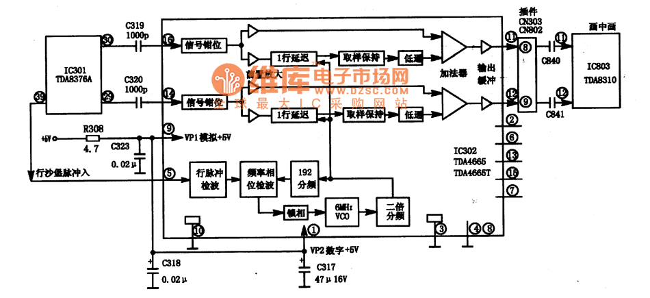
基带彩色延迟线TDA4665 - 家电维修资料网

Jual tda 4665 tda4665 | Shopee Indonesia

CI TDA4665 Ligne à retard pour TV 64µs - TDA4665

KIT COM 02 PEÇAS - CIRCUITO INTEGRADO DIP 16 PINOS TDA4665 PHILIPS ...

基带彩色延迟线TDA4665 - 家电维修资料网

Jual IC TDA 4665 TDA4665 TDA-4665 ASLI ORI ORIGINAL di Lapak MARNO ...

Circuit intégré TDA4665. Avtronic

【原装拆机】TDA4665 基带彩色延迟线芯片 电视色彩动态集成电路-淘宝网

Układ scalony TDA4665 Philips | Kędzierzyn-Koźle | Kup teraz na Allegro ...

Tda4665 характеристики схема подключения - Фото подборки 3

KIT COM 02 PEÇAS - CIRCUITO INTEGRADO DIP 16 PINOS TDA4665 PHILIPS ...

TEAC CTM5929STC TXT-CCD TA8628N TDA8305A TDA4650 TDA4565 TDA8416 ...

TEAC CTM5929STC TXT-CCD TA8628N TDA8305A TDA4650 TDA4565 TDA8416 ...

元器件应用中的TDA系列TDA4665集成电路实用检测数据 - 将睿

Интегр.схема TDA4665 smd - КСП Електроникс

Tda4665 описание: Микросхема TDA4665 — RC74 — интернет-магазин ...

ULN2003AN-DIP16-TC4040BP-Electronic-Components-TC4520BP-TD62003AP ...

Tda4665 характеристики схема подключения - Фото подборки 3

Tda4665 характеристики схема подключения - Фото подборки 3

  • Вперед Чалонг пхукет
  • Назад Тема спорт подготовительная группа

Новые страницы

35 20

Батарейка bl 4b

Ценная бумага

Что значит 7777 в нумерологии

Honda civic r type

Как подтянуть ручник на калине хэтчбек

Как сделать растянутое изображение в cs go 4 3 на амд

Карта для майнкрафт город ютуберов на которой играл евген бро

Картинки гидрогелевые маски атоми

Лорик с днем рождения картинки красивые мерцающие бесплатно

Можно ли заняться спортивной

Откосы утепленные

Перловка польза и вред рецепты

Петрикирхе зал схема зала с местами

План схема места происшествия

Приступ бронхиальной астмы карта вызова скорой помощи

Проект комната психологической разгрузки в школе

С петербург метро схема станций на карте

Сделать схему листья

Схема гусенок

Схема передачи энергии

Спортивные конкурсы мама папа я

Спортивные костюмы 90 х годов мужские купить

Стриж однокоренные слова

Тренировка на массу 3 раза

Увеличение клиренса рено дастер

Вход в метро савеловская

Видеочип на ноутбуке

Замена гидрокорректора фар на ниве

Жалоба на отказ в государственной регистрации юридического лица образец

cdn.zecar.ru