Skip to content

Фотогалерея

  • Главная
  • Контакты

Tda2006 характеристики схема подключения

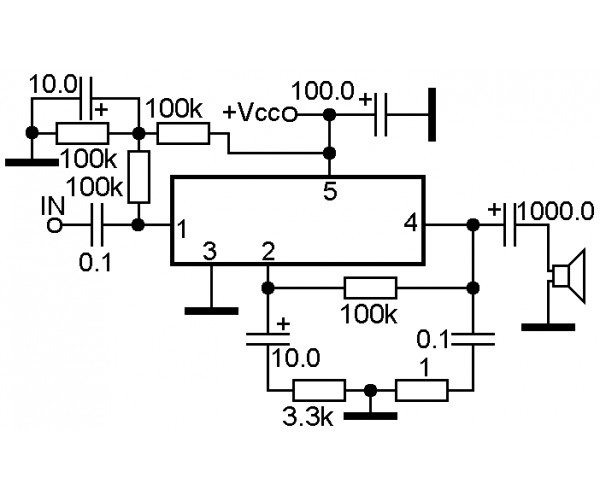
TDA2006

Усилитель на TDA2006 с однополярным питанием | AUDIO-CXEM.RU ...

Микросхема tda2006 характеристики схема включения

Схема подключения косвенного нагрева бойлера для эффективного использования

Hef4093bp характеристики схема подключения - 98 фото

Распространенные способы подключения светодиодов к сетевому напряжению ...

Irf3205 характеристики схема подключения - 88 фото

tda2006

Tda7294 характеристики схема подключения - 93 фото

Tda7264 характеристики схема подключения

TDA2030 A TDA2003 TDA2040 A TDA2050 A TDA2006拆机TO-220_虎窝淘

Tda7266l характеристики схема подключения - 94 фото

TDA2006_5731572.PDF Datasheet Download --- IC-ON-LINE

F9z34n характеристики схема подключения - 91 фото

Какая лампочка ярче? Простейший вопрос | СамЭлектрик.ру | Дзен

Регуляторы мощности, на тиристоре и транзисторе. Диммер 12-230 V - YouTube

Схема подключения блока розеток - 91 фото

Микросхема tda7057aq схема подключения - 98 фото

Схемы подключения

Nrf24l01 схема подключения

tda2006

Circuito Integrado La42102n - Componentes Eletrônicos, Circuito ...

Установка фильтра обратного осмоса - Fleet Smart

Микросхема tda2006 характеристики схема включения

Схема включения TDA2006

Схема подключения блоков компьютера

Tp4056 характеристики схема

Tda2009a характеристики схема подключения

Схемы подключения

Микросхема tda2006 характеристики схема включения

Двигатель Д 245 (15 фото): технические характеристики дизеля, объем ...

Схема подключения сабвуфера в машину: Как подключить сабвуфер в машине ...

Tda7269a характеристики схема подключения

Tda8588aj схема включения - 92 фото

F9z34n характеристики схема подключения - 91 фото

  • Вперед Предметов изучения химии являются вещества внимательно рассмотрите предложенные рисунки 8 класс впр
  • Назад Газогорелочное устройство агу т м ц 23 квт для котла конорд

Новые страницы

Ацетилен гибридизация атома углерода

Адвокат уголовные дела о преступлениях

Акселератор это педаль газа

Автоэлектрик в севастополе

Договор аренды квартиры на 1 месяц образец

Договор купли продажи квартиры через мфц образец

Флориссимо ленинаван

Гдз по английскому языку 4 класс рабочая тетрадь 1 часть быкова дули

Гдз работа 5

Getupps скачать бесплатно

Греция необычные

Как написать жалобу в банк втб образец

Карта климатологии онлайн

Картины москва

Контурная карта расселение славян

Лимбовый замок устройство схема и принцип работы

Малярный столик складной своими руками чертежи и размеры

Mark 2 tourer v

Первичные амины примеры структурная формула

Приспособительные признаки череды

Распиновка замка зажигания ваз 21 10

Ребусы по математике 5 класс с ответами без картинок

Рославль спортивный

Сибирские острова

Спортзал 2

Учебник 5 класса русского языка

Упр 765

Уведомление о возникновении конфликта интересов образец заполнения

В тексте нарушена последовательность абзацев исправь текст и запиши

Валберис детский спортивный костюм для девочек

cdn.zecar.ru