Skip to content

Фотогалерея

  • Главная
  • Контакты

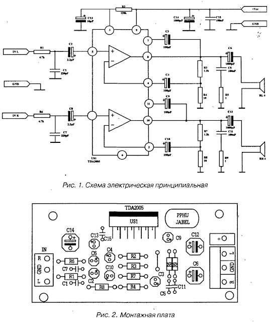
Tda2005 схема усилителя стерео 20 ватт

УНЧ на TDA2005 с выходной мощностью 20 ватт | Микросхема ...

УНЧ на TDA2005 с выходной мощностью 20 ватт | Микросхема ...

20 Watt Stereo Amplifier with TDA2005

20 Watt Stereo Audio Amplifier using TDA2005 - Schematic Design

Мостовой усилитель 20 Вт на TDA2005 - схема, печатная плата, даташит

20watt Integrated Amplifier by TDA2005

Схема простого мостового (Bridge) усилителя мощности на TDA2005 (20Вт)

УНЧ на TDA2005 с выходной мощностью 20 ватт | Микросхема ...

УНЧ на TDA2005 с выходной мощностью 20 ватт | Микросхема ...

УНЧ на TDA2005 с выходной мощностью 20 ватт | Микросхема ...

Моно усилитель на 20 Вт (TDA2005) - AmpExpert

Усилитель мощности на TDA2005 мощностью 20 Ватт - Электропортал

Project Expo.: 20 Watt audio amplifier using TDA2005

УНЧ на TDA2005 с выходной мощностью 20 ватт | Микросхема ...

Схема усилителя tda2005

Схемы на: TDA2004, TDA2005, TDA2006, TDA2007, TDA2008. - Справочная ...

Мостовой усилитель 20 Вт на TDA2005 - схема, печатная плата, даташит

Усилитель на микросхеме TDA2020, 20 ватт. Схема, описание

The Answer is 42!!: TDA2005 Stereo Amplifier

Стереоусилитель на микросхеме TDA2005 » Вот схема! - Электронные схемы

Схемы усилителей на TDA2005 | Кое-что из радиотехники | Усилитель ...

Circuito amplificador potencia com CI TDA2005 em ponte

Электротехника: Усилитель на TDA2005.

\"Стерео усилитель на TDA2005 мощностью 6Вт на канал ...

Усилитель 2x12 Вт на TDA2004, TDA2005 - схема и печатная плата

TDA2005 схема включения, параметры, аналоги | Секреты телемастера

КАК САМОМУ СДЕЛАТЬ УСИЛИТЕЛЬ

Усилитель стереофонический со схемой TDA2005

Circuito de amplificador com CI TDA 2040 20 Watts - TE1

Tda2025 схема усилителя

Усилитель стереофонический со схемой TDA2005

Усилитель на микросхеме TDA2005, 2х10 ватт. Схема, описание

Моно усилитель на 20 Вт (TDA2005) - AmpExpert

DIY Amplifier 20 WATT MONO BRIDGE TDA2005 - YouTube

  • Вперед Штуцер для гидроаккумулятора
  • Назад R2 резистор

Новые страницы

Cyberpunk 2077 все терминалы быстрого перемещения карта

Диего марадона биография

Догреватель на дизель

Канакина 3 кл 2 часть

Картинки для дс сервера

Конный словосочетание

Линия фронта обозначенная на схеме

Математика номер 118

Мистер голд лего

Мумий тролль слушать онлайн

Образец заявления об изменении вида разрешенного использования земельного участка

Отвод ду 108

Паспорт безопасности здания образец

Пинетки крючком для новорожденных схемы для начинающих

Поселок азовское море

При отпускании педали газа

Проверь себя алгебра 8 класс мерзляк с решением

Ргсу москва официальный сайт факультеты

Самодельный мотор для велосипеда

Седьмое небо мурманск ресторан

Шдуп коробка

Школа бескудниковский бульвар

Sports school 1

Tda2005 схема усилителя стерео 20 ватт

Теорема о касательных

Twinge of fear

Узбекская кухня национальные блюда

Замена платы на айфон 5

Занавески схемы

Заявление анкета на ипотечный кредит втб образец

cdn.zecar.ru