Skip to content

Фотогалерея

  • Главная
  • Контакты

Tda1013b схема включения

TDA1013B

Tda1013b схема включения - Схемы

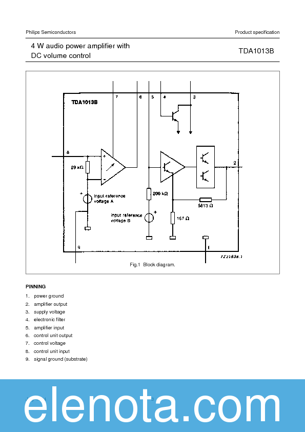
Схема УНЧ с регулятором громкости на микросхеме TDA1013B (4Вт)

Tda1013b схема включения - Схемы

CIRCUITO INTEGRADO TDA1013B PHILIPS - Gold News Eletrônica Ltda.

Микросхема tda1013b схема включения

Tda1013b схема включения - Схемы

Схема включения TDA1013 своими руками

NF zosilňovač s obvodom TDA1013B

Circuito Integrado TDA1013B - Eletro Parts

Tda1013b схема включения стерео

Tda1013b схема включения - Схемы

TDA1013B NOS

Tda1013b схема включения - Схемы

Микросхема tda1013b схема включения

Tda1013b схема включения - Схемы

Tda1013b схема включения стерео

Tda1013b схема включения - Схемы

Tda1013b схема включения стерео

Tda1013b схема включения стерео

Tda1013b схема включения стерео

Tda1013b схема включения - Схемы

Микросхема tda1013b схема включения

Tda1013b схема включения - Схемы

Tda1013b схема включения стерео

Простое устройство задержки включения или выключения электрической ...

TDA1013B :: Зарубежные микросхемы

Tda1013b схема включения - Схемы

Микросхема DT1641AS. Описание. Схема включения.

Tda8588aj схема включения - 92 фото

Tda1013b схема включения - Схемы

Микросхема tda1013b схема включения

"Tda1524a схема включения"

Микросхема tda1013b схема включения

Интегр.схема TDA1013B - КСП Електроникс

  • Вперед Геликон опера схема
  • Назад Установка парктроника гранта

Новые страницы

Акт приемки защитного покрытия образец заполнения

Быкова сборник 4 класс

Дпу 100

Дядя степа милиционер читать полностью текст в стихах с картинками

Dyson сервисный центр в москве

Гдз по биологии 10 класс углубленный уровень пасечник

Изготовление тумба на заказ по индивидуальным размерам

Краны американка

Листорасположение семейства пасленовые

Математика 3 кл стр 58

Мой безопасный путь в школу образец

Можно ли сказать что электрон обладает волновыми свойствами

Обновить автонавигатор

Обьяснительная или объяснительная образец на работе по ситуации в больнице

Опель астра или форд фокус

Озеро куль

Перекрасить мотоцикл

Пляж знаменское

Подчеркни предложение которое соответствует схеме

Проект по технологии 8 класс бизнес план кофейни

Рисунок панды карандашом с бамбуком

Ширяев тренировочные варианты

Школа 548 красносельского района

Спортивная игра с мячом ответ

Sports essay

Сведения об успеваемости ученика образец

Тренировки на массу турники

Удаление татуажа юлия карпова

В траве трещат кузнечики скрипит жук воркуют дикие голуби стучат по деревьям дятлы пищат

Замена лобового стекла в свао

cdn.zecar.ru