Skip to content

Фотогалерея

  • Главная
  • Контакты

Tb2926

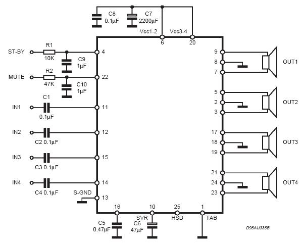
TB2926CHQ PDF Datasheet - 49W x 4-ch, BTL Audio Power IC

Ic tb2926chq integrated circuit IC miscelaneous tb2926chq Toshiba ...

دیتابیست شاسی های پخش های شرکت JVC - دیتابیس شاسی های جی وی سی بهمراه ...

Crossbody Pouch-TB2926

TB2926 TB2926HQ – Inkocean Technologies

Wzmacniacz TDA7560 schemat. - elektroda.pl

Jual TB2926HQ TB2926 TB2926AHQ 4x45W BTL Final Mosfet Audio Amplifier ...

Understanding the Amplifier Circuit Diagram - RAYPCB

1PCS Audio Power Amplifier IC ZIP-25 TB2926HQ TB2926#R2020 | eBay

tb2926 tb2926hq tb2926ahq | Lazada Indonesia

Yahoo!オークション - tb2926 地域限定送料無料 エバーグリーン コンバ...

Page 2 SOUNDSERVICE DISCOUNTS - SOUND EQUIPMENT LIGHTING AUDIOVISUAL ...

1pcs Original TB2926HQ TB2926AHQ ZIP-25 TB2926 ZIP15 audio power ...

6PCS Audio Power Amplifier IC TOSHIBA ZIP-25 TB2926HQ TB2926 | eBay

1 Buah TB2926HQ ZIP-25 TB2926AHQ TB2926 Audio Power Amplifier Chip IC ...

5333b稳压芯片电路图,m5333b稳压芯片,7135芯片电路图(第2页)_大山谷图库

TB2926 AMPLICATEUR 49W 4-CH BTL Audio Power-IC

Mua Nắp đèn hậu dành cho xe Wave RS , Wave Anpha , Wave S100 đời 2006 ...

Jual Final Mosfet TB2926AHQ TB2926 AHQ TB 2926 AHQ di Lapak Sparepart ...

TB2926HQ TB2926AHQ TB2926 ZIP-25 | Lazada Indonesia

Page 2 SOUNDSERVICE DISCOUNTS - SOUND EQUIPMENT LIGHTING AUDIOVISUAL ...

TB2926CHQ TB2926 ZIP-25 | Lazada Indonesia

5333b稳压芯片电路图,m5333b稳压芯片,7135芯片电路图(第17页)_大山谷图库

TB2926HQ-TB2926-ZIP-Can-be-purchased-directly.jpg

Meimxy Tb2926hq Tb2926 Tb2926ahq Zip 1pcs Can Be Purchased Directly ...

(2PCS)TB2926HQ TB2926|2pcs set|2pcs - AliExpress

TB2926CHQ TB2926 ZIP 25| TB2926CHQ TB2926 ZIP-25| - AliExpress

8115电源电路图,电源芯片8115电路图,8115f电源芯片(第2页)_大山谷图库

((1 Peça))ci Tb2926hq Tb 2926hq Tb2926 Hq Original | Parcelamento sem juros

Tb2926ahq TB2926AHQ Tb2926Hq Final Mosfet IC Audio Amplifier | Shopee ...

电源芯片pn6012电路图,8024电源芯片电路图,a电源板芯片电路图(第10页)_大山谷图库

ای سی ها (IC) TB 2926

ای سی ها (IC) TB 2926

TB2904HQ TB2904 TB2904 TB2906HQ TB2906H TB2906H TB2906 TB2926CHQ ...

TA7240P TA7240AP Original Imported Disassembly Original, 52% OFF

  • Вперед Шиномонтаж калуга
  • Назад Floods happen when there is more water

Новые страницы

Acer смартфон

Агентский договор риэлтора образец

Акб классификация

Английский язык 3 класс страница 119 номер 3

Английский язык 4 класс рабочая тетрадь страница 49 упражнение 3

Ea sports to the game

Фитнес браслет smart band 7 купить

Гимн рсфср

Какие виды спорта в школе

Маршрут 331 маршрутки чебоксары схема движения

Муслим магомаев и тамара синявская история любви

Отсоединение клемм аккумулятора

П214б

Первичная годичная послевузовская подготовка

Погода в жукове калужской области карта осадков

Прямоугольные треугольники признаки

Рабочая тетрадь по английскому языку 2 класс страница 61

Реклама банкетного зала

Схема блока предохранителей нексия

Схема техническая организация

Снятие стартера шевроле нива

Социальный портрет семьи образец

Tb2926

Терморегулятор для смесителя

Установи соответствие между предложениями и их схемами

Узоры шахматка спицами со схемами и описанием

Яндекс такси мелеуз номер телефона

Юсуповский дворец в санкт петербурге фото снаружи

Заглушка 25 мм

Зона отдыха с мангалом

cdn.zecar.ru