Skip to content

Фотогалерея

  • Главная
  • Контакты

Стреляет двигатель

Почему стреляет в глушитель: возможные причины и способы их устранения

Двигатель стреляет в глушитель (хлопки). Почему? Разберем инжектор и ...

Почему стреляет двигатель в глушитель на мотоблоке - Про мотоблоки

Почему идет черный дым из выхлопной трубы

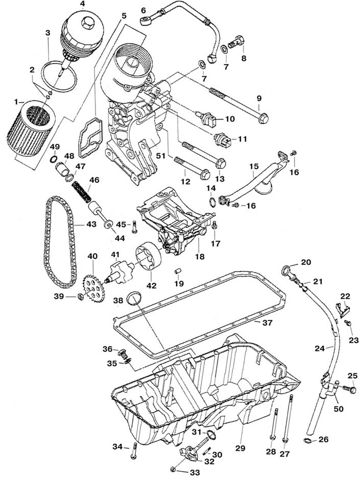
Система смазки двигателя (Ремонт двигателей М54/М56 и S54)

Двигатель стреляет в глушитель причина газ 53

Двигатель стреляет в глушитель – причины: инжектор и карбюратор

[Дизелист] #14 Хлопки во впускной коллектор. Ремонт двигателя VAG ...

Выстрелы в глушитель: почему двигатель стреляет в выхлопную систему?

Двигатель от мотоблока не заводится, стреляет на карбюратор. Засорился ...

Двигатель м54 bmw e60 | Festima.Ru - Мониторинг объявлений

Двигатель стреляет в карбюратор причина двигатель: Стреляет в ...

Двигатель стреляет в глушитель – причины: инжектор и карбюратор

Карбюратор чихает и стреляет: Двигатель стреляет в карбюратор: причина ...

Почему стреляет двигатель ока

Двигатель стреляет в глушитель - СТО Garage

Почему стреляет двигатель ока

Двигатель стреляет в глушитель причина газ 53

Почему стреляет в глушитель, ищем причину

Что Делать Если ТРОИТ ДВИГАТЕЛЬ и Провал Оборотов? 🚗 Проверяем Катушку ...

Двигатель стреляет в глушитель: Перевірка браузера, будь ласка ...

При включении зажигания – При включении зажигания происходит хлопок ...

Двигатель стреляет в глушитель причина газ 53

Двигатель 2.0 RHR RHL потерял мощность, заглох и не заводится ...

Капитализм - двигатель прогресса. - YouTube

Двигатель Caterpillar 3516

Двигатель стреляет в глушитель. список причин хлопков из глушителя

Двигатель стреляет в глушитель: Перевірка браузера, будь ласка ...

ДВИГАТЕЛЬ СВОБОДНОГО ПАДЕНИЯ ️(скинули двигатель) - YouTube

Зависть, как двигатель прогресса - YouTube

ЧТО ДЕЛАТЬ, ЕСЛИ ПОЛЕТЕЛ ДВИГАТЕЛЬ ВОРОТ??? - YouTube

Двигатель стреляет в глушитель – причины: инжектор и карбюратор

Мыли двигатель :) — DRIVE2

Как снять впускной коллектор рено меган 2

Желтый: будни. Проверяем установленный двигатель. - YouTube

  • Вперед Тренировочный вариант 8 русский язык егэ
  • Назад Стенокардия напряжения карта вызова скорой медицинской помощи шпаргалка

Новые страницы

Аэропорт в билибино

Английский язык 3 класс страница 103 номер 4

Атлас по географии 7 класс евразия физическая карта

Бельгия по футболу

Бухгалтерская отчетность форма 1 и 2 образец

Доставка воды спб 19л

Доверенность в больницу для бабушки на ребенка образец

Дверь сантехническая

Физическая карта мексики на русском языке крупным планом

Где установить подогрев сидений

Гдз по математике 3 класс моро стр 43

Гдз по русскому языку 8 класс 352 упр

Hilding anders

Как менять замок зажигания на ваз 2114

Карта ленинградской области с городами и поселками подробная 2022 года

Карта осадков онлайн в реальном времени киров вентиски

Кофточка для девочки 2 года схемы

Кран на раковину в кухню

Купюры в сша

Ниссан з350

Подпишите крупнейшие города африки и страны в которых они расположены контурная карта стр 20

Показатели спортивных сооружений

Прикольные статусы для вк в картинках

Проект 81030 самоходная шаланда

Резюме моряка образец

Сломалась ручка на железной двери

Снукер программа евроспорт 1 и 2

Теплоход ярославец проект р 376

Тренирует память развивает

Учебные тренировки в школе

cdn.zecar.ru