Skip to content

Фотогалерея

  • Главная
  • Контакты

Ssangyong kyron предохранители схема

Предохранители и реле SsangYong Kyron, схема и описание

Греемся — SsangYong Kyron, 2 л, 2008 года | наблюдение | DRIVE2

Предохранители и реле SsangYong Kyron, схема и описание

Предохранители и реле SsangYong Kyron, схема и описание

В поисках утечки и коротыша в магнитолле — SsangYong Kyron, 2 л, 2009 ...

Manual De Taller Ssangyong Kyron 2010 2011 2012 2013 2014

Предохранители и реле Ssangyong Kyron - Блоки предохранителей

Предохранители и реле SsangYong Kyron, схема и описание

Предохранители и реле SsangYong Kyron, схема и описание

Запуск — SsangYong Kyron, 2 л, 2008 года | расходники | DRIVE2

Дальний в пол накала — SsangYong Kyron, 2 л, 2009 года | электроника ...

SSANGYONG KYRON ÖN KORUMA 2007-2012 2.117,00 TL

Предохранители Дракона! — SsangYong Kyron, 2 л, 2007 года | электроника ...

Генератор решил сдохнуть)) — SsangYong Kyron, 2 л, 2008 года | поломка ...

Каробка ч.3 — SsangYong Kyron, 2,3 л, 2013 года | поломка | DRIVE2

Втягивающее Реле Стартера SsangYong Kyron Дизель

SSANGYONG KYRON 2006 Service Manual (500 Pages)

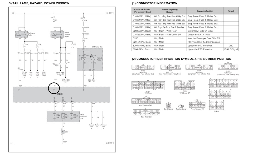
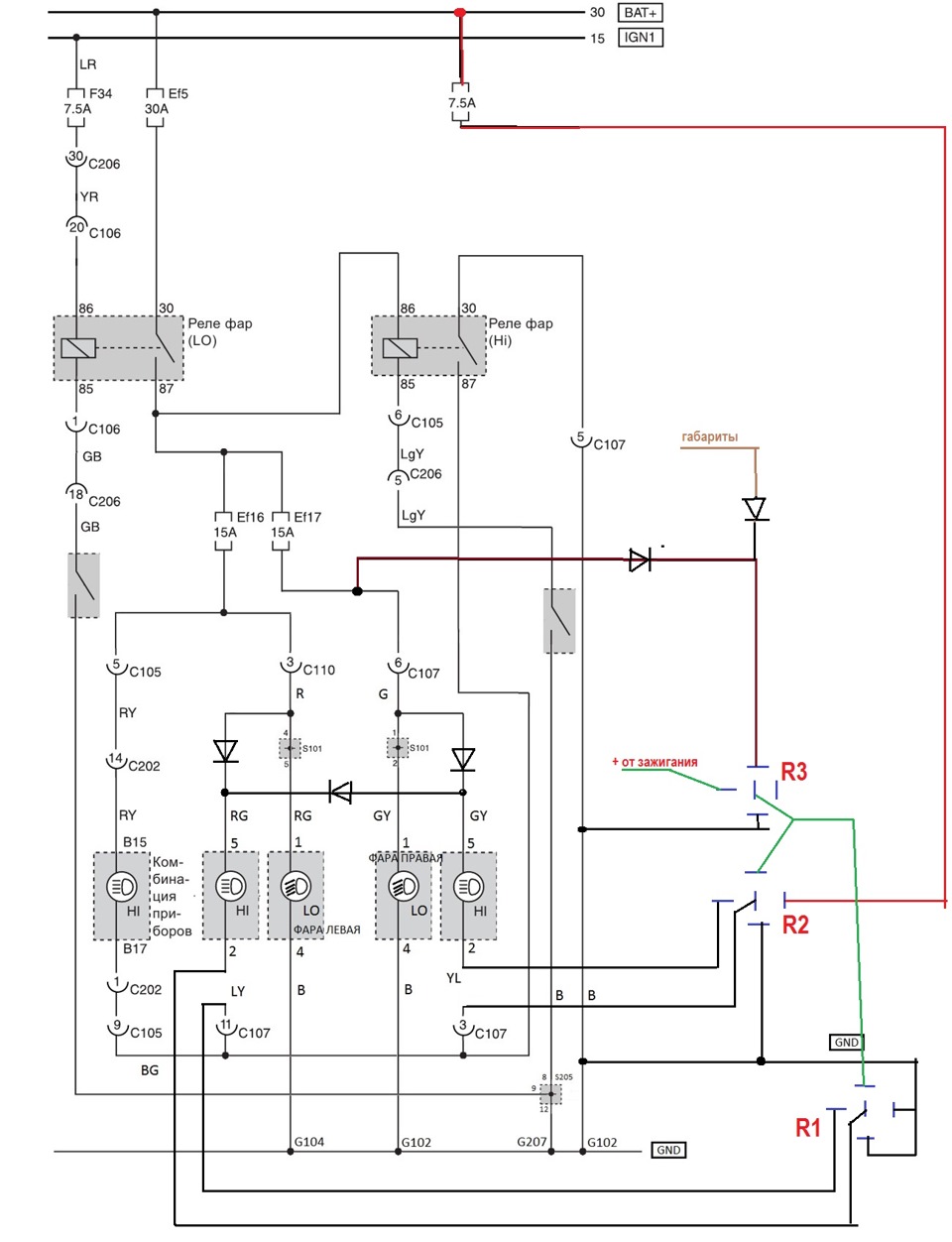
Схема предохранителей ssangyong kyron - фото

Схема предохранителей ssangyong kyron - фото

Схема предохранителей ssangyong kyron - фото

Предохранители и реле SsangYong Kyron, схема и описание

80. Сказ про то, как я "Улитку" менял… :)) — SsangYong Kyron, 2,3 л ...

Схема предохранителей ssangyong kyron - фото

ДХО за 5 минут. — SsangYong Kyron, 2 л, 2007 года | своими руками | DRIVE2

Как заменить ремень генератора SsangYong Kyron

Замена аккумулятора — SsangYong Kyron, 2,3 л, 2011 года | расходники ...

Магия как она есть в Kyron — SsangYong Kyron, 2 л, 2008 года | своими ...

Электрическая схема ssangyong kyron - фото

Вопрос по магнитоле — SsangYong Kyron, 2,3 л, 2013 года | автозвук | DRIVE2

SsangYong Kyron с пробегом: все его недостатки — фото 1202328

Схема предохранителей ssangyong kyron - фото

Всё как у всех. Часть 14. Блок STICS. — SsangYong Kyron, 2 л, 2008 года ...

Схема предохранителей ssangyong kyron - фото

Электрическая схема ssangyong kyron - фото

Схема предохранителей ssangyong kyron - фото

  • Вперед Строение окружности
  • Назад Чвк вагнер рисунок карандашом

Новые страницы

Алгебра 539

Автоспринтер

Быстроразъем пневматический с клапаном

Чувствительность автомобильных динамиков

Достопримечательности города находка

Гдз по математике 6 класс номер 406

Гдз по русскому языку 3 класс 2 часть учебник стр 47

Гостиница спортивного назначения

Хронический колит карта вызова скорой медицинской помощи шпаргалка

Кайзер плита электрическая

Как избавиться от бляшек в сосудах

Как отмыть стекло от парафина

Как поменять топливный фильтр ваз 2109

Книги мир приключений азбука планы издательства

Лучшая главная героиня второго плана манга

Нарисуйте схему строения трубчатой

Не открывается крышка бензобака сузуки гранд витара

Парк им 1 мая в нижнем новгороде

Приказ на удержание подотчетных сумм из зарплаты образец

Программа пусконаладочных работ по вентиляции образец

Схема карта метро с вокзалами

Схема предохранителей паджеро

Шпилька 14 мм

Шумоизоляция астрахань

Спорт хоккей расписание игр

Ssangyong kyron предохранители схема

Take part in sport

Упражнение 574 по русскому языку

Выздоровевший разгромленный

Животные красной книги архангельской области презентация

cdn.zecar.ru