Skip to content

Фотогалерея

  • Главная
  • Контакты

Способы зарядки конденсатора

Как правильно подобрать конденсатор - рекомендации от Суперайс

Как правильно разрядить конденсатор - YouTube

Способы зарядки телефона при сломанном гнезде питания

Конденсатор подключен к аккумулятору и заряжается. Как меняется в ...

Как конденсатор увеличивает напряжение - YouTube

Разрядка конденсатора вывод формулы

Время зарядки конденсатора формула: конденсатор в цепи постоянного тока ...

Время зарядки конденсатора формула: конденсатор в цепи постоянного тока ...

Три способа зарядки аккумулятора (конденсатора) | m-fiz.ru

Конденсатор. Электрическая ёмкость конденсатора. Энергия заряженного ...

Сопротивление конденсатора: чему оно равно, формулы, расчет

Параллельное и последовательное соединение конденсаторов: особенности и ...

Лабораторная работа Э Изучение процессов зарядки и разрядки ...

Емкость конденсатора через частоту: Зависимость емкости конденсатора от ...

Время зарядки конденсатора - Altium Designer, DXP, Protel - Форум ...

Три способа зарядки аккумулятора (конденсатора) | m-fiz.ru

Конденсатор электроёмкостью С1 = 3 мкФ, заряженный до разности ...

Как безошибочно определить полярность конденсатора: простые способы и ...

Энергия электрического поля: что это, свойства и характеристики

Что такое разряжающий резистор?Зачем параллельно конденсатору его ...

Лабораторна робота "Визначення ємності та енергії зарядженого ...

Как правильно заряжать конденсаторы

Сила тока через конденсатор формула: Конденсатор — Светодиодные ...

Презентация на тему: "Наблюдение процесса зарядки и разрядки ...

Время заряда конденсатора через резистор: Конденсатор в цепи ...

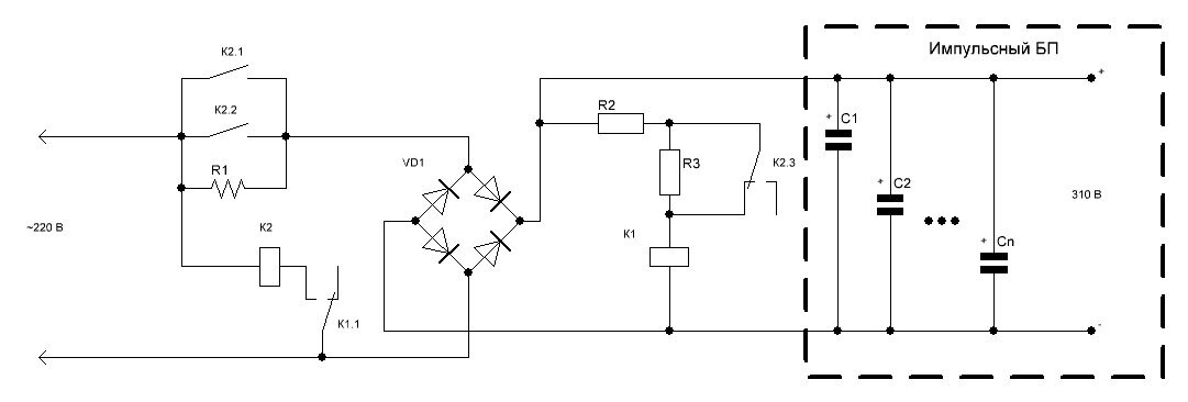
3 варианта устранения бросков тока при включении мощных БП | Лампа ...

Как найти заряд на обкладках конденсатора колебательного контура

1. Наблюдение процесса зарядки и разрядки конденсатора

Емкость и заряд конденсатора

в чем измеряется заряд конденсатора в физике

Конденсатор как фильтр: Сглаживание пульсаций, пульсация напряжения ...

Заряд конденсатора что это такое и чему равен, как рассчитать

заряд конденсатора что такое

Как быстро и безопасно заряжать конденсаторы разных типов

Численно-Буквенного Код (при Маркировке КОНДЕНСАТОРОВ) — schip.com.ua

  • Вперед Дамла из жестокого стамбула
  • Назад Тренинг деньги

Новые страницы

7 Класс тест буклет спотлайт

Complete the table adjective comparative superlative taller

Дневник спортсмена

Где найти медный кабель под землей для сдачи

Гдз по математике 6 класс номер 332 2 часть

Гидроручник своими руками чертежи

Как написать письмо президенту россии путину через интернет лично с просьбой о помощи образец

Как отрегулировать клапана на ваз 2108 карбюратор

Как полировать фары изнутри

Лего страна производитель

Метафорическая карта значение по номерам

Новочебоксарск маршрут 20 схема движения

Нуклоны азота

Осина по слогам разделить по слогам

Paint практическая работа 7 класс

Письмо подруге 3 класс образец по русскому языку

Планирования спортивной тренировки

Плавают обороты карбюратор 2105

Поварово такси телефон

Приглашение на собеседование образец

Проекты комнат отдыха

Рерайт диплома заказать

Рисовать по клеточкам салли фейс

Схема помни цифровой цирк

Схема сандеро 2

Спортивные зимние комплекты

Учебник алгебра 10 мордкович

Ванна ресса

Виктор франкл человек в поисках смысла

Юрист по автокредитам

cdn.zecar.ru