Skip to content

Фотогалерея

  • Главная
  • Контакты

Схемы зарядных устройств на ку202н

Схемы зарядных устройств на ку202н. Схемы простых ЗУ для автомобильных АКБ. Схема зарядных устройств для автомобильных аккумуляторов 10 ампер. Схема ЗУ для АКБ автомобиля своими руками. Схемы ЗУ для автомобильного аккумулятора на тиристорах.

Схемы зарядных устройств на ку202н. Зарядно-разрядное устройство для аккумуляторных батарей схема. Схема зарядки автомобильных АКБ ЗРУ -1. Схема пуско-зарядное устройство на аккумуляторах. Схемы пуско зарядных устройств для автомобильных.

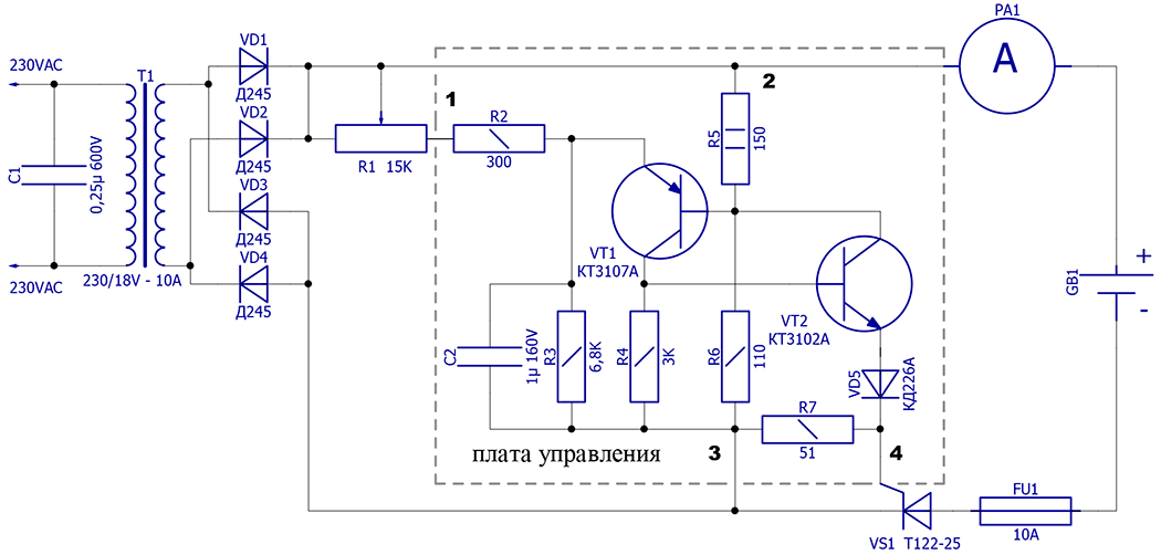
Схемы зарядных устройств на ку202н. Схема зарядного устройства на тиристоре ку202. Зарядное устройство для автомобильного аккумулятора на ку202. Зарядное для автомобильного аккумулятора на 202 тиристоре. Схема автомобильного зарядного устройства на тиристоре ку202.

Схемы зарядных устройств на ку202н. Схема зарядно пускового устройства для автомобильного аккумулятора. Схемы пуско зарядных устройств для АКБ. Зарядное для аккумуляторов ЗУ 90м схема. Схема ЗУ для АКБ С регулировкой тока.

Схемы зарядных устройств на ку202н. Схема регулятора тока для зарядки аккумуляторов авто. Зарядник для аккумулятора автомобиля на тиристоре ку202н. Схема ЗУ для АКБ С регулировкой тока. Схема самодельного зарядного устройства для АКБ автомобиля.

Схемы зарядных устройств на ку202н. Регулятор напряжения на двух тиристорах ку202н. Схема регулятора напряжения на 2 тиристорах. Схема тиристорного регулятора напряжения для зарядного устройства. Регулятор мощности на тиристоре ку202н.

Схемы зарядных устройств на ку202н. Схема зарядки аккумулятора на тиристоре ку202н. Зарядное для автомобильного аккумулятора на 202 тиристоре. Схема зарядного устройства на тиристоре ку202. Зарядка на тиристорах ку202н для автомобильного аккумулятора.

Схемы зарядных устройств на ку202н. Схема автоматического ЗУ для АКБ на тиристоре. Зарядное устройство 12v на тиристоре т122-25. Автоматическое зарядное устройство для автомобильного АКБ схема. ЗУ автомат для автомобильных аккумуляторов схема.

Схемы зарядных устройств на ку202н. Зарядно-разрядное устройство для аккумуляторных батарей схема. Заряд АКБ импульсным током схема. Зарядка аккумулятора импульсным током схема. Автоматическое импульсное зарядное устройство для АКБ схема.

Схемы зарядных устройств на ку202н. Схема зарядника для автомобильного аккумулятора на тиристоре. Схема зарядного устройства на тиристоре ку202. Зарядное для АКБ на тиристорах схема. Схема автоматического ЗУ для АКБ автомобиля.

Схемы зарядных устройств на ку202н. Схема зарядного устройства на тиристоре ку202. Схемы з/у для автомобильных аккумуляторов на тиристорах. З У для авто АКБ на тиристорах схемы. Зарядное для АКБ на тиристорах схема.

Схемы зарядных устройств на ку202н. Схема зарядного устройства для автомобильного на кт117. Схема тиристорного зарядного устройства для авто АКБ С защитой. Зарядное устройство для автомобильного аккумулятора на кт117а схема. Схема зарядника АКБ на кт117.

Схемы зарядных устройств на ку202н. Тиристорный регулятор тока для зарядного устройства схема. Схема зарядного устройства для автомобильного АКБ на тиристорах. Схемы тиристорных регуляторов для зарядных устройств. Регулятор напряжения по первичной обмотке трансформатора схема.

Схемы зарядных устройств на ку202н. Простая схема зарядки авто аккумуляторов. Схема зарядных устройств для аккумуляторных батарей автомобилей. ЗУ на тиристорах для АКБ автомобиля своими руками. Схема автоматической регулировки тока заряда АКБ.

Схемы зарядных устройств на ку202н. Схема зарядного устройства на двух тиристорах с регулировкой тока. З.У для автомобильного аккумулятора на тиристорах. Схемы заводских зарядных устройств для автомобильных аккумуляторов. Схема зарядника для автомобильного аккумулятора на тиристоре ку202.

Схемы зарядных устройств на ку202н. Схема зарядки авто аккумулятора 12в. Зрядное устройство АКБ натиристоре схе. Схемы автомобильных зарядных устройств для аккумуляторных батарей. Схема простейшего зарядного устройства для АКБ авто.

Схемы зарядных устройств на ку202н. Схема тиристорные пусковое устройство. Зарядное для АКБ на тиристорах схема. Схема пускового конденсаторного устройства для автомобиля 12в. Схемы з/у для автомобильных аккумуляторов на тиристорах.

Схемы зарядных устройств на ку202н. Зарядно-разрядное устройство для аккумуляторных батарей схема. Схема зарядного автомата для 12в АКБ. Схема простого ЗУ АКБ автомат. Схема зарядки аккумуляторный машины.

Схемы зарядных устройств на ку202н. Регулятор мощности на тиристоре ку202н схема 12в. Тиристорный регулятор напряжения схема подключения. Регулятор напряжения 220 вольт схема. Регуляторы напряжения на 12 вольт на тиристорах.

Схемы зарядных устройств на ку202н. Схема регулятора напряжения для зарядного устройства на тиристоре. Схема регулятора напряжения на 2 транзисторах и тиристоре. Схема регулятора тока для зарядного устройства на тиристоре. Схема тиристорного регулятора напряжения на 12 зарядного устройства.

Схемы зарядных устройств на ку202н. Схемы ЗУ для АКБ авто на тиристорах .. Зарядное устройство на кт117 для автомобильного аккумулятора. Зарядное устройство на тиристоре ку202н схема. Зарядка на симисторе для автомобильных аккумуляторов.

Схемы зарядных устройств на ку202н. Тиристорная схема зарядника АКБ. Схема зарядки аккумулятора на тиристоре ку202н с регулировкой тока. Схема зарядника для автомобильного аккумулятора на тиристоре ку202. Схема зарядки аккумулятора на тиристоре ку202н.

Схемы зарядных устройств на ку202н. Схема автомата зарядного устройства для автомобильного аккумулятора. Схема простого ЗУ АКБ автомат. Схема зарядного устройства для АКБ С регулировкой тока. Схема зарядки автомобильных АКБ ЗРУ -1.

Схемы зарядных устройств на ку202н. Зарядное устройство для автомобильного аккумулятора на ку202. ЗУ 2м схема печатная плата. Зарядное устройство для автомобильного аккумулятора ЗУ-2м схема. Схемы для зарядки автомобильных аккумуляторов на тиристорах.

Схемы зарядных устройств на ку202н. Зарядник для АКБ автомобиля своими руками схема. Импульсная зарядка для авто-аккумуляторов схема. Простейшая схема зарядного устройства для автомобильного АКБ. Схема зарядника тиристор аккумулятора.

Схемы зарядных устройств на ку202н. Тиристорный регулятор напряжения схема на кт117. Схема тиристорного регулятора напряжения для зарядки АКБ. Регулятор напряжения на кт117 и ку202н. Схема тиристорного регулятора напряжения для зарядного устройства.

Схемы зарядных устройств на ку202н. Схема зарядное устройство для автомобильного аккумулятора тиристор. Схемы з/у для автомобильных аккумуляторов на тиристорах. Схема простого зарядного устройства для АКБ автомобиля. Простая схема зарядки авто аккумуляторов.

Схемы зарядных устройств на ку202н. Регулятор для зарядки автомобильного аккумулятора на ку 202. Зарядное устройство авто аккумулятора на тиристоре т122 схема. Зарядное для автомобильного аккумулятора на 2 Ампера 12 вольт. Зарядное устройство 12v на тиристоре т122-25.

Схемы зарядных устройств на ку202н. Регулятор мощности на тиристорах т160. Регулятор напряжения на двух тиристорах ку202н. Регулятор напряжения на тиристоре ку202. Тиристорный регулятор напряжения 12 вольт.

Схемы зарядных устройств на ку202н. Схемы з/у для автомобильных аккумуляторов на тиристорах. ЗУ на 2 тиристорах для автомобильных аккумуляторов. Зарядное устройство для автомобильного аккумулятора на ку202. Регулятор тока на тиристоре для зарядного устройства.

Схемы зарядных устройств на ку202н. Зарядка для аккумулятора автомобиля на тиристорах схема. Зарядное устройство для автомобильного аккумулятора на ку202. Схема зарядного устройства на тиристоре ку202. ЗУ для аккумулятора автомобиля на тиристорах.

Схемы зарядных устройств на ку202н. Схема регулятора силы тока для зарядного устройства. Схема регулятора напряжения для зарядного устройства на тиристоре. Зарядное устройство для автомобильного аккумулятора на ку202. Регулятор для зарядки автомобильного аккумулятора на ку 202.

Схемы зарядных устройств на ку202н. Тиристорный регулятор напряжения на кт117. Тиристорный регулятор мощности схема на кт117. Регулятор напряжения на кт117 и ку202н. Схема регулятора напряжения на тиристоре 202.

Схемы зарядных устройств на ку202н. Схема зарядного устройства для авто аккумулятора на транзисторе. Схема тиристорного регулятора напряжения на 12 зарядного устройства. Схема тиристорного зарядного устройства для АКБ 12в. Зарядник для аккумулятора автомобиля на тиристоре ку202н.

Схемы зарядных устройств на ку202н. Зарядка для АКБ автомобиля схема. Схема тиристорного зарядного устройства для АКБ 12в. Схема ЗУ для АКБ автомобиля своими руками. Зарядник для аккумулятора автомобиля на тиристоре ку202н.

Схемы зарядных устройств на ку202н. Схема простейшего зарядного устройства для АКБ авто. Простейшая схема зарядного устройства для автомобильного АКБ. Схемы з.у для автомобильных аккумуляторов. Простая схема зарядки авто аккумуляторов.

Схемы зарядных устройств на ку202н. Схема ЗУ С регулятором напряжения. Схема ЗУ С регулятором напряжения авто. Схема управления тиристорами для зарядки аккумуляторов. Схема управления тиристорным регулятором напряжения.

Схемы зарядных устройств на ку202н. Схема автомобильного зарядного устройства на тиристоре ку202. Схема зарядного устройства ЗРУ-1м для автомобильного аккумулятора. Зарядное устройство для аккумулятора схема тиристоре. Схема простейшего зарядного устройства для автомобильного.

Схемы зарядных устройств на ку202н

Схемы зарядных устройств на ку202н. Простая схема зарядки авто аккумуляторов. Схема зарядок автомобильных на тиристорах. Схема поостого зарядного устройства для АВТОАКБ. Зарядка для аккумулятора автомобиля на тиристорах схема.

Схемы зарядных устройств на ку202н. Схема тиристорного зарядник аккумулятора. Схема ЗУ для АКБ на двух тиристора. Схема простого тиристорного зарядного устройства. Схема зарядного устройства на тиристоре ку201.

Схемы зарядных устройств на ку202н. Зарядное устройство для автомобильного аккумулятора на ку202. Схемы зарядные устройства для автомобильных аккумуляторов на ку 202. Схема зарядок автомобильных на тиристорах. Схема зарядного устройства на тиристоре ку202.

Схемы зарядных устройств на ку202н. Схемы для зарядки автомобильных аккумуляторов на тиристорах. Схема зарядника для автомобильного аккумулятора на тиристоре. Схема автоматического отключения зарядного устройства на тиристорах. Схемы зарядного устройства для АКБ на тиристорах.

Схемы зарядных устройств на ку202н. Схема регулятора мощности для ЗУ автомобильного аккумулятора. Схема зарядки аккумулятора на тиристоре ку202н. Зарядное устройство на тиристоре ку202н схема. Схемы ЗУ для автомобильного аккумулятора своими руками на тиристорах.

Схемы зарядных устройств на ку202н. Регулятор для зарядки автомобильного аккумулятора на ку 202. Простая тиристорная схема зарядного устройства АКБ автомобиля. Зарядное устройство на тиристорах т122-25. Схема автомобильного зарядного устройства на тиристоре ку202.

Схемы зарядных устройств на ку202н. Схема зарядки аккумуляторов с защитой от кз. Зарядное на тиристоре с защитой схема. Схема автоматического ЗУ для АКБ автомобиля. Схема ЗУ на тиристоре ку202н.

Схемы зарядных устройств на ку202н. Схема тиристорного регулятора напряжения для зарядки АКБ. Тиристорная схема зарядника АКБ. Тиристорное зарядное устройство с защитой от кз схема. Схема зарядного устройства для аккумуляторов с защитой от кз.

Схемы зарядных устройств на ку202н. Схема зарядки свинцовых аккумуляторов 12в. Автоматическое импульсное ЗУ для АКБ схема. ЗУ для автомобильного аккумулятора схема на симисторе. Схема зарядного устройства кислотных аккумуляторов.

Схемы зарядных устройств на ку202н. Зарядное для автомобильного аккумулятора на 202 тиристоре. Схемы з/у для автомобильных аккумуляторов на тиристорах. ЗУ на 2 тиристорах для автомобильных аккумуляторов. Схема зарядное устройство для автомобильного аккумулятора тиристор.

Схемы зарядных устройств на ку202н. Зарядник для аккумулятора автомобиля на тиристоре ку202н. Схема зарядного устройства на тиристоре ку202. Схема зарядки аккумулятора на тиристоре ку202н. Регулятор для зарядки автомобильного аккумулятора на ку 202.

Схемы зарядных устройств на ку202н. ЗУ-75м2 схема электрическая принципиальная. Зарядное устройство для автомобильного аккумулятора на ку202н схема. ЗУ на тиристоре ку202н. Зарядное устройство для автомобильного аккумулятора ЗУ-2м схема.

Схемы зарядных устройств на ку202н. Схема зарядного устройства ЗРУ-1м для автомобильного аккумулятора. Простое зарядное устройство для автомобильного аккумулятора схема. Эл схема зарядного устройства для автомобильного аккумулятора 12в. Простая схема зарядного устройства для аккумулятора 12в.

Схемы зарядных устройств на ку202н. Схема импульсной зарядки автомобильного аккумулятора своими руками. Схема зарядного устройства для автомобильного АКБ на тиристорах. Схемы выпрямителей для зарядки автомобильных аккумуляторов. Схема пуско зарадного устройства12в.

Схемы зарядных устройств на ку202н. Схемы з/у для автомобильных аккумуляторов на тиристорах. Схема простого ЗУ АКБ автомат. Схема автомат зарядник АКБ 12в.. Схема зарядного устройства аккумулятора автомобиля 12 вольт.

Схемы зарядных устройств на ку202н

Схемы зарядных устройств на ку202н. Тиристорный регулятор мощности схема на кт117. Схема тиристорного регулятора напряжения на 12 вольт. Регулятор напряжения 12в на тиристоре схема. Регулятор напряжения на тиристоре ку202.

Схемы зарядных устройств на ку202н. Схема простого зарядного устройства для АКБ автомобиля. Схемы простых ЗУ для автомобильных АКБ. Схема зарядных устройств для аккумуляторных батарей автомобилей. Схема тиристорного зарядного устройства для АКБ.

Схемы зарядных устройств на ку202н. Зарядное устройство для автомобильного аккумулятора на ку202. Схемы для зарядки автомобильных аккумуляторов на тиристорах. Схема ЗУ для АКБ на двух тиристора. Схема зарядки аккумулятора на тиристоре ку202н.

Схемы зарядных устройств на ку202н. Схема регулятора зарядки на тиристоре. Регулятор для зарядки автомобильного аккумулятора на ку 202. Зарядник для аккумулятора автомобиля на тиристоре ку202н. Схема регулятора тока для зарядного устройства на тиристоре.

Схемы зарядных устройств на ку202н. Схемы зарядные устройства для автомобильных аккумуляторов на ку 202. Схема регулятора тока для зарядного устройства на тиристоре. Схема зарядника для автомобильного аккумулятора на тиристоре ку202. Схемы регуляторов тока зарядных устройств аккумуляторов.

Схемы зарядных устройств на ку202н. Схемы з/у для автомобильных аккумуляторов на тиристорах. Схема зарядного устройства для автомобильного АКБ на тиристорах. Схема ЗУ для АКБ на двух тиристора. Тиристорная схема автоматической зарядника АКБ.

Схемы зарядных устройств на ку202н. Схема включения тиристора то125-12.5. Тиристорный регулятор напряжения схема подключения. Схема включения тиристора в зарядном устройстве. Схема управления тиристорным регулятором напряжения.

Схемы зарядных устройств на ку202н. Схемы ЗУ для автомобильного аккумулятора на тиристорах. Зарядное для АКБ на тиристорах схема. Схема тиристорного зарядного устройства для АКБ. Схема зарядного устройства ЗРУ-1м для автомобильного аккумулятора.

Схемы зарядных устройств на ку202н. ЗУ автомат для автомобильных аккумуляторов схема. Схема аккумуляторной зарядки автомобиля. Схемы автомобильных зарядных устройств для аккумуляторных батарей. Зарядно-разрядное устройство для аккумуляторных батарей схема.

Схемы зарядных устройств на ку202н. Схема зарядного устройства для десульфатации автомобильного АКБ. Схема самодельного зарядного устройства для АКБ автомобиля. Схемы простых ЗУ для автомобильных АКБ. Простая зарядка для автомобильного аккумулятора своими руками схема.

Схемы зарядных устройств на ку202н. Схемы зарядные устройства для автомобильных аккумуляторов на ку 202. Зарядное устройство для автомобильного аккумулятора на кт825. Схемы з/у для автомобильных аккумуляторов на тиристорах. Схемы ЗУ для автомобильного аккумулятора на тиристорах.

Схемы зарядных устройств на ку202н. Схема включения тиристора ку202н. Параметры тиристора ку202н. Регулятор мощности на тиристоре ку202н схема для мотора. Тиристор ку202 схема подключения.

Схемы зарядных устройств на ку202н. Схема зарядника для автомобильного аккумулятора на тиристоре. Схемы з/у для автомобильных аккумуляторов на тиристорах. Зарядное устройство для автомобильного аккумулятора на кт117а схема. Схема регулятора силы тока для зарядного устройства.

Схемы зарядных устройств на ку202н. Зарядное устройство вза-5 схема. Схемы ЗУ для АКБ автомобиля. Зарядник для аккумулятора автомобиля на тиристоре схема. Схема тиристорного зарядного устройства для АКБ.

Схемы зарядных устройств на ку202н. Схема мощного зарядного устройства для автомобильного аккумулятора. Схема зарядок автомобильных на тиристорах. Схемы для зарядки автомобильных аккумуляторов на тиристорах. Схема зарядного устройства на тиристоре ку202.

Схемы зарядных устройств на ку202н. Схема зарядного устройства ЗРУ-1м для автомобильного аккумулятора. Схема зарядного устройства на двух тиристорах с регулировкой тока. Схема зарядок автомобильных на тиристорах. Схемы зарядок для автомобильных аккумуляторов.

Схемы зарядных устройств на ку202н. Схема зарядного устройства на тиристоре с защитой. Схемы ЗУ для АКБ авто на тиристорах .. Тиристорная схема зарядника АКБ. Схемы з/у для автомобильных аккумуляторов на тиристорах.

Схемы зарядных устройств на ку202н. Схемы ЗУ для автомобильного аккумулятора своими руками на тиристорах. Простая схема зарядки авто аккумуляторов. Схемы з/у для автомобильных аккумуляторов на тиристорах. Схема зарядника для автомобильного аккумулятора на тиристоре.

Схемы зарядных устройств на ку202н. Зарядное для АКБ на тиристорах схема. Схема автоматического ЗУ для АКБ автомобиля. Зарядник для аккумулятора автомобиля на тиристоре ку202н. Схема зарядника АКБ на тиристоре.

Схемы зарядных устройств на ку202н. Схема регулятора тока для зарядного устройства на тиристоре. Зарядное для АКБ на тиристорах схема. ЗУ для автомобильного аккумулятора схема. Схема зарядного устройства для автомобильного АКБ на тиристорах.

Схемы зарядных устройств на ку202н. Схема автоматического ЗУ для АКБ автомобиля. Автоматическое ЗУ для автомобильного аккумулятора схема. Схема простого ЗУ АКБ автомат. Схема автоматики зарядного устройства автомобильного аккумулятора.

Схемы зарядных устройств на ку202н. Зарядное для АКБ на тиристорах схема. Простая схема зарядки авто аккумуляторов. Схемы зарядного устройства для АКБ на тиристорах. Зарядное устройство на кт117 для автомобильного аккумулятора.

Схемы зарядных устройств на ку202н. Схема простого ЗУ для автомобильного аккумулятора. Схема автоматической зарядки автомобильного аккумулятора. Схема зарядного авто АКБ асимметричным током. Заряд АКБ импульсным током схема.

  • Вперед Короб перфорированный серый rl6
  • Назад Клетка для шиншиллы своими руками чертежи с размерами

Новые страницы

160 Труба

Домашнее задание по математике за 4 класс 2 часть

Эссенс духи по номерам картинки

Фитнес браслет samsung gear

Гдз по математике 6 класс номер 953

Гдз тетрадь экзаменатор 6 класс бунимович

Герб города углич картинки

Инкассовое поручение образец сбербанк

Источники права социального обеспечения презентация

Каток в москве в парке горького

Контурная карта объединение италии 9 класс

Кундозеро отчеты о рыбалке

Мачете м12д2

Не срабатывает замок зажигания

Новоасбест нижний тагил карта

Нравственный выбор сочинение это

Ншви квт

Обозначение резьбовых отверстий на чертежах гост

Печать визиток в твери

Пероксид натрия степени окисления

Положение об отделах и структурных подразделениях образец

Решебник четвертый класс математика

Схема реле стартера газель

Схемы зарядных устройств на ку202н

Сколько стоит замена экрана хонор 9 лайт

Стабилизатор напряжения ресанта схема принципиальная

Строительство беседок под ключ проекты

Термоизоляция для труб

Тип схем описывающих алгоритмы

Вольная борьба какой вид спорта

cdn.zecar.ru