Skip to content

Фотогалерея

  • Главная
  • Контакты

Схемы паяльных станций схема lukey

РадиоКот :: Паяльная станция с энкодером.

Зарядное устройство схема принципиальная для акб

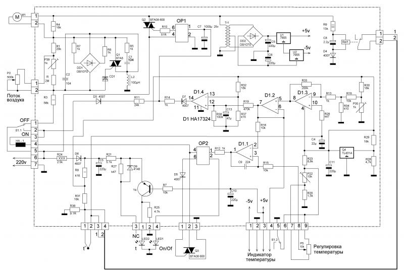
Схема паяльной станции lukey 852d - Схемы

Паяльная станция.

Запасной термофен для паяльных станций Lukey - Masteram

Технологические схемы нефтеперекачивающих станций

Пожароопасность паяльных станций Lukey / Хабр

Обзор лучших паяльных станций для дома

Рейтинг паяльных станций: лучшие модели

РадиоКот :: Lukey 852D+: Изгой, или верный помощник.

Сравнительный обзор паяльных станций Lukey 852D+ и Lukey 852D+Fan

Паяльная станция LUKEY-853D 12-0043-4 - выгодная цена, отзывы ...

Обзор паяльных станций Lukey 936A и Lukey 936AD

Паяльная станция LUKEY 936+ ( 60W )

Технический портал Masteram-Labs: Обзор термовоздушных паяльных станций ...

6 лучших паяльных станций - Рейтинг 2021

Lukey 852 схема

Качественное жало для паяльников от паяльных станций типа Lukey, и т.п ...

Купить Переходник для паяльника YIHUA-907A на станции Lukey (термопара ...

Lukey 902 схема

Паяльная станция Lukey по низкой цене с доставкой в интернет-магазине OZON

Паяльник Lukey по низкой цене с доставкой в интернет-магазине OZON ...

Руководство по эксплуатации паяльных станций Lukey 852D+/852D+FAN/902

Схема lukey 852

Паяльная станция термофен и паяльник | Библиотека устройств на ...

Технологические схемы нефтеперекачивающих станций

Качественное жало для паяльников от паяльных станций типа Lukey, и т.п ...

Графическое изображение схемы электроснабжения - 84 фото

Паяльная станция схема - Схемы

Lukey 702 замена трансформатора 85 фото

Подключение насосной станции в частном доме – выгодное решение проблемы ...

Схема паяльной станции lukey - Схемы

Паяльная станция LUKEY 853D 6835 - выгодная цена, отзывы ...

Паяльная станция LUKEY 853D 6835 - выгодная цена, отзывы ...

Пожароопасность паяльных станций Lukey / Хабр

  • Вперед Ремонт электромобилей в спб
  • Назад Бизнес функция

Новые страницы

Болезнь свинка как лечить

Договор на консультационные услуги с физическим лицом образец

Dom sata

Дворец спорта волгоград

Фитнес хаус сегодня

Гдз математика 3 класс рабочая тетрадь дорофеев

Гдз по алгебре 8 класс номер 105

Как правильно составить долговую расписку образец от руки

Как рисовать высунутый язык

Какое масло лить в ниву урбан

Калина машина фото

Карта proton bus simulator

Коррекция топлива

Крепость хвасон южная корея

Монастырский андрей викторович картины

Основы логических схем

Отель на улице

Питание в чем заключается значение этого процесса для животного

Почему отрицательно заряженные частицы атома не оказывают заметного влияния на рассеяние частиц

При пересечении двух прямых один из углов равен 105 найдите образовавшиеся острые углы с рисунком

Прикольные картинки с годовщиной свадьбы 12 лет прикольные

Распиновка проводов на магнитолу приора

Русский язык планета знаний 4 класс учебник 2 часть

Сочинение по картине айвазовского буря у мыса айя 9 класс по плану

Сторож старик

Таблица счетчик гейгера камера вильсона

Труба стальная толщина стенки 3 мм

Зеленый театр парк горького схема

Журнал учета проверок кнопки тревожной сигнализации ктс образец скачать

Золотое сечение в стоматологии презентация

cdn.zecar.ru