Skip to content

Фотогалерея

  • Главная
  • Контакты

Схемы киа церато

Схемы киа церато. Электросхема Kia Cerato 2011г. Электрические схемы Kia Cerato 2010. Электросхема Киа Соренто 2 2011г.. Kia Cerato 2011 электросхема.

Схемы киа церато. Электросхема кия Церато 1. Kia Cerato 2011 электросхема. Kia Cerato 2007 схема электрическая. Электрическая схема Киа Церато 2.

Схемы киа церато. Электрические схемы Kia Cerato (4 поколение). Kia Cerato 2.0 двигатель ECU. Схема электрооборудования Киа Серато 2004. Электросхема Kia Mohave.

Схемы киа церато. Электрические схемы Kia Cerato (4 поколение). Kia Cerato 2 электросхемы. Kia Cerato 2 поколения электрическая схема. Электросхемы Киа Церато 3.

Схемы киа церато. Электрические схемы Kia Cerato 2010. Электрическая схема Киа Церато 3 поколения. Электрическая схема Киа Церато 3. Блок управления стеклоподъемников на Киа Церато.

Схемы киа церато. Электрические схемы Kia Cerato (4 поколение). Kia Cerato 2 поколения электрическая схема. Схема электропроводки Kia Cerato 4. Электросхемы Kia Cerato 3 (yd).

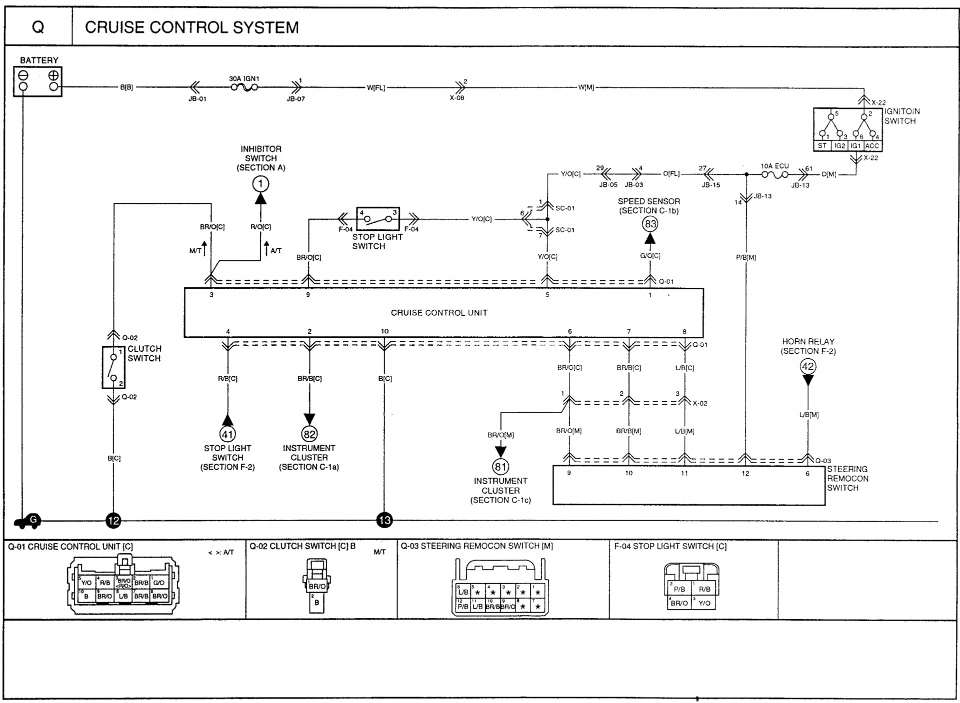
Схемы киа церато. Электросхема круиз контроля Спортейдж 3. Схема круиз контроля Киа Рио 3. Электрические схемы Kia Cerato (4 поколение). Электрическая схема Киа Церато 3.

Схемы киа церато. Kia Forte 2009 схема Автозвука. Электросхемы Kia Forte. Схема топливной системы Киа. Топливная система Киа Церато 3 схема.

Схемы киа церато. Схема проводки Киа Церато 2006. Kia Cerato 2007 схема электрическая. Электросхема Киа Церато 2. Электросхема стеклоподъемников Kia Cerato 2.

Схемы киа церато. Электросхема стеклоподъемников Киа Рио 3. Kia Cerato 2 электросхемы. Схема блока стеклоподъемника Киа Церато 2. Электросхема стеклоподъемников Киа спектра 2007.

Схемы киа церато. Электрические схемы Kia Cerato 2010. Кия Церато 2 схема электропроводки. Схема проводки Kia Cerato 2. Электросхема Kia Carens 2005 2l.

Схемы киа церато

Схемы киа церато. Kia Sportage 1 электросхема. Схема электрооборудования Киа Церато 1. Электросхемы Kia Cerato 2020u/. Электросхема Киа Церато 2.

Схемы киа церато. Kia Cerato схема электрическая. Схема проводки Киа Серато 1. Электрические схемы Kia Cerato (4 поколение). Схема проводки Киа Церато 2006.

Схемы киа церато

Схемы киа церато. Электрические схемы Kia Cerato (4 поколение). Кия Серато электропроводка 1.6. Схема электрооборудования Киа Церато 1. Схема Киа Серато 1.

Схемы киа церато

Схемы киа церато. Электросхема кия Церато 1. Электрические схемы Kia Cerato (4 поколение). Электрические схемы Kia Cerato 2010. Кия Церато 2008 электросхемы.

Схемы киа церато. Электрические схемы Kia Cerato (4 поколение). Электрические схемы Kia Cerato 2010. Электрическая схема Киа Церато 2. Схема электропроводки Kia Cerato 4.

Схемы киа церато. Электрические схемы Kia Cerato (4 поколение). Киа спектра 2010 схема электрооборудования. Kia Cerato схема электрическая. Kia Cerato 2 поколения электрическая схема.

Схемы киа церато. Kia Cerato 2 электросхемы. Kia Cerato 2 поколения электрическая схема. Электрические схемы Kia Cerato (4 поколение). Kia Cerato 4 схема аудиосистемы.

Схемы киа церато. Электрические схемы Kia Cerato (4 поколение). Электросхемы Kia Cerato 3 (yd). Блок управления Киа Церато 2011. Электросхема дворников Киа Церато 3.

Схемы киа церато

Схемы киа церато. Электрические схемы Kia Cerato (4 поколение). Kia Cerato 2 поколения электрическая схема. Схема проводки Киа Церато 2006. Схема электропроводки Kia Cerato 4.

Схемы киа церато. Kia Cerato 2 поколения электрическая схема. Электрические схемы Kia Cerato (4 поколение). Kia Cerato 2007 схема электрическая. Электрические схемы Kia Cerato 2010.

Схемы киа церато. Схема проводки Kia Cerato 2. Схема электропроводки Kia Cerato 4. Электрическая схема Киа Церато 2 поколения. Кия Церато 2 схема электропроводки.

Схемы киа церато. Схема электрооборудования Киа Церато 1. Электрическая схема Киа Церато 2 поколения. Kia Cerato 2007 схема электрическая. Электросхема Киа Церато 2.

Схемы киа церато. Kia Carens 2007 электросхемы. Электрические схемы Kia Cerato (4 поколение). Электрическая схема Киа Церато 2. Электросхема Киа Каренс 1999.

Схемы киа церато. Кия Серато электропроводка 1.6. Электросхемы Киа Церато 3. Схема электрооборудования Киа Церато 1. Kia Cerato 2 электросхемы.

Схемы киа церато. Kia Cerato 2006 схема подогрева сидений. Kia Rio 4 электрическая схема подогрева сиденья. Схема обогрева сидений Киа Церато 2. Схема обогрева сидений Киа Церато 1.

Схемы киа церато. Электрические схемы Kia Cerato (4 поколение). Схема включения противотуманных фар Киа Церато 1. Электросхемы Киа Церато 3. Электросхема ПТФ кия Рио 2.

Схемы киа церато

Схемы киа церато. Схема электрооборудования Киа Церато 2. Электрические схемы Kia Cerato 2010. Kia Cerato 2 электросхемы. Kia Cerato 2 поколения электрическая схема.

Схемы киа церато. Электросхемы Киа Спортейдж 4. Кия Авелла 1998 электросхема. Схема зарядки кия Церато 3. Kia Avella электросхема.

Схемы киа церато. Схема задней двери Киа Церато 3. Схема Kia Cerato 3 ручка. Kia Cerato коробка автомат схема. Кнопки на карте двери Kia Cerato 2006.

Схемы киа церато. Kia Rio 2004 схема стеклоподъемника. Kia Rio 2012 стеклоподъемники схема. Киа спектра блок управления стеклоподъемниками 2007 года схема. Схема стеклоподъемника кия спектра 2008.

Схемы киа церато. Эл схема Киа Церато 2. Kia Cerato 1 схема кондиционера. Электрическая схема Киа Церато 2. Kia Cerato 2007 схема.

Схемы киа церато. Электросхема кия Церато 1. Электрические схемы Киа Церато 1. Электросхемы двигателя Kia Cerato. Распиновка блока АБС Киа Серато 2.

Схемы киа церато. Kia Cerato 2 электросхемы. Электросхемы Киа Спортейдж 4. Kia Cerato 2011 электросхема. Электросхема Kia Optima 2017.

Схемы киа церато. Электрические схемы Kia Cerato (4 поколение). Схема электропроводки Kia Cerato 4. Схема блока управления двигателем 4. Схема электроники Kia Cerato.

Схемы киа церато. Кия Церато 2 схема электропроводки. Электрическая схема Kia Rio 2. Электросхема Kia Carens 2005 2l. Kia Cerato схема электрическая.

Схемы киа церато. Kia Cerato схема электрическая. Электрическая схема Киа Церато 2. Схема проводки Киа Серато 1. Схема электропроводки Kia Cerato 4.

Схемы киа церато. Электрические схемы Kia Cerato (4 поколение). Электрические схемы Киа Церато 1. Схема двигателя Киа Оптима 2.0. Электрические схемы Kia Cerato 2010.

Схемы киа церато. Kia Cerato 1 электросхема. Схема электропроводки Kia Cerato 4. Электросхемы Киа Спортейдж 4. Kia Cerato 2 электросхемы.

Схемы киа церато. Электрические схемы Kia Cerato (4 поколение). Электрические схемы Киа Церато 1. Kia Cerato 2007 схема реле поворотов. Kia Cerato 1 электросхема.

Схемы киа церато. Киа Соренто 2005 схема электропроводки. Kia Cerato схема электрическая. Схема блока предохранителей Киа Церато 1. Kia Cerato 2007 схема электрическая.

Схемы киа церато. Электрические схемы Kia Cerato (4 поколение). Схема центрального замка Киа Рио 2. Схема парктроника герато 2007. Kia Cerato схема электрическая.

Схемы киа церато

Схемы киа церато. Электрическая схема Киа Церато 2. Электрическая схема Киа Церато 2 поколения. Схема электропроводки Kia Cerato 4. Kia Cerato 2011 электросхема.

Схемы киа церато. Схема стеклоподъемника Киа Спортейдж 1 поколения. Kia Cerato 4 блок управления стеклоподъемниками схема. Kia Cerato 2007 схема. Kia Sportage 1 схема стеклоподъемника.

Схемы киа церато. Кия Серато электропроводка 1.6. Киа спектра 2007 двигатель 1.6 схема. Электросхема управления двигателем 1az. Электронный блок управления двигателем схема.

Схемы киа церато. Kia Cerato 2 поколения электрическая схема. Электросхема Kia Carens 2005 2l. Kia Cerato 2009-2013 электрические схемы. Kia Picanto 2007 электросхема.

Схемы киа церато. Схема электропроводки Киа Церато 3. Схема Kia Cerato 2010. Электрическая схема Киа Церато 2 поколения. Схема проводки Киа Церато 2.

Схемы киа церато. Kia Sportage 2006 блок управления двигателя. Электрические схемы Kia Cerato (4 поколение). Электросхемы двигателя Kia Cerato. Блок реле свечей кия Карнивал 2015.

Схемы киа церато. Кия Церато 2 схема электропроводки. Kia Cerato 2007 схема электрическая. Электрические схемы Kia Cerato 2010. Kia Cerato 2011 электросхема.

Схемы киа церато. Кия Церато 2 схема электропроводки. Схема проводки Kia Cerato 2. Схема электропроводки Киа Серато 2007. Электросхемы Kia Cerato 2020u/.

Схемы киа церато. Схема противотуманок Киа Соренто 2. Киа спектра 2010 схема электрооборудования. Kia Cerato 2 поколения электрическая схема. Схема стоп сигнала Киа Церато 1.

Схемы киа церато. Схема электрооборудования Киа Церато 1. Схема проводки Киа Маджентис 2004. Электрические схемы Kia Cerato (4 поколение). Электросхема Киа Церато 3.

Схемы киа церато. Разъем блока АБС Киа Церато 1. Схема электропроводки АБС Киа Спортейдж 2009 года. Блок управления ABS Киа Спортейдж 2. Разъём блока ABS Kia Sportage 2.

Схемы киа церато. Кия Серато электропроводка 1.6. Схема проводки Киа Серато 1. Электросхема Киа Церато 2. Электросхема кия Церато 1.

Схемы киа церато. Kia Cerato 2007 схема электрическая. Схема проводки Kia Cerato 2. Электросхемы Киа Церато 3. Электросхема Kia Cerato 3.

Схемы киа церато. Схема электрооборудования Киа Церато 3 поколения. Kia Cerato схема электрическая. Электросхема стеклоподъемников Kia Cerato 1. Электрические схемы Kia Cerato (4 поколение).

Схемы киа церато. Схема противотуманных фар Киа Рио 3. Реле противотуманных фар Киа Рио 2 Рестайлинг. Реле ПТФ на Киа Соренто 4. Схема подключения противотуманных фар Киа Рио 3.

Схемы киа церато. Kia Cerato 2 поколения электрическая схема. Электрические схемы Kia Cerato (4 поколение). Kia Cerato 2 электросхемы. Схема климат системы Киа Церато 2.

Схемы киа церато. Электрические схемы Kia Cerato (4 поколение). Электросхема магнитолы Киа Спортейдж 2. Kia Cerato 2 электросхемы. Электрическая схема Kia Soul 2011.

Схемы киа церато. Генератор электросхема Киа Оптима 2011. Электрические схемы Kia Cerato (4 поколение). Электросхемы Киа Церато 3. Электрические схемы Киа Церато 1.

Схемы киа церато. Kia Cerato 2007 схема электрическая. Схема электрическая Киа Маджентис 2005 года. Kia Carens 2007 электросхемы. Схема электрооборудования Киа Каренс 2004 года.

Схемы киа церато. Электросхемы Киа Спортейдж 4. Электрические схемы Kia Cerato (4 поколение). Электрическая схема Kia Sportage 4. Kia Cerato 2 электросхемы.

Схемы киа церато

Схемы киа церато. Электрические схемы Kia Cerato (4 поколение). Схема блока управления двигателем 4. Схема электрооборудования Киа Церато 1. Электросхема Киа Церато 3 поколение.

Схемы киа церато. Электрические схемы Kia Cerato (4 поколение). Электросхемы Киа Церато 3. Схема электропроводки Киа спектра 2006. Kia Cerato 2 электросхемы.

Схемы киа церато. Kia Cerato 2 схема проводов. Схема ЭБУ Киа Cerato. Kia Cerato 1 зарядка аккумулятора схема. Схема управления двигателем g4kd.

Схемы киа церато. Электросхема Киа Соренто 2 дизель 2.2. Кия Церато 2007 схема бензонасоса. Схема проводки Киа Серато 1. Схема электропроводки Kia Cerato 3.

Схемы киа церато. Электрические схемы Kia Cerato (4 поколение). Схема электрическая принципиальная Киа Церато 4. Kia Cerato 2 поколения электрическая схема. Схема блока управления двигателем Kia Cerato 2008.

Схемы киа церато. Система охлаждения Киа Церато 2 схема. Kia Cerato 2 электросхемы. Схема кондиционирования автомобиля Kia Rio 2. Система кондиционирования кия Церато 3 схема.

Схемы киа церато. Киа Оптима 2004 схема электрическая. Схема ЭБУ Киа Оптима 2012. АБС Киа СИД 2010 схема разъема. Kia Soul 2010 Эл схемы.

Схемы киа церато. Kia Cerato 2 электросхемы. Электросхемы Киа Церато 3. Электрические схемы Kia Cerato (4 поколение). Схема электропроводки Kia Cerato 4.

Схемы киа церато. Kia Cerato 2 электросхемы. Электросхемы Kia Cerato 2020u/. Кия Церато 2 схема электропроводки. Электрические схемы Kia Sorento 2019.

Схемы киа церато. Электрические схемы Kia Cerato (4 поколение). Схема ЭБУ Киа Оптима 2012. Киа Церато 1 схема центрального замка. Kia Cerato 2 поколения электрическая схема.

Схемы киа церато. Kia Cerato 1 электросхема. Электрические схемы Kia Cerato 2010. Киа Церато 2008г схема центрального замка. Схема электропитания бензонасоса Kia Spectra.

Схемы киа церато. Kia Cerato 2 электросхемы. Электрическая схема Киа Церато 3. Электросхемы Kia Cerato 2020u/. Электрические схемы Киа Церато 1.

Схемы киа церато. Kia Sportage 1 схема стеклоподъемника. Эл схема стеклоподъемников Киа спектра. Кия спектра 2007 схема стеклоподъемников. Kia Carnival 2 схема стеклоподъемников.

Схемы киа церато. Kia Cerato 2 электросхемы. Схема электрооборудования Киа Серато 2004. Электрическая схема Киа Церато 2. Электрическая схема Киа Соренто 2.4 бензин 2005.

Схемы киа церато. Схема электрооборудования Киа Серато 2004. Схема электропроводки Kia Cerato 4. Электрические схемы Kia Cerato (4 поколение). Электросхемы Киа Спортейдж 4.

Схемы киа церато. Схема привода Kia Cerato 2. Cerato LD 1.6 схема кондиционера. Kia Cerato 4 схема аудиосистемы. Схема Киа Серато 3.

Схемы киа церато. Kia Cerato 2 поколения электрическая схема. Электрические схемы Kia Cerato (4 поколение). Схема электрооборудования Киа Серато 2004. Киа Соренто 2005 схема электропроводки.

Схемы киа церато. Электросхема кия Церато 1. Электросхема Kia Cerato 3. Kia Cerato 2 электросхемы. Электрическая схема парктроника Киа Церато 4.

Схемы киа церато. Кия Церато 2 схема электропроводки. Электрические схемы Kia Cerato 2010. Схема проводки Kia Cerato 2. Схема Киа Церато 2.

Схемы киа церато. Электрическая схема Киа Оптима 2. Генератор электросхема Киа Оптима 2011. Схема Киа Оптима 2016 реле поворота. Схема штекера АБС Киа Оптима 3.

Схемы киа церато. Электросхема Kia Cerato 2011г. Кия Серато электропроводка 1.6. Kia Cerato 2 поколения электрическая схема. Электросхема Kia Cerato 4.

  • Вперед Сборник контрольных и самостоятельных работ по физике 10 класс
  • Назад Сувениры из мурманска что привезти

Новые страницы

Акт приема передачи бухгалтерских документов образец простой в word

Алчевск площадь советская

Correct the spelling mistakes

Dab divertron 1000 m

Гдз литература 8 класс курдюмова

Как написать приглашение на день рождения образец

Конденсатор к15 10

Кроссворд мышление

Математика 2 класс учебник 2 часть стр 83 номер

Mercedes benz gelandewagen

Нива шевроле шум в коробке

Образец доверенности в ростехнадзор на сдачу и получение документов

Образец формы кс 2

Образец ходатайства в мировой суд по делу об административном правонарушении

Образец заявления приставам о предоставлении информации по исполнительному производству

Опель астра или джетта

Полуразность чисел

Поплавковый выключатель насоса

Распиновка проводов замка зажигания ваз

Самара поселок самарский

Сергей лесовой стендап

Схема оренбурга

Схемы киа церато

Симптомы кори у взрослых фото

Tomahawk инструкция по эксплуатации

Волк с уолл стрит кинопоиск

Врачебный контроль за занимающимися спортом

Зарубежные микросхем

Zcat1518 0730

Железнодорожная карта краснодарского края со станциями

cdn.zecar.ru