Skip to content

Фотогалерея

  • Главная
  • Контакты

Схемы ford focus 2

Схемы ford focus 2. Схема Кан шины Форд фокус 2 Рестайлинг. Форд фокус 2 управление Электрооборудованием. Форд фокус 2 панель приборов Кан схема. Схема электрооборудования Ford Focus 2003 года.

Схемы ford focus 2. Электропроводка Ford Focus 2 Рестайлинг. Электрическая схема иммобилайзера Ford Focus 2. Электрическая схема кондиционера Форд фокус 2.

Схемы ford focus 2. Электрическая схема замка зажигания Форд Мондео 3. Система зажигания Ford Focus 2 схема. Электро схема зажигания Форд фокус 2. Моторная проводка схема Форд фокус 1 2.0.

Схемы ford focus 2. Форд фокус 1 схема блока управления двигателем. Схема Форд фокус 2. Электроусилитель руля Ford Focus 3 схема. Схема дросселя Форд фокус 2.

Схемы ford focus 2. Форд фокус 2 1.8 электросхемы. Форд фокус схема генератора Форд 2. Электрическая схема Форд фокус 2 Рестайлинг 1.6. Ford Focus 2 схема электрооборудования.

Схемы ford focus 2. Схема система электричество Форт фокс2. Схема дросселя Форд фокус 2. Блок управления двигателем на Форд фокус 3 схема. Форд фокус 1 схема управления двигателя.

Схемы ford focus 2. Электрическая схема замка зажигания Форд Мондео 3. Схема электрооборудования Форд Мондео. Электрическая схема АБС Ford Focus. Электрическая цепь кондиционера Форд Мондео 3.

Схемы ford focus 2. Электросхемы Форд фокус 2. Эл схема Форд фокус 2. Схема мотор печки Форд фокус 2. Схема Форд фокус 2 Рестайлинг.

Схемы ford focus 2. Форд фокус 1 электрическая схема обогрева сидений. Форд Mondeo 3 схема электропривода сидений. Форд фокус 2 Эл.схема подогрева сидений. Схема блока сиденья Форд фокус 2.

Схемы ford focus 2. Схема подключения датчика скорости Форд фокус 1. Датчик скорости Форд фокус 2 схема. Схема подключения датчика скорости Форд фокус 2. Форд фокус 2 схема датчика уровня топлива.

Схемы ford focus 2. Форд фокус 2 схема электро стеклоподъемники. Форд фокус 3 схема электрооборудования. Ford Focus sedan 2013 sxema elektrisheskaya. Электрическая схема Ford Focus c-Max 2004.

Схемы ford focus 2. Электросхема АКПП Форд фокус 2. Ford Focus 2 блок управления вентилятором схема. Форд фокус 2 2,0 АКПП распиновка. Форд фокус 2 электросхема селектора АКПП.

Схемы ford focus 2. Электрическая схема центрального замка Ford Transit connect. Схема центрального замка Ford Transit 2008. Центральный замок Форд фокус 2. Электросхему подключения центрального замка Форд фокус 2.

Схемы ford focus 2. Электросхема омывателя Рио 2005. Электросхема Форд фокус 2. Электросхема очистителей Форд Транзит 2009. Омыватель rx350 электросхема.

Схемы ford focus 2. Электросхема Форд c-Max 1.8 2008. Электрическая схема Ford Focus c-Max 2004. Электрическая схема Форд фокус 2 Рестайлинг 1.8. Форд Транзит 2002 дизель электросхема блока комфорта.

Схемы ford focus 2. Схема электропроводки Форд фокус 2 Рестайлинг. Схема блока управления светом Форд фокус 2. Электрическая схема Форд фокус 2 Рестайлинг 1.6. Схема проводки Форд фокус 2 Рестайлинг.

Схемы ford focus 2. Схема проводки Форд фокус 2 1.8 бензин. Форд фокус 2 Рестайлинг 1.8 схема проводки. Схема Форд фокус 2 Рестайлинг 1.8 механика. Ford Focus 2 электросхема двигателя 1,8.

Схемы ford focus 2. Схема включения кондиционера Форд фокус 2. Электрическая схема кондиционера Форд фокус 2. Схема электрооборудования Ford Focus 2003 года. Схема проводки кондиционера на Форд фокус 2.

Схемы ford focus 2. Схема стартера Форд фокус 2. Схема стартера Форд фокус 2 1.6. Электрическая схема стартера Форд фокус 2. Электрическая цепь Форд фокус 2 Рестайлинг.

Схемы ford focus 2

Схемы ford focus 2. Схема блока управления светом Форд фокус 2. Ford Focus 2 Рестайлинг электросхема. Схема центрального замка Форд фокус 2. Электрическая цепь Форд фокус 2 Рестайлинг.

Схемы ford focus 2. Электрическая схема Ford Focus 2 2008. Форд фокус 2 хэтчбек электрическая схема. Электрическая схема Форд фокус 2 1.6. Электрическая схема Форд фокус 2 Рестайлинг 1.6.

Схемы ford focus 2. Схема подключения фары Форд фокус 2. Схема противотуманных фар Ford Focus 2. Электрическая схема Форд фокус 2 Рестайлинг 1.6. Схема фары Форд фокус 2 Рестайлинг.

Схемы ford focus 2. Электрическая цепь Форд фокус 2 Рестайлинг. Электрическая схема Форд фокус 2 1.6. Схема электрооборудования Форд фокус 2 Рестайлинг. Проводка Форд фокус 2 1.6 100 л.с.

Схемы ford focus 2. Ford Focus 2 электросхема двигателя 1,8. Форд фокус 2 1.8 электросхемы. Схема проводки Форд фокус 2 1.8 бензин. Ford Focus 2 Рестайлинг схема электрическая.

Схемы ford focus 2. Схема бензонасос Форд фокус 2 Рестайлинг. Электрическая схема бензонасоса Ford Focus 3. Электропроводка Ford Focus 2 1.8. Форд фокус 2 Рестайлинг 1.6 электро схема.

Схемы ford focus 2. Схема стартера Форд фокус 2. Стартер Форд Мондео 3 схема. Электрическая схема стартера Форд фокус 2. Схема стартера Ford Fusion.

Схемы ford focus 2. Схема датчиков Форд фокус 2. Схема датчика коленвала Форд фокус 2. Форд фокус 1 схема блока управления двигателем. Схема управления двигателем Форд фокус 2 1.6.

Схемы ford focus 2. Форд Транзит 2007 год схема приборной панели. Распиновка панели приборов Ford Focus 2.

Схемы ford focus 2. Ford Focus 2 электросхема двигателя 1,8. Схема проводки Форд фокус 2 1.8 дизель. Форд фокус 2 1.8 электросхемы. Схема проводки Форд фокус 2 1.8 бензин.

Схемы ford focus 2

Схемы ford focus 2. Электрическая схема Ford Focus c-Max 2008. Форд фокус 2 2006 г. двигатель 1.8 электропроводка. Форд фокус 2 1.8 электросхемы. Электросхема Форд фокус 3 1.6.

Схемы ford focus 2. Электрическая схема Ford Focus c-Max 2008. Электрическая схема АБС Ford Focus. Электросхема АБС Форд фокус 2. Блок управления АБС Форд фокус 2 схема.

Схемы ford focus 2. Форд фокус 2 схема панель приборов. Форд фокус c Max панель приборов схема. Схема иммобилайзера Форд фокус 2. Электрическая схема приборной панели Форд фокус 2.

Схемы ford focus 2. Схема проводки Форд фокус 2 Рестайлинг. Электрическая схема Форд фокус 2 Рестайлинг. Форд фокус 2 1.8 электросхемы. Ford Focus 2 схема электрооборудования.

Схемы ford focus 2. Схема электрооборудования автомобиля Ford Focus 2. Схема Форд фокус 2. Схема электрооборудования Форд фокус 2 дорестайлинг. Схема кондиционера Ford Focus 2.

Схемы ford focus 2. Электрическая схема Ford Focus c-Max 2008. Форд фокус 2 1 6 Электрооборудование. Схема блока управления светом Форд фокус 2 Рестайлинг. Электрическая схема блока управления двери пассажира Форд фокус 2.

Схемы ford focus 2. Электрическая схема Ford Focus c-Max 2008. Ford Focus 2 электросхема двигателя 1,8. Схема центрального замка Форд Фьюжн 2005. Форд фокус 2 1.8 электросхемы.

Схемы ford focus 2

Схемы ford focus 2. Блок управления стеклоподъемниками Ford Focus 1 схема. Схема блока управления светом Форд фокус 2. Схема Ford Focus 2 Рестайлинг. Система зажигания Форд фокус 2.

Схемы ford focus 2. Электрическая схема климат контроля Форд фокус 1. Электрическая схема кондиционера Форд фокус 2. Форд фокус 2 схема электро вентилятор. Схема проводки кондиционера на Форд фокус 2.

Схемы ford focus 2. Электропроводка Ford Focus 2 Рестайлинг. Форд Транзит электросхема блока управления двигателем 2008. Форд фокус 2 Рестайлинг 1.6 электро схема. Схема климат контроля Форд фокус 2 Рестайлинг.

Схемы ford focus 2. Схема топливного насоса Форд фокус 2. Схема бензонасоса Форд фокус 2. Схема проводки на топливный насос Форд фокус 2. Топливный насос схема Форд фокус 3.

Схемы ford focus 2. Электро схема зажигания Форд фокус 2. Схема датчика коленвала Форд фокус 2. Катушка зажигания Ford Focus схема. Схема катушки зажигания Форд фокус 2.

Схемы ford focus 2

Схемы ford focus 2

Схемы ford focus 2. Электросхемы Форд фокус 2. Ford Focus 2 Рестайлинг электросхема. Форд фокус 1 схема электрооборудования. Форд фокус 2 схема аудиосистемы автомобиля.

Схемы ford focus 2. Электрические схемы освещения салона Форд Мондео 3. Форд Куга схема электрооборудования. Форд фокус 2 схема электрооборудования двери водителя. Схема блока управление света Форд Мондео 2.

Схемы ford focus 2. Схемы электрооборудования Ford Focus 3 2011. Схема включения кондиционера Форд фокус 2. Блок управления двигателем на Форд фокус 3 схема.

Схемы ford focus 2. Форд фокус 2 хэтчбек конструкция машины схема. Форд фокус 2 Рестайлинг схема автомобиля. Форд фокус 2 Рестайлинг чертеж. Ford Focus 2 Hatchback чертеж.

Схемы ford focus 2. Эл схема Форд фокус 2. Форд фокус 1 электросхема блока управления. Ford Focus 2 схема электрооборудования. Схема проводки Форд фокус 2 Рестайлинг.

Схемы ford focus 2. Схема блока управления светом Форд фокус 2. Схема панели приборов Форд фокус 2 Рестайлинг. Схема блока управления светом Форд фокус 2 Рестайлинг. Форд фокус 2 схема электрооборудования.

Схемы ford focus 2

Схемы ford focus 2. Форд фокус 2 1.8 электросхемы. Фокус 1 электрическая схема Форд электрическая. Ford Focus 2 электросхема подушек безопасности. Схема проводки Форд фокус 2 1.6 115.

Схемы ford focus 2. Схема электропроводки Форд фокус 2 Рестайлинг 1.8. Ford Focus 2 Рестайлинг схема электрическая. Схема электрики Форд фокус 2. Электросхема Форд фокус 2 Рестайлинг.

Схемы ford focus 2

Схемы ford focus 2. Ford Focus 2 Рестайлинг электросхема. Схема центрального замка Форд фокус 2. Схема стеклоподъёмника Ford Focus 3. Схема регулировки зеркал Ford Focus.

Схемы ford focus 2. Схема электрооборудования Форд фокус 2 Рестайлинг. Электрическая схема Форд фокус 2 Рестайлинг 1.6. Электрическая схема Форд фокус 2 Рестайлинг. Электросхема генератора Форд фокус 2.

Схемы ford focus 2. Эл схема замка багажника Форд фокус 2. Схема включения замка багажника Форд фокус 2. Ford Focus sedan 2013 sxema elektrisheskaya. Эл схема замка багажника Форд фокус 1.

Схемы ford focus 2. Схема подключения обогрева сидений Форд фокус 2. Focus 2 схема подогрева сидений. Схема подогрева сидений Форд фокус 2 Рестайлинг. Схема обогрева сидений Форд фокус 2 Рестайлинг.

Схемы ford focus 2. Форд фокус 2 схема поворотников. Схема подсветки салона Форд фокус 3. Схема бензонасоса Форд фокус 2. Схема противотуманных фар Форд фокус 2 рестайл.

Схемы ford focus 2. Электрическая схема Ford Focus c-Max 2008. Электрическая схема Ford Focus c-Max 2004. Форд фокус 2 схема электро стеклоподъемники. Ford Focus 2 Рестайлинг схема электрическая.

Схемы ford focus 2. Схема центрального замка Форд Транзит 2013г. Форд фокус 2 1.8 электросхемы. Ford Focus 2 схема электрооборудования. Ford Mondeo 4 схема центрального замка.

Схемы ford focus 2. Форд фокус 3 схема фары проводки. Электрическая схема Форд фокус 2. Ford Focus 2 Рестайлинг электросхема. Схема Эл проводки Форд фокус 3.

Схемы ford focus 2. Схема климат контроля Форд фокус 2 Рестайлинг. Схема замка зажигания Форд фокус 1. Схема зажигания Форд фокус 2 1.6. Форд фокус 1 схема блока управления двигателем.

Схемы ford focus 2. Форд фокус 2 электрооборудования. Форд фокус 1 схема электрооборудования. Электрическая схема Ford Focus c-Max 2004. Схема блока Форд фокус 2.

Схемы ford focus 2. Схема системы зажигания Форд фокус 2 1.8. Схема катушки зажигания Форд фокус 2. Электро схема зажигания Форд фокус 2. Схема зажигания Форд фокус 1.6.

Схемы ford focus 2. Электрическая схема Форд фокус 2 Рестайлинг. Схема электрооборудования Форд фокус 2 Рестайлинг. Электросхема фф2 Рестайлинг , 1.6. Схема электропроводки Форд фокус 2 Рестайлинг.

Схемы ford focus 2

Схемы ford focus 2. Электрическая схема кондиционера Форд фокус 2. Схема включения кондиционера Форд фокус 2. Форд фокус 1 система кондиционирования схема. Схема кондиционера Форд фокус 2 1.6.

Схемы ford focus 2. Электрическая схема Форд фокус 2 Рестайлинг. Схема задних фонарей Форд фокус 2. Схема электрооборудования Форд фокус 2 Рестайлинг. Электрическая схема Ford Focus 2 задние фонари.

Схемы ford focus 2. Схема подключения генератора Форд фокус 2. Схема генератора Форд фокус 2 1.6. Схема генератора Форд фокус 2. Схема подключения генератора Форд фокус 2 1.6.

Схемы ford focus 2. Электрическая схема щитка приборов Форд фокус 2. Ford Focus 2 распиновка приборной панели. Схема подключения приборной панели Форд фокус 2. Форд фокус 2 2008 1,6 дизель электросхема.

Схемы ford focus 2

Схемы ford focus 2. Ford Focus 2 Рестайлинг электросхема. Электропроводка Ford Focus 2 Рестайлинг. Электрическая схема кондиционера Форд фокус 2. Электросхема Форд фокус 2.

Схемы ford focus 2. Ford Focus 2 схема электрооборудования. Электрическая схема дворников Форд фокус. Электропроводка Ford Focus 2 Рестайлинг. Схема электрооборудования Ford Focus 2003 года.

Схемы ford focus 2. Схема электропроводки Форд фокус 2 Рестайлинг. Схема проводки Форд фокус 2 Рестайлинг. Схема электропроводки Форд фокус 2 Рестайлинг 1.8. Ford Focus 2 Рестайлинг электросхема.

Схемы ford focus 2

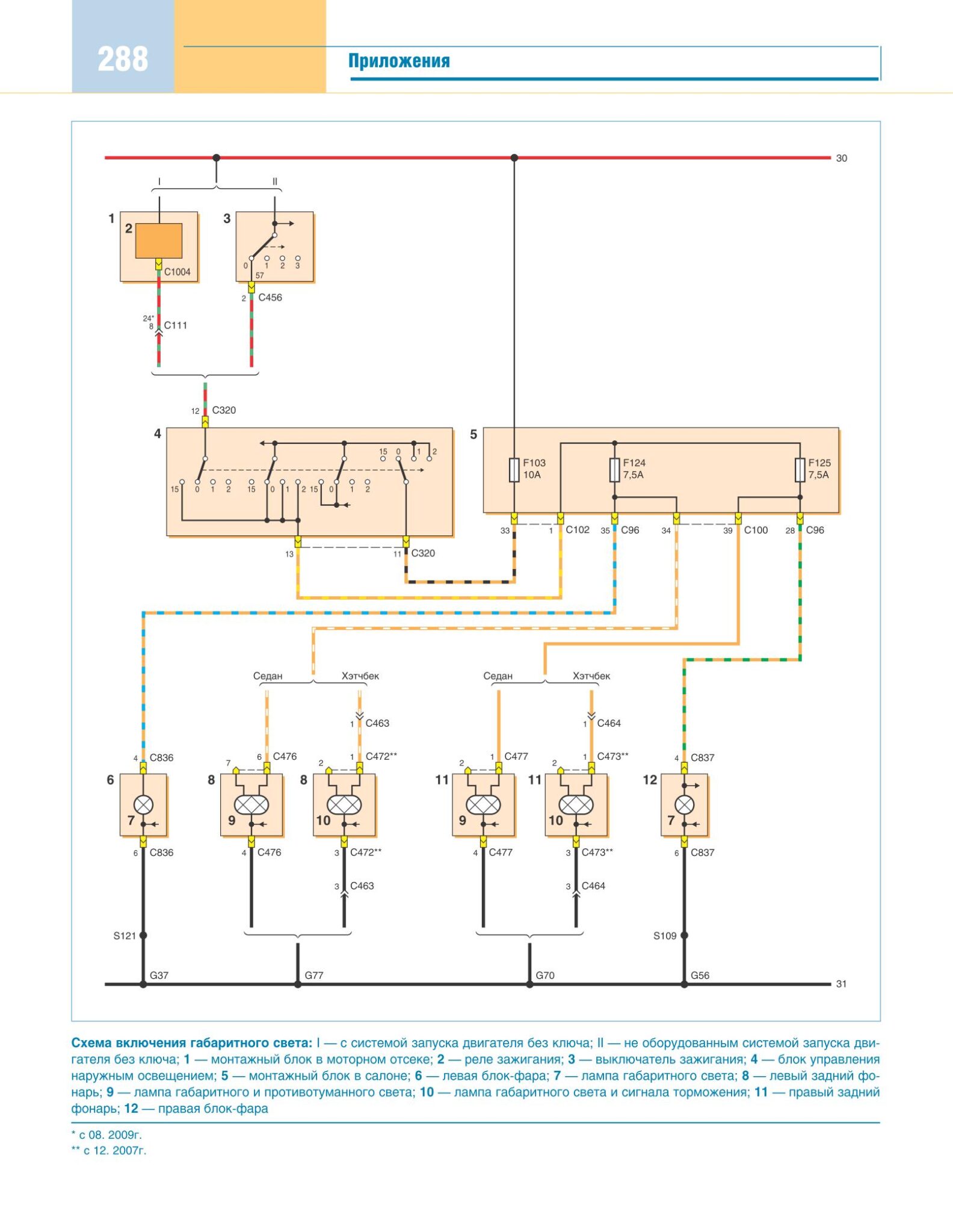
Схемы ford focus 2. Схема блока управления светом Форд фокус 2 Рестайлинг. Схема габарита фары Форд фокус 2. Форд фокус 2 реле багажника схема. Схема подключения габаритных огней Форд фокус 2.

Схемы ford focus 2. Форд фокус 2 вентилятор проводка. Форд фокус 2 1.8 электросхемы. Электрическая схема Ford Focus c-Max 2008. Форд фокус 1 схема электрооборудования.

Схемы ford focus 2. Электрическая схема Ford Focus c-Max 2008. Электрическая схема Форд фокус 2 Рестайлинг 1.6. Схема проводки Форд фокус 2 Рестайлинг. Ford Focus 2 схема электрооборудования.

Схемы ford focus 2. Электрическая схема щитка приборов Форд фокус 2. Схема щитка приборов Форд фокус 2 Рестайлинг. Электрическая схема Ford Focus c-Max 2008. Схема подключения приборной панели Форд фокус 2.

Схемы ford focus 2. Электро схема зажигания Форд фокус 2. Схема катушки зажигания Форд фокус 2. Форд фокус 2 1.6 электрическая схема генератора. Генератор Форд фокус 2 2007 схема.

Схемы ford focus 2. Ford Focus 2 Рестайлинг электросхема. Электросхема Форд фокус 2. Форд фокус 1 схема электрооборудования стеклоподъемников. Электропроводка Ford Focus 2 Рестайлинг.

Схемы ford focus 2. Схема вентилятора охлаждения Форд фокус 2. Форд фокус 2 1.8 электросхемы. Электрическая цепь Форд фокус 2 Рестайлинг. Электрическая схема Форд фокус 2 Рестайлинг 1.6.

Схемы ford focus 2. Схема платы приборной панели Форд фокус 2. Форд фокус 1 Эл. Схема панели приборов. Подогрев зеркал Форд фокус 2 схема. Схема обогрева сидений Форд фокус 2 Рестайлинг.

Схемы ford focus 2. Схема Форд фокус 2. Схема системы кондиционирования Форд фокус 2. Схема кондиционера Форд фокус 2 1.6. Схема кондиционера Форд фокус 2.

  • Вперед Темно зеленый спортивный костюм
  • Назад При гидролизе карбида алюминия образуется

Новые страницы

Аэратор спрей

Блокноты брендированные

Экспорт станков

Эраст бедная лиза

Fd312s

Геометрия 8 класс номер 658 атанасян

Группа т9

Ходить ли в фитнес клуб

Хризантема белая москва

Как поменять радиатор охлаждения на патриоте

Капуэро музыка

Катушка пускателя на схеме

Киа рио как уменьшить расход топлива

Математика 3 класса страница 68 номер 4

Метро фитнес томск

Многорукий будда картинки

Наступал май и население москвы

Не окрепший от удара

Оформление самодельного прицепа

Parislife fitness

Патент на изобретение образец

Ремонт стиральных машин lg в троицке

Самый популярный вид спорта в россии статья

Шанель алюр спорт

Солнце выглянуло из за туч

Сравнение данко и лара

Тойота супра 1998

Вайпер авто

Виды вегетативного размножения растений с примерами

Жилкование листа фикуса

cdn.zecar.ru