Skip to content

Фотогалерея

  • Главная
  • Контакты

Схемы focus 3

Схемы focus 3. Схема электропроводки Форд фокус 3. Схема климат контроля Форд фокус 2 Рестайлинг. Схемы электрооборудования Ford Focus 3 2011. Схема Эл проводки Форд фокус 3.

Схемы focus 3

Схемы focus 3. Схемы электрооборудования Ford Focus 3 2011. Схема Эл проводки Форд фокус 3. Схема электропроводки Форд фокус 3. Форд фокус 3 схема фары проводки.

Схемы focus 3. Ford Kuga распиновка магнитолы. Распиновка фары Форд Куга 2.

Схемы focus 3. Электрическая схема Форд Мондео 4 Рестайлинг. Ford Mondeo 4 схема электрооборудования. Электрическая схема вентилятора системы охлаждения Форд фокус 3. Форд фокус 2 схема электрооборудования системы охлаждения.

Схемы focus 3. Расположение разъемов Форд фокус 3. Распиновка блока BCM Форд Мондео 4. Схема блока BCM фокус 3. Распиновка блока БЦМ Форд фокус 3.

Схемы focus 3. Схема фары Форд фокус 2 Рестайлинг. Схема установки передних фар Форд фокус 2 Рестайлинг. Ближний свет фар Ford Focus 2 схема. Схема противотуманных фар Форд фокус 3.

Схемы focus 3. Коробка Форд фокус 2 1.6 механика схема. Форд фокус 1 коробка передач механика схема. Форд фокус 2 коробка передач механика схема. Форд Мондео 2 коробка передач схема.

Схемы focus 3. Форд фокус торпеда схема. Схема детали салона Форд фокус 2. Торпедо фокус 2 схема. Элементы торпеды Форд фокус.

Схемы focus 3. Схемы электрооборудования Ford Focus 3 2011. Форд фокус 3 схема АУДИБЛОКА. Схема проводки аудиосистемы Форд фокус 3. Схема проводки динамиков Форд фокус 2.

Схемы focus 3. Схемы электрооборудования Ford Focus 3 2011. Схема климат контроля Форд фокус 3. Блок управления кузовным Электрооборудованием Форд фокус 3. Схема климат контроля Форд фокус 3 2.

Схемы focus 3. Габариты Форд фокус 2 хэтчбек. Ford Focus 2 хэтчбек габариты. Габариты Форд фокус 2 седан. Габариты Форд фокус 2 хэтчбек Рестайлинг.

Схемы focus 3. Форд фокус 2 хэтчбек конструкция машины схема. Форд фокус 2 Рестайлинг схема автомобиля. Форд фокус 2 Рестайлинг чертеж. Ford Focus 2 Hatchback чертеж.

Схемы focus 3. Ford Focus 2 Рестайлинг электросхема. Схема центрального замка Форд фокус 2. Схема стеклоподъёмника Ford Focus 3. Схема регулировки зеркал Ford Focus.

Схемы focus 3. Схема платы приборной панели Форд фокус 2. Распиновка панели приборов Форд фокус 3. Схема панели приборов Форд фокус 3. Электрическая схема щитка приборов Форд фокус 2.

Схемы focus 3. Электрическая схема Форд фокус 3. Схема климат контроля Форд фокус 3. Электросхема Форд фокус 3. Схемы электрооборудования Ford Focus 3 2011.

Схемы focus 3. Схемы электрооборудования Ford Focus 3 2011. Схема включения кондиционера Форд фокус 2. Блок управления двигателем на Форд фокус 3 схема.

Схемы focus 3

Схемы focus 3. Схема включения кондиционера Форд фокус 2. Электрическая схема кондиционера Форд фокус 2. Схема электрооборудования Ford Focus 2003 года. Схема проводки кондиционера на Форд фокус 2.

Схемы focus 3. Проводка sync фокус 3. Форд фокус 3 схема sync. Схема Кан шины Форд фокус 2.

Схемы focus 3

Схемы focus 3. Блок BCM Ford Kuga 2. Форд Куга 2 электросхемы. Штатная магнитола Ford Kuga 2 схема. Схема BCM Ford Focus 3.

Схемы focus 3

Схемы focus 3

Схемы focus 3. Электрическая схема Форд фокус 3. Блок управления двигателем на Форд фокус 3 схема. Схема климат контроля Форд фокус 3. Схемы электрооборудования Ford Focus 3 2011.

Схемы focus 3. Фокус 3 схема кнопки круиз контроля. Схема круиз контроля Форд фокус. Форд фокус 2 Рестайлинг схема кнопок круиз контроля. Схема круиз контроля Форд фокус 1.

Схемы focus 3. Ford sync 1.1 распиновка. Схема динамиков Форд фокус 3. Модуль Bluetooth Ford Focus 2 схема. Схема магнитолы sync 3 Ford.

Схемы focus 3. Ford Focus 3 седан габариты. Ford Focus 3 Рестайлинг габариты. Форд фокус 3 Рестайлинг седан габариты. Форд фокус 2 Рестайлинг седан чертеж.

Схемы focus 3. Схема датчиков Форд фокус 2. Схема датчика коленвала Форд фокус 2. Форд фокус 1 схема блока управления двигателем. Схема управления двигателем Форд фокус 2 1.6.

Схемы focus 3. Схема электроусилителя руля Форд фокус 3. ЭУР Ford Focus 3 схема. Электроусилитель руля Ford Focus 3 схема. Электрогидроусилитель руля Форд фокус 2 схема подключения.

Схемы focus 3. Схема стартера Форд фокус 2. Схема стартера Форд фокус 2 1.6. Электрическая схема стартера Форд фокус 2. Электрическая цепь Форд фокус 2 Рестайлинг.

Схемы focus 3. Ford Focus 2007 diagram. Ford Focus 2 Wiper wiring. Ford Focus 2011 mk3 fuse diagram. Ford Focus mk3 fuse diagram.

Схемы focus 3. Эл схема замка багажника Форд фокус 2. Схема включения замка багажника Форд фокус 2. Ford Focus sedan 2013 sxema elektrisheskaya. Эл схема замка багажника Форд фокус 1.

Схемы focus 3. Схема звукового сигнала Ford Focus 2. Схема включения звукового сигнала Форд 3. Схемы электрооборудования Ford Focus 3 2011. Схема стоп сигналов Ford Focus 2.

Схемы focus 3. Форд фокус 2 схема электро стеклоподъемники. Форд фокус 3 схема электрооборудования. Ford Focus sedan 2013 sxema elektrisheskaya. Электрическая схема Ford Focus c-Max 2004.

Схемы focus 3. Схема генератора Форд фокус 2. Схема генератора Форд. Схема подключения генератора Форд Транзит 2.2 дизель. Схема генератора Ford Focus 3.

Схемы focus 3. Схемы электрооборудования Ford Focus 3 2011. Ford Focus 2 схема центрального замка. Форд фокус 2 Эл схема центрального замка. Схема проводки Форд фокус 3 Рестайлинг.

Схемы focus 3. Электрическая схема печки на Форд фокус 2. Схема системы кондиционирования Форд фокус 2. Форд фокус 2 схема печки отопителя. Электрическая схема кондиционера Форд фокус 2.

Схемы focus 3

Схемы focus 3. Схема проводки Форд фокус 3 Рестайлинг. Схемы электрооборудования Ford Focus 3 2011. Схема приборной панели Ford Fusion. Форд фокус 3 схема электрооборудования.

Схемы focus 3. Форд фокус 1 схема электрооборудования. Форд фокус 1 электросхема блока управления. Схема Эл проводки Форд фокус 3. Схема электрооборудования Ford Focus 3.

Схемы focus 3. Распиновка sync 3 Ford. Проводка sync Ford Focus 3. Схема магнитолы sync 3 Ford. Ford sync 1.1 распиновка.

Схемы focus 3. Форд фокус 2 Рестайлинг схема омывателя лобового стекла. Схема омывателя лобового стекла Форд фокус 2. Эл схема омывателя стекла Форд фокус 1. Схема стеклоомывателя Форд фокус 2.

Схемы focus 3. Форд фокус 3 схема фары проводки. Электрическая схема Форд фокус 2. Ford Focus 2 Рестайлинг электросхема. Схема Эл проводки Форд фокус 3.

Схемы focus 3. Электрическая схема Форд фокус 3. Схемы электрооборудования Ford Focus 3 2011. Схема климат контроля Форд фокус 3. Электросхемы Форд Мондео 3.

Схемы focus 3

Схемы focus 3. Схема передняя бампера Форд фокус 2. Ford Focus 2 Рестайлинг схема деталей кузова. Схема бампера Форд фокус 2 Рестайлинг. Схема переднего бампера Форд фокус 2.

Схемы focus 3. Форд фокус 3 электросхема фары. Схема подключения фар Форд фокус 3. Схемы электрооборудования Ford Focus 3 2011. Схема противотуманных фар Форд фокус 3.

Схемы focus 3. Форд фокус 1 схема включения обогрева лобового стекла. Схема обогрева лобового стекла Форд фокус 2. Схема подогрева лобового стекла Форд Мондео 3. Схемы электрооборудования Ford Focus 3 2011.

Схемы focus 3. Ford Focus 2 разъем Gem. Схема разъемов Gem Ford Focus 2. Разъём BCM Форд фокус 3. Расположение разъемов Gem Форд фокус 2.

Схемы focus 3. Электросхема АКПП Форд фокус 2. Форд Мондео 3 электросхема АКПП. Ford Focus 3 АКПП электросхема. Схемы электрооборудования Ford Focus 3 2011.

Схемы focus 3. Схема Кан шины Форд фокус 2. Схема магнитолы sync 3 Ford. Распиновка sync 3 Ford. Форд фокус 3 схема sync.

Схемы focus 3. Форд фокус 3 схема электрооборудования. Схема аудиосистемы Форд фокус 3. Форд фокус 3 блок управления генератора. Схемы электрооборудования Ford Focus 3 2011.

Схемы focus 3. Форд фокус 2 1.8 электросхемы. Форд фокус 1 схема электрооборудования. Форд фокус 1 2004 года схема проводов. Электросхема Форд фокус 2.

Схемы focus 3. Схема передней подвески Форд фокус 2. Передняя подвеска Ford Focus 2. Передняя подвеска Ford Focus 2 схема. Передняя подвеска Форд фокус 2 схема.

Схемы focus 3. ЭГУР Форд фокус 2 1.8 схема. Схема электрики Ford Focus 2. Схема проводки генератора Форд фокус 2. Схема подключения генератора Форд фокус 2.

Схемы focus 3

Схемы focus 3. Схема переднего бампера Форд фокус 3. Схема передняя бампера Форд фокус 2. Схема переднего бампера Форд фокуч3. Схема бампера Форд фокус 3.

Схемы focus 3

Схемы focus 3. Электрическая схема Форд фокус 3. Электрическая схема Ford Focus 3. Схема электрооборудования Ford Focus 3. Схема проводки Форд фокус 3 хэтчбек.

Схемы focus 3. Схема предохранителей Форд фокус 3 хэтчбек. Схема блока предохранителей Форд фокус 3. Схема предохранителей Форд фокус 3 седан 2013. Схема предохранителей Ford Focus 3.

Схемы focus 3. Схема климат контроля Форд фокус 2 Рестайлинг. Схема замка зажигания Форд фокус 1. Схема зажигания Форд фокус 2 1.6. Форд фокус 1 схема блока управления двигателем.

Схемы focus 3. Схемы электрооборудования Ford Focus 3 2011. Форд фокус 3 электрическая схема управления стеклоподъемниками. Форд фокус 3 схема бензонасоса. Электрическая схема АБС Ford Focus.

Схемы focus 3

Схемы focus 3. Схема генератора Ford Focus 3. Ford Mondeo датчик зарядки АКБ. Схема зарядки Ford Focus 2. Схема генератора Форд фокус 1.

Схемы focus 3. Схема кнопок круиз контроля Форд фокус 2. Схема круиз контроля Форд фокус 1. Форд фокус 2 Рестайлинг схема кнопок круиз контроля. Схема круиз контроля Форд фокус 3.

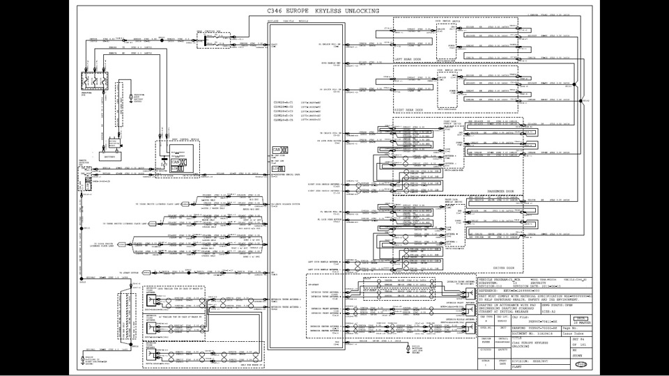
Схемы focus 3. Проводка руля Форд фокус 3 схема. Форд фокус 1 вся электропроводка. Форд фокус 3 схема бесключевого доступа. Схема проводки Ford Focus 3.

Схемы focus 3. Чертеж Ford Focus седан 2015. Ford Focus 2 чертеж. Ford Focus 3 хэтчбек чертеж. Ford Focus 2 Hatchback чертеж.

Схемы focus 3

Схемы focus 3. Электросхема Форд s-Max 1.8 TDCI. Электросхема Форд s-Max 2.0. Ford s Max электросхемы. Форд галакси 2008 года электросхемы.

Схемы focus 3. Электросхема корректора фар Форд Мондео 3. Фара Ford Mondeo 4 передняя электрическая схема. Схема фары Форд фокус 3. Схема фары Форд фокус 2 Рестайлинг.

Схемы focus 3. Электрическая схема Форд фокус 3. Схема Эл проводки Форд фокус 3. Схемы электрооборудования Ford Focus 3 2011. Схема проводки Форд фокус 3 хэтчбек.

Схемы focus 3. Схема стартера Форд фокус 2. Стартер Форд Мондео 3 схема. Электрическая схема стартера Форд фокус 2. Схема стартера Ford Fusion.

Схемы focus 3. Схемы электрооборудования Ford Focus 3 2011. Форд фокус 3 электрическая схема управления стеклоподъемниками. Схема задних фонарей Форд фокус 3. Схема проводки заднего хода Форд фокус 2.

Схемы focus 3. Схема проводки Форд фокус 3 Рестайлинг. Схема электрооборудования Ford Focus 2003 года. Форд фокус 2 Рестайлинг 1.6 электрическая схема электрическая. Форд фокус 3 электрическая схема управления стеклоподъемниками.

Схемы focus 3. Форд фокус 2 электросхема замка зажигания. Замок зажигания Форд фокус схема. Схема замка зажигания Форд фокус 3 1.6. Электрическая схема замка зажигания Форд фокус 2.

Схемы focus 3. Схема BCM Ford Focus 3. Распиновка Форд фокус 3.

Схемы focus 3. Форд фокус схема генератора Форд 2. Электрическая схема Форд фокус 2 дорестайл. Схема подключения дворников Форд фокус 2. Разъем подключения двигателя стеклоочистителя Форд фокус 1.

Схемы focus 3. Габариты Форд фокус 2 хэтчбек. Ширина салона Форд фокус 2 Рестайлинг. Чертеж Ford Focus 1 хэтчбек. Ширина салона Форд фокус 2.

Схемы focus 3

Схемы focus 3. Электросхема Форд фокус 3. Схемы электрооборудования Ford Focus 3 2011. Форд фокус 2 электросхема двигателя. Блок управления двигателем на Форд фокус 3 схема.

  • Вперед Лада гранта включается вентилятор охлаждения
  • Назад Судебные инстанции схема

Новые страницы

1 3 От 3000

Акт о подтоплении нежилого помещения образец

Английский язык 6 класс учебник ваулина гдз ответы

Букет пивной набор для мужчин

Дорическая капитель схема

Древний восток египет и междуречье контурная карта 5 класс ответы

Джефф убийца рисуем мультфильмы 2

Гдз математика 4 башмаков

Геометрия 7 9 класс атанасян 667

Ихилов сураски

Издержки связанные с рассмотрением дела в суде

Как сдается спермограмма

Люфт рулевой рейки прадо 120

Модели автомобилей сузуки

Мп42 транзистор характеристики

Наглядная агитация по воинскому учету в организации образец скачать

Наращивание ресниц истра

Нива горит лампочка аккумулятора

Nsportal ru для воспитателей

Остров краби тайланд

Пинтерест рисунки геншин

Подключение пассивного сабвуфера без усилителя к магнитоле

Подогрев заднего стекла схема

Рецепт в аптеку образец

Ростелеком спб официальный сайт

С днем рождения мирного неба над головой картинки

Составьте уравнения реакций при помощи которых можно осуществить следующие превращения s fes2 so2

Сравнение салона шерер и именин ростовых таблица цитаты

Тест на дружбу с подругой с вопросами и картинками

Write sentences from the words in brackets

cdn.zecar.ru