Skip to content

Фотогалерея

  • Главная
  • Контакты

Схемы audio

Схемы audio. Усилитель l15 схема. Усилитель pas-240 схема. High Power MOSFET Amplifier 1000. Audio Force ma300 схема.

Схемы audio. Audio Innovation 500 усилитель схема усилителя. Conrad Johnson pv5 схема. Audio Innovations Classic stereo 25 схема. Audio Innovations 500 схема.

Схемы audio. Схема подключения аудиосистемы с процессором. Схема подключения 6 канальной аудиосистемы. Схема sq акустики. Схема аудиосистемы 4 20 саб 2 усилителя.

Схемы audio. Схема подключения звука передней панели к материнской плате. Подключение передних аудио разъемов к материнской плате. Подключение передней панели звука к материнской. Подключения звука передней панели ПК К материнской плате.

Схемы audio. Схема акустической системы Sven SPS 702. Компьютерные колонки Sven SPS-702 схема. Схема акустической системы SPS 702. Колонки Sven SPS-702 схема усилителя.

Схемы audio. RMS детектор схема. Limiter схема. Лимитер схема аудио. Лимитер на оптроне.

Схемы audio. Audio Innovations 500 схема. Audio Innovation 500 усилитель схема усилителя. Audio Innovations 800 schematic. Audio Innovations Series 200 mk2.

Схемы audio. Audio Innovations 500 схема. Схема лампового стереоусилителя Cary Audio Design SLI 80. Audio Innovations 800 schematic. Схема усилителя 800 ватт.

Схемы audio. RSW 12 Monitor Audio схема электрическая. MPX mono 1500w схема. Audio Force ma300 схема. Усилитель Rega elicit схема.

Схемы audio. Распайка балансного кабеля XLR. Кабель балансный XLR Jack 3.5 стерео. Распайка гитарного кабеля Джек XLR. Балансный кабель для наушников 2,5 распиновка разъема.

Схемы audio. Домашний кинотеатр Dolby Atmos 7.1.4. Dolby 5.1 расположение акустики. Акустическая система Dolby Atmos 7.1. Dolby Atmos схема 5.1.2.

Схемы audio. Разъем аудио на материнской плате схема подключения. Распиновка звукового разъема на материнской плате. Разъём f Audio на материнской плате распиновка. Коннекторы передней панели на материнской плате ASUS.

Схемы audio. Microlab fc330 схема усилителя. Компрессор Alesis 3630 схема. Схема принципиальная компрессор сустейн. Компрессор VST 1176 схема принципиальная.

Схемы audio. Разветвитель звукового сигнала схема. Схема разветвителя усилителя видеосигнала. Схема разветвитель аудиосигнала на lm324. Схема активного сплиттера.

Схемы audio. Audio Note m2 Phono схема. Audio Innovations 500 схема. Фонокорректор Audio Note схема. Audio Note Meishu Phono RIAA amp схема.

Схемы audio. Cm108 звуковая карта схема. Схема внешней звуковой карты USB. Схема китайской звуковой карты USB. USB звуковая карта на pcm5102.

Схемы audio. Микшерный пульт схема электрическая принципиальная. Схемы самодельных микшеров. Микшерный пульт карат схема электрическая принципиальная. Микшерный пульт Phonic 1202 схема.

Схемы audio

Схемы audio. 2х полосный усилитель схема. Активный 3х полосный кроссовер схема. Схема двухполосного усилителя. Активный кроссовер для 3х полосной системы+сабвуфер схема.

Схемы audio. Микрофонный усилитель lm386 ару. Lm386 усилитель для микрофона. Усилитель на микросхеме lm386. Лм386 схема усилителя.

Схемы audio. Monitor Audio br5 схема кроссовера. Кроссовер Audio Monitor 200 схема. Кроссовер для Monitor Audio rs6 схема. Polk Audio RT 8 схема кроссовера.

Схемы audio. Как подключить звук к материнской плате. Схема подключения звука передней панели к материнской плате. Схема подключение передней панели к мат плате. Схема подключения передней панели к материнской плате ASROCK.

Схемы audio

Схемы audio. Кабель f_Audio к фронт панели ПК. Схема подключения звука передней панели к материнской плате. Разъем Audio Front Panel материнской платы распиновка. Аудио разъём передней панели ac97.

Схемы audio

Схемы audio. Интерфейс для трансивера на оптронах. Схема подключения трансивера для цифровых видов связи. Интерфейс для эхолинка схема. Интерфейс компьютер трансивер для цифровых видов связи.

Схемы audio. Усилитель pam8403 даташит. Gf1002 усилитель схема подключения. Ram8403 усилитель схема. Рам8403 даташит.

Схемы audio. Схема УМЗЧ на tda2052. Самодельный усилитель для сабвуфера схема. Активный кроссовер 2.1 схема. Сабвуфер на tda2030 с фильтром.

Схемы audio

Схемы audio. Ламповый усилитель на кт150 схема. Cary Audio CAD 805 схема. Схема лампового однотактного усилителя на 300в AUDIONOTE. 6sl7 усилитель схема.

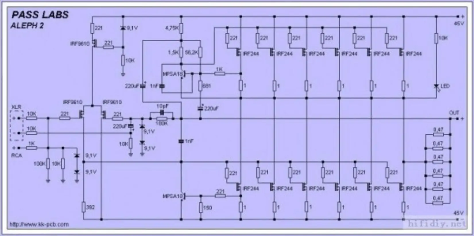
Схемы audio. Усилитель Нельсона пасса Pass Aleph 3. Схема усилителя Pass Labs. Pass Aleph 2 схема. Pass Labs Aleph 5 схема.

Схемы audio. Lm3875 усилитель мощности схема. Lm1875 Мостовая схема включения. Lm1875 Мостовая схема усилителя. 1875 Усилитель Мостовая схема.

Схемы audio

Схемы audio. Фильтр для Beyma 12br70. Beyma 12br70 характеристики. 12br70 pdf.

Схемы audio. Звуковая карта 5.1 для компьютера разъемы. Схема подключения звуковой платы. Аудио разъемы на звуковой карте 2.0. Звуковая карта 5.1 для компьютера выходы.

Схемы audio. Микросхема pt2322-s схема включения. Схема подключения микросхемы процессора. Схема подключения микросхемы рт2322. Микросхема bt2313m схема включения.

Схемы audio. Усилитель ppi 5440 схема подключения. Crossfeed схема. Crossfeed для наушников. Velleman cs300 схема.

Схемы audio. Схема усилитель Амплифер. Mini Power Amplifier 100w схема. Схема усилителя 100w. Схема усилителя для сабвуфера 500 ватт.

Схемы audio. Компрессор аудиосигнала схема. Микрофонный компрессор схема. Усилитель компрессор для ЦМУ. Компрессор звукового сигнала схема.

Схемы audio. Трёхполосный активный кроссовер схема. Трёхполосный усилитель схема. 3-Полосный усилитель схема. Схема двухполосного усилителя.

Схемы audio

Схемы audio. Схема расширение стерео сигнала. Стерео в 5.1 конвертер схема. Схема эффектов для усилителя. Стерео в Квадро схема.

Схемы audio. Audio Note Quest 300b схема. Audio Note m2 Phono схема. Audio Note схема усилителя. Audio Note предусилитель схема.

Схемы audio

Схемы audio. Схема подключения автомобильной аудиосистемы. Схема подключения проводов аудиосистемы. Схема аудиосистемы Sony на Форд фокус 2 Рестайлинг. Схема аудиосистемы 4 колонки и сабвуфер.

Схемы audio

Схемы audio. Самодельный микшерный пульт схема. Принципиальная схема микшерного пульта. Схема питания микшерного пульта. Микшерный усилитель схема.

Схемы audio. Схема УМЗЧ на tda2052. Схема фильтра сабвуфера 2.1. Схема трехполосного усилителя мощности. Схема усилителя на микросхеме tda2052.

Схемы audio

Схемы audio. Ac97 разъем передней панели. Как подключить провода микрофона к материнской плате. Как подключить разъем наушников к материнской плате. Подключение звука на передней панели к материнской плате.

Схемы audio. Crest Audio vs450 схема. Crest Audio ca4 схема. Схема усилителя CA 12. Crest Audio ca18 схема электрическая.

Схемы audio

Схемы audio. HD Audio Front Panel схема. Переделка передней панели AC 97 В HD Audio. Схема подключения передней панели HD Audio. Схема подключения звука ac97 Audio.

Схемы audio. Пассивный фильтр НЧ для сабвуфера схема. Пассивный низкочастотный фильтр для сабвуфера схема. Фильтр НЧ перед УНЧ. Активный фильтр 2.1 схема.

Схемы audio

Схемы audio. Схема двухполосных кроссоверов для акустики 2 полосы. Схема фильтра двухполосной акустики 6ом. Схема фильтра первого порядка для двухполосной акустики. Схема кроссовера Sansui s-65.

Схемы audio

Схемы audio. Схема расширение стереобазы на микросхеме. Разветвитель звукового сигнала схема. Схема 1 канального усилителя. Разветвитель стереосигнала в Квадро схеме.

Схемы audio. Схема лампового усилителя Audio Note. Audio Note kit1 схема. Audio Note схема усилителя. Ламповый усилитель Лебен 300 схема.

Схемы audio. 2х полосный усилитель схема. Схема фильтра двухполосной акустики 6ом. Схема подключения динамиков колонки АС 10. Схема НЧ фильтра для колонки.

Схемы audio. Микрофонный компрессор для трансивера схема ur6ej. Лимитер компрессор для микрофона схема. Ламповый гитарный компрессор схема. Микрофонный усилитель компрессор на транзисторе.

Схемы audio. Принципиальная схема звуковой платы. Структурная схема акустической системы. Схема звуковой платы компьютера. Структура звуковой системы ПК.

Схемы audio

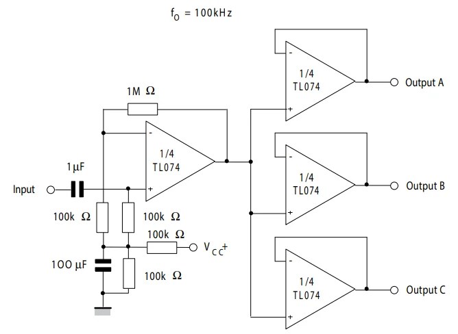
Схемы audio. Сплиттер аудиосигнала схема. Разветвитель звукового сигнала схема. Tl074 аудио разветвитель. Разветвитель аудио сигнала сплиттер схема.

Схемы audio. Схема активной акустической колонки. Принципиальная схема активной акустической системы. Акустическая система 2.1 схема. Принципиальная схема активных колонок.

Схемы audio. HD Audio схема. Azalia Audio. Схема подключения HDAUDIO. Распиновка Azalia.

Схемы audio. Усилитель Cambridge Audio схема. Azur 650a схема. Усилитель Azur 640a Cambridge Audio схема. Cambridge Audio p500 схема.

Схемы audio. Балансный звуковой усилитель схема. Балансный усилитель на ОУ схема. Преобразователь балансного сигнала в небалансный схема. Микрофонный усилитель с симметричным входом схема.

Схемы audio. Audio Note схема усилителя. Усилитель Audio Note p2se схема. Audio Note Conqueror схема. Audio Note m10 схема.

Схемы audio. Пассивный микшер схема. Пассивный микшер сумматор наипростейшая схема. Микшерный усилитель схема. Пассивный аудиомикшер схема.

Схемы audio. Усилитель микшер 5.1 схема. Принципиальная схема микшерного пульта. Микшерный пульт Дельта 18 схема. Микшер Лель принципиальная схема.

Схемы audio

  • Вперед Спряжение покачивает
  • Назад Когда перестали выпускать 2106

Новые страницы

Балтийский дом санкт петербург

Что можно нарисовать детям 10 лет

Девушка блондинка на аву рисунок

Дракончики крючком схемы и описание амигуруми

Джапавто на преображенке

Эктоморф мезоморф

Физика упражнение 23

Гдз по математике 11 класса

Immobilizer see manual volvo

Литье из полиамида

Лыжные виды спорта биатлон

Логикар инструкция

Митсубиси спорт 2021

Объявления на субботники жителей дома образец

Ошкина

Отель сауна лето орск

Полотно крючком схемы

Понятие наблюдательность для сочинения

Работа триггера шмитта

С добрым утром одноклассники картинки

Шапка мономаха янус двуликий

Схема куроми из термомозайки

Схема охлаждения ваз 21214

Схема основы слова

Схема виды счетов

Стены штукатурка

Усадьба валуево санаторий

Устройство газомасляных амортизаторов

Ваз классика замена замка зажигания

Военная кафедра мгу

cdn.zecar.ru