Skip to content

Фотогалерея

  • Главная
  • Контакты

Схема впрыска

Схема впрыска двигатель 2.0л.F4R771 Megane 2

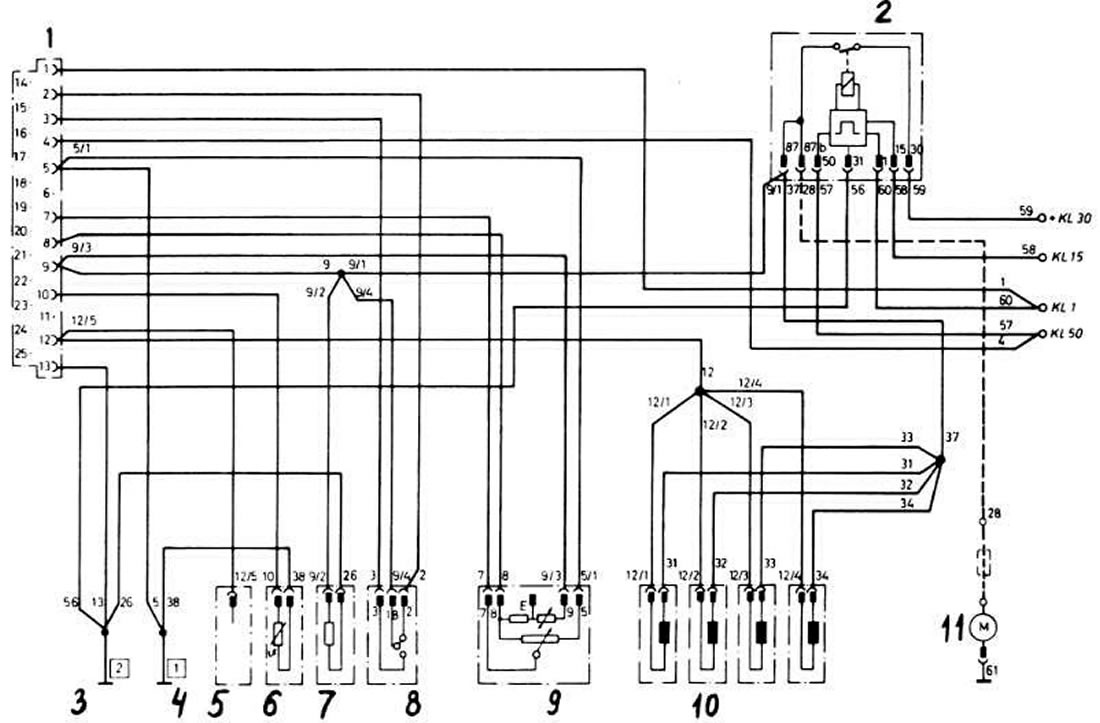
Схема впрыска на 2.8 с ДМРВ — Ford Granada Mark II, 2,8 л, 1984 года ...

Схема впрыска на 2.8 с ДМРВ — Ford Granada Mark II, 2,8 л, 1984 года ...

Схема впрыска на 2.8 с ДМРВ — Ford Granada Mark II, 2,8 л, 1984 года ...

Схема впрыска на 2.8 с ДМРВ — Ford Granada Mark II, 2,8 л, 1984 года ...

Схема впрыска на 2.8 с ДМРВ — Ford Granada Mark II, 2,8 л, 1984 года ...

Схема впрыска на 2.8 с ДМРВ — Ford Granada Mark II, 2,8 л, 1984 года ...

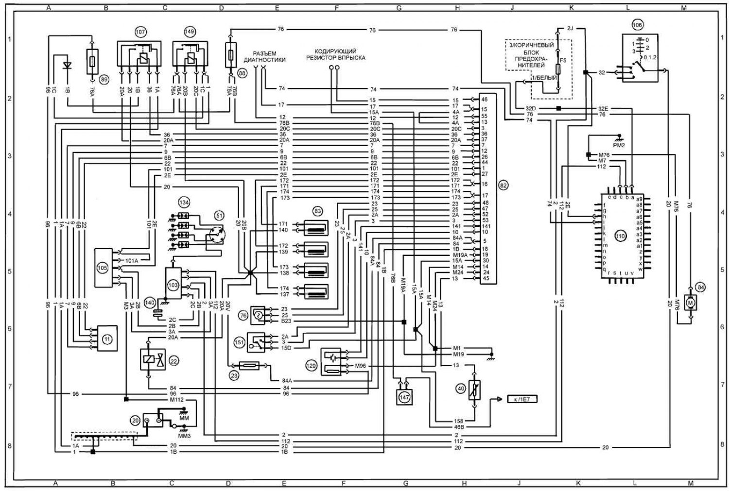
Схема впрыска двигатель 1.6л. K4M761 Megane 2

Схема системы впрыска Peugeot 307

Схема системы впрыска (инжектора) » ВАЗ 2108, 2109, 21099, 2113, 2114 и ...

Схема 4. Система непосредственного впрыска топлива дизельных двигателей ...

Дополнительная электрическая схема — система впрыска топлива (Опель ...

Схема электронной системы впрыска (двигатель G9T) (Рено Лагуна 2, 2001 ...

Схема электронной системы впрыска (двигатель L7X) (Рено Лагуна 2, 2001 ...

Схема 29. Блок управления для системы прямого впрыска дизеля ...

Схема блока управления системы впрыска топлива Digifant VW Transporter ...

Схема 10. Система впрыска топлива двигателя D7F 720 (Рено Симбол 1 ...

Jeep Grand Cherokee | Электрические схемы - общая информация | Джип Чероки

Книга0003

Рено Кангу 1 1997-2007: Система впрыска топлива с двигателями D7F 720 ...

Схема 1. Системы впрыска топлива «Motronic» (БМВ 7 серия E32 1986-1994 ...

Электронные системы впрыска Мотроник — Студопедия

Схема системы впрыска бензина “KE-Jetronic”

Устройство системы впрыска топлива (Хонда Фит 1, 2001-2008) — «Система ...

Устройство и схема системы впрыска KE-III-Jetronic Audi 80

Электронные системы непосредственного впрыска бензиновых двигателей ...

Система впрыска и зажигания (XU9JA/ Z M1.3 Motronic) (Пежо 405, 1987 ...

К-Джетроник — Студопедия

Passat B3/В4 Конструктивная схема системы впрыска топлива K-jetronic ...

Описание системы впрыска топлива L-Jetronic (Мерседес-Бенц W123 1976 ...

Схема системы впрыска топлива (ВАЗ-21213 «Нива» 1994-2006 / Общая ...

Насос форсунка принцип работы: Система впрыска насос-форсунками ...

Впрыск топлива в двигатель – схемы подачи питания бензиновых и ...

Система непосредственного впрыска топлива - autoleek

Увеличение длительности впрыска автомобиля

  • Вперед Воздушный фильтр нулевого сопротивления плюсы и минусы
  • Назад Картинки коты воители быстролап

Новые страницы

32Ln541u схема

Боковая панель в опере

Что является спортивной формой

Экскурсионный буклет образец

Электронная схема атома n

Хижина на необитаемом острове

Индийское блюдо дал

Как написать спонсорам письмо о финансовой помощи образец

Как открутить резонатор на приоре

Карта республики саха якутия с городами и поселками

Карта южного побережья черного моря россии с городами

Математика 2 класс учебник моро 2 часть стр 94

Наградной лист форма 2 образец заполнения

Парк птиц воробьи официальный

Поздравление с 9 месяцами мальчика в картинках от бабушки и дедушки

Радиаторы алюминиевые

Распиновка проводов магнитофон пионер

Распиновка разъема магнитолы

Регулировка торсионов опель фронтера а

Рисунок русский народный костюм окружающий мир 1 класс

Схема понятия образование

Схема впрыска

Сколько стоит интел кор ай 7

Скупка авто срочно

Согласие пациента на обработку персональных данных образец

Установка сальника поворотного кулака уаз

Ваз 2107 в белгороде

Воздушный поцелуй рисунок мультяшный

Закадычный антоним враг

Замена жидкости сцепления лачетти

cdn.zecar.ru