Skip to content

Фотогалерея

  • Главная
  • Контакты

Схема ваз 21083

Схема ваз 21083. Схема масляного насоса ВАЗ 2108. Система смазки ВАЗ 2108 схема. Система вентиляции двигателя ВАЗ 2108. Схема системы смазки ВАЗ 21083.

Схема ваз 21083. Система зажигания ВАЗ 2109 карбюратор. Проводка зажигания 2108 карбюратор. Система зажигания 2108 карбюратор. Электрическая схема зажигания ВАЗ 2109 инжектор.

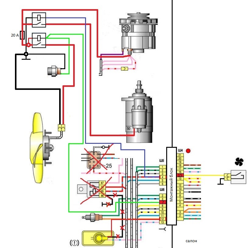
Схема ваз 21083. Схема электрооборудования ВАЗ 2109 карбюратор. Схема проводки ВАЗ 21099 инжектор высокая панель. Схема электрооборудования ВАЗ 2109 инжектор. Электрооборудование ВАЗ 2109 карбюратор схема электрооборудования.

Схема ваз 21083. Лада ВАЗ 2108 чертеж. Чертёж машины ВАЗ 2109. Колесная база ВАЗ 2108. ВАЗ (Lada) 2108 чертёж.

Схема ваз 21083. Кузовные детали ВАЗ 2108 схема. Кузов 2108 схема. Вин кузова ВАЗ 2108. Номер кузова 2108.

Схема ваз 21083. Схема инжекторной проводки ВАЗ 2109. ВАЗ 2109 инжектор проводка инжектора. Электропроводка ВАЗ 2109 инжектор. Схема Електрообладнання ВАЗ 2109.

Схема ваз 21083. Масляные каналы двигателя ВАЗ 2110. Система смазки ДВС ВАЗ 2110. Система смазки ДВС ВАЗ 2108. Система смазки ВАЗ 21126.

Схема ваз 21083. Схема установки воздушный жиклер ВАЗ 2108 карбюратор. Жиклёры карбюратора солекс 21083. Жиклеры карбюратора ВАЗ 2108 солекс. Схема сборки карбюратора солекс 21083.

Схема ваз 21083. Схема карбюратора ВАЗ 21083 солекс. Схема карбюратора ВАЗ 21083. Схема карбюратора ВАЗ 2108 солекс. Схема дроссельной заслонки ВАЗ 21083.

Схема ваз 21083. Схема проводки ВАЗ 21099 карбюратор высокая. Схема Эл проводки ВАЗ 2109 инжектор. Схема проводки ВАЗ 2109 инжектор высокая панель. Схема проводки ВАЗ 21083 карбюратор высокая панель.

Схема ваз 21083. Привод спидометра 2108 схема. 21083 3801010 Схема. Чертёж спидометра ВАЗ 2101. Схема привода ВАЗ 2108.

Схема ваз 21083. Блок цилиндров ВАЗ 21083 чертеж. Блок цилиндров ВАЗ 2112 чертёж. Чертеж блока цилиндра ВАЗ 2111. Блок цилиндров ВАЗ 2108 схема.

Схема ваз 21083. Схема проводки ВАЗ 2109 низкая панель. Схема проводки ВАЗ 2109 высокая панель. Схема электропроводки ВАЗ 2109. Электрическая схема ВАЗ 2109 низкая панель.

Схема ваз 21083

Схема ваз 21083. Блок двигателя ВАЗ 2109 схема. Блок цилиндров ВАЗ 2109 чертёж. Схема головки блока ВАЗ 2114. Схема заглушки блока цилиндров ВАЗ 2108.

Схема ваз 21083. Схема электрическая принципиальная ВАЗ 2105. Электропроводка ВАЗ 2104 карбюратор. Электрическая схема ВАЗ 2105 инжектор. Схема электропроводки ВАЗ 2104 карбюратор с описанием.

Схема ваз 21083. Схема освещения салона ВАЗ 2109 карбюратор. Схема подключения габаритов ВАЗ 2109 карбюратор. Схема подключения лампочку на ВАЗ 2109. Схема освещения ВАЗ 21099 инжектор.

Схема ваз 21083

Схема ваз 21083

Схема ваз 21083. Схема электрооборудования ВАЗ 21099 карбюратор низкая панель. Схема проводки ВАЗ 21099 инжектор 2002 года. Эл схемы проводки ВАЗ 21099 карбюратор. ВАЗ 21093 инжектор схема электрооборудования.

Схема ваз 21083. Схема электропроводки ВАЗ 2108 карбюратор. Схема электрооборудования ВАЗ 2109 инжектор. 2109 Схема электрооборудования инжектор. Электрическая схема ВАЗ 2109 карбюратор низкая панель.

Схема ваз 21083. Электросхема ВАЗ 2109. Схема электрооборудования ВАЗ 21099 карбюратор высокая панель. Схема электропроводки ВАЗ 2109. Схема электрооборудования ВАЗ 21099 карбюратор низкая панель.

Схема ваз 21083

Схема ваз 21083. Схема электрооборудования ВАЗ 2115 инжектор 8. Схема проводов ВАЗ 2115. Схема проводов ВАЗ 2115 инжектор 8. Схема электрики ВАЗ 2115 инжектор.

Схема ваз 21083. Система зажигания ВАЗ-2108 Электрооборудование. Схема бесконтактного зажигания ВАЗ 2108. Коммутатор ВАЗ 2109 карбюратор. Схема электрооборудования 2108 карбюратор.

Схема ваз 21083. Схема системы смазки ВАЗ 21083. Схема зажигания 21083. Схема охлаждения двигателя ВАЗ 21083. Головка 21083 схема.

Схема ваз 21083. Схема сборки карбюратора солекс 21083. Схема карбюратора ВАЗ 21083 солекс. Разборка и сборка карбюратора ВАЗ 2109. Схема карбюратора ВАЗ 2108 солекс.

Схема ваз 21083. Схема электрики ВАЗ 2108 карбюратор. Проводка ВАЗ 2108 карбюратор низкая панель. Салонная проводка ВАЗ 2109 карбюратор схема. Схема электрооборудования ВАЗ 2108 карбюратор.

Схема ваз 21083. Схема электрооборудования ВАЗ 21099 2002. ВАЗ 21099 инжектор схема электрооборудования. Схема проводки 21099 инжектор высокая панель. Схема проводки салона ВАЗ 2109 инжектор.

Схема ваз 21083

Схема ваз 21083. Схема проводки ВАЗ 2108 высокая панель. Схема электрооборудования ВАЗ 2109. Электрооборудование ВАЗ 2109. Электрооборудования ВАЗ 2109 высокая панель.

Схема ваз 21083. Схема электрооборудования ВАЗ 21099 инжектор высокая панель. Схема электрооборудования ВАЗ 21099 карбюратор высокая панель. Схема Эл проводки ВАЗ 2109. Электрическая схема ВАЗ 2108 карбюратор низкая панель.

Схема ваз 21083. Схема подключения карбюратора ВАЗ 2108. Карбюратор 21083 схема подключения. Схема карбюратора солекс 21083. Карбюратор 2108 схема.

Схема ваз 21083. Электросхема 21099 инжектор. Схема электропроводки ВАЗ 21093 инжектор высокая панель. Схема электропроводки ВАЗ 21099 инжектор 8 клапанов. Проводка ВАЗ 2109 инжектор.

Схема ваз 21083

Схема ваз 21083

Схема ваз 21083. Схема подключения габаритов ВАЗ 2114. Схема электрическая принципиальная ВАЗ 21093 инжектор. Схема подключения габаритов ВАЗ 2110. ВАЗ 2112 схема включения габаритов.

Схема ваз 21083. Схема подключения дальнего света ВАЗ 2109. Схема включения света 2109. Схема головного света ВАЗ 2109. Схема заднего противотуманного фонаря ВАЗ 2109.

Схема ваз 21083. Газораспределительный механизм ВАЗ 2108. Шпилька м8х55 распредвала 2108 чертеж. Механизм ГРМ ВАЗ 2108. Распредвал ВАЗ 2108 схема.

Схема ваз 21083. Электрооборудования ВАЗ 2109 высокая панель. Схема электрооборудования ВАЗ 2109 карбюратор. Электрооборудование ВАЗ 2109. Схема проводки ВАЗ 2109 низкая панель.

Схема ваз 21083

Схема ваз 21083. Электросхема ВАЗ 21093 инжектор.

Схема ваз 21083. Чертеж блока цилиндров ВАЗ 2110. Блок Картер ВАЗ 2108. Чертеж блока цилиндра ВАЗ 2111. Блок цилиндров ВАЗ 2108 схема.

Схема ваз 21083. Схема электропроводки ВАЗ 2109 инжектор. Электропроводка ВАЗ 2109 инжектор. Электрическая схема ВАЗ 2109 карбюратор высокая панель. Электрическая схема ВАЗ 2109 низкая панель.

Схема ваз 21083. Схема инжекторной проводки ВАЗ 2109.

Схема ваз 21083. Схема Эл проводки ВАЗ 2109 инжектор. Схема электрооборудования 2109 карбюратор. ВАЗ 21093 инжектор схема электрооборудования. Электро схема машины ВАЗ 2109 карбюратор высокая панель.

Схема ваз 21083. Монтажный блок ВАЗ 2110 3722 010 02 схема. Блок предохранителей ВАЗ 2108 инжектор схема. Монтажный блок ВАЗ 2110 колодка ш5. Монтажный блок ВАЗ 21099.

Схема ваз 21083. Схема подсветки номера ВАЗ 2108. Каталог запчастей салона ВАЗ 2108. Схема проводки 2108 задняя. Схема задних фонарей 2108.

Схема ваз 21083

Схема ваз 21083. Блок бортовой системы контроля; индикации контроля ВАЗ 2114. Блок индикации бортовой системы контроля ВАЗ 2109. Схема блока индикации ВАЗ 2114. Блок индикации бортовой системы контроля ВАЗ 2110 распиновка.

Схема ваз 21083. Схема проводки 21099 инжектор высокая панель. Схема электрооборудования ВАЗ 21099 инжектор 8 клапанов. Схема электропроводки ВАЗ 21099 инжектор. Схема проводки ВАЗ 21099 инжектор 2001.

Схема ваз 21083

Схема ваз 21083. Схема электрооборудования ВАЗ 2110 инжектор 8 клапанов. Схема проводки ВАЗ 2110 инжектор 16 клапанов. Электросхема ВАЗ 2110 форсунок. Проводка ВАЗ 2110 инжектор 8 клапанов схема.

Схема ваз 21083. Жгут системы зажигания ВАЗ 2109 карбюратор. Жгут проводов 2108 коммутатор схема. Схема жгута зажигания ВАЗ 2109. Жгут проводов зажигания ВАЗ 2108 карбюратор схема.

Схема ваз 21083

Схема ваз 21083. Чертеж Лада ВАЗ 2114. ВАЗ 2113 чертеж. Lada (ВАЗ) 2113 чертеж. Чертёж машины ВАЗ 2114.

Схема ваз 21083. Система отопления 2108. ВАЗ 2108 отопитель салона схема. ВАЗ 2108 схема рычагов печки. Схема отопителя 2108 2108.

Схема ваз 21083

Схема ваз 21083. Двигатель ВАЗ 2109 инжектор схема. Двигатель ВАЗ 2109 инжектор 8 клапанов схема. Двигатель ВАЗ 21083 схема. Двигатель ВАЗ 21099 карбюратор схема.

Схема ваз 21083. Схема электрооборудования ВАЗ 2109 инжектор высокая панель. Схема Эл проводки ВАЗ 2109 инжектор. Схема электрооборудования ВАЗ 2109 карбюратор высокая панель. ВАЗ 21099 инжектор схема электрооборудования.

Схема ваз 21083. Схема электрооборудования ВАЗ 2109 инжектор высокая панель. Схема электрооборудования ВАЗ 2109 карбюратор высокая панель. Схема электрики ВАЗ 2109 карбюратор низкая панель. Схема проводки 2109 высокая панель карбюратор.

Схема ваз 21083. Схема электрооборудования ВАЗ 2109 карбюратор. Схема электропроводки ВАЗ 2108 карбюратор. Электрооборудования ВАЗ 2109 высокая панель. Схема электропроводки ВАЗ 21099.

Схема ваз 21083. Карбюратор солекс 83 1107010. Схема карбюратора ВАЗ 21083. Карбюратор 21083-1107010-31. Карбюратор ВАЗ 21083 ДААЗ.

Схема ваз 21083. Поперечный разрез двигателя ВАЗ 2112. Двигатель ВАЗ 2112 В разрезе. Блок двигателя ВАЗ 21083 чертёж. Поперечный разрез двигателя ВАЗ 2190.

Схема ваз 21083. Жиклёры карбюратора солекс 21083. Схема карбюратора солекс 21083. Карбюратор ВАЗ 2109 жиклеры. Строение карбюратора ВАЗ 2108.

Схема ваз 21083. Схема электрооборудования ВАЗ 2108 карбюратор. Схема электрооборудования ВАЗ 2109 карбюратор. Схема проводки 2108 инжектор. Схема электропроводки ВАЗ 2108.

Схема ваз 21083. ВАЗ 2108 электросхема монтажный блок. Электросхема монтажного блока ВАЗ 2109. Электрическая схема ВАЗ 2109 карбюратор монтажный блок. ВАЗ 2114 электросхема монтажного блока.

Схема ваз 21083. Номер кузова ВАЗ 2108. Номер кузова ВАЗ 21083. Вин кузова ВАЗ 2108. Шасси ВАЗ 2108 номер.

Схема ваз 21083. Схема электрооборудования 2108 карбюратор. 2109 Схема электрооборудования инжектор. Схема электропроводки ВАЗ 2109 карбюратор высокая панель 1999 года. Схема электрооборудования ВАЗ 2109 инжектор.

Схема ваз 21083

Схема ваз 21083. Схема электрооборудования 2108 карбюратор. Эл схема ВАЗ 2108 карбюратор. Схема электропроводки ВАЗ 21083 карбюратор. Схема электропроводки ВАЗ 21083.

Схема ваз 21083. Схема подключения зажигания ВАЗ 2109 карбюратор. Схема включения электромагнитного клапана карбюратора ВАЗ 2109. Схема управления электромагнитным клапаном карбюратора ВАЗ 2109. Блок управления электромагнитным клапаном ВАЗ 2108.

Схема ваз 21083. Схема электрооборудования ВАЗ 2109 карбюратор. Электрооборудование ВАЗ 2109 карбюратор схема электрооборудования. Электрическая схема проводки ВАЗ 2109 карбюратор. Схема проводки ВАЗ 2109 карбюратор.

Схема ваз 21083. ВАЗ 2109 инжектор схема электрооборудования инжектор. Электрооборудования ВАЗ 2109 высокая панель. Электрооборудование ВАЗ 2109. Электрооборудование ВАЗ 2109 инжектор.

Схема ваз 21083. Схема карбюратора ВАЗ 2108 солекс. Схема карбюратора солекс ВАЗ 2109. Схема карбюратора ВАЗ 21083. Карбюратор ВАЗ 2183 схема.

Схема ваз 21083. Колесная база ВАЗ 2108. Габариты ВАЗ 2109. ВАЗ 2108 ширина кузова. ВАЗ 2108 габариты авто.

Схема ваз 21083. Схема электрооборудования ВАЗ 2109 инжектор высокая панель. Схема электрооборудования ВАЗ 2109 карбюратор. Схема электропроводки ВАЗ 2109 инжектор. Электрическая схема проводки ВАЗ 2109 карбюратор.

Схема ваз 21083. Жиклёры карбюратора солекс 2108. Карбюратор 83 жиклеры ВАЗ 2108. ВАЗ 2108 жиклеры в карбюраторе. Схема расположения жиклеров карбюратора ВАЗ 2108.

Схема ваз 21083. Патрубки ВАЗ 2108 карбюратор схема. Помпа ВАЗ 2108 схема. Схема патрубков ВАЗ 2108. Схема шлангов радиатора ВАЗ 2108.

Схема ваз 21083

Схема ваз 21083. Схема электропроводки ВАЗ 21114. Электропроводка ВАЗ 21099 инжектор. ВАЗ 21114 схема электрооборудования. Электросхема 21099 инжектор.

  • Вперед Карта особо охраняемых природных территорий краснодарского края
  • Назад Разгонит какое спряжение глагола

Новые страницы

6 Класс русский язык упражнение 543

74Hc04 описание на русском

Акт сдачи приемки услуг по договору образец

Бланк водительского удостоверения нового образца

Doing sport and keeping fit

Доверенность на продажу авто образец

Елена в греции

Гдз 7 класс английский язык 2 часть

Гдз по алгебре 8 класс макарычев 774

Гдз по математике номер 1326

Гдз по русскому 7 класс номер 442

Герои отечественного спорта олимпийских игр

Хайбол стакан

Как называется спорт на велосипеде

Картинки с днем рождения ленок красивые и прикольные

L7824cv datasheet

Мицубиси в кунцево

Не горят ангельские глазки

Оценка профрисков приказ образец

Паджеро спорт магнитола андроид

Программа канала сетанта спорт 1

Санаторий приморье крым

Схема правления петра 1 8 класс

Сигнализация с автозапуском пандора инструкция по применению

Смазать подшипник передней ступицы

Спецификация на изготовление мебели образец

Switch sport

Технологическая схема помещения

Видное сантехника

Значение имени ева для девочки

cdn.zecar.ru