Skip to content

Фотогалерея

  • Главная
  • Контакты

Схема усилителя swa

Схема усилителя swa. Антенный усилитель схема принципиальная электрическая. Антенный усилитель ЛК417.00.00 схема. Антенный усилитель укат-08.03 схема. Антенный усилитель ДМВ кп602а.

Схема усилителя swa. Усилитель сигнала на кт3102. Антенный усилитель SWA 2000 схема. Антенный широкополосный усилитель кт368. Схема антенного усилителя для цифрового телевидения DVB-t2.

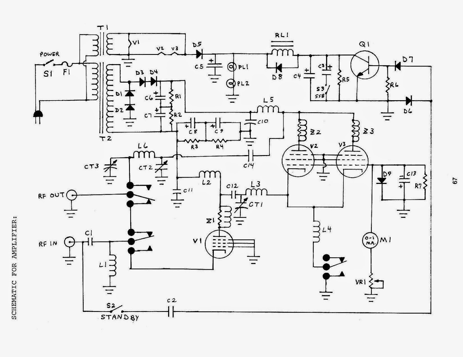
Схема усилителя swa. Схема антенного усилителя SWA-6000/6t. Антенный усилитель SWA-2 схема. Усилитель SWA-3 схема. Усилитель для антенны SWA-3501.

Схема усилителя swa. Схема антенного усилителя LSA-417.

Схема усилителя swa. Антенный усилитель SWA-2 схема. Антенный усилитель SWA-1 схема. SWA-14 антенный усилитель принципиальная схема. Антенный усилитель ЛК417.00.00 схема.

Схема усилителя swa. Усилитель SWA 9009 схема. Усилитель для польской антенны для т2 таблица. Параметры антенных усилителей SWA. Усилитель для польской антенны для т2.

Схема усилителя swa. Антенный усилитель SWA-1 схема. Антенный усилитель SWA-2 схема. Антенный усилитель схема принципиальная электрическая. Схема антенного усилителя для цифрового телевидения.

Схема усилителя swa. Антенный усилитель SWA-9999 схема. Принципиальная схема антенного усилителя SWA 9999. Схема телеантенны с усилителем. SWA-1 антенный усилитель схема принципиальная.

Схема усилителя swa

Схема усилителя swa. Схема антенного усилителя LSA-417. Антенный усилитель SWA-1 схема. Антенный усилитель SWA-2 схема. Схемы антенных усилителей SWA 49.

Схема усилителя swa

Схема усилителя swa

Схема усилителя swa. Усилитель ДМВ LSA-075 ЛК382.00.00 схема. Bfg540 антенный усилитель. Антенный усилитель ЛК417.00.00 схема. Усилитель LSA 777df схема.

Схема усилителя swa. Широкодиапазонный антенный усилитель схема. LSA 417 усилитель схема принципиальная. LSA-042d антенный усилитель схема. Антенный усилитель LSA-417 схема подключения.

Схема усилителя swa. SWA-14 антенный усилитель принципиальная схема. Антенный усилитель SWA-1 схема. Антенный усилитель SWA-2 схема. Схема антенного усилителя SWA-555 Lux.

Схема усилителя swa. Антенный усилитель SWA-2 схема. Схема антенного усилителя SWA-4 super. SWA-14 антенный усилитель схема. Схема антенного усилителя 777.

Схема усилителя swa

Схема усилителя swa. Схема антенного усилителя LSA-417. LSA 417 усилитель схема. Антенный усилитель ЛК417.00.00 схема. ТВ усилитель LSA 417 схема.

Схема усилителя swa. Антенный усилитель ДМВ схема. Антенные усилители МВ схемы. Телевизионная антенна принципиальная схема. Усилитель антенный МВ+ДМВ 30дб схема.

Схема усилителя swa. SWA 555 усилитель антенный схема. Схема антенного усилителя SWA-555 Lux. Антенный усилитель SWA 777 Lux схема. Схемы антенных усилителей SWA.

Схема усилителя swa. Схема подключения питания антенного усилителя. Антенный усилитель SWA 555 Lux схема подключения. Схема инжектора питания антенного усилителя. Схема включения антенного усилителя.

Схема усилителя swa. Антенный усилитель SWA 2000 схема. Усилитель антенный SWA-2000. Схемы антенных усилителей SWA 49. Антенный усилитель SWA-1 схема.

Схема усилителя swa. Усилитель SWA - 2000. Схема принципиальная. Схема антенного усилителя для дельты. Схема усилителя Дельта. Простой антенный усилитель для автомагнитолы своими руками.

Схема усилителя swa

Схема усилителя swa. Антенный усилитель SWA-2 схема. SWA 555 усилитель антенный схема. Усилитель антенный для цифрового ТВ DVB t2 схема. SWA-14 антенный усилитель схема.

Схема усилителя swa. Антенный широкополосный усилитель кт368. Электросхема антенного усилителя. Усилитель метровых волн схема. Схема антенного телевизионного усилителя 7 7 7.

Схема усилителя swa

Схема усилителя swa. SWA 555 усилитель антенный схема. SWA-777/Lux схема. Схема антенного усилителя SWA 777. Схема усилителя SWA 777 Lux.

Схема усилителя swa. Антенный усилитель SWA-1 схема. Схемы антенных усилителей SWA. Антенный усилитель SWA 777 Lux схема. SWA 555 усилитель антенный схема.

Схема усилителя swa

Схема усилителя swa

Схема усилителя swa

Схема усилителя swa

Схема усилителя swa. BFR 193 антенный усилитель. Антенный усилитель на bfr91. Bfr96s передатчик. Bfr193 схема усилителя.

Схема усилителя swa. Антенный усилитель SWA-2 схема. Схема антенного усилителя LSA-417. Схема антенного усилителя 2g сигнала. Антенный усилитель ЛК417.00.00 схема.

Схема усилителя swa. Схема антенного усилителя для т2 приставки. Антенный усилитель АМР 101 схема. SWA-3 антенный усилитель схема. Схема антенного усилителя для приемника на одном транзисторе.

Схема усилителя swa. SWA-14 антенный усилитель схема. Антенный усилитель SWA-1 схема. Антенный усилитель SWA-2 схема. Антенный усилитель SWA 777 Lux схема.

Схема усилителя swa. Усилитель антенный SWA-9000. Антенный усилитель sma 9000. Усилитель сигнала телевизионный SWA 9000\R. Платы антенных усилителей SWA 9000.

Схема усилителя swa

Схема усилителя swa. Антенный усилитель SWA 777 Lux схема. Схемы антенных усилителей SWA. SWA-14 антенный усилитель принципиальная схема. Антенный усилитель Pae-65 схема.

Схема усилителя swa. G919 усилитель схема. Антенный усилитель SWA 9001 схема. RF Amplifier схема. KL 300 усилитель схема.

Схема усилителя swa. Полосовой усилитель схема.

Схема усилителя swa. Антенный усилитель SWA-1 схема. SWA-14 антенный усилитель принципиальная схема. Антенный усилитель SWA-2 схема. Схема антенного усилителя SWA 777.

Схема усилителя swa. Схема подключения усилителя ТВ сигнала. Антенный усилитель на кт368. Антенный усилитель схема принципиальная электрическая. Принципиальная схема антенного усилителя.

Схема усилителя swa. Усилитель сигнала ДМВ на транзисторах гт341б. LS 417 антенный усилитель. Антенный усилитель SWA-2 схема. Антенный усилитель ЛК417.00.00 схема.

Схема усилителя swa. Антенный усилитель SWA-2 схема. Схема польского антенного усилителя. Схемы антенных усилителей SWA 49. SWA-3 антенный усилитель схема.

Схема усилителя swa. Усилитель антенный SWA-2000. Усилитель для антенны SWA-2000. Усилитель для антенны SWA-2000/4t. Усилитель антенный 2000 4т.

Схема усилителя swa. Антенный усилитель SWA-2 схема. SWA-14 антенный усилитель принципиальная схема. Антенный усилитель SWA-1 схема. Антенный усилитель схема принципиальная электрическая.

Схема усилителя swa. Таблица антенных усилителей SWA. Таблица характеристик антенных усилителей SWA. Таблица параметров антенных усилителей SWA. Параметры антенных усилителей SWA.

Схема усилителя swa. Широкополосный усилитель схема. Схема антенного усилителя для цифрового телевидения DVB-t2. Антенный усилитель ДМВ схема. Антенный усилитель широкополосный схема.

Схема усилителя swa. Схема антенного усилителя SWA 777. Антенный усилитель SWA-1 схема. Антенный усилитель УСШ-2а-DX схема. Антенный усилитель SWA 777 Lux схема.

Схема усилителя swa. LSA-417 схема. LSA 417 усилитель схема подключения. Усилитель ВЧ на s9018. Эл схема антенного усилителя lsa417.

Схема усилителя swa. Усилитель SWA-3 схема. SWA-3 антенный усилитель схема. Антенный усилитель SWA-9999 схема. LSA 417 усилитель схема принципиальная.

Схема усилителя swa. SWA 555 Lux схема. Схемы передатчиков на 2sc3357. Антенный усилитель groza v 1.4. 2sc3357 схема.

Схема усилителя swa. Схема антенного усилителя SWA-555 Lux. Антенный усилитель SWA-9999 схема. Схемы антенных усилителей SWA 49. SWA 555 Lux схема.

Схема усилителя swa

Схема усилителя swa

Схема усилителя swa. Принципиальная схема антенного усилителя. Антенный усилитель схема принципиальная электрическая. TV Indoor Antenna схема. Антенный усилитель укат-08.03 схема.

Схема усилителя swa. SWA-14 антенный усилитель принципиальная схема. LSA 417 усилитель схема принципиальная. Антенный усилитель ЛК417.00.00 схема. Антенный усилитель SWA 9001 схема.

Схема усилителя swa. LNA усилитель 144 МГЦ. МШУ на 144 МГЦ схема. Передатчик на bfg135. Bfg540 схема.

Схема усилителя swa. Плата антенного усилителя SWA-49. SWA 49 усилитель антенный (сборка): ку 32-38 ДБ, ток потребления 27 ма. Плата усилителя AST SWA-49. Усилитель антенный astswa-49 DB.

Схема усилителя swa. Антенный усилитель SWA-1 схема. Антенный усилитель SWA-2 схема. Антенный усилитель ЛК417.00.00 схема. Схема антенного усилителя LSA-417.

Схема усилителя swa

Схема усилителя swa

Схема усилителя swa. Таблица антенных усилителей SWA. Параметры антенных усилителей SWA. Таблица характеристик антенных усилителей SWA. Усилитель антенный SWA-9000.

Схема усилителя swa

Схема усилителя swa. Схема антенного усилителя SWA 777. Усилитель ТВ сигнала цифровой схема подключения. Антенный усилитель SWA 777 Lux схема. Антенный усилитель SWA-9999 схема.

Схема усилителя swa. Усилитель SWA-3 схема.

Схема усилителя swa

Схема усилителя swa. Схема активной антенны DEXP. Принципиальная схема антенного усилителя. Телевизионная антенна принципиальная схема. SWA 6000 схема принципиальная.

Схема усилителя swa. Антенный усилитель SWA-2 схема. Схемы антенных усилителей DVB-t2. Схема антенного усилителя для цифрового телевидения DVB-t2. Антенный усилитель на кт368.

Схема усилителя swa

Схема усилителя swa. LSA-045df схема. LSA-045df схема антенный усилитель. Усилитель LSA 777df схема. Усилитель антенный LSA 777 DF схема.

Схема усилителя swa

Схема усилителя swa. SWA-14 антенный усилитель принципиальная схема. SWA 6000 схема принципиальная.

  • Вперед Ремонт мужских туфель
  • Назад По вечерам я приходил к сестренке и мы

Новые страницы

2 Класс 5 схема

Черный нагар на свечах карбюратор

Cpc1035n datasheet на русском

Дневник практики студента педагога начальных классов образец

Дом норвегии

Доверенность на передачу товара покупателю образец

Фитнес клубы одинцова

Фразеологизм про лису

Ганнибал лектор начало

Гдз 3 класс математика страница 42 номер 4

Гдз математика стр 47

Гдз по алгебре 7 класс упр 694

Гдз по русскому языку баранов 6 клаас

Gdz raketa

Используя обозначения рисунка заполните таблицу отделы головного мозга и их функции

Как обжаловать штраф гибдд с камеры образец жалобы

Классификация физических упражнений по признаку спортивной специализации

Прайс лист на работы с профлистом

Распоряжение на выдачу денег подотчет директору образец

Регулировка фар на ваз 2115

Рисунки фуры ман

Схема периферической нервной системы

Схема подключения коробки

Ситроен берлинго дизель замена ремня грм

Суворов в москве

Тдск томск официальный сайт

Территория фитнеса потапова

Туристы на море в египте

Восстановите порядок событий

Жанр произведения принцесса на горошине

cdn.zecar.ru