Skip to content

Фотогалерея

  • Главная
  • Контакты

Схема усилителя pioneer

Схема усилителя pioneer. Электрическая принципиальная схема автомагнитолы Пионер. Схема съемной панели автомагнитолы Pioneer.

Схема усилителя pioneer. Pioneer a-05 схема. Схема усилителя мощности Пионер а004. Усилитель Pioneer a-05 схема.

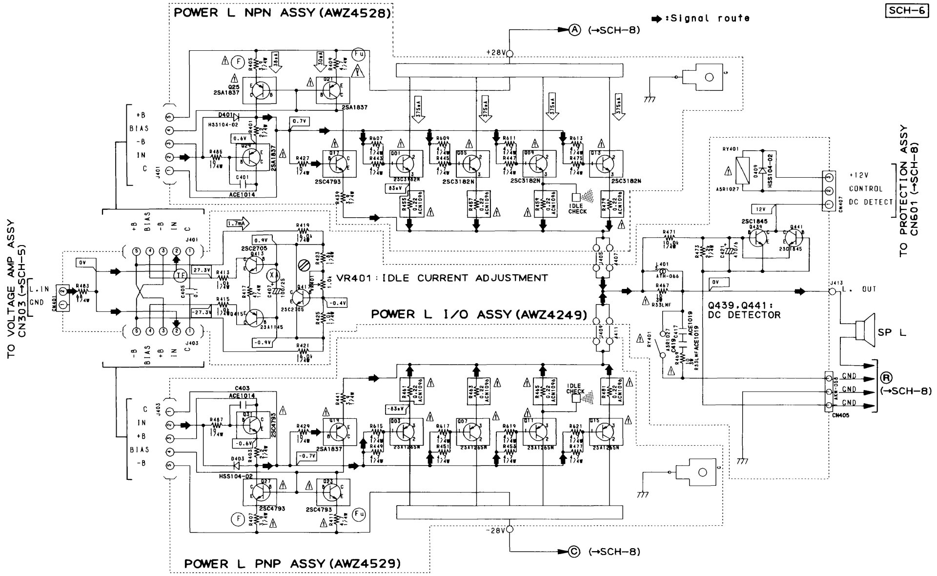
Схема усилителя pioneer. Схема усилителя Pioneer sa 8800ii. Pioneer sa-8800 MK II электрическая схема. Схема усилителя Pioneer sa-8800 mk2. Усилитель Пионер sa8800ii схема.

Схема усилителя pioneer. VSX-828-K схема. VSX-d714 Pioneer сабвуфер. Пионер VSX 516 схема. VSX-521s подключить сабвуфер.

Схема усилителя pioneer. Pioneer GM-4000. Пионер GM 4000 F. Pioneer GM-4000f. Схема подключения усилителя Пионер.

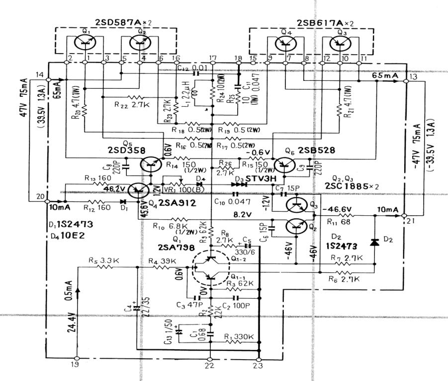
Схема усилителя pioneer. Pioneer a-570 diagram. Pioneer a-d3 схема. Pioneer s- h230 schematic diagram. Pioneer Power Amplifier m-is22.

Схема усилителя pioneer. Pioneer sa-400. Усилитель Пионер 8800 II схема. Pioneer sa-8800 Mark 2 схема. Pioneer sa-8800 MK II электрическая схема.

Схема усилителя pioneer

Схема усилителя pioneer

Схема усилителя pioneer

Схема усилителя pioneer. 2sb1560 усилитель схема. 2sd2390 2sb1650 усилитель схема. 2sd2390 2sb1560 усилитель схема. D2390 b1560 усилитель схема.

Схема усилителя pioneer. Регулятор громкости для Pioneer a403. Схема усилителя Ямаха a-s201. Pioneer a 777 регулятор громкости. Pioneer a-505r моторизированный регулятор громкости.

Схема усилителя pioneer. Схема усилителя Пионер 400 w. Схема подключения усилителя Пионер. Схема подключения усилителя Пионер 400w. Смеха подключения усилителя Пионер.

Схема усилителя pioneer. Pioneer a702r усилитель. Pioneer a-602r схема. Усилитель Pioneer a-05 схема.

Схема усилителя pioneer. Усилитель Пионер GM x334. Усилитель Pioneer GM-3500t схема. Pioneer усилитель GM-3500t распайка. Усилитель Pioneer gm3500t принципиальная схема.

Схема усилителя pioneer. Pioneer sa-8800ii схема. Pioneer a 8800x схема. Pioneer sa-8800 MK II электрическая схема. Pioneer TX-8800 II схема.

Схема усилителя pioneer

Схема усилителя pioneer. A702r схема. Pioneer sa-6200 схема. Pioneer a-d5 схема. Pioneer sa 100 схема.

Схема усилителя pioneer. VSX 421 ресивер Пионер схема. Схема ресивера Пионер. VSX 420 K схема усилителя. Электрическая схема Pioneer VSX 527.

Схема усилителя pioneer. Pioneer CT-600 service manual. Pioneer a-570 diagram. Pioneer a-700 schematic diagram.

Схема усилителя pioneer. Усилитель Пионер sa8800ii схема. Схема усилителя Pioneer sa 7800ii. Pioneer sa-8800 MK II электрическая схема. Схемотехника усилителя Пионер 8800.

Схема усилителя pioneer. Pioneer SM-500. Ламповый усилитель Pioneer. Усилитель Pioneer a500 схема. Схема лампового усилителя Pioneer sm80.

Схема усилителя pioneer. Pioneer a-602r схема. Pioneer a 100 схема. Схема усилителя Pioneer а604. Marantz PM 78 схема.

Схема усилителя pioneer

Схема усилителя pioneer. Оплеуха микрухам схема. Схема УНЧ оплеуха микрухам. Усилитель оплеуха схема. УМЗЧ оплеуха микрухам.

Схема усилителя pioneer

Схема усилителя pioneer

Схема усилителя pioneer

Схема усилителя pioneer. Усилитель Pioneer a-209. Усилитель Pioneer a-307r. Pioneer a-209r схема. Схема подключения усилителя Пионер.

Схема усилителя pioneer. Pioneer a-004 service manual. Pioneer a 100 схема. Схема усилителя Pioneer a-616 Mark 2. Пионер а616мк2 схема.

Схема усилителя pioneer. Pioneer a-500 schematic diagram. Pioneer a-570 diagram. Pioneer GM 3000. Amplifier Pioneer schematic diagram.

Схема усилителя pioneer. Pioneer a-209r схема. Схема усилителя Пионер а 109. Усилитель Pioneer a-109. Pioneer a-109 service manual.

Схема усилителя pioneer. Схема усилителя мощности Пионер а004. Усилитель Шушурина на кт808а. Усилитель Шушурина схема. Схема усилителя Шушурина 1978 года.

Схема усилителя pioneer

Схема усилителя pioneer. Схема ресивера Пионер VSX-817. Схема ресивера Пионер. Схема Pioneer 422. Принципиальная схема ресивера Пионер.

Схема усилителя pioneer. Pioneer deh-1610 схема. Pioneer deh-9450ub включение дисплея. Пионер 9450ub характеристики. Pioneer deh 9450ub схема подключения.

Схема усилителя pioneer

Схема усилителя pioneer

Схема усилителя pioneer. Принципиальная схема Пионер GM-a3602. Pioneer GM-3400 схема. Pioneer gm120. Принципиальная схема Пионер gm2-3602.

Схема усилителя pioneer

Схема усилителя pioneer. Схема усилителя Pioneer GM-3300t. Pioneer GM 3300t схема. Pioneer 3500t схема. Схема усилителя Пионер GM 3300t.

Схема усилителя pioneer. Pioneer pa2032a Datasheet. MOSFET pa2032a. Усилитель pa2030a Datasheet. Pa2032a даташит.

Схема усилителя pioneer

Схема усилителя pioneer

Схема усилителя pioneer. Усилитель Pioneer a-05 схема. Усилитель Пионер а209 r схема. Схема усилителя Pioneer a-700. Схема усилителя мощности Пионер а676.

Схема усилителя pioneer

Схема усилителя pioneer. Усилитель Пионер GM 3100t. Схема подключения усилителя Пионер GM 404. Схема подключения усилителя Пионер gm3100t. Схема Пионер усилитель 815.

Схема усилителя pioneer

Схема усилителя pioneer

Схема усилителя pioneer. Pioneer sa-8900 схема. Усилитель Pioneer sa-7500 характеристика. Усилитель Pioneer sa-6700 схема.

Схема усилителя pioneer

Схема усилителя pioneer

Схема усилителя pioneer

Схема усилителя pioneer. Pioneer m-f10 схема. Amplifier Pioneer schematic diagram. Pioneer m90a схема. Pioneer m73 схема.

Схема усилителя pioneer

Схема усилителя pioneer. Принципиальная схема Пионер GM-a3602. Pioneer GM-3400 схема. Принципиальная схема Пионер gm2-3602. Pioneer gm120.

Схема усилителя pioneer. Схема усилителя Пионер 400 w. GM-3500t схема. Принципиальная схема автомобильного усилителя мощности НЧ Pioneer GM-3500t. Усилитель Pioneer gm3500t принципиальная схема.

Схема усилителя pioneer. Активный сабвуфер Пионер TS wx206a схема. Пионер TS-wx206а схема подключения. Активный сабвуфер TS-wx206a схема. Сабвуфер Pioneer TS-wx206a схема подключения активный.

Схема усилителя pioneer

Схема усилителя pioneer. Усилитель Пионер GM 840. Pioneer GM 3000. GM 3000t усилитель Пионер. Усилитель Pioneer GM-600 распиновка.

Схема усилителя pioneer

Схема усилителя pioneer

Схема усилителя pioneer. Pioneer CS-9030 схема кроссовера. Схема фильтров акустики Пионер. Pioneer CS e700 схема фильтров. Pioneer CS 5030 схема.

Схема усилителя pioneer. Усилитель Пионер 8800 II схема. Pioneer sa-8800ii схема. Схема усилителя Pioneer sa-8800 mk2. Схема усилителя Pioneer sa 8800ii.

Схема усилителя pioneer

Схема усилителя pioneer. Схема автомобильного усилителя 400 ватт. Усилитель 4.100 схема. Схема питания автомобильного усилителя. Принципиальные схемы автомобильных усилителей Пионер.

Схема усилителя pioneer. Орион pw270 схема принципиальная электрическая. Схема усилителя Пионер 400 w. Орион pw320 схема электрическая принципиальная. GM-3500t схема.

Схема усилителя pioneer. Электрическая принципиальная схема Emu 0404 USB. Схема усилителя мощности Пионер а004. Пионер 10 схема. Схема принципиальная усилителя Пионер.

Схема усилителя pioneer

Схема усилителя pioneer. Усилитель Pioneer a-535 схема. Pioneer a-109 вид сзади. Pioneer a-109 service manual. Схема усилителя Pioneer a-700.

Схема усилителя pioneer. Pioneer a-30k amp - schematic. Усилитель Pioneer m73 схема. Pioneer la 21 схема. Pioneer m22 усилитель схема.

Схема усилителя pioneer

Схема усилителя pioneer. Схема усилителя Пионер GM 3300t. Принципиальная схема Пионер gm2-5602. Схема усилителя Pioneer GM-3300t. Pioneer GM x622 схема.

Схема усилителя pioneer. Схема подключения усилителя Пионер. Схема подключения усилителя Пионер GM-3200t. Усилитель Pioneer GM-1200 схема подключения. Инструкция к усилителю Пионер.

Схема усилителя pioneer. Схема подключения усилителя Пионер 400w. Принципиальная схема автомобильного усилителя Pioneer GM-3500t. Схема усилителя Пионер GM 3500t. Усилитель Pioneer 3500t.

Схема усилителя pioneer. Схема усилителя Pioneer a-616 Mark 2. Пионер а-616 схема. Pioneer a-09 схема. Схема Pioneer a717.

Схема усилителя pioneer

Схема усилителя pioneer

  • Вперед Гуревич художник
  • Назад Буква к в сердечке картинки

Новые страницы

3Кл математика моро решебник гдз ответы 1 часть

Битва экстрасенсов 23 сезон

Диод кд105г

Доп соглашение об отмене совмещения должностей образец

Физика задачник лукашик

Форма регламента образец

Кабель для быстрой зарядки телефона type c

Как доехать с курского до ярославского вокзала

Как настроить магнитофон

Как поменять печку на хендай акцент

Карта осадков онлайн борисоглебск

Косточки подвески что это

Мастер по укладки ламината на стену

Математика 418

Математика 5 класс учебник 2 часть виленкин жохов ответы гдз

My sport uz royxatdan

Папилломы и бородавки лечение

Паук крючком схема амигуруми

Pj431a

Полип в ухе лечение

Повестка в армию образец с печатью

Схема туники

Схемы легких рентген

Скачать образец титульного листа реферата

Сниму квартиры

Согласие документ образец

Светильник нпп банник

Type o negative альбомы

Виды спорта в российской федерации

Забились форсунки инжектора признаки

cdn.zecar.ru