Skip to content

Фотогалерея

  • Главная
  • Контакты

Схема тв

LG TV MC7CD SCHEMA Service Manual download, schematics, eeprom, repair ...

Схема телевизора Samsung CK-5073ZR - Power-On.Tech

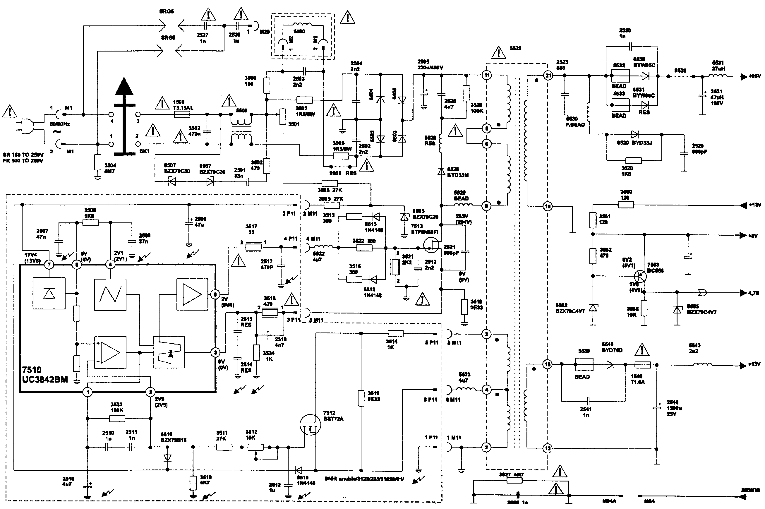
Schema-TV-Sony-KV-2184 | Electronic Circuit Diagram and Layout

Схемы телевизоров: Бесплатные схемы для всех типов телевизоров, советы ...

Схемы телевизоров: Бесплатные схемы для всех типов телевизоров, советы ...

Electronique historique television

Schema Tv Crt Philips - TV Schematics

Schematic Diagrams: Samsung CS21M16MJZXNWT CRT TV – how to enter the ...

Электрическая схема телевизора рейнфорд: портал и журнал для ...

Принципиальная Электрическая Схема Телевизора Samsung

Схему Тв 61Тц 403Д - lotsiya

Electro help: Sony LCD TVs KDL32V2000, Sony40V2000, Sony46V2000 – SMPS ...

Index of /Schema TV/Philips

S16B схема: Принципиальная электрическая схема ТВ шасси S16A/B/C/D ...

Принципиальная Схема Телевизора Lg

Принципиальная схема телевизоров РЕКОРД 51ТЦ5176, 54ТЦ5176 шасси PAEX021

sansui television manual

Schematic Diagrams: Horizont 27LCD825 – Horizont 32LCD825 – LCD TV ...

Принципиальная Схема Телевизора Samsung

Электрическая Схема Телевизора

Как работает ТВ приставка для телевизора: принцип работы и неисправности

Index of /Schema TV/Sony/KV-2184

Schematic Diagrams: Sony KDL-40/46/T3500/40V2900 – SMPS schematic

Тв тюнер схема

TV COLOR345 SCHEMA Service Manual download, schematics, eeprom, repair ...

SHARP 14B TV D Service Manual download, schematics, eeprom, repair info ...

Schema Electronique Tv ~ schema cablage et branchement de tableau ...

SAMSUNG BN94-03052A - LCD TV POWER SUPPLY SCHEMATIC | Electro help

Инструкция К Телевизору Samsung Ck-5314Atr - taiwanstatya

Электрическая Схема Телевизора

Samsung Tv Схему - instructionforsale

Электрическая схема телевизора рейнфорд: портал и журнал для ...

SERVICE. TV. DVD. DI BATANG: Schema tv tcl

Schema Tv Crt Philips - TV Schematics

  • Вперед Каков как подчеркивается
  • Назад Сормович спортклуб нижний

Новые страницы

Алпайн 9880 характеристики

Английский язык страница 45 рабочая тетрадь

Башня с часами в англии

Борьба русских княжеств с кочевниками в xii в картинках

Чем отличается краб от лобстера картинки

Этническая карта бывшей югославии

Гипергидроз головы и лица лечение

Как построить вписанную окружность в прямоугольный треугольник

Как прошить блок srs

Какое масло заливать в гидроборт

Карта омской области подробная со всеми городами и селами

Киа пиканто технические характеристики

Консультация по спортивному питанию

Контурная карта россии крайние точки россии

Кроссовки converse

My family travel in russia last august

Паджеро спорт продажа

Пелевин тхаги

Плюсы и минусы приоры седан

Призрак и тьма в музее чикаго

Птс в германии

Решебник к учебнику по русскому языку 3 класс

Санитарный журнал для общепита образец заполнения

Схема действия сил

Схема монтаж ванной

Схема подключения кнопки гранта

Steven marshall

Титульный лист реферата юзгу курск образец

Войско казахстана

Замена подшипника ступицы заднего колеса лада гранта

cdn.zecar.ru