Skip to content

Фотогалерея

  • Главная
  • Контакты

Схема тлк 80

Схема тлк 80. Шевроле блейзер схема рулевой. Рулевой механизм схема Шевроле блейзер 1998. Шевроле блейзер 1997 2.2 Елабуга рулевой сигнал схема. Схема рулевого Шевроле блейзер 2.2 литра.

Схема тлк 80

Схема тлк 80. Реле стеклоочистителя ТЛК 80. Реле переключения света Дальний Ближний ТЛК 80. ТЛК 100 схема стеклоочистителей. Toyota Land Cruiser 80 1fz схема охлаждения.

Схема тлк 80. Land Cruiser 80 электросхема. Ленд Крузер 100 схема электрическая. Схема электрооборудования ленд Крузер 80. Система пуска Land Cruiser 80.

Схема тлк 80. Крепление подушки рамы Тойота 4runner 1993. Тлк80 крепления кузова к раме. Схема подушек кузова Прадо 95. Подушки кузова ТЛК 100 схема.

Схема тлк 80. Электрооборудование Тойота ленд Крузер 80. Электросхемы Land Cruiser 80. Схема электрооборудования ленд Крузер 80. Схема схема электрооборудования Toyota Лэнд Крузер 80.

Схема тлк 80

Схема тлк 80

Схема тлк 80

Схема тлк 80. Система пуска Land Cruiser 80. Реле запуска Крузер 80. TLC 80 схема стартера. Схема включения стартера ленд Крузер 80.

Схема тлк 80

Схема тлк 80. Схема системы зажигания Land Cruiser 80. Ленд Крузер 80 Генератор схема подключения. Электрооборудование Тойота ленд Крузер 80. Схема подключения генератора Тойота ленд Крузер 80.

Схема тлк 80. Схема кондиционера Тойота ленд Крузер 100. Схема обогрева сидений Toyota Land Cruiser 100. Схема электропривода сидений Land Cruiser 100. Схема подогрева сидений Тойота ленд Крузер 100.

Схема тлк 80

Схема тлк 80. Передний привод ТЛК 100 схема. ТЛК 80 передний привод схема. Гидроподвеска ТЛК 100 схема. Снятие привода TLC 100.

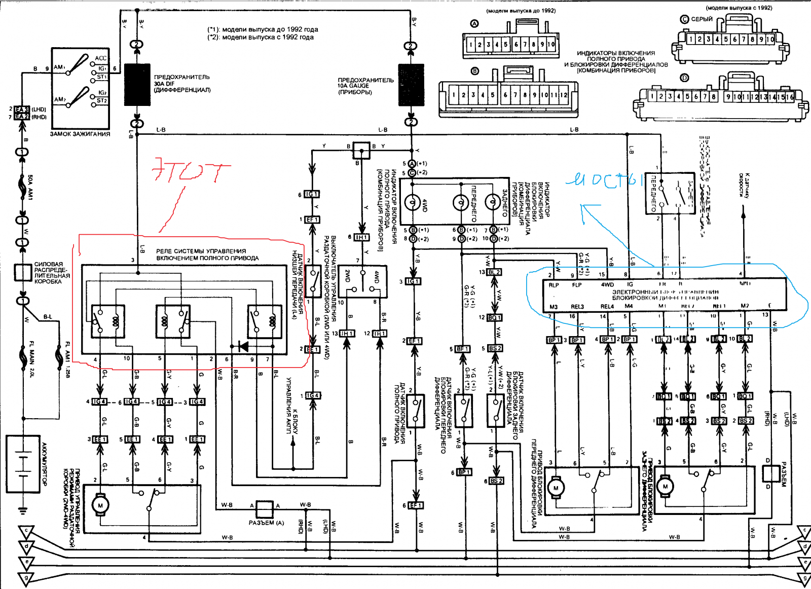
Схема тлк 80. Электросхема блокировок ТЛК 80. Блок управления блокировкой межосевой ТЛК 80. 89533-35021 Распиновка. ТЛК 80 межосевая блокировка схема.

Схема тлк 80. Поворотный кулак ленд Крузер 80 схема. Сборка поворотного кулака Тойота ленд Крузер 80. Поворотный кулак Крузер 80 схема. Схема поворотного кулака ТЛК 80.

Схема тлк 80. Land Cruiser 80 зарядка схема. Схема зарядки ленд Крузер 80. Land Cruiser 100 система зарядки электрическая схема. Зарядка ленд Крузер 100.

Схема тлк 80

Схема тлк 80. Toyota Land Cruiser 80 чертеж. Габариты Тойота ленд Крузер 80. Toyota Land Cruiser Prado 80 габариты. Габариты Toyota Land Cruiser 100.

Схема тлк 80. Ленд Крузер 80 дизель Электрооборудование. Land Cruiser 80 электросхема. Land Cruiser 100 1 HD электросхемы. Ленд Крузер 80 электросхема.

Схема тлк 80

Схема тлк 80

Схема тлк 80

Схема тлк 80. Вакуумная система ленд Крузер 80. Проводка АКПП Toyota Land Cruiser 100. Схема автомата Тойота ленд круизер 80. АКПП схема Тойота ленд круизер 80.

Схема тлк 80. Рама ТЛК 100 105. Рама ТЛК 100 схема. Rama TLC 80 чертеж. Кузов TLC 100 А ходовая от TLC 105.

Схема тлк 80. Land Cruiser 80 электросхема. Схема электрооборудования ленд Крузер 80. Электрическая схема Тойота ленд Крузер 80. Схема фар Toyota Land Cruiser 80.

Схема тлк 80

Схема тлк 80. Toyota Land Cruiser 100 электросхема. Схема проводки Toyota Land Cruiser 100. Схема управления двигателем Land Cruiser 105. Схема электрооборудования TLC 100 4.7.

Схема тлк 80. Проводка центрального замка Тойота Лэнд Крузер 100. ТЛК 80 схема электрооборудования. Электрическая схема ТЛК 200. Схема электрооборудования TLC 100 4.7.

Схема тлк 80

Схема тлк 80

Схема тлк 80. TLC 200 электросхема круиз контроль. Схема управления тросиков круиз контроль ленд Крузер 80 дизель. Схема приборки ТЛК 80 дизель. ТЛК 200 схема система зарядки.

Схема тлк 80. Схема переднего редуктора ленд Крузер 100. Схема переднего моста Тойота ленд Крузер 80. Передний редуктор Toyota Land Cruiser 100 схема. Схема переднего редуктора ТЛК 100.

Схема тлк 80. Toyota Land Cruiser 80 габариты.

Схема тлк 80. Toyota Land Cruiser 80 электросхема межколесной блокировки дифференциала. Электросхема блокировки дифференциала Land Cruiser 100. Схема блокировки заднего дифференциала ТЛК 105. Схема проводки tlc80.

Схема тлк 80. Схема зарядки Toyota Land Cruiser Prado 150. Реле управления блокировкой Land Cruiser 80. Электрическая схема сигнала Toyota Land Cruiser 105. Схема электрооборудования ленд Крузер 80.

Схема тлк 80. Схема раздаточной коробки Тойота ленд Крузер 80. Схема переднего моста Тойота ленд Крузер 100. Схема раздатки Тойота ленд Крузер 70. Схема раздаточной коробки Prado 120.

Схема тлк 80. Схема ТНВД Land Cruiser 80. Редуктор ленд Крузер 80 схема. Схема моста ленд Крузер 80. Схема заднего моста Land Cruiser 80.

Схема тлк 80

Схема тлк 80

Схема тлк 80. Сальник поворотного кулака Тойота ленд Крузер 105. Передняя ступица Тойота ленд Крузер 100 схема. Устройство переднего моста ленд Крузер 80. Toyota Land Cruiser 80 сборка поворотного кулака.

Схема тлк 80. Датчик TPS ленд Крузер 80. Датчики Тойота Лэнд Крузер 80. Датчик скорости Крузер 80 1-Hz. ТЛК 80 датчики расположение.

Схема тлк 80. Land Cruiser 80 электросхема. Схема электрооборудования ленд Крузер 80. Схема включения стартера ленд Крузер 80. Электросхема Toyota Land Cruiser 80 дизель.

Схема тлк 80. Схема включения стартера Тойота Лэнд Крузер 80. Реле аккумулятора Land Cruiser 80. Система пуска Land Cruiser 80. Land Cruiser 100 система зарядки электрическая схема.

Схема тлк 80. Реле стартера Toyota Land Cruiser 80. Расположение реле стартера Тойота ленд Крузер 100. Реле стартера ленд Крузер 80 схема. Реле сигнала Лэнд Крузер 100 бензин.

Схема тлк 80. Система пуска Land Cruiser 80. Реле Land Cruiser 80 дизель. Toyota Land Cruiser 80 4.2 дизель схема зажигания. Land Cruiser 80 электросхема.

Схема тлк 80. TLC 80 таймер свечей накаливания. ТЛК 80 4.2 дизель реле стартера. TLC 80 схема свечей накала. Реле переключателя 12\24 Land Cruiser.

Схема тлк 80

Схема тлк 80

Схема тлк 80. Схема электрооборудования ленд Крузер 80. Схема электрооборудования Land Cruiser 80 дизель. Реле стартера на Land Cruiser 105. Реле Land Cruiser 80 дизель.

Схема тлк 80

Схема тлк 80. Тойота круизер ленд 80 реле стартера схемы. Реле стартера на Land Cruiser 105. Реле Horn Toyota Land Cruiser 105. Реле стартера крузак 80 дизель.

Схема тлк 80. Пропал свет ТЛК 80. Пропал сигнал на ТЛК 80. ТЛК 80 пропал сигнал где реле сигнала. Схема тяг ТЛК 78.

Схема тлк 80. Схема кондиционера ленд Крузер 105 схема. Эл схема Land Cruiser 80. Схема кондиционера Land Cruiser 100. Электрическая схема ленд Крузер 80 электрооборудования.

Схема тлк 80. Toyota Land Cruiser 80 реле управления блокировкой заднего дифференциала. Схема штатной блокировки tlc80. Электросхема блокировки дифференциала Тойота ленд круизер 90. Электросхема блокировки дифференциала Land Cruiser 100.

Схема тлк 80

Схема тлк 80. Схема приборной панели ленд Крузер 100. Схема панели приборов ленд Крузер 80. Схема щитка приборов LC 80. Крузер 105 электросхема.

Схема тлк 80. Ленд Крузер 100 4.2 дизель ТНВД схема. ТНВД 1 Hz схема. Датчик тахометра на ТНВД ТЛК 80 1 Hz. ТНВД Крузер 100 схема.

Схема тлк 80. Схемы электрооборудования ТЛК 100. Схемаэлетрооборудовпния tlc100. Тойота ленд Крузер 200 схема проводки. Схема включения отопителя Land Cruiser 100.

Схема тлк 80

Схема тлк 80

Схема тлк 80

Схема тлк 80. Передний мост ленд Крузер 100 схема. Ступица Land Cruiser 80 чертёж. Ступица Тойота ленд Крузер 100 передние схема. Схема моста ленд Крузер 80.

Схема тлк 80. Реле габаритных огней ленд Крузер 80. Схема реле ленд Крузер 80. Расположение разъемов Toyota Land Cruiser 80. Реле аварийной сигнализации Лэнд Крузер 80.

Схема тлк 80

Схема тлк 80

Схема тлк 80

Схема тлк 80. Схема электрооборудования Toyota Land Cruiser Prado 120. Схема противотуманных фар Toyota Land Cruiser 100. Прадо 150 схема электрооборудования. Реле дальнего света prado90.

Схема тлк 80. Реле 12-24 на ТЛК-80. ТЛК 80 12.24 реле преобразователя. Схема предохранителей ТЛК 80. Сетка накала ленд Крузер 80.

Схема тлк 80. Toyota Land Cruiser 100 электросхема. ТЛК 80 схема электрооборудования. Ленд Крузер 100 схема электрическая. Схема электрооборудоывнаия tlc200.

Схема тлк 80. Схема редуктора заднего моста ленд Крузер 105. Схема заднего моста ленд Крузер 100. Схема задней блокировки заднего моста ленд Крузер 100. Схема переднего моста Тойота ленд Крузер 105.

Схема тлк 80. Схема ТНВД ленд Крузер 200 дизель. ТНВД Тойота пикник 1999 г схема. Схема ТНВД Тойота ленд Крузер 80 дизель. Схема ТНВД ленд Крузер 100 дизель.

Схема тлк 80. Схема стеклоподъемников TLC 80. ТЛК 80 схема блокировки. Схема подключения штатных блокировок ТЛК 80. Cruiser 100 схема блокировки.

Схема тлк 80. Задний мост ТЛК 80 схема. Схема заднего моста ленд Крузер 80. Схема ступицы Land Cruiser 200. Схема переднего редуктора ТЛК 80.

Схема тлк 80. Насос ГУРА ТЛК 100 схема. Тормозная система Крузер 80 с АБС. Схема трубок тормозной системы ТЛК 200. TLC Prado 90 2.7 схема тормозной системы.

Схема тлк 80. Land Cruiser 80 реле стартер на 24 вольта. Land Cruiser 80 зарядка схема. Реле стартера ленд Крузер 80 схема. Система пуска Land Cruiser 80.

Схема тлк 80. Электрическая схема ленд Крузер 80. Электросхемы Land Cruiser 80. Toyota Land Cruiser 80 электросхема бензонасоса. Электрические разъемы Тойота ленд Крузер 80.

Схема тлк 80. Электросхемы Land Cruiser 80. Ленд Крузер 80 дизель Электрооборудование. Land Cruiser 80 Diesel электросхема. Ленд Крузер 80 электросхема.

Схема тлк 80. Схема предохранителей ТЛК 80. Схема стартера Крузер 80 1hz. TLC 80 схема стартера. Схема включения стартера ТЛК 80.

Схема тлк 80. Реле блокировки межосевого дифференциала ленд Крузер 100. Реле блокировки межосевого дифференциала ленд Крузер 80. Реле межколесной блокировки тлк100. Блок управления блокировки заднего моста Тойота ленд круизер 100.

Схема тлк 80. Схема штатной головы TLC 200. Схема ТЛК 105 электрозамок двери. Электросхемы багажник задняя дверь ТЛК-200. Схема управления антенной ТЛК 105.

Схема тлк 80. Схема ступицы Land Cruiser 100. Схема переднего моста Тойота ленд Крузер 100. Подшипник полуоси ленд Крузер 80. Схема заднего моста ленд Крузер 100.

  • Вперед Проверь себя математика 6 класс
  • Назад Установка фаркопа на автомобиль в спб

Новые страницы

Акт выявленного нарушения образец

Акт внеплановой проверки образец

Бурение ударно канатным способом скважин

Детский фитнес карта

Гдз по алгебре 835

К 150 125 250

Как открутить люстру

Как питаться при тренировках

Как выключить магнитолу алпайн

Карта для майнкрафт один блок в океане как у эдисона

Картинки должок прикольные

Кладбище в пекине

Логотип шкоды

Остров мечты заброшенный дом

Подработка для бухгалтера на дому

Пояснительная записка для банка по запросу в рамках 115 фз образец

Проект капитального ремонта помещения

Размер ремня схема

Рестораны г владивостока

Русский язык 4 класс 2 часть номер 296

Русский язык 6 класс ладыженская 2 часть упражнение 491

Схема метро гамбурга

Схема органов государственной власти рф

Схема проводки ваз 21043 карбюратор

Схема тлк 80

Спортивное тело упражнения

Станица динская краснодарский край карта

Теория сновидений

Ваз 2106 нет искры с бабины

Заполните схему управление

cdn.zecar.ru