Skip to content

Фотогалерея

  • Главная
  • Контакты

Схема термометра

Схема термометра. Термометр с двумя датчиками схема. Dc5-12v цифровой термометр схема. ДС 2 схема термометра. FY-09v1802 термометр схема.

Схема термометра. Схема измерения термометра сопротивления. Электрические термометры сопротивления схема. Термометр сопротивления (Электротермометр). Схема измерения температуры термоэлектрическим прибором.

Схема термометра

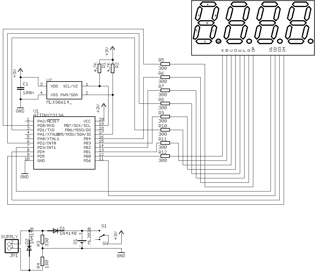
Схема термометра. Схема термометра на attiny2313. Схема цифрового термометра с выносным датчиком. Схема электронного термометра с выносным датчиком своими руками .. Цифровой термометр на attiny2313.

Схема термометра

Схема термометра. Автомат световых эффектов на микроконтроллере atmega16 схема. Схема индикатора уровня сигнала на микроконтроллере. Индикатор уровня сигнала на atmega8.

Схема термометра. Схема устройства манометрического термометра. Газовые манометрические термометры схема. Манометрический термометр схема подключения. Газовые и жидкостные манометрические термометры схема.

Схема термометра. Принципиальная электрическая схема подключения термопары. Схемы включения термоэлектрического преобразователя. Схема подключения термоэлектрического преобразователя. Принципиальная схема термоэлектрического термометра.

Схема термометра. Цифровой термометр на pic16f628a схема. Дешифратор к555ид7. Простой термометр на pic16f628a и ds18b20. 555ид7 дешифратор схема.

Схема термометра

Схема термометра. Принципиальная схема термометра. Схема термометра до 200 градусов. Электронный градусник схема. G80f903a схема термометра.

Схема термометра. Схема термометр сопротивления и термопары. Термометр сопротивления схема. Биметаллический термометр схема. Термометр сопротивления sxema.

Схема термометра. Термометр ТКП-100эк-м1. Принципиальная схема манометрического термометра. Электрическая схема подключения электроконтактного манометра. Манометрический термометр схема подключения.

Схема термометра

Схема термометра. Цифровой термометр схема электрическая принципиальная. Термометр ардуино lm35. Схема самодельного электронного термометра. Принципиальная схема термометра.

Схема термометра. Цифровой термометр схема электрическая принципиальная. Qf12295 термометр схема. Схемы термометров с цифровой индикацией.

Схема термометра. Термометр на контроллере ht66f003. Цифровой термометр термостат схема. Цифровой термометр на pic16f628a схема. Схема термостата на микроконтроллере pic16f628a.

Схема термометра

Схема термометра

Схема термометра. Цифровой термометр на atmega8 и ds18b20. Датчик температуры схема подключения к микроконтроллеру. Схемы подключения сегментных индикаторов. Термометр на AVR 18b20.

Схема термометра. Схема цифрового термометра с выносным датчиком. Цифровой термометр схема электрическая принципиальная. Цифровой термометр 5-12 схема. Схема цифрового термометра с датчиком.

Схема термометра

Схема термометра

Схема термометра. Схема самодельного электронного термометра. Электронный термометр медицинский схема. Бесконтактный термометр схема. Бесконтактный термометр принципиальная схема.

Схема термометра

Схема термометра

Схема термометра. Конденсационные манометрические термометры схема. Предел измерения газового манометрического термометра. Термометр манометрический ТКП схема подключения. Манометрическая трубчатая пружина.

Схема термометра

Схема термометра. Liquid in Glass Thermometer. Диаграмма термометр. Термометр Фарадея. Дистресс термометр.

Схема термометра. Схема измерения температуры термоэлектрическим прибором. Структурная схема термоэлектрического термометра. Принципиальная схема термометра сопротивления. Электрические термометры сопротивления схема.

Схема термометра

Схема термометра. Схема устройства манометрического термометра.

Схема термометра. Цифровой термометр схема электрическая принципиальная. Цифровой термометр 572пв2 схема. К572пв2 частотомер. Принципиальная схема цифрового термометра.

Схема термометра

Схема термометра

Схема термометра

Схема термометра. Биметаллический термометр схема. Термометр биметаллический конструкция. Биметаллический термометр принципиальная схема. Деформационным термометрам схема.

Схема термометра. Attiny2313a-PU термометр. Схема термометра на attiny2313. Термометр на attiny2313 и ds18b20 схема. Вольтметр на микроконтроллере attiny2313.

Схема термометра

Схема термометра. Датчик температуры схема подключения к микроконтроллеру. Инфракрасный термометр схема. Схема термометра с датчиком ТП 100. Датчик температуры схема электрическая принципиальная.

Схема термометра. Принципиальная схема цифрового омметра. Схема самодельного электронного термометра. Вольтметр цифровой на микросхемах к155. Схема цифрового термометра с выносным датчиком.

Схема термометра. Чертежи манометрических термометров. Ключ манометрический чертеж. Самые сложные манометрические приборы. Самые сложные сонометричпские приборы.

Схема термометра. Принципиальная схема манометрического термометра. Манометрический термометр схема. Манометрический термометр схема подключения. Термометр манометрический ТКП схема подключения.

Схема термометра

Схема термометра. Биметаллический термометр схема. Биметаллический термометр принципиальная схема. Термометры биметаллические т191 схема поверки. Термометр расширения биметаллический схема.

Схема термометра. Схема самодельного электронного термометра. XH-b310 цифровой термометр схема. Схема электронного термометра с выносным датчиком своими руками .. Схема измерения температуры электронными термометр.

Схема термометра. Термометр на микроконтроллере и датчике ds18s20. Цифровой термометр pic16f628a и ds18b20. Электронный термометр схема принципиальная. Цифровой термометр на pic16f628a схема.

Схема термометра. Газовые манометрические термометры схема. Манометрический термометр схема подключения. Манометрический капиллярный термометр схема. Термометры сопротивления. Манометрические термометры схема.

Схема термометра

Схема термометра. Схема прибора термоэлектрической системы. Схема включения термоэлектрических термометров. Схемы включения термоэлектрического преобразователя. Термоэлектрический термометр схема прибора.

Схема термометра

Схема термометра. Манометрический термометр состоит из. Структурная схема манометрического термометра. Принципиальная схема манометрического термометра. Манометрический термометр схема.

Схема термометра. Манометрические термометры принцип действия. Манометрический термометр схема. Конструкция газового манометрического термометра. Манометрический термометр с трубчатой пружиной.

Схема термометра. Цифровой термометр на attiny2313. Термометр на attiny13 и ds18b20 семисегментных индикаторах. Термометр на attiny2313 и ds18b20 плата. Термометр на attiny2313 с термопарой.

Схема термометра. Жидкостные термометры расширения схема. Термометры расширения. Жидкостные стеклянные чертеж. Спиртовой термометр схема прибора. Ртутный термометр схема прибора.

Схема термометра

Схема термометра

Схема термометра. Цифровой термометр на кр572пв2 схема. Кр572пв5 вольтметр. 572пв5 термометр схема. Кр572пв5 вольтметр амперметр.

Схема термометра. Схема электрических измерений датчика температуры. Схема кварцевого преобразователя температуры. Схема термометра с датчиком ТП 100. Цифровой регулятор температуры схема подключения.

Схема термометра

Схема термометра

Схема термометра

Схема термометра

Схема термометра

Схема термометра. Цифровой термометр 572пв2 схема. Icl7107cpl кр572пв2 цифровой амперметр монтажная плата. Микросхема кр572пв5 схема включения. 572пв5 вольтметр амперметр.

Схема термометра

Схема термометра. Схемы простых электронных термометров. Цифровой регулятор мощности на ардуино. Arduino цифровой термометр. Схема терморегулятора МТР 2.

Схема термометра

Схема термометра. Схема устройства манометрического термометра. Манометрический термометр схема. Механический термометр схема. Газовые манометрические термометры схема.

Схема термометра

Схема термометра. Компенсационную измерительную схему. Термометр схема. Компенсационный метод защиты телефона схема.

Схема термометра

Схема термометра

Схема термометра. Схема включения контактного термометра. Манометрический термометр схема подключения. Принципиальная схема манометрического термометра. Газовые манометрические термометры схема.

Схема термометра. Дилатометрический термометр расширения схема. Дилатометрические термометры принцип действия. Биметаллический термометр схема. Дилатометрические термометры схема.

Схема термометра

  • Вперед Стеллаж википедия
  • Назад Обрезать пластиковый подоконник

Новые страницы

Азовское море кучугуры отдых

Диаметр рулевого колеса шевроле нива

Дом за рекой

Допуски антифриза bmw

Гдз по литературе 3 класс учебник климанова виноградская горецкий перспектива

Гдз по математике 5 класс 2 часть номер 298

География ответы на вопросы 6 класс

Консультация автоюриста бесплатно по телефону круглосуточно

Лисица какое склонение

Натяжение ремня генератора ваз 2114

Новый мост через каму

Образец родословной

Очки вару 13 карт картинки

Отечность после тренировки

Пистолет для ошиповки шин с алиэкспресс

Предложения по схемам из художественной литературы

Пролив ольхонские ворота

Речевая карта 1 класс логопедия в школе заполненная

Регулировка грм приора

Россия многонациональная страна картинки для презентации

Шиномонтаж девяткино

Смешанное расстройство личности

Спортивные занятия и тренировки

Sro koh

Титульный лист согласовано утверждаю образец

Тренировочный вариант 2 русский язык егэ 2024

Упр 411 русский язык 8 класс

Wear sport

What do you think phileas fogg and passepartout took with them on their trip

Забор алматы

cdn.zecar.ru