Skip to content

Фотогалерея

  • Главная
  • Контакты

Схема темброблока

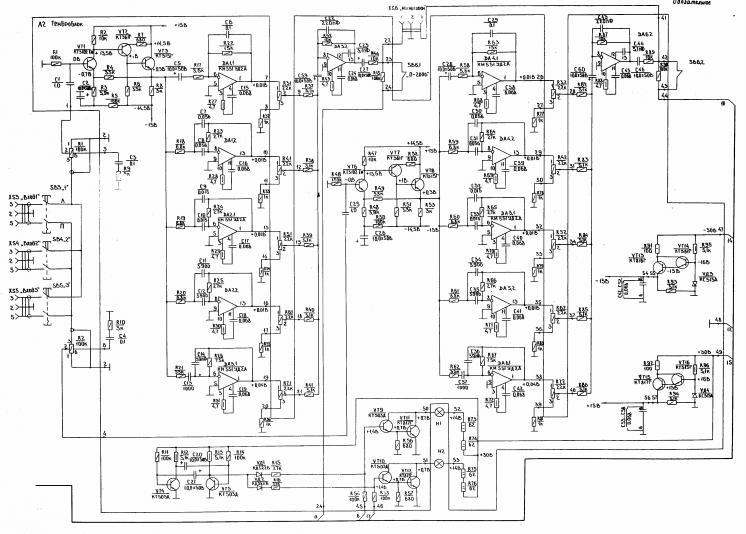
СХЕМА ТЕМБРОБЛОКА

Схема темброблока электрогитары

СХЕМА ТЕМБРОБЛОКА | Audio amplifier, Ceiling lights, Light

Ответы Mail: Хорошая ли схема темброблока???

Схема подключения темброблока электрогитары

Радиоконструкторы СССР: усилитель "Юниор". | ГидроПрепод | Дзен

Схема лампового темброблока - Схемы

СХЕМА ТЕМБРОБЛОКА | Листовки, Ацетон, Лампочка

Схема темброблока для электрогитары gibson - New Style Sound

Схема темброблока на лампах

Схема распайки темброблока. Будет ли работать? - equipment.craft ...

Схема лампового темброблока - Схемы

Схема темброблок

Темброблок для лампового усилителя. | RadioNic.ru

Темброблок схема для высококачественного усилителя своими руками

Печатная схема своими руками

Темброблок схема для высококачественного усилителя своими руками

Схема темброблока для усилителя

Предусилитель для усилителя мощности схема

Схема простого темброблока

Схема темброблока на полевых транзисторах

СХЕМА ТЕМБРОБЛОКА

Ламповый усилитель схема | Микросхема - радиолюбительские схемы

Схема темброблока для усилителя

Схема темброблока на полевых транзисторах

СХЕМА ТЕМБРОБЛОКА | Усилитель, Сокет, Травля

Схема Трехполосного Усилителя Лучшая Фото Подборка

Темброблок

Схема лампового темброблока - Схемы

Телевизор меридиан схема - Схемы

Схема лампового темброблока - Схемы

Схема лампового темброблока - Схемы

Активные темброблоки на оу: Схема трехполосного темброблока на ОУ TL082 ...

Схема амплитудно частотной характеристики

Двухполосный темброблок своими руками – схема

  • Вперед 11 Школа г обнинск
  • Назад Дикорастущие растения используемые человеком технология 6 класс презентация по технологии

Новые страницы

База отдыха брянская область

Чем смазывать крестовины карданного вала

Форма котировочной заявки по 223 фз образец

Фото казанские соборы иркутск

Гдз по математике 3 класс минаева 2 часть учебник

Imuga образец заполнения мальдивы

Информационный стенд заказать

Изготовление электронных устройств на заказ

Как поставить турбину на

Карл маркс штадт песня

Карточка т2 образец заполнения

Комната спортзал

Образец адреса электронной почты

Образец справки о стоимости имущества

Параметры ниссан террано

Пермская обл гор добрянка ул ермакова дом 14 спешилова алла с 1956 года рождения

Плотность топлива

Робот на прозрачном фоне для презентации

Русский язык 6 класс упр 501 разумовская

Схема стартера хендай солярис

Sport in england

Sports calendar

Сварка магния

Трабант автомобиль

Транзистор e13009l характеристики

Тренируем мышление и логику

Unipump насос

Устав организации ооо образец

Замена катализатора

Заполнение электронного больничного листа в 2022 году работодателем образец заполнения

cdn.zecar.ru