Skip to content

Фотогалерея

  • Главная
  • Контакты

Схема стартера тойота

Схема стартера тойота. Втулка стартера Тойота. 28011 Clutch sub-ASSY, Starter. Изолятор стартера Тойота. Устройство стартера Тойота Камри 30.

Схема стартера тойота

Схема стартера тойота

Схема стартера тойота. Схема стартера Тойота Королла. Схема стартера Камри. Тойота Королла дизель схема стартера. Схема стартера стартера Toyota ae100.

Схема стартера тойота. Тойота Королла снятие стартера. Тойота рав 4 схема на стартер. Стартер Тойота Камри 20. Снятие стартера Тойота Королла 150.

Схема стартера тойота. Тойота Региус стартер. Схема стартера Toyota 28100-51071. Kzh106w схема стартера.

Схема стартера тойота. Стартер Тойота 3l дизель схема. Щетки стартера Toyota 3l. Стартер 3l Тойота Хайс. Схема стартера Тойота Хилукс.

Схема стартера тойота. Стартер 1 g Fe Тойота.

Схема стартера тойота. Схема подключения стартера Тойота Креста 100. Схема включения стартера Тойота Веросса. Lh80 Toyota Hiace электро схема. Схема стартера wd10g220e23.

Схема стартера тойота. Стартер Тойота ленд Крузер 100. Стартер ленд Крузер 105. Стартер ленд Крузер 80 дизель. Стартер Тойота ленд Крузер 105 дизель.

Схема стартера тойота. Схема стартера Тойота Королла. Стартер Тойота Королла 120 3zz. Стартер 1zz Fe схема. Стартер Тойота Королла 120 кузов.

Схема стартера тойота. Toyota 28150-16160. 28150-16160 Реле втягивающее. Щётка стартера Тойота Премио nzt240. 28100-70020 Стартер.

Схема стартера тойота. Ремкомплект стартера Тойота. Стартер Тойота тундра 5.7 схема. Стартер Тойота Краун Маджеста. Схема стартера Тойота Хайс 1991 дизель.

Схема стартера тойота

Схема стартера тойота. 28100-70020 Стартер. Схема стартера Тойота Королла. 28100-22030 Щётки стартера. Щётка стартера Тойота Премио nzt240.

Схема стартера тойота. Тойота Королла ае 110 схема стартера. Тойота Королла дизель схема стартера. Размер стартера Toyota Corolla. Схема статера Тойота Королла 150.

Схема стартера тойота. Esp05-200t. Двигателе Briggs Stratton 19l232 -0315-f1. DWT esp01-250. Ремонт двигателя Briggs Stratton 19l232 -0315-f1 от генератора.

Схема стартера тойота. Toyota Corolla 150 схема стартера. 2814270020 Щетки стартера. Стартер на Тойота рав 4 в разборе схема. Toyota Corona 1992 схема до стартера.

Схема стартера тойота. Форд Транзит 2012 электросхема. Форд Транзит 2.2 электросхема 2012. Форд Транзит электросхема 2013. Электрическая схема Ford Transit 1997.

Схема стартера тойота. Стартер Тойота Lite Ace. Стартер Тойота Таун айс. Стартер Toyota Town Ace xaraktiristika. Щетки стартера Toyota Lite Ace.

Схема стартера тойота. Стартер Тойота Королла 100. Стартер на Toyota Corolla 108. Схема стартера Тойота Королла. Номер запчасти стартера Toyota Corolla 120.

Схема стартера тойота. Стартер 4s Fe. Стартер Тойота 4s. Втягивающее стартера 4s Fe. Схема сборки стартера Тойота Камри.

Схема стартера тойота. Схема стартера Тойота 28100 64370. Стартер Тойота Ноах схема. Детали стартера Toyota Harrier.

Схема стартера тойота. Втягивающее реле стартера Королла 150. Схема стартера Тойота Королла. Втягивающее реле стартера Тойота Королла 150. Стартер Тойота тундра 5.7 схема.

Схема стартера тойота

Схема стартера тойота. Corolla ce100 2c стартер. Стартер Тойота Королла 100. Стартер Тойота Королла ае 100 на схеме. Тойота Королла ае 110 схема стартера.

Схема стартера тойота. Двигатель Toyota 1nz-Fe схема. Стартер 1zz Fe схема. Электросхема стартера Toyota Kluger 2000. Схема стартера Тойота Королла 120.

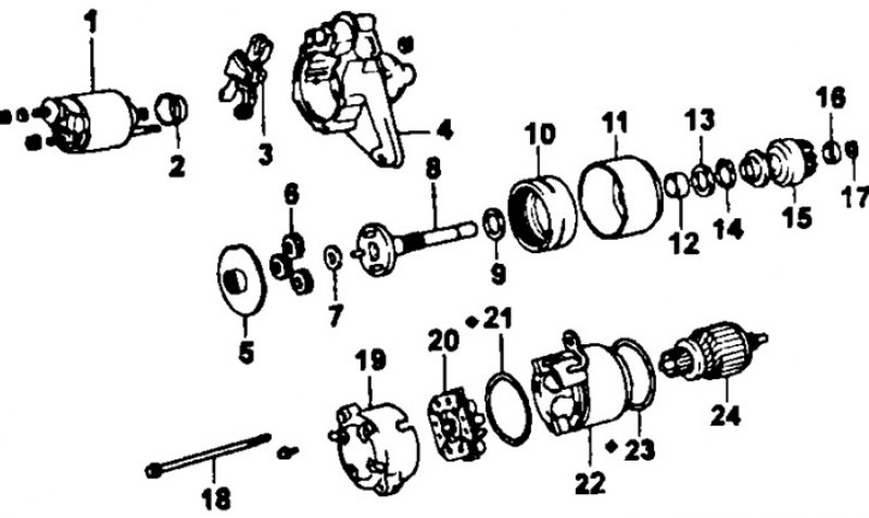
Схема стартера тойота. Схема стартера Тойота Королла е120. Схема стартера Тойота Королла 120. Схема стартера Тойота Королла. Конструкция стартера Тойота.

Схема стартера тойота. Стартер Toyota Camry устройство. Стартер Тойота Камри 1985 года. Схема стартера Камри.

Схема стартера тойота. 28100-0t030. Toyota 28011-0d130 бендикс стартера. Стартер 28100-0d030 Toyota 3zz. Toyota Avensis 1 стартер схема.

Схема стартера тойота. Стартер Тойота Виста. Тойота 40 Camry стартер. Схема сборки стартера Тойота Камри 40. Реле стартера Тойота Виста sv30.

Схема стартера тойота. Стартер Тойота Крузер 90. Стартер ленд Крузер 80 дизель. Схема стартера Прадо 120. Тойота Прадо схема стартера.

Схема стартера тойота. Схема стартера Тойота Хайлюкс. Стартер на Hilux ln1060046590. Схема стартера Тойота Хилукс. Схема стартера 5l Hilux.

Схема стартера тойота. Конструкция стартера Тойота. Toyota Hi Ice детали стартера. Схема стартера Toyota 28100-51071. Toyota Hiace стартер.

Схема стартера тойота. Схема стартера Тойота Королла. Схема стартера Тойота Королла 120. Стартер Тойота Королла 120. Стартер 28100-22030 Denso.

Схема стартера тойота. Запчасти для стартера по номеру стартера 28100 таета. Рав 4 2007 стартер. Втягивающее реле Toyota 28100-22030. 28100-46200 Стартер Toyota.

Схема стартера тойота. Ремкомплект стартера на 2uz Fe Тойота. Тойота 2uz стартер артикул. Стартер Тойота Хайс 2,2.

Схема стартера тойота. Схема сборки стартера 3s Fe. Бендикс стартера Тойота 3sfe. Устройство стартера двигатель 3 s Toyota. Бендикс на стартере Тойота 3s Fe.

Схема стартера тойота. 28100-21020 Стартер. 28160-26070 Стартер. Щётки для стартера 28100-21020. 28011-0d030.

Схема стартера тойота. Тойота Матрикс 2003 схема стартера. Toyota Matrix схема стартера. Схема стартера Тойота Королла. Схема стартера Тойоты Королла 2008 года.

Схема стартера тойота. Сборка стартера Тойота Камри 1995 г. Схема стартера Тойота Камри 30. Детали стартера автомобиля Тойота Камри 30. Схема устройства стартера Тойота Креста.

Схема стартера тойота. Toyota Yaris 2007 схема стартера. Toyota Vitz стартер. Схема стартера Тойота 28100 64370. Toyota Vitz реле стартера.

Схема стартера тойота. Стартер Toyota Camry. Стартер 3s Fe схема. Двигатель к5 Тойота стартер. Схема сборки стартера 3s Fe.

Схема стартера тойота. Редуктор стартера Тойота. Стартер 4а Тойота. Редуктор Тойота Превия 1 схема. Разбор стартера Тойота корона.

Схема стартера тойота. Электрическая схема подключения стартера. Схема реле стартера Toyota. Электрическая схема запуска дизельного двигателя. Электрическая схема пуска двигателя автомобиля.

Схема стартера тойота. Altezza схема стартера. Toyota Altezza схема стартера. Стартер Тойота Авенсис схема. Схема стартера Тойота 28100 64370.

Схема стартера тойота. Стартер на Toyota Mark II схема.

Схема стартера тойота. Схема сборки стартера Тойота Камри 40. Схема стартера Тойота Камри 30. 28160-26070 Стартер. Схема сборки стартера Денсо 28100.

Схема стартера тойота. Реле lc80 Starter. Toyota 28150-38040 реле стартера. Toyota Prado 150 втягивающее реле стартера. Toyota 28140-54380.

Схема стартера тойота. Стартер Тойота Town Ace. Стартер Toyota Town Ace cr50. Стартер Тойота Ноах схема. Реле стартера Ноах sr40.

Схема стартера тойота. Стартер Тойота Королла чертеж. Чертеж стартера Denso Corolla e150. 91612-61065. Устройство стартера Тойота Королла 120.

Схема стартера тойота. Toyota 28150-37050. Toyota 28021-37050. Схема сборки стартера Денсо 28100. Схема стартера Тойота 28100 64370.

Схема стартера тойота. Схема стартера Тойота Королла. Toyota Avensis 1 стартер схема. Toyota Corolla стартер Bosch. Бендикс стартера Тойота Королла 150.

Схема стартера тойота. Стартер Тойота корона 190afe. Схема статера Тойота Королла 150. Схема сборки стартера Тойота Камри.

Схема стартера тойота. 28100-46200 Стартер Toyota. Стартер Toyota 28100-67030. Стартер Allion nzt240. Щетки стартера 28100-21050.

Схема стартера тойота. Схема реле стартера Тойота. Схема реле стартера Toyota. Распиновка топливного насоса реле Тойота. Схема реле топливного насоса Тойота.

Схема стартера тойота

Схема стартера тойота. Камри 40 электросхема стартера. Схема реле стартера Камри 40. Схема стартера Камри. Стартер 1 g Тойота Камри 30 схема.

Схема стартера тойота. Стартер Тойота 28100-64300. Стартер Тойота Королла 121. Схема статера Тойота Королла 150. Реле стартера Филдер 121.

Схема стартера тойота. Стартер Corolla Fielder 120. Тойота Королла дизель схема стартера. Схема стартера Королла 2. Схема стартера Тойота Королла 120.

Схема стартера тойота. Реле сигнала Тойота Королла 2004. Реле сигнала Тойота Ярис 2008. Toyota Verso электрическая схема. Тойота Королла 2004 электросхемы.

Схема стартера тойота. Ремкомплект стартера Тойота 2c. Toyota 28226-55050. Toyota 28159-55050. Ct190-CEPNS.

Схема стартера тойота. Стартер в разборе двигатель 1zz. Стартер 3s Fe схема. Стартер двигателя Тойота 3у. Ремкомплект для стартера двигателя 3s Fe.

Схема стартера тойота. Toyota Hi Ice детали стартера. 28160-26070 Стартер. Стартер на Краун 141. Стартер Тойота тундра 5.7 схема.

Схема стартера тойота. Стартер Тойота Хайс. Стартер Тойота Превия 1 поколение схема. Toyota Hiace снять стартер.

Схема стартера тойота. Схема стартера для Toyota 3sfg. Схема стартера 5vz Fe Тойота. Тойота 754051 схема. 5702712010 Схема Тойота.

Схема стартера тойота

Схема стартера тойота. Запчасти для стартера по номеру стартера 28100 таета. 28100-38070 Бендикс. Схема стартера Toyota Urban Cruiser 2009. Щётки для стартера 28100-21020.

Схема стартера тойота. Toyota Avensis 1 стартер схема. Схема реле стартера Denso Toyota. Схема стартера Тойота Королла. Toyota Corolla 150 схема стартера.

Схема стартера тойота

Схема стартера тойота. Стартер 3s Fe схема. Схема сборки стартера 3s Fe. Разобрал стартер Toyota Carina. Схема разборки стартер Toyota ipsum 2001 года.

Схема стартера тойота. Стартер Тойота Хайс 2,2. Питание стартера Toyota TOYOACE 3l. Toyota TOYOACE 1983. Сборка стартера Тойота Камри 1995 года.

Схема стартера тойота. Toyota Avensis 1 стартер схема. Тойота рав 4 схема на стартер. Стартер Камри 40 2.4 схема. Стартер Тойота Камри 20.

Схема стартера тойота. Схема стартера 5l Hilux. Схема стартера Тойота Виста 95 года 2 литра. Стартер Тойота Ноах схема. Схема стартера td27.

Схема стартера тойота. Схема стартера Toyota 28100-51071. Схема стартера Тойота Виш 2008. Схема подключения стартера Тойота двигатель 3а.

Схема стартера тойота. Стартер Лексус 570. Стартер Лексус rx300 разборка. Стартер Тойота тундра 5.7. Rx350 Lexus стартер схема.

Схема стартера тойота. Реле стартера Тойота Хайс Региус. Схема запчастей на Toyota Hiace 1998г. Схема генератора Хайс Региус. Схема ступицы Хайс Региус.

Схема стартера тойота. Toyota Yaris 2006 схема реле. Toyota Yaris 2008 реле зажигания схема. Toyota Yaris 2007 схема стартера. Схема электрооборудования Тойота Ярис 2008.

Схема стартера тойота. Стартер Тойота Ноах схема. Стартер Тойота Town Ace. Toyota Town Ace 1998 стартер. Схема на Toyota Noah на Стартик.

Схема стартера тойота. Схема стартера Тойота Краун 141. Toyota Hi Ice детали стартера. Тойота Дюна схема стартера. Стартер на Кроун 131.

Схема стартера тойота. Toyota Avensis 1 стартер схема. Схема стартера Тойота Королла. Тойота Королла с схема сборки стартера. Схема разборки стартера на Тойота Авенсис.

Схема стартера тойота. Схема стартера двигателя 3s Тойота. Стартер Тойота Камри 20. Схема стартера Toyota Altezza 3s ge. Схема сборки стартера Тойота Камри 40.

Схема стартера тойота. Схема электрооборудования Toyota Camry 30. Электросхема кондиционер Тойота Королла 120. Схема подключения круиз контроля Тойота Королла 150. Схема круиз контроля Тойота Камри.

Схема стартера тойота. Схема стартера Тойота 120 Прадо. 281000d080 стартер. Toyota 28021-21060. Прадо 150 втягивающая стартера.

Схема стартера тойота. Схема стартера Toyota Urban Cruiser 2009. Тойота стартер 1995. Сборка стартера Тойота Камри 1995 г.

Схема стартера тойота. Реле ленд Крузер 80 1997 стартер. Стартер автомобиля устройство Toyota Camry. Стартер ленд Крузер 80 дизель схема. Стартер ленд Крузер 80 дизель.

Схема стартера тойота. Порядок сборки стартер на Тойота Королла. Схема разборки стартера на Тойота Авенсис. Схема стартера Тойота Королла. Разъем стартера Тойота Королла 1.8 артикул.

Схема стартера тойота. Стартер Камри 30. Подшипник стартера Камри 40. Toyota 28226-28041 бендикс стартера с корпусом. Кольцо стартера acv40.

  • Вперед Саундтрек к фильму крестный отец
  • Назад Плохо заводится пила хускварна

Новые страницы

20 Неделя беременности сколько месяцев

Алгебра 1092 7 класс

At45db642d

Чапаево абакан карта

Чем отличаются одноклеточные от многоклеточных

Физика 7 класс перышкин номер 110

Физика упр 30 7 класс

Гдз по английскому языку 2 класс рабочая тетрадь стр 35

Характеристика николеньки из повести детство

Как разобрать точечный светильник

Картинки чича геншин

Когда менять помпу на логане

Круговорот углерода в природе 9 класс биология

Квартиры в махачкале

Наушники беспроводные sports

Неисправности фиат альбеа

Образец протокола обыска жилища

Образец заполнения заявления в гостехнадзор

Олег глазков

Переборка суппортов своими руками

Пословицы и поговорки о кашах

Прокат авто в минеральных водах без водителя

Распиновка реле накала мерседес б200 дв 640.940

Схема принтера

Схема проводов rj 45 8 цветовая

Схема расположения боинг 737

Шлифовка полов из гранита

Установка камеры в машину

Водная среда обитания схема

Золотые ворота в сан франциско

cdn.zecar.ru