Skip to content

Фотогалерея

  • Главная
  • Контакты

Схема шевроле лачетти 1.6

Схема шевроле лачетти 1.6. Схема проводки Лачетти седан. Электрическая схема Шевроле Лачетти седан 1.4. Шевроле Лачетти схема электрооборудования. Схема проводки Лачетти 1.6.

Схема шевроле лачетти 1.6. Chevrolet Lacetti электросхема. Электросхема Шевроле Лачетти хэтчбек 1.4. Электро центрального схема замка Лачетти. Схема стартера Chevrolet Lacetti.

Схема шевроле лачетти 1.6. Генератор Chevrolet Cruze схема. Схема электрооборудования Шевроле Круз 1.6 механика. Разъём генератора Шевроле Круз. Схема генератора Лачетти 1.6.

Схема шевроле лачетти 1.6. Коробка передач Лачетти 1.6 схема. Схема кулисы КПП Лачетти. Коробка передач Шевроле Лачетти 1.6 схема. Схема коробки передач Шевроле Лачетти 1.6 механика.

Схема шевроле лачетти 1.6. Chevrolet Lacetti электросхема. Схема зажигания Лачетти 1.6. Chevrolet Lacetti электрическая схема. Эл схема Лачетти седан 1.6.

Схема шевроле лачетти 1.6

Схема шевроле лачетти 1.6

Схема шевроле лачетти 1.6. Эл схема Лачетти седан 1.6. Электросхемы Шевроле кобальт 2013. ,Схема блока управления Электрооборудованием Лачетти. Схема подключения генератора Шевроле Лачетти.

Схема шевроле лачетти 1.6. Схема электропроводки Лачетти 1 и 4. Chevrolet Lacetti 2008 схема электропроводки. Схема проводки Лачетти 1.6. Схема проводки Шевроле Лачетти 1.6 универсал.

Схема шевроле лачетти 1.6. Схема заряда АКБ lanos. Схема зарядки Chevrolet Cruze. Шевроле кобальт электрическая схема. Система зарядки аккумулятора Шевроле Круз.

Схема шевроле лачетти 1.6. Электросхема стеклоподъемников Chevrolet Lacetti. Схема системы зажигания Лачетти 1.6. Схема ЭБУ Сириус д42 Лачетти. Схема стеклоподъемников Шевроле Ланос 2008 года.

Схема шевроле лачетти 1.6. Подушки двигателя Шевроле Лачетти схема 1.6. Схема подушек двигателя Шевроле Лачетти хэтчбек. Подушки двигателя Лачетти 1.6 схема. Схема двигателя Шевроле Лачетти 1.4 хэтчбек.

Схема шевроле лачетти 1.6. Схема датчика скорости Шевроле Лачетти. Chevrolet Lacetti 2008 схема электропроводки. Шевроле Лачетти схема электрооборудования. Шевроле Лачетти седан схема электропроводки.

Схема шевроле лачетти 1.6. Шевроле Авео т250 схема центрального замка. Схема подключения стеклоподъемников Лачетти. Электрическая схема стеклоподъемника Лачетти. Авео схема центрального замка.

Схема шевроле лачетти 1.6. Схема системы кондиционера Шевроле Лачетти. Схема системы кондиционирования Chevrolet Lacetti. Эл схема включения кондиционера Лачетти. Электрическая схема включения кондиционера на Нива Шевроле.

Схема шевроле лачетти 1.6. Схема проводки Chevrolet Lacetti хэтчбек. Схема электрооборудования Шевроле Лачетти 1.4 хэтчбек. Chevrolet Lacetti 2008 схема электропроводки. Электрические схемы Лачетти универсал 1.6.

Схема шевроле лачетти 1.6

Схема шевроле лачетти 1.6

Схема шевроле лачетти 1.6. Chevrolet Cruz схема электрооборудования кондиционера. Схема электрооборудования Шевроле Круз 1.6 механика. Электросхема Шевроле Круз 1.6 2014. Электрическая схема Шевроле Круз.

Схема шевроле лачетти 1.6. Chevrolet Lacetti электрическая схема кондиционера. Схема системы кондиционера Шевроле Лачетти. Шевроле Лачетти система кондиционирования схема. Схема кондиционера Шевроле Лачетти 1.6.

Схема шевроле лачетти 1.6. Электрическая схема Шевроле Лачетти седан 1.6. Эл схема Лачетти седан 1.6. Электрическая схема Шевроле Лачетти универсал 1.6 механика. Схема электрооборудования Лачетти хэтчбек.

Схема шевроле лачетти 1.6. Chevrolet Lacetti 2007 схема электрооборудования. Chevrolet Lacetti электросхема. Chevrolet Lacetti 2008 схема электропроводки. Электрическая схема Лачетти 1.6.

Схема шевроле лачетти 1.6. Тормозная система Chevrolet Lacetti 2008 год схема. Схема тормозной системы Chevrolet Lacetti седан. ABS тормозной система ЛАСЕТТИ. Проводка тормозной системы Лачетти.

Схема шевроле лачетти 1.6. Chevrolet Lacetti 2008 схема электропроводки. Chevrolet Lacetti электросхема. Схема электрики Лачетти. Электропроводка Шевроле Лачетти 1.6.

Схема шевроле лачетти 1.6. Блок управления печкой с кондиционером Лачетти схема. Схема включения печки Лачетти. Электрическая схема Лачетти с201. Chevrolet Cobalt схема электрооборудования кондиционера.

Схема шевроле лачетти 1.6. Датчик скорости Лачетти схема. Lacetti Генератор схема. Схема зажигания Лачетти 1.6. Шевроле Лачетти схема электрооборудования.

Схема шевроле лачетти 1.6

Схема шевроле лачетти 1.6. Схема электрооборудования Шевроле Лачетти 2008 года. Схема проводки Chevrolet Lacetti хэтчбек. Эл схема Лачетти седан 1.6. Chevrolet Lacetti 2007 схема электрооборудования.

Схема шевроле лачетти 1.6. Электрическая схема Шевроле Лачетти седан 1.4. Схема подключения генератора Шевроле Лачетти. Схема аудиосистемы Шевроле Лачетти 2005. Схема проводки Chevrolet Lacetti хэтчбек.

Схема шевроле лачетти 1.6. Схема зажигания Лачетти 1.6. Схема проводки Лачетти 1.6. Схема ЭБУ Лачетти 1.6. Chevrolet Lacetti схема иммобилайзера.

Схема шевроле лачетти 1.6. Chevrolet Lacetti электросхема. Электрическая схема Шевроле Лачетти седан 1.4. Схема электропроводки Лачетти 1 и 4. Chevrolet Lacetti схема электрооборудования.

Схема шевроле лачетти 1.6. Схема зажигания Лачетти 1.6. Схема зажигания Лачетти 1.4. Схема зажигания Шевроле Лачетти 1.6. Схема ЭБУ Лачетти 1.8.

Схема шевроле лачетти 1.6. Схема подушек двигателя Лачетти. Подушки двигателя Лачетти 1.6 схема. Подушки двигателя Шевроле Лачетти схема 1.6. Защита Шевроле Lacetti хэтчбек схема.

Схема шевроле лачетти 1.6. Схема системы кондиционера Шевроле Лачетти. Система кондиционирования Шевроле Лачетти 1.6. Схема системы кондиционирования Chevrolet Lacetti. Система кондиционирования Шевроле Лачетти 1.6 универсал.

Схема шевроле лачетти 1.6. Схема замка зажигания Лачетти 1.4. Схема электропитания Chevrolet Lacetti. Схема замка зажигания Лачетти. Схема электрооборудования Джентра.

Схема шевроле лачетти 1.6. Схема коробки передач Лачетти 1.6. Схема коробки передач Шевроле Лачетти. Коробка передач Шевроле Лачетти 1.6 механика схема. Коробка передач Шевроле Лачетти 1.6 схема.

Схема шевроле лачетти 1.6. Система кондиционирования Лачетти схема. Схема системы кондиционера Шевроле Лачетти. Патрубки системы охлаждения Lacetti 1.4 схема. Лачетти седан 1.4 система охлаждения.

Схема шевроле лачетти 1.6

Схема шевроле лачетти 1.6. Электрическая схема Шевроле Лачетти седан 1.6. Схема электрооборудования Лачетти универсал 1.4. Chevrolet Lacetti 2008 схема электропроводки. Электрическая схема Шевроле Лачетти седан 1.4.

Схема шевроле лачетти 1.6

Схема шевроле лачетти 1.6. Схема концевиков Лачетти. Эл схема Лачетти седан 1.6. Схема освещения багажника Chevrolet Lacetti. Шевроле Лачетти схема электрооборудования.

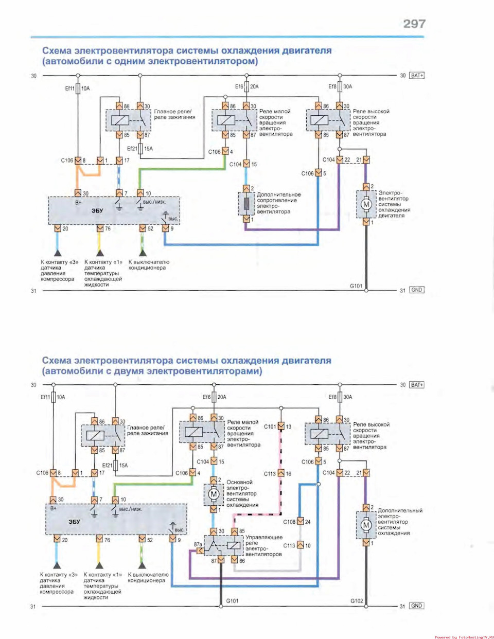
Схема шевроле лачетти 1.6. Схема вентилятора охлаждения Chevrolet Cruze. Схема управления вентилятором охлаждения двигателя с4. Chevrolet Cruze система управления электродвигателем вентилятора. Chevrolet Aveo схема включения вентилятора охлаждения.

Схема шевроле лачетти 1.6. Шевроле схема указателя уровня топлива. Эл схема Лачетти седан 1.6. Электрическая схема Лачетти 2004г. Шевроле Rezzo схема электрооборудования.

Схема шевроле лачетти 1.6. Схема электропроводки Лачетти хэтчбек 1.4. Схема электрооборудования Шевроле Лачетти 2008 года. Chevrolet Lacetti 2007 схема электрооборудования. Электрическая схема Шевроле Лачетти.

Схема шевроле лачетти 1.6. Электропроводка Шевроле Лачетти 1.6. Chevrolet Lacetti электросхема. Схема проводки Шевроле кобальт 2013. Лачетти 1.4 хэтчбек электросхема.

Схема шевроле лачетти 1.6. Схема электрооборудования Лачетти хэтчбек. Chevrolet Lacetti 2008 схема электропроводки. Схема зажигания Лачетти 1.6. Схема проводки Шевроле Лачетти седан.

Схема шевроле лачетти 1.6. Схема аудиосистемы Шевроле Лачетти 2005. Эл схема Лачетти седан 1.6. Схема генератора Chevrolet Lacetti. Схема зажигания Лачетти 1.4.

Схема шевроле лачетти 1.6. Эл схема Лачетти седан 1.6. Схема электропитания Chevrolet Lacetti. Схема центрального замка Шевроле Лачетти хэтчбек 2008. Схема проводки Лачетти седан 1.6.

Схема шевроле лачетти 1.6. Chevrolet Lacetti 2008 схема электропроводки. Лачетти схема габаритных огней. Лачетти схема электрооборудования реле ближнего света. Шевроле Лачетти универсал схема электропроводки света.

Схема шевроле лачетти 1.6. Chevrolet Aveo t200 схема управления двигателем. Шевроле Авео т250 1.2 Эл схема управления двигателем. Схема системы управления двигателем a15sms Nexia. ЗАЗ Сенс 1.5 схема электрооборудования Mr 140.

Схема шевроле лачетти 1.6. Схема предохранителей Chevrolet Lacetti 1.6. Схема предохранителей Лачетти хэтчбек 1.6. Блок предохранителей Шевроле Лачетти 1.6 универсал. Блок предохранителей Шевроле Лачетти 1.4.

Схема шевроле лачетти 1.6. Схема системы кондиционера Шевроле Лачетти. Датчик скорости Chevrolet Lacetti на схеме. Chevrolet Lacetti 2007 схема электрооборудования. Схема электропроводки Лачетти.

Схема шевроле лачетти 1.6. Схема центрального замка Дэу Лачетти. Схема центрального замка Лачетти хэтчбек. Электросхема центрального замка Шевроле Лачетти. Схема центрального замка на Шевроле Лачетти седан.

Схема шевроле лачетти 1.6. Лачетти иммобилайзер схема. Схема иммобилайзера Лачетти 1.6. Схема подключения иммобилайзера Лачетти. Chevrolet Lacetti схема иммобилайзера.

Схема шевроле лачетти 1.6. Шевроле Лачетти схема электрооборудования. Chevrolet Lacetti схема. Электросхемы Chevrolet Lacetti. Лачетти электросхема предохранители.

Схема шевроле лачетти 1.6. Эл схема Лачетти седан 1.6. Схема проводки Chevrolet Lacetti хэтчбек. Шевроле Лачетти схема электрооборудования. Электрическая схема Шевроле Лачетти седан 1.4.

Схема шевроле лачетти 1.6. Датчик скорости Лачетти схема. Датчик скорости Chevrolet Lacetti на схеме. Схема датчика скорости Шевроле Лачетти. Схема электропроводки Шевроле Лачетти 1.6 16 клапанная.

Схема шевроле лачетти 1.6. Двигатель Лачетти 1.6 схема. Приводной ремень f16d3 схема. Схема ремня генератора Лачетти 1.6. Устройство двигателя Шевроле Лачетти 1.6.

Схема шевроле лачетти 1.6. Схема подсветки панели приборов Шевроле Лачетти 1.6. Блок контрольных ламп Шевроле Нива схема. Датчик температуры Лачетти схема. Схема датчика уровня топлива Chevrolet Lacetti.

Схема шевроле лачетти 1.6. Схема электрооборудования Лачетти хэтчбек. Электрическая схема Лачетти универсал 1.6 механика. Электрическая схема Шевроле Лачетти седан 1.4. Схема проводки Шевроле Лачетти 1.6 седан 2005.

Схема шевроле лачетти 1.6. Электрическая схема приборной панели Лачетти. Схема электрооборудования Шевроле Лачетти 1.4 хэтчбек. Эл схема Лачетти седан 1.6. Схема датчиков Лачетти 1.6.

Схема шевроле лачетти 1.6. Электрическая схема Шевроле Лачетти седан 1.6. Эл схема Лачетти седан 1.6. Электрическая схема Шевроле Лачетти универсал 1.6 механика. Схема проводки Лачетти седан 1.6.

Схема шевроле лачетти 1.6. Эл схема Лачетти седан 1.6. Схема проводки Лачетти седан 1.6. Схема габаритов Шевроле Лачетти. Daewoo Gentra схема электропроводки.

Схема шевроле лачетти 1.6

Схема шевроле лачетти 1.6. Схема проводки Chevrolet Lacetti хэтчбек. Эл схема Лачетти седан 1.6. Chevrolet Lacetti 2008 схема электропроводки. Схема электрооборудования Лачетти универсал 1.4.

Схема шевроле лачетти 1.6. Chevrolet Lacetti электросхема. Схема подключения фар на Лачетти хэтчбек. Схема фар на Lacetti. Схема электрооборудования Шевроле Лачетти 1.6 хэтчбек.

Схема шевроле лачетти 1.6. Схема аудиосистемы Шевроле Лачетти 2005. Схема электрооборудования Лачетти хэтчбек. Лачетти схема габаритных огней. Электросхема фар Лачетти.

Схема шевроле лачетти 1.6. Лачетти схема габаритов. Схема дальнего света Лачетти 2007. Схема освещения Шевроле Lacetti. Схема ближнего света Шевроле Лачетти хэтчбек.

Схема шевроле лачетти 1.6. Chevrolet Lacetti 2007 схема электрооборудования. Схема проводки Chevrolet Lacetti хэтчбек. Электрическая схема Шевроле Лачетти седан 1.4. Электрическая схема Шевроле Лачетти седан 1.6.

Схема шевроле лачетти 1.6. Электросхемы Шевроле кобальт 2013. Шевроле Лачетти схема электрооборудования. Схема электропитания Chevrolet Lacetti. Chevrolet Lacetti 2007 схема электрооборудования.

Схема шевроле лачетти 1.6. Двигатель Chevrolet Lacetti 1.6. Двигатель Шевроле Лачетти 1.4. Двигатель Лачетти 1.6 2008. Датчики на двигателе Лачетти 1.6.

Схема шевроле лачетти 1.6. Электрическая схема стеклоподъемника Лачетти. Электросхема стеклоподъемников Chevrolet Lacetti. Электросхема стеклоподъемника Лачетти. Chevrolet Lacetti 2007 схема электрооборудования.

Схема шевроле лачетти 1.6. ДВС Лачетти 1.6 схема. Схема двигателя Chevrolet Lacetti 1.6. Схема двигатель 1.2 Chevrolet Aveo. Двигатель Лачетти 1.8 схема.

Схема шевроле лачетти 1.6. Электросхема стеклоподъемников Шевроле Лачетти. Тормозная система Лачетти седан схема. Схема подушек безопасности Авео т200. Chevrolet Lacetti электросхема.

Схема шевроле лачетти 1.6

Схема шевроле лачетти 1.6. Головка блока схема цилиндров Лачетти 1.6. Двигатель Лачетти 1.8 схема. Схема двигателя Лачетти 1.4. Схема двигателя Шевроле Лачетти 1.6.

Схема шевроле лачетти 1.6

Схема шевроле лачетти 1.6. Схема включения кондиционера Шевроле Лачетти. Схема подключения кондиционера Лачетти. Схема кондиционера Лачетти 2008. Схема кондиционера Шевроле Эпика.

Схема шевроле лачетти 1.6. Схема проводки Chevrolet Lacetti хэтчбек. Эл схема Лачетти седан 1.6. Шевроле Lacetti 1.6 электросхема ЭБУ. Шевроле кобальт 2013 электросхема старт.

Схема шевроле лачетти 1.6. Масляная система Шевроле Эпика 2007. Обратный клапан масляного канала ГБЦ Шевроле Эпика. Блок цилиндров Шевроле Эпика 2.5. Двигатель Шевроле Эпика 2.0 клапана.

Схема шевроле лачетти 1.6. Шевроле кобальт электрическая схема. Схема электрооборудования Шевроле Лачетти 1.6 универсал. Эл схема Лачетти седан 1.6. Шевроле Лачетти универсал электрическая схема.

Схема шевроле лачетти 1.6. Схема проводки Chevrolet Lacetti хэтчбек. Эл схема Лачетти седан 1.6. Схема электрики Лачетти хэтчбек. Схема электропроводки Лачетти 1 и 4.

Схема шевроле лачетти 1.6. Эл схема Лачетти седан 1.6. Схема электрическая света Шевроле Лачетти. Chevrolet Lacetti электросхема. Схема габаритов Лачетти седан 2008.

  • Вперед Наскальные рисунки rdr 2 квест
  • Назад Обои в севастополе

Новые страницы

2012 Год спорта

Диффамации

Экспресс печать

Гдз по математике стр 71 номер 4

Гиматий одежда древней греции

Гражданство рф приобретается и прекращается

Харлей спортстер 883

Как успокоить соседей сверху от топота копыт

Карта мира регионы мира

Манипуляционный лист медицинской сестры образец заполнения

Машинка на ардуино скетч и схема

Мэрия департамент спорта

На рисунке слева изображена схема дорог н ского района в таблице звездочкой обозначено наличие

Насосы вилла

Номер телефона шлагбаума по адресу как узнать

Огэ тренировочные устный русский

Онлайн расчет мощности по току

Париж в 1900 году

Питание автохолодильника от солнечных

Предохранители маз 5336 схема

Прикольные картинки на аву в телеграм

Разболтовка дисков митсубиси асх

Ремонт машинок для стрижки собак

Схема проводки уаз хантер

Ситроен берлинго распиновка блока предохранителей

Сочинение о дружбе

Типовой контракт на оказание услуг по 44 фз образец 2022 год

Вычитания в столбик

Выездная автопомощь

Замена жидкости в гидроусилителе руля

cdn.zecar.ru