Skip to content

Фотогалерея

  • Главная
  • Контакты

Схема раздатки уаз патриот

Схема раздатки уаз патриот. Схема раздаточной коробки ГАЗ 469. Схема раздаточной коробки УАЗ 452. Раздаточной коробки УАЗ 3303. РК УАЗ 469 схема.

Схема раздатки уаз патриот. РК УАЗ 469 схема сборки. Раздатка УАЗ Патриот схема. Раздатка УАЗ 469 схема. Раздаточная КПП УАЗ 452 схема.

Схема раздатки уаз патриот. Флянецраздаточной коробки УАЗ 452. Раздаточная коробка УАЗ 3163 чертеж. Раздаточная коробка УАЗ 469 схема. Коробка раздаточная УАЗ Хантер 2013 схема.

Схема раздатки уаз патриот. УАЗ 390945 раздаточная коробка. Сборка раздатки УАЗ 469. Схема сборки раздатки УАЗ 469. Коробка раздаточная УАЗ Хантер 2013 схема.

Схема раздатки уаз патриот. Ремкомплект подшипников раздатки УАЗ. Подшипник раздатки УАЗ 469. Подшипники раздатки УАЗ 3151. Комплект подшипников раздатки УАЗ Патриот.

Схема раздатки уаз патриот. КПП С раздаткой УАЗ 3151 схема. Тяги раздатки УАЗ 452 схема. Схема раздатки УАЗ 3151. Раздаточная коробка Даймос УАЗ схема.

Схема раздатки уаз патриот. Привод раздаточная коробка УАЗ. Шестерня привода спидометра УАЗ Буханка. Привод спидометра раздатки Газель. Привод спидометра РК УАЗ 469.

Схема раздатки уаз патриот. Раздаточная коробка Даймос УАЗ схема. Раздаточная коробка УАЗ Патриот Dymos схема. Раздатка УАЗ 3163 схема.

Схема раздатки уаз патриот. Чертежи раздаточной коробки УАЗ 469. Чертеж раздаточной коробки УАЗ Патриот. Раздаточная КПП УАЗ 452 схема. Раздаточная коробка УАЗ 3163 чертеж.

Схема раздатки уаз патриот. Раздаточная коробка УАЗ 452 схема. Корпус раздатки УАЗ 3303. Раздаточная коробка УАЗ 469 схема. Схема сборки раздатки УАЗ 452.

Схема раздатки уаз патриот. Раздатка УАЗ 469 схема включения. Механизм переключения раздатки УАЗ. Механизм переключения КПП УАЗ 469. Схема рычагов раздатки УАЗ 452.

Схема раздатки уаз патриот. Раздаточная коробка УАЗ Хантер. Раздаточная коробка УАЗ 3163 чертеж. Раздаточная КПП УАЗ 452 схема. УАЗ 390945 раздаточная коробка.

Схема раздатки уаз патриот. Подшипник раздатки УАЗ 469 схема. Раздаточная КПП УАЗ 452 схема. Схема сборки раздатки УАЗ 452. Подшипник раздатки УАЗ Патриот.

Схема раздатки уаз патриот. Раздаточная коробка УАЗ 3163 чертеж. Раздаточная коробка УАЗ 3151 чертеж. Конструкция раздаточной коробки УАЗ 469. Чертеж КПП УАЗ 469.

Схема раздатки уаз патриот. КПП раздатка УАЗ 452. Раздаточная коробка УАЗ 469 схема. Подшипник раздатки УАЗ 469 схема. КПП И раздатка УАЗ 469.

Схема раздатки уаз патриот. Каталог деталей раздаточной коробки УАЗ 452. Подшипник переднего хвостовика раздатки УАЗ Патриот 2007. РК УАЗ 469 схема сборки. Вал раздаточной коробки УАЗ 3163.

Схема раздатки уаз патриот. Устройство коробки передач УАЗ Патриот. Коробка передач УАЗ Патриот схема. Раздаточная коробка Даймос УАЗ схема. Коробка передач УАЗ Хантер 5 ступенчатая устройство схема.

Схема раздатки уаз патриот. Раздаточная коробка УАЗ 469 Размеры. Коробка УАЗ 469 чертеж. Чертеж раздатки УАЗ 469. Раздаточная коробка УАЗ 469 схема.

Схема раздатки уаз патриот. Схема раздатки ГАЗ 69. Раздатка ГАЗ 69 чертеж. Раздаточная коробка ГАЗ 69 схема. Чертеж раздаточной коробки ГАЗ 69.

Схема раздатки уаз патриот. Раздаточная КПП УАЗ 452 схема. Раздаточная коробка УАЗ 3160. Каталог деталей раздаточной коробки УАЗ 452. Раздаточная коробка УАЗ 3160 схема.

Схема раздатки уаз патриот. Чертеж раздатки УАЗ Патриот. Раздаточная коробка УАЗ 3160. Раздаточная коробка УАЗ 3160 схема. Чертежи раздаточной коробки УАЗ 469.

Схема раздатки уаз патриот. РК УАЗ 469. Раздаточная коробка УАЗ Хантер. Раздаточная коробка УАЗ 469 схема. Вал раздатки УАЗ 469.

Схема раздатки уаз патриот. УАЗ Патриот каталог запчастей раздатки. Схема сборки раздатки на УАЗ Патриот 2006 года. 3163-3403018 Чертеж.

Схема раздатки уаз патриот. Раздаточная коробка Даймос УАЗ Патриот схема. Схема раздатки УАЗ Патриот Даймос. Раздаточная коробка УАЗ Патриот Dymos схема. Схема раздаточной коробки Даймос УАЗ.

Схема раздатки уаз патриот. Схема устройства раздаточной коробки Dymos. Схема раздатки УАЗ Даймос. Схема коробки Даймос УАЗ. Схема управления раздатки УАЗ Патриот.

Схема раздатки уаз патриот. УАЗ 469 коробка КПП схема. Раздаточная коробка УАЗ 3160. Раздаточная коробка УАЗ 3160 схема. УАЗ-3160 Патриот раздаточная коробка.

Схема раздатки уаз патриот. Раздаточная коробка УАЗ 452 схема. Раздатка УАЗ 469 схема. УАЗ 390945 раздаточная коробка. Механизм раздатки УАЗ 469.

Схема раздатки уаз патриот. УАЗ 3151 коробка передач схема. Механизм переключения передач УАЗ 3160. Механизм переключения КПП УАЗ 3163. Механизм переключения раздатки УАЗ 452.

Схема раздатки уаз патриот. Каталог деталей раздаточной коробки УАЗ 452. Каталог запасных частей раздаточной коробки УАЗ. Каталог раздаточной коробки УАЗ 469. УАЗ 2206 раздаточная коробка.

Схема раздатки уаз патриот. Раздаточная коробка УАЗ 469 схема. УАЗ 2206 раздаточная коробка схема. РК УАЗ 469 схема сборки. Раздаточная коробка УАЗ 31512.

Схема раздатки уаз патриот. Раздаточная коробка УАЗ 452 схема. Переключения передач раздаточной коробки УАЗ 469 схема. УАЗ 469 раздаточная коробка передач схема переключения. Схема включения раздатки УАЗ 469.

Схема раздатки уаз патриот. Раздаточная коробка Dymos УАЗ Патриот чертеж. Шестерни раздаточной коробки УАЗ 469 чертеж. Раздаточная коробка УАЗ 469 схема. Раздаточная коробка УАЗ 452 спецификация.

Схема раздатки уаз патриот. УАЗ 469 коробка передач чертеж. УАЗ 469 раздаточная коробка чертеж. Раздаточная коробка Dymos УАЗ Патриот чертеж. Раздаточная коробка УАЗ 3160.

Схема раздатки уаз патриот. Вал раздатки УАЗ 469. Раздаточная КПП УАЗ 452 схема. Раздатка УАЗ 3151 схема. Устройство раздаточной коробки УАЗ Патриот.

Схема раздатки уаз патриот. Схема раздаточной коробки ГАЗ 469. Коробка раздаточная УАЗ 452 косозубая. Раздатка УАЗ 452 косозубая схема. Коробка раздаточная УАЗ 452 прямозубая схема.

Схема раздатки уаз патриот. Заливная пробка раздатка КАМАЗ 4310. Раздатка Урал 4320 заливная пробка. Заливная пробка на раздатке Урал 4320. Контрольная пробка уровня масла на раздатке Урал 4320.

Схема раздатки уаз патриот

Схема раздатки уаз патриот. Раздаточная коробка УАЗ 3163 чертеж. Чертежи раздаточной коробки УАЗ 469. Чертеж раздаточной коробки 3163. УАЗ 469 раздаточная коробка чертеж.

Схема раздатки уаз патриот. Раздаточная коробка УАЗ 469 схема. Раздатка УАЗ 452 Буханка. Подшипник раздатки УАЗ 469 схема. Раздатка УАЗ 452 схема.

Схема раздатки уаз патриот. Раздаточная коробка УАЗ 469 схема. РК УАЗ 469 схема сборки. Подшипник раздатки УАЗ 469 схема. Схема КПП И раздатки УАЗ 469.

Схема раздатки уаз патриот. КПП УАЗ 469 схема включения переднего моста. Коробка передач УАЗ Патриот схема. УАЗ Патриот схема МКПП-5. Схема коробки передач УАЗ Патриот полный привод 2010 года.

Схема раздатки уаз патриот. Номера подшипников раздатки УАЗ Хантер. Подшипник раздатки УАЗ 469 схема. Номера подшипников РК УАЗ 469. Схема сборки раздатки УАЗ 469.

Схема раздатки уаз патриот. Вал раздаточной коробки УАЗ 3163. Вал раздаточной коробки УАЗ Патриот. Вал первичный раздатки УАЗ Патриот. Вал привода переднего моста УАЗ Патриот.

Схема раздатки уаз патриот. Раздаточная коробка УАЗ 452 схема. Раздаточная коробка УАЗ 469 схема. Раздаточная КПП УАЗ 452 схема. Схема КПП И раздатки УАЗ 469.

Схема раздатки уаз патриот. Раздаточная коробка УАЗ 31512. Крышка картера раздатки УАЗ 469. Подшипник раздатки УАЗ 469 схема. Ремкомплект подшипников раздатки УАЗ 3909.

Схема раздатки уаз патриот. Раздаточная коробка УАЗ 469 схема. Раздаточная КПП УАЗ 452 схема. Схема раздатки УАЗ Hunter. Схема крепления КПП УАЗ 3151.

Схема раздатки уаз патриот. Сборка РК УАЗ 469. Вал раздатки УАЗ 469. УАЗ 469 раздатка подшипник привода заднего моста. Крышка картера раздатки УАЗ 469.

Схема раздатки уаз патриот. Раздаточная коробка автомобиля ГАЗ-66 чертеж. Раздаточная коробка ГАЗ 3308 схема. Раздаточная коробка автомобиля ГАЗ-66 схема. Схема раздаточной коробки ГАЗ 3308.

Схема раздатки уаз патриот. Раздатка УАЗ 469 схема включения. Раздатка УАЗ 469 схема. Схема сборки раздатки УАЗ 469. Раздаточная коробка УАЗ 3151 схема.

Схема раздатки уаз патриот. Подшипники раздатки Dymos УАЗ Патриот. Раздатка УАЗ Патриот чертеж. Коробка раздаточная УАЗ-3163 Патриот Dymos схема. Сальник между коробкой и раздаткой УАЗ Патриот Dymos.

Схема раздатки уаз патриот. Раздаточная коробка УАЗ 31512. Раздаточная коробка УАЗ 452. Картер раздатки УАЗ 469 артикул. Подшипник раздатки УАЗ 469 схема.

Схема раздатки уаз патриот. Раздаточная коробка УАЗ 31512. Раздаточная коробка УАЗ 452 Буханка схема. Раздаточная коробка автомобиля УАЗ-469. Коробка и раздатка УАЗ 469.

Схема раздатки уаз патриот. Шестерни раздаточной коробки УАЗ 469 чертеж. Раздаточная коробка УАЗ 469 схема. Раздаточная коробка УАЗ 3163 чертеж. Чертеж картера раздаточной коробки УАЗ 469.

Схема раздатки уаз патриот. Схема раздаточной коробки УАЗ Патриот Даймос. Раздаточная коробка УАЗ Патриот Dymos. РК Даймос УАЗ Патриот схема. Схема раздатка Dymos УАЗ.

Схема раздатки уаз патриот. Подшипник раздатки УАЗ 469 схема. Механизм раздатки УАЗ 469. Вал раздатки УАЗ 469. УАЗ 390945 раздаточная коробка.

Схема раздатки уаз патриот. Раздаточная коробка УАЗ Патриот схема. УАЗ Патриот 2014 раздаточная коробка. Схема раздатки УАЗ 469 прямозубая. Раздаточная КПП УАЗ 452 схема.

Схема раздатки уаз патриот. КПП С раздаткой Даймос УАЗ Буханка с 409 двигателем. Раздаточная коробка УАЗ Патриот схема. Коробка Даймос раздаточная коробка УАЗ 469. Коробка передач УАЗ 3163 чертеж.

Схема раздатки уаз патриот

Схема раздатки уаз патриот. Раздаточная коробка ГАЗ 66 чертеж. Раздаточная коробка УАЗ Хантер. Схема раздаточной коробки т150к. Раздатка УАЗ Патриот чертеж.

Схема раздатки уаз патриот. Раздаточная коробка на УАЗ Патриот 2011. Раздаточная коробка УАЗ 469 схема. РК УАЗ 469 схема. Раздатка УАЗ Патриот 5 ступенчатая.

Схема раздатки уаз патриот. Коробка передач Даймос УАЗ Хантер схема. Схема крепления коробки Даймос. Патриот сцепление 409 с КПП Даймос схема. Раздаточная коробка УАЗ Патриот Dymos каталог запчастей.

Схема раздатки уаз патриот. Раздаточная коробка УАЗ Хантер. Коробка и раздатка УАЗ 469. Конструкция раздатки УАЗ Патриот.

Схема раздатки уаз патриот. Схема коробки передач Dymos УАЗ Патриот. Схема раздаточной коробки УАЗ Патриот Даймос. Раздатка Dymos УАЗ Патриот схема. Корпус раздатки УАЗ Патриот.

Схема раздатки уаз патриот. Раздаточная коробка УАЗ 469 схема. Схема раздаточной коробки ГАЗ 469. Схема раздаточной коробки УАЗ 469. УАЗ 469 раздаточная коробка чертеж.

Схема раздатки уаз патриот. Шестерня промежуточная раздатки УАЗ Патриот. Сборка раздатки УАЗ. Механизм раздатки УАЗ 469. Шестерни раздаточной коробки УАЗ 469.

Схема раздатки уаз патриот. Передний фланец раздатки УАЗ 469. Привод раздаточной коробки УАЗ Буханка. Привод раздатки УАЗ Патриот 2014 года артикул. Раздатка УАЗ Патриот механическая.

Схема раздатки уаз патриот. Запчасти для УАЗ Патриот 3163 каталог. Картер раздатки УАЗ Патриот 3163. Каталог запчастей на УАЗ Патриот 3163 2021 года. Каталог запасных частей УАЗ 3163.

Схема раздатки уаз патриот. Раздаточная коробка передач УАЗ-469 схема. Раздаточная коробка УАЗ 469 схема. Коробка раздаточная УАЗ 452 косозубая. Раздаточная КПП УАЗ 452 схема.

Схема раздатки уаз патриот. Раздаточная КПП УАЗ 452 чертеж. Схема фланец раздаточной коробки УАЗ 469. Каталог раздатки УАЗ. Схема сборки раздаточной коробки УАЗ.

Схема раздатки уаз патриот. Механизм раздатки УАЗ 469. Раздаточная коробка УАЗ 469 схема переключения. Схема сборки раздатки УАЗ 469. Подшипник раздатки УАЗ 469 схема.

Схема раздатки уаз патриот. УАЗ 390945 раздаточная коробка. Схема сборки раздатки УАЗ 452. Раздаточная коробка УАЗ 315195. Раздатка УАЗ 31519.

Схема раздатки уаз патриот. Каталог раздаточной коробки УАЗ 469. Каталог раздатки УАЗ 3151. Раздатка УАЗ 469 схема. Раздаточная коробка УАЗ 31512.

Схема раздатки уаз патриот. Шестерни раздаточной коробки УАЗ 469 чертеж. Раздаточная коробка УАЗ 469 схема. Раздаточная коробка передач УАЗ 452. Схема раздаточной коробки УАЗ 452.

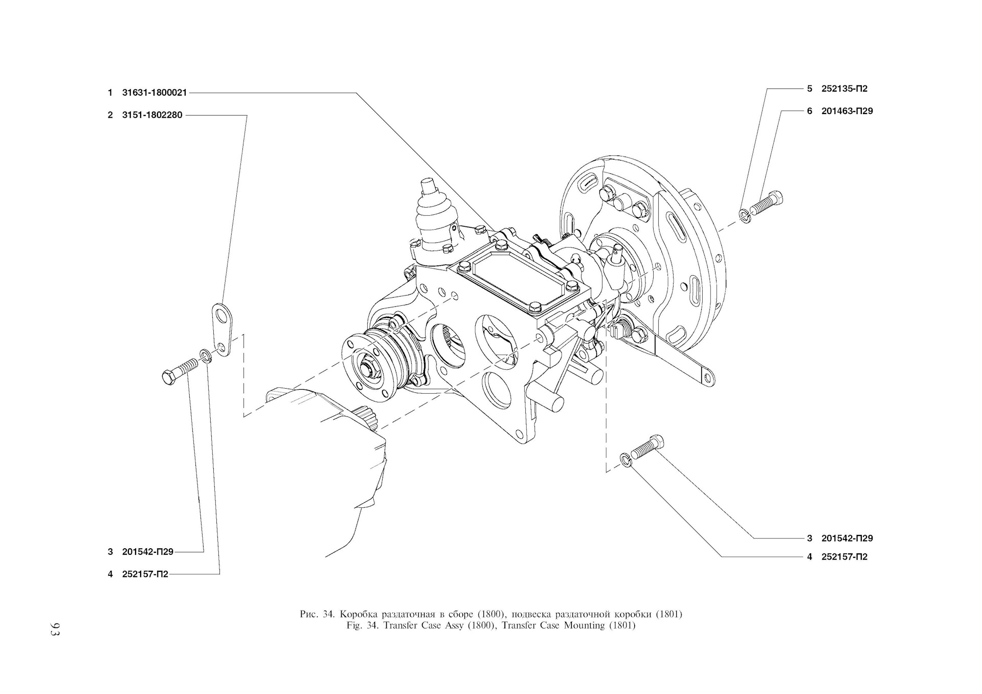
Схема раздатки уаз патриот. Коробка раздаточная УАЗ-3163 Патриот 31638-1800021. Схема коробки передач УАЗ Хантер 5 ступенчатая КПП. Раздаточная коробка УАЗ 31631-1800021. Болт крепления раздатки к КПП УАЗ Патриот.

Схема раздатки уаз патриот. Раздаточная коробка УАЗ 452 схема. Схема КПП И раздатки УАЗ 469. УАЗ раздаточная коробка Dymos. Раздаточная коробка УАЗ 469 схема.

Схема раздатки уаз патриот. Раздаточная коробка автомобиля ГАЗ-66 чертеж. Раздаточная коробка ГАЗ 66 схема. Раздаточная коробка ГАЗ 66 чертеж. Раздатка ГАЗ 66 конструкция.

Схема раздатки уаз патриот. Раздаточная коробка УАЗ Буханка. Раздаточная коробка УАЗ 330. Раздаточная коробка УАЗ 3303 схема. УАЗ 390945 раздаточная коробка.

Схема раздатки уаз патриот. Датчик раздаточной коробки УАЗ Даймос Патриот. Датчики коробки передач Даймос УАЗ Патриот. Схема раздатка Dymos УАЗ. Коробка раздаточная под датчик скорости УАЗ.

Схема раздатки уаз патриот. Раздаточная коробка УАЗ 3160 схема. Шток вилки раздатки УАЗ 469. Раздаточная коробка передач УАЗ-469 схема. Коробка раздаточная УАЗ-3163 Патриот Dymos схема.

Схема раздатки уаз патриот. Схема раздаточной коробки УАЗ 469. Чертеж раздатки УАЗ 469. УАЗ 469 раздаточная коробка чертеж. Раздатка УАЗ 469 схема.

Схема раздатки уаз патриот. Раздаточная коробка УАЗ 452 схема. Раздаточная коробка Урал 4320 чертеж. Раздаточная коробка УАЗ 3151 чертеж. Чертеж раздаточной коробки КАМАЗ 4310.

Схема раздатки уаз патриот. Раздаточная коробка УАЗ 31631-1800021. Привод сцепления УАЗ 3163 схема. Коробка УАЗ 3163-1800021-10. Коробка раздаточная УАЗ-3163 Патриот 31638-1800021.

Схема раздатки уаз патриот. Раздаточная коробка передач УАЗ 452. Раздатка УАЗ 469 схема. Раздаточная КПП УАЗ 452 схема. Раздаточная коробка передач автомобиля УАЗ-469.

  • Вперед Одежда испанцев
  • Назад С утра в степи было не только холодно но и ветрено ветер просушивая

Новые страницы

706 Геометрия

Акты на списание материальных ценностей образец в рб

Bmw 1 series f20

Дом хай тек с двускатной крышей

Духи черное платье картинка

Гдз по алгебре 8 класс макарычев 1073

Гдз по русскому языку 6 класс 2 часть ладыженская 2012

Геохронологическая таблица по биологии 7 класс

Изображение материка австралия

Как поменять сосок на колесе

Kia serato

Клемсан

Клубника гора эверест

Крюк анкер

Логическая схема устройства

Образец заявления на семейное обучение

Озеро байкал остров ольхон

Поручение принципала по агентскому договору образец

Ппрк на автомобильные краны образец

Приказ о совмещении профессий образец

Схема значение водных богатств в жизни

Спортивно адаптивная школа ярославль

Станция метро полежаевская схема

Свойства хорды к окружности

Tda7021t приемник

Угощать спряжение глагола

В каких случаях дело подлежит рассмотрению

Вишня китайская

Замена батареи iphone 12

Жалоба в прокуратуру на действия судебного пристава образец

cdn.zecar.ru