Skip to content

Фотогалерея

  • Главная
  • Контакты

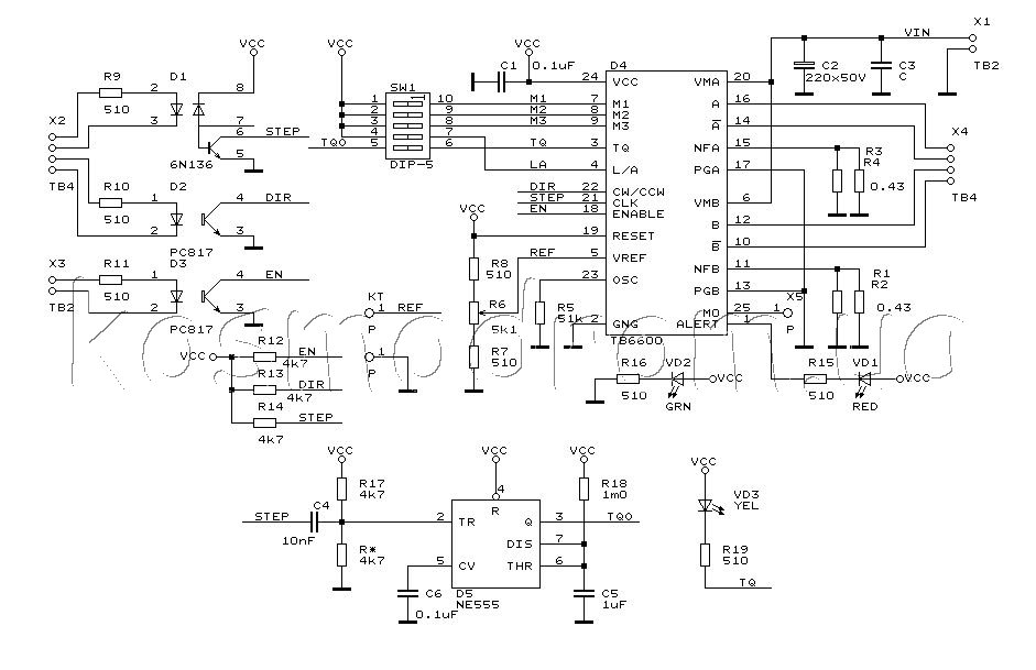
Схема подключения tb6600

TB6600 Upgrade | PDF | Electric Motor | Power Supply

TB6600 User Guide V1.2

DFROBOT TB6600 Stepper Motor Driver User Guide

TB6600 4.5A photos without heatsink - DIY Projects

Схема подключения внешних драйверов к Ramps и др Например TB6600 - YouTube

TB6600 datasheet(2/2 Pages) DFROBOT | TB6600 Stepper Motor Driver

TB6600 datasheet(1/2 Pages) DFROBOT | TB6600 Stepper Motor Driver

"Tb6600 схема подключения"

Купить TB6600-PLATA на складе КОСМОДРОМ, Харьков, Украина

TB6600 Mạch Điều Khiển Động Cơ Bước 4.5A Nguồn: 10-45VDC, dòng: 4.5A Max

Драйвер на TB6600. Теория и практика.

Купить TB6600 на складе КОСМОДРОМ, Харьков, Украина

TB6600 Mạch Điều Khiển Động Cơ Bước 4.5A

TB6600 4.5A шаговый мотор драйвер платы, с переключением между дальним ...

Mach3 чпу аналоги фото - PwCalc.ru

Как подключить контроллер tb6600 - подробные видео-уроки | Полезные ...

Схема подключения драйвера tb6600

Драйвер шагового двигателя TB6600 - комплектующие для ЧПУ SteepLine

Схема подключения драйверов

Схема подключения драйверов

Tb6600 схема подключения к arduino uno

Tb6600 схема подключения к arduino uno

Tb6600 схема подключения к arduino uno

Tb6600 схема подключения к arduino uno

Tb6600 схема подключения к arduino uno

  • Вперед Акт статических и динамических испытаний гпм образец
  • Назад Акты проведения тренировок по антитеррористической защищенности

Новые страницы

Акт самовольного подключения электроэнергии образец

Архангельское музей заповедник

Чем полезны тренировки

Длинная мужская кофта с капюшоном

Достопримечательности валаам

Гдз бел яз 8кл

Измельчитель травы из болгарки своими руками чертежи видео

Как нарисовать коляску с малышом

Как заменить решетку радиатора

Карта сокровищ 845 468 в ассасин крид 4

Лимфоцитарный лейкоз

Мазда рх9

Motordata elm327 rus для андроид

Номер 654 по алгебре 9 класс макарычев

Образец акта оказанных услуг по договору оказания услуг

Окружающий мир 3 класс рабочая тетрадь гдз ответы

Освобождение от уроков в школе образец

Парк патриот техника

Программа для чертежа схем

Рыбки разноцветные аквариумные

Рудзитис химия

Сделать печать спб

Схема метро москвы сити

Схема составляющих планирования

Схема задних фонарей 2107

Спорт лайт английский

Спортивный зал лыткарино

Спорткомплекс триумф

Трубы пластиковые для отопления

Выскочил геморрой что делать

cdn.zecar.ru