Skip to content

Фотогалерея

  • Главная
  • Контакты

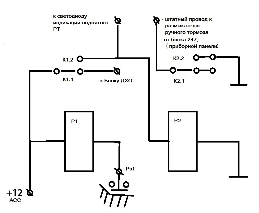
Схема подключения ручника

Схема подключения ручника. Схема соединения ручника к сигнализации. Сигнализация STARLINE 63 стояночный тормоз. Схема подключения ручника к сигнализации. Диод для сигнализации STARLINE.

Схема подключения ручника. ДХО через ручник с 1 реле схема. Схема ДХО на калине 2. Подключить ходовые огни на Hyundai Getz. Схема датчика ручника Приора.

Схема подключения ручника. Схема включения ближнего света с помощью ручника Рено. ПТФ от ручника схема. Схема подключения ПТФ от ручника. Ходовые от ручника.

Схема подключения ручника. Кран стояночного тормоза КАМАЗ 5320. Кран ручника КАМАЗ 5320. Кран стояночного тормоза КАМАЗ 5320 схема. Клапан ручного тормоза КАМАЗ 5320.

Схема подключения ручника. Старлайн а 91 провод стояночного тормоза. STARLINE b9 провод на ручник. Старлайн а91 диод ручника. Схема подключения ручника к сигнализации.

Схема подключения ручника. Схема подключения концевика ручного тормоза Ларгус. Эл схема ручного тормоза Гранта. Схема подключения сигнала тормоза. Электрическая схема датчика тормоза Гранта.

Схема подключения ручника. Колодка ходовых огней Нива. Схема подключения ручника Ларгус. Схема подключения противотуманок Ларгус.

Схема подключения ручника. Схема подключения ручника к сигнализации. Схема соединения ручника к сигнализации. Схема подключения концевика стояночного тормоза ВАЗ. Подключение стояночного тормоза к сигнализации.

Схема подключения ручника. Схема подключения реле ходовых огней через ручник. Схема включения через 5 контактное реле. Схема ДХО С ручником. Схема подключения ДХО через 5 контактное реле от ручника.

Схема подключения ручника. Схема подключения ручника к сигнализации. А93 подключения стояночного тормоза. Схема подключения диода к сигнализации. Схема соединения ручника к сигнализации.

Схема подключения ручника. Схема подключения ПТФ через ручник. Схема подключения ДХО через стояночный тормоз. ДХО через ручник с 1 реле схема. Схема включения ДХО от ручника.

Схема подключения ручника

Схема подключения ручника. Кран стояночного тормоза КАМАЗ 5320 схема. Кран ручного тормоза КАМАЗ 5320. Кран стояночного тормоза КАМАЗ 5350. Кран управления ручником КАМАЗ 5320.

Схема подключения ручника. ДХО через ручник с 1 реле схема. Схема подключения ДХО С 2 реле через ручник. Схема подключения ДХО через ручник с реле. ДХО Приора 1 схема подключения.

Схема подключения ручника. Схема подключения тормозных трубок ВАЗ 2115. Схема тормозных трубок ВАЗ 2115. Тормозные трубки ВАЗ 2110 комплект схема. Схема подключения тормозов ВАЗ 2114.

Схема подключения ручника. Схема подключения ходовых огней через реле. DRL дневные ходовые огни схема подключения. Схему подключения ходовых огней через реле с генератора. Схема подключения ДХО 4.30.

Схема подключения ручника. Стояночный тормоз автомобиля Урал 4320. Система стояночного тормоза Урал 4320. Тормозной механизм стояночного тормоза Урал 4320. Стояночная тормозная система Урал 4320.

Схема подключения ручника. Схема стояночного тормоза ВАЗ 2105. Схема подключения лампы ручного тормоза ВАЗ 2107. Концевик ручника 2107. Схема ручного тормоза ВАЗ 2107.

Схема подключения ручника. Схема подключения лампы стояночного тормоза. Схема включения лампы стояночного тормоза. Сигнализатор ручного тормоза схема. Схема проводки ручника.

Схема подключения ручника. ДХО через ручник с 1 реле схема. Схема подключения ДХО через стояночный тормоз. Схема ДХО Дастер. Схема подключения ДХО С 2 реле через ручник.

Схема подключения ручника. Гидравлический ручник ВАЗ 2109. Гидравлический ручник на ВАЗ 2110. Схема подключения ручника ВАЗ 2110. Схема подключения стояночного тормоза ВАЗ 2107.

Схема подключения ручника. Гидравлический ручник схема подключения. Гидравлический ручник на ВАЗ 2107 схема подключения. Схема электрического стояночного тормоза. Схема подключения гидравлического ручника на ВАЗ.

Схема подключения ручника. Сигнализатор включения стояночного тормоза. Схема сигнализатора на ручник. Сигнализатор ручного тормоза схема. Сигнализатор стояночного тормоза 4308.

Схема подключения ручника. Схема подключения ДХО через ручник. ДХО через ручник с 1 реле схема. Схема подключения противотуманных фар ходовые огни Рено Меган 2.

Схема подключения ручника. Схема подключения гидроручника на ВАЗ 2107. Схема подключения гидроручника на ВАЗ 2114. Схема подключения гидравлического ручника на ВАЗ 2109. Гидравлический ручник на ВАЗ 2107 схема подключения.

Схема подключения ручника. Реле 5 контактное Киа Рио. Схема подключения ДХО через 5 контактное реле от ручника. Схема подключения реле ходовых огней через ручник. ДХО через ручник с 1 реле схема.

Схема подключения ручника. Схема сигнализатора на ручник. Сигнализатор ручного тормоза схема. Электрическая схема ручного тормоза.

Схема подключения ручника. Тормозная система ручник Урал 4320. Стояночный тормоз автомобиля Урал 4320. Схема ручного тормоза Урал 4320. Система стояночного тормоза Урал 4320.

Схема подключения ручника. Кран стояночного тормоза КАМАЗ 5320 схема. Кран стояночного тормоза КАМАЗ схема. Схема подключения кран ручного тормоза КАМАЗ 5320. Тормозной кран КАМАЗ 5320 схема подключения.

Схема подключения ручника. Схема подключения ручника через диод. Резистор на провод к ручнику для автозапуска. Поставить диод на красный провод. Как ставится диод в сигнализации на ручнике.

Схема подключения ручника. Схема включения лампы стояночного тормоза. Схема лампочки ручного тормоза ВАЗ 2107. Схема подключения лампы стояночного тормоза. Схема лампы ручного тормоза ВАЗ 2109.

Схема подключения ручника. Схема включения ближнего света. Схема подключения ФСО через реле и кнопку. Схема подключения реле фар ближнего света через кнопку. Схема подключения вспышек через реле на кнопку.

Схема подключения ручника. Реле стояночного тормоза РС 492. РС 492 реле схема подключения. Реле рс493 схема подключения. Реле прерыватель стояночного тормоза.

Схема подключения ручника. Электросхема концевиков дверей ВАЗ 2110. Концевой выключатель ВАЗ 2114 схема. Схема концевиков дверей 2110. Лампа ручника ВАЗ 2110 схема.

Схема подключения ручника. Схема подключения ДХО на Рено Логан 1. ДХО через ручник с 1 реле схема. ДХО Логан 1 реле. Схема ходовых огней Рено Дастер Рестайлинг 2015.

Схема подключения ручника. Схема подключения ДХО через ручник с реле. Реле 5 контактное ручник. ДХО через ручник с 1 реле схема. Схема подключения ДХО через стояночный тормоз Форд фокус 2.

Схема подключения ручника. Схема подключения ручника к сигнализации. Сигнализатор ручного тормоза схема. Датчик концевик схема подключения. Схема соединения ручника к сигнализации.

Схема подключения ручника. Схема подключения ДХО через 5 контактное реле от ручника. ДХО через реле 5 контактное ВАЗ. Схема подключения 5 контактного реле на ДХО через ручник. Ходовые огни через реле на ВАЗ 2114.

Схема подключения ручника. Гидравлический ручник схема подключения. Гидравлический ручник на ВАЗ 2107 схема подключения. Схема подключения гидроручника на ВАЗ 2114. Схема установки гидроручника.

Схема подключения ручника. Схема управления стояночным тормозом 81-760. Тормозной блок 81/760 с стояночным тормозным блок. Схема электрическая стояночного тормоза е65. Схема электрическая стояночного тормоза Ока.

Схема подключения ручника. Схема включения лампы стояночного тормоза. Сигнализатор ручного тормоза схема. Выключатель контрольной лампы стояночного тормоза Гранта. Схема подключения выключателя контрольной лампы ручника.

Схема подключения ручника. ДХО через ручник с 1 реле схема. Схема подключения ДХО через стояночный тормоз. Схема подключения ДХО через ручник. Схема подключения реле тормозов.

Схема подключения ручника. Клапан тормоза КАМАЗ 5320. Кран тормозов ручника МАЗ. Кран стояночного тормоза КАМАЗ схема. Кран ручного тормоза КАМАЗ 5320.

Схема подключения ручника. Схема подключения диода к сигнализации. Схема подключения с диодом к ручнику сигнализации. Схема подключения ручника к сигнализации. Схема соединения ручника к сигнализации.

Схема подключения ручника. Схема подключения ручника ВАЗ 2114. Схема концевика стояночного тормоза ВАЗ 2110.

Схема подключения ручника. Фары через ручник Ларгус. Секретка из ПТФ. Фары через ручник Рено. Блок контроля ручного тормоза Schneider.

Схема подключения ручника. Схема концевиков ручника ВАЗ 2114. Схема подключения ручного тормоза ВАЗ 2114. Концевой выключатель ВАЗ 2114 схема. Подключение концевиков 2114 схема.

Схема подключения ручника. Подключить ДХО 2в1. Схема подключения ДХО через реле от ручника. Схема подключения ходовых огней на Hyundai Accent. Реле дневных ходовых огней Хендай акцент.

Схема подключения ручника. Схема электро стояночного тормоза. Кнопка ручника схема подключения. Схема подключения реле электрони ручник. Релейная схема электроручника.

Схема подключения ручника. Схема подключения гидроручника на ВАЗ 2107. Гидроручник на ВАЗ 2109 схема. Схема подключения гидравлического ручного тормоза. Гидроручник на ВАЗ 2114 схема подключения.

Схема подключения ручника. Схема подключения ДХО через ручник. ДХО через ручник с 1 реле схема. Подключение ДХО через ручник схема подключения. Схема подключения ручника Приора.

Схема подключения ручника. Реле прерыватель стояночного тормоза ВАЗ 2101. Схема подключения стояночного тормоза ВАЗ 2107. Реле ручного тормоза ВАЗ 2106. Реле индикатора стояночного тормоза ВАЗ 2106.

Схема подключения ручника. ДХО через реле 5 контактное ВАЗ. Подключить ДХО через реле 5 контактное. ДХО через 5 контактное реле схема. Схема подключения 5 контактного реле на ДХО через ручник.

Схема подключения ручника. Схема подключения ДХО ВАЗ 2114. Схема ДХО ВАЗ 2114. ВАЗ 2114 подключить дневные ходовые огни. Схема включения ДХО от ручника.

Схема подключения ручника. Кран ручника МАЗ схема подключения. Кран стояночного тормоза КАМАЗ схема подключения. Схема подключения ручного тормоза КАМАЗ. Схема подключения ручного крана уровня пола.

Схема подключения ручника. Схема подключения гидроручника. Гидравлический ручник схема подключения. Гидравлический ручник схема. Схема подключения гидравлического ручника на ВАЗ.

Схема подключения ручника. Стояночный тормоз МАЗ 500 схема. Стояночный тормоз МАЗ 500. Схема ручного тормоза МАЗ 500. Стояночный тормоз МАЗ 5334.

Схема подключения ручника. Схема ходовых огней Нива 21214. Как подключить ходовые огни на ниву 21213. Схема подключения ДХО ВАЗ 2114.

Схема подключения ручника. Старлайн а 91 провод стояночного тормоза. Подключение концевика ручного тормоза. Старлайн подключение стояночного тормоза. Диод на ручник сигнализация.

Схема подключения ручника

Схема подключения ручника. ГАЗ 31105 ручной тормоз схема. Схема подключения ручного тормоза. Электрическая схема ручника Гранта. Сигнализатор включения стояночного тормоза.

Схема подключения ручника. А93 подключения стояночного тормоза. А93 схема подключения старт стоп. А93 схема подключения. Старлайн а93 подключение ручника.

Схема подключения ручника. Тормозной блок 81/760 с стояночным тормозным блок. Блок управления стояночным тормозом 81-722. Схема электронного стояночного тормоза. Электрическая схема ручного тормоза.

Схема подключения ручника. Схема подключения ДХО через 5 контактное реле от ручника. Схема подключения реле тормозов. Схема подключения ПТФ через ручник. Схема подключения ДХО через реле от ручника.

Схема подключения ручника. Схема подключения гидроручника на ВАЗ 2114. Гидравлический ручник на ВАЗ 2107 схема подключения. Схема подключения гидравлического ручного тормоза. Схема гидроручника на ВАЗ 2108.

Схема подключения ручника. Схема подключения ручного тормоза МАЗ. Кран ручника МАЗ схема подключения. Схема подключения крана ручного тормоза КАМАЗ. Кран стояночного тормоза КАМАЗ схема подключения.

Схема подключения ручника. Кран стояночного тормоза КАМАЗ схема. Кран ручного тормоза КАМАЗ евро схема. Схема работы крана ручного тормоза КАМАЗ. Схема ручника КАМАЗ евро.

Схема подключения ручника

Схема подключения ручника. Привод ручного тормоза УАЗ Патриот. Механизм ручного тормоза УАЗ Патриот-01. Привод стояночного тормоза УАЗ Патриот. Стояночный тормоз УАЗ Патриот 2015.

Схема подключения ручника. Схема подключения лампы стояночного тормоза. Схема включения лампы стояночного тормоза. Схема концевика стояночного тормоза Газель. Схема подключения с диодом к ручнику сигнализации.

Схема подключения ручника. Схема сигнализации старлайн а91. Схема подключения автосигнализации старлайн а91. Схема подключения сигнализации старлайн а91. Подключение стояночного тормоза к сигнализации.

Схема подключения ручника. Схема установки гидроручника на ВАЗ 2107. Гидроручник ВАЗ 2107 чертеж. Схема подключения гидроручника с АБС. Гидроручник схема подключения.

Схема подключения ручника. Схема подключения платы ДХО. Схема ДХО Приора 2. Схема подключения ДХО через 3 контактное реле. Схема подключения ДХО Приора.

Схема подключения ручника. Схема подключения ДХО через ручник с реле. ДХО через ручник с 1 реле схема. Схема подключения ДХО через стояночный тормоз.

Схема подключения ручника. Кран ручного тормоза КАМАЗ 43118 схема. Кран стояночного тормоза КАМАЗ 5320 схема. Кран стояночного тормоза КАМАЗ схема. Стояночный тормоз КАМАЗ 5320.

Схема подключения ручника. Схема соединения ручника к сигнализации. Старлайн а91 диод ручника. Диод на ручник сигнализация. Диод сигнализации старлайн на ручник.

Схема подключения ручника. Схема подключения ДХО через 3 контактное реле. Схема реле отключения ходовых огней. Схема включения ходовых огней после запуска двигателя. Схемы подключения ДХО через реле своими руками.

Схема подключения ручника. Гидроручник на ВАЗ 2110 схема подключения. Схема подключения гидроручника на ВАЗ 2114. Схема подключения гидроручника на ВАЗ 2110. Гидравлический ручник схема подключения.

Схема подключения ручника. Схема подключения дневных ходовых огней противотуманки Рено Логан 1. Схема подключения ДХО на Рено Логан 1. Схема ДХО Логан 2. Схема подключения реле ходовых огней через ручник.

Схема подключения ручника. Лягушка тормоза Урал 4320. Тормозная система ручник Урал 4320. Система стояночного тормоза Урал 4320. Лягушка на ручник Урал 4320.

Схема подключения ручника. Схема реле отключения ходовых огней. ДХО через реле 5 контактное ВАЗ. Схема подключения ДХО через 5 контактное реле от ручника. Схема включения ДХО от ручника.

Схема подключения ручника. Схема подключения ПТФ через ручник. ПТФ через реле поло. Схема подключения ДХО через стояночный тормоз. Схема подключения ПТФ С ДХО.

Схема подключения ручника. Схема подключения гидроручника 2113. Схема гидроручника на ВАЗ 2108. Схема подключения гидравлического ручника на ВАЗ 2109. Гидравлический ручник с регулятором для ВАЗ 2121.

Схема подключения ручника. Схема подключения лампы стояночного тормоза. Схема подключения с диодом к ручнику сигнализации. Схема подключения концевого выключателя. Схема подключения ручника к сигнализации.

Схема подключения ручника. Кран ручника 4 выхода схема подключения. Схема подключения крана управления стояночным тормозом. Подключение крана ручного тормоза КАМАЗ. Схема подключения крана ручного тормоза МАЗ.

Схема подключения ручника. Датчика нейтрали схема подключения. Схема реле на герконе. Схема подключения датчик нейтрали на мотоцикле. Концевик датчик схема.

Схема подключения ручника. Схема ходовых огней Нива 21214. Схема подключения реле ходовых огней через ручник. Схема подключения ДХО через реле от ручника. Подключить ДХО через реле и ручник.

Схема подключения ручника. Схема подключения ходовых огней через реле 5 контактов. Схема подключения ДХО С 2 реле через ручник.

Схема подключения ручника. Воздушная тормозная система КАМАЗ 55111. Схема тормозной системы КАМАЗ 5320. Система ручного тормоза КАМАЗ 5320. Тормазнаясистемакамаз55111.

  • Вперед Эль схемы
  • Назад Заявление на закрытие лицевого счета в казначействе образец заполнения 2023

Новые страницы

Air horn перевод

Айпад аир 1

Авито илосос услуги

Билет в будущее картинки для презентации

Царевны персонажи картинки

Что такое доброта тезис

Датчики на ниве 21214 инжектор

Договор на стирку спецодежды для сэс образец

Easyeda онлайн на русском

Карта очистных сооружений москвы

Картинки риты из тока бока

Клиника бест доктор

Лес экспорт

Lightning ls 218

Минское метро схема

Митсубиси паджеро спорт отзывы владельцев

Питер москва

Приказ об отмене надбавки образец

Раненый командир

Садовые тенелюбивые цветы

Сфера деятельности спорта

Сломался поплавок в бачке унитаза

Спортивный день для детей

Тигуан предохранитель омывателя стекла

Учебник математики 5 класс 2 часть виленкин ответы

Умножение примеры для тренировки

Vizant d5 цоколь h1

Закрыть испытание поправил классы спас люстру

Замена кровли на даче

Заявление на займ у работодателя в счет зарплаты образец

cdn.zecar.ru