Skip to content

Фотогалерея

  • Главная
  • Контакты

Схема подключения поворотников

Схема подключения поворотников. Схема подключения 4х контактного реле на поворотники. Реле 232.3747 схема подключения поворотов. Реле поворотов 642.3777 схема электрическая. Реле поворотов 781.3777 схема подключения.

Схема подключения поворотников. Эрп-1 реле поворотов схема подключения. Реле поворотников МТЗ 82. Схема подключения 5 контактного реле на поворотники. Схема подключения реле поворотов Эрп 1 МТЗ.

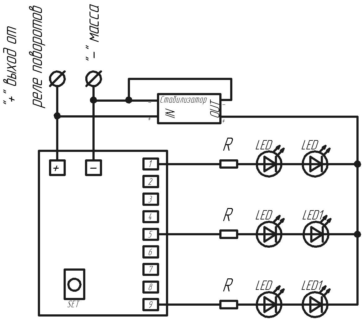
Схема подключения поворотников. Реле поворотов для светодиодных ламп схема подключения. Реле поворотов 79.3777 схема. Реле поворотов 12 вольт схема. Схема реле поворотов для светодиодов своими руками.

Схема подключения поворотников. Рс492 реле поворотов схема подключения. Реле поворотников ВАЗ 2110 схема. Реле указателей поворота 3х контактное. 3 Контактное реле поворотов ВАЗ.

Схема подключения поворотников. Реле поворотов ВАЗ 2101 схема подключения. Схема подключения реле поворотов ВАЗ 2108. Схема реле поворотов ВАЗ. Схема подключения реле поворотов ВАЗ 21 0 1.

Схема подключения поворотников. Схема подключения поворотников на велосипед. Схема подключения поворотников МТЗ 80. Схема подключения светодиодных поворотников на мотоцикл. Схема поворотников МТЗ 80.

Схема подключения поворотников. Реле поворотников ВАЗ схема. Трехконтактное реле поворотов схема подключения. Схема реле поворотов ВАЗ 2109. Реле поворотов 79.3777 схема.

Схема подключения поворотников. Схема подключения 5 контактного реле поворотов на габариты. Схема реле поворотника на 2107. Реле поворотов 4 контактное схема подключения. Реле Эрп-1 схема подключения.

Схема подключения поворотников. Реле поворотов МТЗ 82 схема подключения. Схема подключения поворотников МТЗ 82 1. Схема подключения реле поворотов. Схема подключения поворотников МТЗ 80.

Схема подключения поворотников. Реле поворотов 642.3777 схема электрическая. Схема поворотников с трех контактным реде. 712.3777 Реле поворотов схема. Схема реле поворотов РАЛД.07.3747.

Схема подключения поворотников. Американки на 5 контактном реле. Схема подключения реле поворотов американка. Американки схема 5 контактное реле. Реле поворотов Приора схема включения.

Схема подключения поворотников. Схема подключения контрольной лампы поворотников. Простой указатель поворота схема подключения. Схема подключения аварийки на мотоцикл. Схема подключения поворотов на мотоцикле.

Схема подключения поворотников. Схема подключения зеркал Приора se на ВАЗ 2110 через реле. Реле поворотов ВАЗ 5 контактное схема подключения. Схема подключения поворотников Приора 2. Схема подключения 5 контактного реле поворотов на габариты.

Схема подключения поворотников. 79.3777 Реле поворотов схема подключения. Реле поворотов РС 491 схема подключения. Реле поворотов 642.3777 схема электрическая. Реле поворотов 642.3777 схема подключения.

Схема подключения поворотников. Реле поворотов 642.3777 схема подключения. Реле 642.3777 схема подключения. Реле 781.3777 схема подключения. Реле поворотов 6422.3747 распиновка.

Схема подключения поворотников. Реле поворотов 495.3747 схема подключения. Реле поворотов 3747 схема подключения. Реле 642.3747 схема принципиальная. Реле поворотов 494.3747 схема.

Схема подключения поворотников. Схема подключения американских габаритов через реле. Схема американок через 5 контактное реле. Схема подключения поворотников американка. Американки схема 5 контактное реле ВАЗ.

Схема подключения поворотников. Схема подключения реле поворотов для лед. 79.3777 Реле поворотов схема подключения. Реле поворотников схема включения. Схема включения трехконтактного реле поворотов.

Схема подключения поворотников. Схема подключения реле поворотов с 3 контактами. Реле поворотов для мотоцикла 12 вольт. Схема поворотников мотоцикла с реле. Реле поворотов ИЖ Планета 5 12 вольт схема подключения.

Схема подключения поворотников. Схема подключения американок ВАЗ 2110. Схема поворотников ВАЗ. Схема подключения поворотников ВАЗ 2112. Реле повторителя поворота ВАЗ 2112.

Схема подключения поворотников. Реле поворотников ВАЗ схема подключения. Реле аварийной сигнализации ВАЗ 2106 схема. Схема подключения поворотов аварийной сигнализации ВАЗ-2106. Схема подключения кнопки аварийной сигнализации ВАЗ 2101.

Схема подключения поворотников. Реле поворотов ВАЗ 2101 схема. Реле поворотников 2114 схема. Поворотники схема на МТЗ 80. Реле поворотников ВАЗ 2101 схема.

Схема подключения поворотников. Модуль удлинителя сигнала поворотов схема подключения. Схема подрулевого переключателя п145. Подрулевой переключатель 31105 схема подключения. П-145 переключатель подрулевой схема подключения.

Схема подключения поворотников. Схема подключения реле поворотов ВАЗ 2110. Схема подключения реле поворотов ВАЗ 2108. Схема подключения реле поворотника. Схема включения реле поворотов ВАЗ 2108.

Схема подключения поворотников. Реле поворотов 07.3747 схема подключения. Схема реле поворотов РАЛД.07.3747. Реле поворотов 3747 схема подключения. Схема подключения реле поворотов ВАЗ 2108.

Схема подключения поворотников. Реле поворотов УАЗ 469. Реле указателей поворота УАЗ 469. Реле поворотов 79.3777 схема. Схема включения поворотников УАЗ 469.

Схема подключения поворотников. Реле поворотов ВАЗ 3-Х контактное схема подключения. Схема подключения поворотного реле. Реле поворотников 642.3777 схема подключения. Схема подключения 3х контактного реле поворотов.

Схема подключения поворотников. Схема реле поворотника ВАЗ 2107. Схема подключения поворотников американка. Американки на ВАЗ 2107 через реле схема. Схема подключения реле поворотов американка.

Схема подключения поворотников. Схема габарит поворотник на ВАЗ 2114. Американки ВАЗ 2114 схема с 2 реле. Поворотники американки схема подключения. Схема подключения поворотников Гранта.

Схема подключения поворотников. Схема подключения американок через реле на ВАЗ 2114. Американки схема 5 контактное реле. Схема американок через 5 контактное реле. Американки схема 5 контактное реле ВАЗ.

Схема подключения поворотников. Реле поворотника ВАЗ схема подключения. Схема подключения реле поворотов ВАЗ 2108. Реле поворотов ВАЗ 3-Х контактное схема подключения. Схема подключения реле поворотников 2114.

Схема подключения поворотников. Схема поворотников мотоцикла с реле. Реле поворотов 07.3747 схема подключения. Схема подключения реле поворотов Ява 12 вольт. Рс492 реле поворотов схема подключения.

Схема подключения поворотников. Реле поворотников ВАЗ 2108 схема. Реле поворотов 79.3777 схема. Схема реле поворотов ВАЗ 2108. Схема включения реле поворотов ВАЗ 2108.

Схема подключения поворотников. Схема подключения реле поворотов ВАЗ 2108. Реле указателей поворота 2108 схема подключения. Схема включения реле поворотов ВАЗ 2108. Реле поворотника ВАЗ схема подключения.

Схема подключения поворотников. Удлинитель поворотов схема подключения. Схема подключения сигнала поворотов Приора. Комфортные поворотники схема подключения.

Схема подключения поворотников. Схема включения сигналов поворота. Схема подключения пищалка реле поворотов. Электрическая схема поворотников автомобиля. Схема звукового сигнала поворотников.

Схема подключения поворотников. Схема поворотников 2141. Реле поворотников Москвич 2141. Москвич 2141 схема подключения поворотов. Схема подключения реле поворотов 2141.

Схема подключения поворотников. Схема соединения реле поворотов ВАЗ 2109. Реле поворотников ВАЗ 2110 распиновка. Реле поворотов 2109 схема подключения. Схема реле поворотов ВАЗ 2109.

Схема подключения поворотников. Подключить поворотники на МТЗ-80. Схема подключения реле поворотов МТЗ. Поворотники схема на МТЗ 80. Схема подключения поворотников МТЗ 80.

Схема подключения поворотников. Четырёх контактное реле на ВАЗ 2110. Реле поворотов ВАЗ 2106 4х контактное. Реле поворотников ВАЗ схема подключения. Реле поворотников ВАЗ 2110 схема подключения.

Схема подключения поворотников. Реле поворотов ВАЗ на мотоцикл Урал. Схема включения реле поворотов мотоцикла. Схема подключения реле поворотов мотоцикла. Реле поворотов 781.3777 схема подключения.

Схема подключения поворотников. Схема аварийки и поворотники КАМАЗ 4310. Реле поворотов УАЗ 31514 схема подключения. Схема поворотников и аварийки УАЗ Буханка. Схема поворотов и аварийной сигнализации УАЗ 469.

Схема подключения поворотников. Реле поворотов 2 контактное схема. Схема подключения габаритов 2106. Схема подключения поворотов ВАЗ 2106. Схема подключения поворотников через реле ВАЗ.

Схема подключения поворотников. Реле поворотов РС 491 схема подключения. Реле поворотов МТЗ 82 схема подключения. Реле 642.3747 схема принципиальная. Реле поворотов ВАЗ 2108 схема принципиальная.

Схема подключения поворотников. Схема подключения реле поворотов и кнопки аварийной сигнализации. Реле аварийной сигнализации и поворотников КАМАЗ. Схема подключения поворотов к сигнализации. Схема подключения поворотников и аварийной сигнализации.

Схема подключения поворотников. Схема аварийной сигнализации УАЗ 469. Схема подключения поворотников УАЗ. Схема указателей поворотов и аварийной сигнализации УАЗ 469. Схема указателей поворотов УАЗ 469.

Схема подключения поворотников. Схема подключения реле поворотников Урал. Реле поворотов Урал мотоцикл схема. Реле поворотов мотоцикла ИЖ Планета 5 схема. Схема подключения поворотов на мотоцикле Урал.

Схема подключения поворотников. Схема подключения аварийки на УАЗ Буханка. Схема включения поворотов УАЗ Буханка. Реле поворотников УАЗ Буханка схема. Схема аварийной сигнализации УАЗ Буханка.

Схема подключения поворотников. Схема подключения стоп сигнала на мотоцикле. Схема включения датчика стоп сигнала ВАЗ 2108. Габарит-стоп сигнал схема. Схема стопов сигналов.

Схема подключения поворотников. Американские габариты через реле. Схема подключения поворотников и габаритов через реле. Подключение поворотников к сигнализации через реле. Простое подключение поворотов через реле схема.

Схема подключения поворотников. Схема подключения динамического поворотника. Схема подключения бегущих поворотников. Схема динамических поворотников. Схема БИГУЧИ поворотник ВАЗ.

Схема подключения поворотников. Схема подключения поворотников МТЗ 80. Подключить поворотники на МТЗ-80. Реле поворотов МТЗ 82 схема подключения. Переключатель поворотов МТЗ 82 схема.

Схема подключения поворотников. Реле поворотов 712.3777 схема подключения. 79.3777 Реле поворотов схема подключения. Реле 644.3777 схема подключения поворотов. 712.3777 Реле поворотов схема.

Схема подключения поворотников. Реле поворотов Ява 12 вольт схема. Реле поворотов 6 вольт на мотоцикл Урал. Схема подключения реле поворотников Урал. Реле поворотов ВАЗ 2108 на мотоцикл Урал.

Схема подключения поворотников. Как через реле подключить поворотник с американками. Американские габариты. Поворотник с габаритом. Габариты в поворотники.

Схема подключения поворотников. Схема подключения поворотов ВАЗ 2114. Схема подключения поворотников 2114. Реле поворотников ВАЗ 2114 схема. Схема подключения реле поворотника ВАЗ 2107.

Схема подключения поворотников. Схема подключения американок через реле 2107. Схема подключения поворотников американка. Схема подключения поворотник через реле. Американки через 4 контактное реле 2114.

Схема подключения поворотников. Реле поворотников ВАЗ схема подключения. Реле поворотов ВАЗ 3-Х контактное схема подключения. Реле указателей поворота 2108 схема подключения. Схема соединения реле поворотов.

Схема подключения поворотников. 79.3777 Реле поворотов схема подключения. Реле поворотов 644.3777 схема. Реле поворотов 79.3777 схема. Схема электрическая реле поворотов 79.3777.

Схема подключения поворотников. 79.3777 Реле поворотов схема подключения. Реле поворотов 4 контактное схема подключения поворотов. Схема подключения контрольной лампы поворотников. Реле поворота и аварийки на МТЗ 82.

Схема подключения поворотников. Реле поворотов 2108 схема подключения. Схема подключения реле поворотов ВАЗ 2108. Реле поворотов 78.3777 схема подключения. Схема подключения реле поворотов с 3 контактами.

Схема подключения поворотников. Реле поворотников ВАЗ 2114 схема. Реле поворотов ВАЗ 4 контактное схема подключения. Реле поворотов ВАЗ 3-Х контактное схема подключения. Реле поворотника ВАЗ схема подключения.

Схема подключения поворотников. Схема аварийного сигнализации 2110. Схема подключения реле поворотов ВАЗ 2108. Реле поворотов 642.3777 схема подключения. Схема подключения фонаря заднего хода КАМАЗ.

Схема подключения поворотников. Рс492 реле поворотов схема подключения. Реле поворотов 5 контактное схема подключения. Схема подключения поворотного реле. Схема включения лампочки через реле.

Схема подключения поворотников. Схема реле поворотов 642.3747. Реле поворотников 642.3777 схема подключения. Реле поворотов 494.3747 схема. Реле поворотов 64223747 схема подключения.

Схема подключения поворотников

Схема подключения поворотников. Ходовые огни через реле на ВАЗ 2114. Реле поворотов ВАЗ 2114 схема. ДХО В поворотники 2 в 1 схема подключения. Схема подключения ходовых огней с поворотником.

Схема подключения поворотников. Схема подключения американок на зеркала. Схема подключения американок на зеркала Приора. Схема подключения американок через реле в зеркала ВАЗ 2114. Схема подключения американок на ВАЗ 2114.

Схема подключения поворотников. Реле поворотников ВАЗ схема подключения. Реле поворотов ВАЗ 3-Х контактное схема подключения. Схема подключения поворотного реле. Схема включения поворотников на 3.х контактного реле.

Схема подключения поворотников. Реле поворотов 2108 схема подключения. 712.3777 Реле поворотов схема. Схема подключения реле поворотов ВАЗ 2108. Схема включения трехконтактного реле поворотов.

Схема подключения поворотников. Реле поворотов 642.3777 схема электрическая. Схема реле поворотов с зуммером. 642.3777 Реле поворотов распиновка. РС-57 реле поворотов схема подключения.

Схема подключения поворотников. Реле поворотов 78.3777 схема подключения. Реле поворотов МТЗ 82 схема подключения. Схема подключения поворотников МТЗ 80. Реле поворотов 642.3777 схема электрическая.

Схема подключения поворотников. Схема реле поворотника ВАЗ 2107. Схема подключения реле поворотов с контрольной лампой. Схема подключения 2х контактного реле поворотов. Схема включения реле поворотов ВАЗ 2107.

Схема подключения поворотников. Схема подключения реле с лампочкой. Схема подключения автомобильной люстры через реле. Схема подключения реле поворотов с 3 контактами с контрольной лампой. Схема подключения лампочки через реле и кнопку схема.

Схема подключения поворотников. Схема включения реле поворотов ВАЗ 2108. Реле поворотников ВАЗ схема. Реле поворотов 2108 схема подключения. Схема включения поворотников на 3.х контактного реле.

Схема подключения поворотников. Реле поворотов Урал мотоцикл схема. Реле РС 57 схема подключения поворотов на ВАЗ. Реле поворотов от ВАЗ на мотоцикл Урал. Схема подключения поворотников на мотоцикле Урал.

Схема подключения поворотников. Схема подключения кнопки аварийной сигнализации 2110. Аварийка МТЗ 82 схема подключения. Схема подключения кнопки аварийной сигнализации МТЗ 82. Схема подключения аварийной сигнализации МТЗ 82.

Схема подключения поворотников. Схема подключения поворотников на мопед. Схема подключения поворотов на мопеде Альфа. Схема подключения поворотников на мопеде Альфа. Схема поворотников на скутере.

Схема подключения поворотников. Схема включения поворотников МТЗ. Схема подключения реле поворотника. Схема подключения поворотников через реле на мотоцикле. Схема подключения трехконтактного реле поворотов.

Схема подключения поворотников. Схема подключения американок через реле 2107. Схема подключения поворотников американка. Схема подключения реле поворотов 5ти контактного ВАЗ. Реле поворотника ВАЗ схема подключения.

Схема подключения поворотников. Схема подключения реле поворотов РС 491 М. Схема реле поворотов на т 40. Рс410м реле поворота схема подключения. РС-57 реле поворотов схема.

Схема подключения поворотников. Схема подключения кнопки аварийной сигнализации РС 950. Реле поворотов УАЗ 469 схема подключения. Реле поворотов УАЗ РС 950 схема. Схема подключения кнопки аварийной сигнализации ГАЗ 53.

Схема подключения поворотников. Модуль удлинителя сигнала поворотов схема подключения. Удлинитель поворотов схема подключения. Схема подключения аварийного выключателя. Удлинитель поворотов лентяйка схема подключения.

  • Вперед Dvi и hdmi
  • Назад Образец карточки тушения пожара

Новые страницы

Актерские вузы спб

Что такое чв короб

Домашняя работа по русскому 4 класса 2 часть

Доверенность на получение оружия образец

Экспортная декларация это

Грачев физика 9 класс учебник гдз

Как снять болт шкива коленвала

Как снять цепь с велосипеда без выжимки

Как выглядит флаг италии на

Как заменить сайлентблоки на логане

Какие есть заболевания печени

Картинка new на прозрачном фоне

Метро волоколамская на схеме метро москвы

Монтаж видео курс

Образец о возбуждении исполнительного производства

Pajero montero sport

Предложение со схемами 5 класс

Приказ о переносе сроков выплаты заработной платы образец

Работа в минске слесарь сантехник свежие

Радиоприемник ишим

Резистор 2001 смд номинал

Рио де жанейро район сан криштован

Схема предохранителей на ауди а4 2005

Штуковка джинсов на швейной машине пошагово в картинках

Top sd 50 15 dm

Трое спортсменок

Веселые песни про спорт

Япония гейша

Замена термопасты на компьютере

Заявление о внесении изменений в пзз от физического лица образец

cdn.zecar.ru