Skip to content

Фотогалерея

  • Главная
  • Контакты

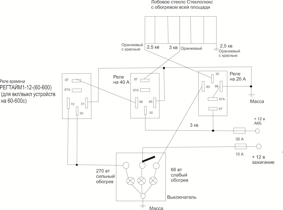
Схема подключения обогрева стекла

Схема подключения обогрева стекла. Схема включения обогрева заднего стекла 2107. Схема подключения кнопки обогрева заднего стекла ВАЗ. Включение заднего обогрева стекла на ВАЗ-2107. Схема подключения кнопки обогрева заднего стекла ВАЗ 2107.

Схема подключения обогрева стекла. Обогрев заднего стекла ВАЗ 2106. Схема подключения обогрева заднего стекла ВАЗ. Схема подключения подогрева заднего стекла 2106. Схема подключения обогрева заднего стекла ВАЗ 2106.

Схема подключения обогрева стекла. Комплект для подключения обогрева лобового стекла ВАЗ 2170. Реле обогрева лобового стекла Приора 2. УАЗ Хантер реле обогрева лобового стекла. Блок управления обогревом лобового стекла Нива.

Схема подключения обогрева стекла. Схема обогрева заднего стекла Матиз 0.8. Схема обогрева заднего стекла ВАЗ 2112. Схема подключения обогрева заднего стекла ВАЗ 2106. Схема подключения обогрева заднего стекла.

Схема подключения обогрева стекла. Схема подогрева лобового стекла Приора. Схема подключения подогрева лобового стекла. Схема подключения лобового стекла Приора. Схема подключения обогрева ветрового стекла Приора.

Схема подключения обогрева стекла. Схема подключения обогрева зоны дворников. Схема подключения подогрева зоны дворников лобового стекла. Схема подключения обогрева щеток лобового стекла. Реле для подключения обогрева лобового стекла.

Схема подключения обогрева стекла. Схема подключения обогрева лобового стекла УАЗ. Схема подогрева лобового стекла Калина-2. Рио подключения подогрева лобового стекла. Схема подключения обогрева лобового стекла Калина.

Схема подключения обогрева стекла. Схема подогрева заднего стекла ВАЗ 2115. Схема подключения кнопки обогревателя. Схема кнопки противотуманки 2115. Схема подключения зеркал с обогревом ВАЗ 2115.

Схема подключения обогрева стекла. Реле 361.3787-02 схема подключения. Подогрев заднего стекла ВАЗ 2109 схема подключения. Схема подключения зеркал с подогревом на ВАЗ 2109. Подключение обогрева зеркал ВАЗ 2109.

Схема подключения обогрева стекла. Схема подключения обогрева заднего стекла. Сопротивление заднего обогрева стекла ВАЗ 2114. Схема подключения подогрева стекла. Сопротивление обогрева заднего стекла.

Схема подключения обогрева стекла. Схема подогрева лобового стекла Приора. Схема подключения лобового стекла Приора. Схема подключения обогрева лобового стекла. Подключение лобового стекла с обогревом ВАЗ 2114 схема.

Схема подключения обогрева стекла

Схема подключения обогрева стекла. Схема включения обогрева заднего стекла. Схема подключения подогрева зеркал через реле и кнопку. Схема подключения электрических зеркал с подогревом. Схема подключения подогрева стекла Гранта.

Схема подключения обогрева стекла. Схема подключения подогрева заднего стекла ВАЗ 2106. Выключатель обогрева заднего стекла ВАЗ 2106. Обогрев заднего стекла ВАЗ 2106. Схема подключения подогрева стекла ВАЗ.

Схема подключения обогрева стекла. Схема подключения обогрева ветрового стекла Приора. Схема включения подогрева лобового стекла. Реле 456.3747-02 обогрева лобового стекла.

Схема подключения обогрева стекла. Реле таймер 12 вольт автомобильное обогрев стекла. Реле обогрева заднего стекла схема включения. Схема подключения реле времени обогрева заднего стекла. Схема реле времени для обогрева стекла.

Схема подключения обогрева стекла. Схема подключения подогрева зеркал Ларгус. Renault Logan 1 схема подогрева заднего стекла. Схема подключения зеркал Рено Логан. Схема включения обогрева заднего стекла Рено.

Схема подключения обогрева стекла. Схема подключения электрообогрева лобового стекла. Схема подключения обогрева ветрового стекла Приора. Схема подключения подогрева стекла Приора. Схема подогрева лобового стекла Приора.

Схема подключения обогрева стекла. Схема подключения дворников с подогревом Burner 5 через реле. Подогрев лобового ВАЗ 2114 схема. Схема подогрева стекла 2114. Схема подключения заднего дворника ВАЗ 2114.

Схема подключения обогрева стекла. Схема подключения лобового стекла Приора. Схема подключения обогрева ветрового стекла Приора. Стекло лобовое с обогревом схема подключения. Схема подключения электрообогрева лобового стекла.

Схема подключения обогрева стекла. Схема подогрева лобового стекла УАЗ Патриот. Схема подключения заднего стекла с обогревом на ВАЗ 2101. Схема подключения обогрева заднего стекла ВАЗ 2106. Схема подключения подогрева лобового стекла КАМАЗ.

Схема подключения обогрева стекла. Схема подключения лобового стекла Приора. Схема подогрева лобового стекла Калина-2. Схема обогрева лобового стекла Гранта.

Схема подключения обогрева стекла. Схема обогрева заднего стекла 2114. Обогрев заднего стекла ВАЗ 2114. Схема обогрева заднего стекла 2109. Схема подогрева заднего стекла ВАЗ 2109.

Схема подключения обогрева стекла. УАЗ Хантер реле обогрева лобового стекла. Комплект для подключения обогрева лобового стекла ВАЗ 2170. Обогрев лобового стекла Аутлендер 3 реле включение.

Схема подключения обогрева стекла

Схема подключения обогрева стекла. Схема подключения подогрева заднего стекла Дэу Нексия. Обогрев заднего стекла Дэу Нексия. Схема реле обогрева стекла Дэу Нексия. Схема включения обогрева стекла Нексия.

Схема подключения обогрева стекла. 23.3777 Реле схема подключения. Схема включения обогрева заднего стекла ГАЗ 3110. 77.3777 Реле схема подключения. Схема подключения реле отопления.

Схема подключения обогрева стекла. Схема подключения подогрева зеркала Рено Меган 2. Схема подключения кнопки обогрева стекла ВАЗ классика. Схема подключения подогрева зеркал с таймером.

Схема подключения обогрева стекла. Схема обогрева заднего стекла Дэу Нексия. Схема подогрева заднего стекла Дэу Нексия. Реле 456.3747-02 обогрева лобового стекла. Схема подключения обогрева заднего стекла Дэу Нексия.

Схема подключения обогрева стекла. 456.3747-02 Реле схема подключения. Реле 456.3747-02 обогрева лобового стекла. Реле 361.3787-02 схема подключения. Реле 361.3787 схема.

Схема подключения обогрева стекла. Комплект для подключения обогрева лобового стекла ВАЗ 2170. Схема проводов обогревателя лобового стекла Приоры 2. Кнопка обогрева лобового стекла Приора схема. ВАЗ 21 90 Люкс схема подключения подогрева лобового стекла.

Схема подключения обогрева стекла. Реле подогрева лобового стекла Нива Шевроле. Схема обогрева лобового стекла Нива Шевроле. Реле обогрева зеркал Нива Шевроле. Схема подключения обогрева заднего стекла Нива Шевроле.

Схема подключения обогрева стекла. Схема подключения дворников с подогревом Burner 5 через реле. Схема подключения зоны подогрева дворников. Схема кнопки подогрева стекла. Кнопка подогрева сидений Калина 1 схема.

Схема подключения обогрева стекла. Focus 2 реле муфты кондиционера. Реле муфты компрессора кондиционера акцент. Схема ходовых огней Хендай Солярис. Реле муфты кондиционера Форд фокус 3.

Схема подключения обогрева стекла. Приора 2 схема подогрева заднего стекла. Элемент обогрева заднего стекла ВАЗ 2114. Обогрев заднего стекла Приора хэтчбек.

Схема подключения обогрева стекла. Схема подогрева лобового стекла Гранта. Схема подключения подогрева лобового стекла Гранта. Схема обогрева лобового стекла Гранта.

Схема подключения обогрева стекла. Схема включения обогрева заднего стекла. Реле обогрева стекла схема подключение. Схема кнопки обогрева заднего стекла Шевроле Нива. Схема подключения обогрева заднего стекла Нива 2121.

Схема подключения обогрева стекла. Комплект для подключения обогрева лобового стекла ВАЗ 2170. Схема обогрева лобового стекла УАЗ. УАЗ Хантер реле обогрева лобового стекла.

Схема подключения обогрева стекла. Схема кнопки подогрева сидений поло седан. Подключения подогрева лобового стекла Фольксваген поло. Схема подключения подогрева сидений поло седан. Схема кнопки подогрева сидений Фольксваген поло.

Схема подключения обогрева стекла. Схема подключения подогрева зеркал. Схема подключения обогрева заднего стекла Калина 1. Схема подогрева заднего стекла ВАЗ 2115. Схема подключения электроподогрева зеркал.

Схема подключения обогрева стекла. Схема подключения обогрева зеркал через реле и кнопку. Схема подключения обогрева зеркал ВАЗ. Схема подключения подогрева зеркал.

Схема подключения обогрева стекла. Схема подключения обогрева лобового стекла УАЗ. Схема подогрева лобового стекла УАЗ Патриот. Обогрев заднего стекла БМВ е36. Схема подогрева лобового стекла Форд Мондео 3.

Схема подключения обогрева стекла. Схема подключения обогрева заднего стекла ВАЗ. Схема обогрева заднего стекла ВАЗ 2106. Кнопка подогрева заднего стекла 2107. Схема подключения обогрева заднего стекла ВАЗ 2106.

Схема подключения обогрева стекла. Схема подключения обогрева форсунок омывателя ГАЗ 3110. Подключение форсунок омывателя с подогревом схема. Кнопка включения подогрева форсунок ГАЗ 3110. Подогрев форсунок стеклоомывателя схема подключения.

Схема подключения обогрева стекла. Схема подогрева заднего стекла Дэу Нексия. Схема подключения подогрева зеркал с кнопки. Схема подключения электроподогрева зеркал. Схема подключения реле обогрева зеркал.

Схема подключения обогрева стекла. Комплект для подключения обогрева лобового стекла ВАЗ 2170. Схема подключения обогрева лобового стекла Приора. Схема подключения подогрева стекла.

Схема подключения обогрева стекла. Схема подключения обогрева лобового стекла УАЗ. Схема обогрева лобового стекла УАЗ. Схема подключения обогрева лобового стекла УАЗ Патриот. Схема подключения подогрева стекла.

Схема подключения обогрева стекла. Реле 23.3777 распиновка. Реле противотуманных фар 23.3777 схема подключения. Схема реле ПТФ 23.3777. Реле задних противотуманных фонарей 23.3777.

Схема подключения обогрева стекла. Реле обогрева ветрового стекла Гранта. Комплект для подключения обогрева лобового стекла Приора. Комплект для подключения обогрева лобового стекла 2190.

Схема подключения обогрева стекла. Реле обогрева зеркал ВАЗ 2115. Обогрев заднего стекла ВАЗ 2105 схема подключения. Схема подключения подогрева зеркал через реле. Подключение реле обогрева зеркал.

Схема подключения обогрева стекла. Схема подключения кнопки обогрева стекла Приора. Комплект для подключения обогрева лобового стекла ВАЗ 2170. Схема подключения лобового стекла Приора. Схема подогрева лобового стекла Приора.

Схема подключения обогрева стекла. Реле подогрева заднего стекла ВАЗ 2110. Кнопка включения обогрева заднего стекла ВАЗ 2110 схема. Провода кнопки обогрева заднего стекла ВАЗ 2112. Схема кнопки обогрева заднего стекла ВАЗ 2110.

Схема подключения обогрева стекла. Схема подключения подогрева заднего стекла ВАЗ 2106. Реле обогрева заднего стекла ВАЗ 2106. Подключить обогрев заднего стекла на ВАЗ 2106. Выключатель обогрева заднего стекла ВАЗ 2106.

Схема подключения обогрева стекла. Импульсное реле обогрева заднего стекла ВАЗ 2114. Схема включения обогрева заднего стекла Рено. Подключить обогрев зеркал на кнопку обогрев стекла ВАЗ 2110. Схема кнопки обогревателя заднего стекла ВАЗ 2110.

Схема подключения обогрева стекла. Схема включения обогрева заднего стекла Рено. Схема подключения обогрева стекла через реле. Схема подключения 4 контактного реле на подогрев. Схема включения обогрева через реле.

Схема подключения обогрева стекла. Блок управления подогревом лобового стекла. Схема подогрева лобового стекла УАЗ Патриот. Блок управления подогревом лобового стекла УАЗ. Блок управления обогревом лобового стекла Нива.

Схема подключения обогрева стекла

Схема подключения обогрева стекла. Включение обогрева лобового стекла на Toyota RAV 4. Тойота рав4 включение обогрева лобового стекла. Подогрев лобового стекла рав 4. Схема подогрева сидений Toyota Harrier 1 поколения.

Схема подключения обогрева стекла. Схема стеклоподъемников Газель Некст. Схема стеклоподъемника Газель Некст. Схема электростеклоподъемников Газель Некст. Реле обогрева зеркал Ларгус.

Схема подключения обогрева стекла. Комплект для подключения обогрева лобового стекла ВАЗ 2170. Схема подключения подогрева стекла Гранта. Реле обогрева лобового стекла 2110.

Схема подключения обогрева стекла. Схема подключения обогрева лобового стекла. Реле обогрева ветрового стекла УАЗ Патриот. Схема подогрева лобового стекла Калина-2.

Схема подключения обогрева стекла. Обогрев заднего стекла ВАЗ - 2190 схема. Схема обогрева заднего стекла Калина 1 седан. Реле подогрева заднего стекла Калина 1.

Схема подключения обогрева стекла. Схема подключения зоны подогрева дворников. Hyundai Solaris электрическая схема подогрева сидений. Hyundai Elantra MD схема подогрева сидений.

Схема подключения обогрева стекла. Схема подогрева лобового стекла Приора. Схема подключения электрообогрева лобового стекла.

Схема подключения обогрева стекла. Дворники с подогревом схема подключения.

Схема подключения обогрева стекла. Схема подключения подогрева зоны дворников лобового стекла. Схема подключения электрообогрева лобового стекла. Схема подключения обогрева лобового стекла.

Схема подключения обогрева стекла. Реле обогрева заднего стекла схема включения. Схема подключения реле обогрева зеркал. Схема включения обогрева через реле. Схема подключения реле подогрева заднего стекла ВАЗ.

Схема подключения обогрева стекла. Схема подключения дворников с подогревом. Схема подключения зоны подогрева дворников. Схема подключения подогрева зоны дворников лобового стекла. Схема подключения обогрева лобового стекла.

Схема подключения обогрева стекла. Схема подогрева дворников и стекла. Схема подогрева заднего стекла Хендай Гетц. Схема обогрева заднего стекла Саманд. Схема обогрева заднего стекла Getz.

Схема подключения обогрева стекла. Схема подключения обогрева зеркал Нива 2121. Схема подключения электроподогрева зеркал. Схема подключения обогрева зеркал Нива 21214. Схема подключения электрообогрева зеркал.

Схема подключения обогрева стекла. Схема подключения подогрева зеркал Калина. Схема подключения подогрева зеркал Приора 1.

Схема подключения обогрева стекла. Схема подключения обогрева лобового стекла УАЗ. Схема подключения обогрева заднего стекла ГАЗ 31105. Схема подключения обогрева стекла ГАЗ 3110. Схема обогрева заднего стекла ГАЗ 3110.

Схема подключения обогрева стекла. Схема подогрева лобового стекла Калина-2. Схема подогрева лобового стекла Гранта. Схема подключения подогрева стекла Приора.

Схема подключения обогрева стекла. Обогрев лобового стекла Калина 2 схема. Лобовое стекло Логан 2 с подогревом. Лобовое стекло с подогревом Chery Tiggo 4. Схема обогрева лобового стекла Рено Логан.

Схема подключения обогрева стекла. Схема кнопки обогрева заднего стекла 2108. Схема клавиши обогрева сидений ВАЗ 2114. Схема кнопки обогрева заднего стекла ВАЗ 2112. Схема подогрева заднего стекла ВАЗ 2115.

Схема подключения обогрева стекла. Подключение лобового стекла с обогревом ВАЗ 2114 схема. Схема подогрева лобового стекла Приора. Комплект для подключения обогрева лобового стекла ВАЗ 2170.

Схема подключения обогрева стекла. Схема подключения обогрева стекла через реле. Реле 361.3787-02 схема подключения. Реле подогрева лобового стекла ВАЗ. Комплект для подключения обогрева лобового стекла ВАЗ 2170.

Схема подключения обогрева стекла. Схема подключения обогрева лобового стекла УАЗ. Схема подключения обогрева лобового стекла Тойота. Схема подключения лобового стекла с подогревом ВАЗ. Схема подключения реле обогрева лобового стекла.

Схема подключения обогрева стекла. Схема включения обогрева заднего стекла Рено Логан 1. Схема включения обогрева заднего стекла Рено. Реле подогрева заднего стекла Рено Логан 2. Реле обогрева заднего стекла Рено Логан 1.

Схема подключения обогрева стекла. Схема подогрева лобового стекла. Схема электрообогрева лобового стекла Ford фокус-3. Схема обогрева лобового стекла Focus 2. Схема подключения подогрева лобового стекла.

Схема подключения обогрева стекла. Схема подключения электроподогрева зеркал. Схема подключения обогрева зеркал 24в. Подогрев зеркал КАМАЗ 5490 схема. Схема подключения подогрева зеркал КАМАЗ 5490.

Схема подключения обогрева стекла

Схема подключения обогрева стекла. Схема подогрева лобового стекла УАЗ Патриот. Схема подключения подогрева зеркал. Обогрев заднего стекла УАЗ Патриот схема. Схема подключения реле обогрева лобового стекла.

Схема подключения обогрева стекла. Схема подключения клавиши обогрева заднего стекла. Схема подключения обогрева заднего стекла ВАЗ 2106. Схема включения обогрева заднего стекла. Схема подогрева заднего стекла ВАЗ 2106.

Схема подключения обогрева стекла. Обогрев лобового стекла УАЗ Патриот схема. Комплект для подключения обогрева лобового стекла ВАЗ 2170. Схема подключения обогрева лобового стекла УАЗ Патриот. Кнопки подогрева лобового стекла УАЗ Патриот 2016.

Схема подключения обогрева стекла. Реле обогрева ветрового стекла УАЗ Патриот. Реле 456.3747-02 обогрева лобового стекла. Реле обогрева лобового стекла УАЗ Патриот. Реле подогрева лобового стекла УАЗ Патриот.

Схема подключения обогрева стекла. Схема подключения реле 456.3747-02 обогрева. Обогрев лобового стекла УАЗ Патриот схема. Схема подогрева лобового стекла УАЗ Патриот.

Схема подключения обогрева стекла. Схема подключения дворников с подогревом через реле. Схема подключения подогрева зоны дворников лобового стекла. Схема подключения обогрева щеток лобового стекла. Схема подключения обогрева зоны дворников.

Схема подключения обогрева стекла. Схема подключения зоны подогрева дворников. 671.3763 Схема подключения реле. Схема подключения подогрева зоны дворников лобового стекла. Схема обогрева заднего стекла Патриот.

  • Вперед Картинки на аву в ватсап со смыслом про жизнь мудрые
  • Назад Have you ever heard of the loch ness

Новые страницы

7 Х 4 решить уравнение

Ad8038ar

Автоподъемник чертежи

Что значит клапана не гнет

Фольксваген экскурс пермь

Гдз 677

Геометрия номер 334

Как выглядит клапан

Как заменить салонный фильтр на ланосе

Карта 29 в ленорман

Конькобежный спорт тренеры

Лабораторная диагностика картинки для презентации

Набор для крепления унитаза

Неисправность термостата ваз 2114

Образец согласования

Оля киоса

Ответ на претензионное письмо о невыполнении условий договора образец

Отзывы глушителя cbd на нексию

Построение носа поэтапно академический рисунок

Программа тренировок для похудения и рельефа

Протокол испытаний оборудования образец

Раст электричество схемы

Реле phoenix contact no 2987943

Шубы свадебные напрокат в ярославле

Симптомы болезни мочевого пузыря у женщин

Спорт груди

Спортивная форма женская

Стабилизатор прогресс ремонт

Тамерлан в москве

Xiaomi 7 band фитнес браслет приложение

cdn.zecar.ru