Skip to content

Фотогалерея

  • Главная
  • Контакты

Схема подключения мкд

Схема подключения мкд. Схема расключения ВРУ жилого многоквартирного. Схема электроснабжения многоэтажного здания. Схема ВРУ многоэтажного дома. Заземление многоэтажного жилого дома схема.

Схема подключения мкд. МКД-2 прот r3 схема подключения СКУД. Модуль контроля доступа МКД-2-r3. СКУД на несколько дверей.

Схема подключения мкд. Элеваторный узел системы отопления схема многоэтажного дома. Схема трубопровода системы отопления теплового узла. Схема подключения системы отопления в МКД. Элеваторный узел системы отопления в МКД.

Схема подключения мкд. Схема электроснабжения многоэтажного жилого дома. Схема электропроводки в многоэтажном здании. Схема электропроводки жилого многоэтажного дома. Принципиальная схема электроснабжения МКД.

Схема подключения мкд. Видеодомофон схема подключения многоквартирный.

Схема подключения мкд. Схема электропитания многоквартирного дома. Схемы электроснабжения жилых зданий. Схема электроснабжения многоэтажного здания. Принципиальная схема электроснабжения многоквартирного жилого дома.

Схема подключения мкд. Схема подключения горячего водоснабжения. Схемы подключения системы горячего водоснабжения. Схема системы водоснабжения ХВС. Схема подключение дома к водопроводу к системам ГВС ХВС.

Схема подключения мкд. TN-C-S система заземления ПУЭ 7.1.21. Система заземления TN-C-S В частном доме схема подключения. Заземление TN-C-S схема подключения. Система заземления ТТ В частном доме 380 вольт.

Схема подключения мкд. R3 link-рубеж-2оп. R3 link Интерфейс. Адресная метка пожарная амп-4-r3. СМК рубеж r3.

Схема подключения мкд. Адресная система пожарной сигнализации рубеж r3. Схема подключения пожарной сигнализации рубеж 2оп. Рубеж пожарная сигнализация r3. Рубеж 20оп адресная система пожарной сигнализации r3.

Схема подключения мкд. Структурная схема системы АСКУЭ. Схема соединения АСКУЭ 10 кв. АСКУЭ схема подключения. АСКУЭ схема подключения в многоквартирном доме.

Схема подключения мкд. Рубеж-20п прот r3 схема. Рубеж-2оп прот.r3 схема. Рубеж 2оп r1 схема. Рубеж-20п прот r3 схема АЛС.

Схема подключения мкд. Схема ВДГО многоквартирного дома. Внутриквартирная разводка газа схема. Схема разграничения газового оборудования. Схема разводки газа в многоквартирном доме.

Схема подключения мкд

Схема подключения мкд. Схема подключения домофона ELTIS dp400. Схема подключения домофона Элтис в многоквартирном доме. Схема подключения домофона Элтис dp100. Схема подключения домофона Элтис dp300.

Схема подключения мкд. МС-1 схема подключения. Рубеж МС-1, мoдyль coпpяжeния. Рубеж МС-1 модуль сопряжения схема подключения. Схема подключения прибора рубеж 2оп.

Схема подключения мкд. Рубеж 2оп прот r3 схема подключения. Схема подключения МКД-2 рубеж. Модулей контроля доступа МКД-2 схема подключения. МКД-2 прот.r3 схема расключения.

Схема подключения мкд. Схема подключения электроснабжения в многоквартирном доме. Схема ВРУ многоквартирного жилого дома. Схема электропитания многоквартирного жилого дома. Электроприемники 2 категории схема электроснабжения.

Схема подключения мкд. Схема заземления ВРУ-0.4 кв. Электрическая схема ВРУ 0.4 кв. Схемы принципиальные вводно распределительных устройств. Вводно распределительное устройство схема подключения.

Схема подключения мкд. Структурная схема АСКУЭ многоквартирного жилого дома. АСКУЭ схема подключения. Схемы подключения электросчетчиков для АСКУЭ. Узел учёта электроэнергии в многоквартирных домах.

Схема подключения мкд

Схема подключения мкд. Схема подачи горячей воды в многоэтажном доме схема. Схема рециркуляции горячей воды в многоквартирном доме. Закрытая система ГВС схема. Схема ГВС С рециркуляцией для многоквартирного дома.

Схема подключения мкд. Схема вводно-распределительных устройств 0,4 кв. Электрическая схема распределительного устройства 0,4кв.. Распределительный щит 0,4 кв схема. Однолинейная схема электроснабжения многоквартирного жилого дома.

Схема подключения мкд. Схема отопления многоэтажного дома с подачей снизу. Схема разводки отопления в многоквартирном доме. Схема разводки системы отопления в МКД. Схема отопления трёхэтажного частного дома.

Схема подключения мкд. Контроллер рубеж 2оп паспорт. Схема подключения МКД-2 рубеж. Рубеж 2оп колонки. Контроллер ПДУ рубеж.

Схема подключения мкд. Схема разграничения электроснабжения щитка. Схема электроснабжения подъезда многоквартирного дома. Схема подключения электричества в многоквартирном доме. Схема электроснабжения многоэтажного жилого дома из 2-х подъездов.

Схема подключения мкд. Схема расключения квартирного щитка. Схема подключения этажного щита. Схема подключения электрощитка. Схема подключения квартирного щитка.

Схема подключения мкд. Рубеж-20п прибор приемно-контрольный схема подключения. Пожарная система рубеж расключение. Пульт дистанционного управления системы пожаротушения "рубеж-ПДУ-пт".

Схема подключения мкд. Схема отопления многоэтажного дома с подачей снизу. Аксонометрическая схема отопления с верхней разводкой. Разводка труб отопления в панельном доме схема. Двухтрубная система отопления схема многоквартирного дома.

Схема подключения мкд. Рубеж-20п СКУД. СКУД рубеж схема. Модуль контроля доступа МКД-2. Система контроль доступа СКУД рубеж.

Схема подключения мкд. БВД 311r схема. Трубка домофона соединение проводов. Видеодомофон схема подключения. Схема подключения видеодомофона в многоквартирном доме.

Схема подключения мкд. Схема подключения трубки домофона в многоквартирном доме.

Схема подключения мкд. Схема подключения заземления. Схема заземления кабеля трёхжильного 10кв. Заземление многоэтажного здания схема. Схема подключения многоквартирного дома к электросети.

Схема подключения мкд. Схема подключения подъездного электрощита. Схема подключения квартирного щитка. Схема электрическая этажного щитка.

Схема подключения мкд. Структурная схема рубеж 2оп. Схема рубеж 20п. Рубеж 20п r3. Схема подключения пожарной сигнализации рубеж.

Схема подключения мкд. Схемы горячего и холодного водоснабжения в многоэтажном доме. Схема разводки горячего водоснабжения в многоквартирном доме. ГВС схема разводки горячей воды в многоквартирном доме. Схема разводки водопровода в многоквартирном доме.

Схема подключения мкд. Монтажная схема газоснабжения. Схема газопровода в квартире многоэтажного дома. Монтажная схема внутриквартирного газа. Схема подключения внутриквартирного газа.

Схема подключения мкд. Схема подключения батареи в многоквартирном доме. Схема подключения батареи сбоку вниз.

Схема подключения мкд. Схема заземления ВРУ жилого дома. Заземление здания схема электроснабжения. Заземление ГРЩ чертеж. Заземление щита распределительного чертежи.

Схема подключения мкд. Метка адресная пожарная амп-4 прот r3 рубеж. Рубеж амп-4 прот.r3-адресная метка. Адресный пожарный Извещатель схема подключения. Амп-4 прот.r3 паспорт.

Схема подключения мкд. Подъездный видеодомофон схема подключения. Видеодомофон схема подключения многоквартирный. Схема подключения подъездного домофона. Схема подключения подъездного видеодомофона.

Схема подключения мкд. Аксонометрическая схема водопровода здания. Схема дворовой сети канализации. Схема трубопроводов водопровода в1.

Схема подключения мкд. Рубеж МКД-2 прот r3. Модуль контроля доступа МКД-2 прот. R3. Схема подключения МКД-2 рубеж. Модуль контроля доступа рубеж МКД схема.

Схема подключения мкд. Устройство домофона в многоквартирном доме схема подключения. Схема подключения домофона в многоквартирном доме. Схема подключения домофона визит многоквартирного. Схема подключения домофона Vizit SM 100.

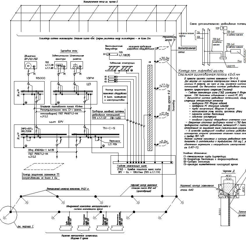
Схема подключения мкд. Схема подключения электроснабжения в многоквартирном доме. Схема электроснабжения многоэтажного жилого дома. Схемы системы электроснабжения жилых зданий. Схема уравнивания потенциалов жилого многоквартирного дома.

Схема подключения мкд. Схема централизованной системы отопления. Схема отопления многоквартирного дома централизованного отопления. Система отопления жилого многоквартирного дома схема. Система отопления МКД схема.

Схема подключения мкд. Схема подключения двухтрубной системы отопления. Схема подключения радиатора отопления разводка труб. Схема включения радиаторов отопления в систему. Схема подключения 2 трубной системы отопления.

Схема подключения мкд. Схема подключения видеодомофона к подъездному домофону Vizit. Схема подключения видеодомофона 100 кв. Схема подключения домофона Метаком 2003.1. Схема подключения домофона домофона Метаком МК20.2.

Схема подключения мкд. Адресная метка пожарная амп-4-r3. Рубеж амп-4-r3. Амп-4 прот.r3 паспорт. Рубеж амп-4 прот.r3-адресная метка.

Схема подключения мкд. Схема подключения циркуляционного трубопровода ГВС. Схема подключения горячей воды с циркуляцией. Схема ГВС закрытого типа. Схема разводки горячей воды в многоквартирном доме.

Схема подключения мкд. Схема подключения электроснабжения. Схема подключения электроснабжения в многоквартирном доме. Схема расключения ВРУ жилого многоквартирного. Схема подключения МКД электроэнергии.

Схема подключения мкд. Рубеж СКУД схема подключения. Схема подключения двух шлагбаумов. Модулей контроля доступа МКД-2 схема подключения. Схема контроллера СКУД рубеж.

Схема подключения мкд. Принципиальная схема электроснабжения МКД. Схема электроснабжения многоэтажного жилого дома. Схема подключения МКД К электросети. Схема подключения электроснабжения в многоквартирном доме.

Схема подключения мкд. Схема подключения домофона многоквартирного дома. Схема подключения многоквартирного домофона. Схема подключения трубки домофона ELTIS. Схема подключения домофона в многоквартирном доме.

Схема подключения мкд. Схема расключения ВРУ многоквартирного дома. Принципиальная схема электроснабжения многоквартирного дома. Схема подключения электроснабжения. Схема электропроводки в подъезде.

Схема подключения мкд. Схема подключения домофона Метаком мк20-тм4е. Схема подключения видеодомофона к подъездному домофону Vizit. Схема домофона с электромагнитным замком в многоквартирном доме. Домофон подъездный схема подключения.

Схема подключения мкд. Схема отопления многоэтажного дома. Система автономного отопления многоквартирного дома схема. Централизованное теплоснабжение схема. Схема погодного регулирования отопления в многоквартирном доме.

Схема подключения мкд. Схема теплового пункта с теплообменником и ГВС. Принципиальная схема теплового узла с теплообменником. Принципиальная схема теплообменника в системе отопления. Тепловая схема ЦТП.

Схема подключения мкд. Схема системы горячего водоснабжения МКД. Двухтрубная система отопления МКД. Схема открытой системы отопления МКД. Схема подключения системы отопления в МКД.

Схема подключения мкд. Схема заземления щита. Заземление распределительных устройств схема. Схема электрическая этажного щитка. Схема заземления корпуса шкафа.

Схема подключения мкд. Схема ВРУ многоквартирного жилого дома с лифтом. Схема подключения электроснабжения в многоквартирном доме. Схема электроснабжения 5 этажного жилого дома. Схема расключения ВРУ жилого многоквартирного.

Схема подключения мкд. Схема подключения домофона в многоквартирном доме. Схема подключения домофона многоквартирного дома. Схема подключения подъездного домофона. Схема подключения домофона в подъезде многоквартирном доме.

Схема подключения мкд. Схема подключения коллективной антенны. Схема эфирного телевидения в многоквартирном доме. Схема подключения кабельного ТВ В многоквартирном доме. Схема разводки кабельного телевидения.

Схема подключения мкд. Рубеж СКУД схема подключения. Схема подключения МКД-2 рубеж. Модулей контроля доступа МКД-2 схема подключения. Рубеж-20п СКУД.

Схема подключения мкд. Система вытяжной вентиляции в многоквартирном доме схема. Вентиляция пятиэтажного панельного дома схема. Схема вытяжки в многоквартирном монолитном доме. Схема вентиляции в 10 этажном панельном доме.

Схема подключения мкд. Схема подключения электроснабжения в многоквартирном доме. Схема электроснабжения многоэтажного здания. Схема расключения ВРУ жилого многоквартирного. Схема электропроводки в МКД.

Схема подключения мкд. Видеодомофон схема подключения в многоквартирном доме. Схема подключения трубки домофона в многоквартирном доме. Схема подключения домофона в подъезде многоквартирном доме. Подключение домофона в многоквартирном доме схема подключения.

Схема подключения мкд. Принципиальная схема электроснабжения многоквартирного дома. Схема электроснабжения многоэтажного здания. Схема электроснабжения многоэтажного жилого дома. Схема электроснабжения подъезда многоквартирного дома.

Схема подключения мкд. Схема отопления и ГВС В многоквартирном доме. Система водоснабжения МКД схема. ГВС В МКД схема. Схема системы ГВС многоквартирного дома.

Схема подключения мкд

Схема подключения мкд. Система учета электроэнергии АСКУЭ. Схема электроснабжения многоквартирного дома. Схема подключения электроснабжения в многоквартирном доме. Схема электропитания многоквартирного дома.

Схема подключения мкд. Схема соединения проводов заземление. Схема подключения контура заземления к щитку. Заземление TN-C-S В частном доме схема на 380. Схема ввода электричества в многоквартирном доме.

Схема подключения мкд. Принципиальная схема электроснабжения многоквартирного жилого дома. Однолинейная схема электроснабжения пятиэтажного дома. Типовой проект электроснабжения многоквартирного жилого дома. Электрическая схема ВРУ 5 этажного дома.

Схема подключения мкд. Схема электроснабжения многоэтажного здания. Схема электроснабжения многоэтажного жилого дома. Принципиальная электрическая схема электроснабжения дома. Схема электроснабжения многоквартирного дома поэтажная.

Схема подключения мкд. Схема подключения пожарной сигнализации рубеж 2оп. Рубеж-20п прот r3 схема. Схема подключения приборов рубеж. Рубеж 2оп прот r3 схема подключения.

Схема подключения мкд. Схема подключения ОДПУ электроэнергии. Схема подключения счетчиков отопления. Схема подключения узла учета электроэнергии в многоквартирном доме. Схема подключения МКД электроэнергии.

Схема подключения мкд. БВД sm100 схема подключения. Коммутатор Цифрал КМГ-100 схема подключения. Схема подключения домофона визит многоквартирного. Блок вызова БВД-sm100 расключаа.

Схема подключения мкд. Контроллер адресных устройств рубеж-кау2 прот. R3. Рубеж кау-2 контроллер адресных устройств r3. Рубеж кау-2 прот.r3. Контроллер адресных устройств рубеж-кау2 прот. R3 RBZ-123382.

Схема подключения мкд. Схема видеонаблюдения МКД. Видеонаблюдение подъезда схема подключения. Система видеонаблюдения в многоквартирном доме схема. Устройство домофона в многоквартирном доме схема подключения.

Схема подключения мкд. Общедомовой прибор учета отопления в многоквартирном доме схема. Схема подключения прибора учёта отопления в квартире. Схема установки общедомового счетчика тепла в многоквартирном доме. Схема установки приборов учета отопления.

Схема подключения мкд. Схема водоснабжения горячей и холодной воды в многоквартирном доме. Схема системы центрального водоснабжения многоэтажных домов. Схема трубопроводов горячего водоснабжения многоквартирного дома. Схема подачи холодной и горячей воды в многоэтажном доме.

Схема подключения мкд. Система ГВС В многоквартирном доме схема. Схема отопления высотных зданий 200м. Схема трубопроводов системы отопления. Аксонометрическая схема отопления МКД.

  • Вперед Престиж фитнес цены
  • Назад Стабилитрон 7805

Новые страницы

Автомир шевроле на ярославке

Декларация усн образец заполнения доходы

Devopsportal sigma sbrf

Договор на передержку животного образец

Дом с бомбоубежищем в подвале

Емельянова тренинг

Эскиз тату на шею орел

Фольксваген джетта ставрополь

Как похудеть не занимаясь спортом

Карта осадков торжок онлайн

Корневая система шелковицы схема

Леруа мерлен пермь

Mac как отличить подделку

Математика 5 класс виленкин 2 часть стр 123

Митсубиси лансер или ниссан альмера

Налоговый вычет заявление образец

Образец упрощенного баланса

Перечисление средств на депозитный счет арбитражного суда образец платежки

Перила чертеж с размерами

Платы под заказ

Последствия цунами в японии не

Проверка пароля на утечку

Рабочая тетрадь по математике 2 часть 4 класс перспектива

Схема подключения мкд

Схема включения печки калина 2194

Сигнализация томагавк значки на брелке

Снять квартиру в поселке свердлова

Сведения об операциях с целевыми субсидиями в суфд образец заполнения

Театр пушкина схема

Тэм 006 04

cdn.zecar.ru