Skip to content

Фотогалерея

  • Главная
  • Контакты

Схема плавного пуска электроинструмента

Схема плавного пуска электроинструмента. Электрическая схема плавного пуска электроинструмента. Схема подключения плавного пуска УШМ. Схема плавного пуска электродвигателя болгарки. Схема плавного пуска электроинструмента своими руками для болгарки.

Схема плавного пуска электроинструмента. Схема подключения модуля плавного пуска. Плавный пуск для электроинструмента схема подключения. Схема подключения блока плавного пуска. Плавный пуск для детского электромобиля 12в.

Схема плавного пуска электроинструмента. Схема регулятора плавного пуска оборотов болгарки. Устройство плавного пуска для электроинструмента схема подключения. Схема плавного пуска электроинструмента своими руками. Схема плавного включения болгарки.

Схема плавного пуска электроинструмента. Схема подключения плавного пуска УШМ. Устройство плавного пуска для электроинструмента схема подключения. Схема включения плавного пуска электроинструмента. Схема подключения плавного пуска УШМ 230.

Схема плавного пуска электроинструмента. Плавный пуск электродвигателя 220 схема. Схема плавного пуска электродвигателя болгарки. Схема регулятора оборотов асинхронного электродвигателя. Схема плавного пуска коллекторного двигателя 220в.

Схема плавного пуска электроинструмента. Плавный пуск коллекторного двигателя 220в схема. Схема подключения регулятора оборотов УШМ-125. Регулятор оборотов электролобзика схема. Схема регулятора плавного пуска оборотов болгарки.

Схема плавного пуска электроинструмента. Плавный пуск болгарки схема lm358. Плавный пуск на lm358 схема. 358 Плавный пуск схема. Схема плавного пуска блока питания.

Схема плавного пуска электроинструмента. Плавный пуск болгарки схема lm358. Плавный пуск для болгарки схема. Плавный пуск болгарки плата lm358 SMD. Плавный пуск на lm358 схема.

Схема плавного пуска электроинструмента. Плавный пуск электродвигателя 220 схема подключения. Плавный пуск двигателя 220в схема. Схема плавного пуска электроинструмента своими руками для болгарки. Плавный пуск электродвигателя 220 своими руками.

Схема плавного пуска электроинструмента. Устройство плавного пуска электроинструмента схема. Плавный пуск для электроинструмента схема. Схема плавного пуска двигателя 220в. Устройство плавного пуска для электроинструмента своими руками.

Схема плавного пуска электроинструмента. Схема плавного пуска коллекторного двигателя 220в. Схема плавного пуска двигателя 220в. Плавный пуск электродвигателя своими руками 220в схема. Устройство плавного пуска болгарки схема.

Схема плавного пуска электроинструмента. Плавный пуск электродвигателя 220 схема подключения. Схема подключения УШМ плавный пуск. Устройство плавного пуска для электроинструмента схема подключения. Плавный пуск для болгарки схема.

Схема плавного пуска электроинструмента. Плавный пуск электродвигателя 220 схема. Плавный пуск коллекторного двигателя 220в схема. Схема плавного пуска двигателя 220в. Плавный пуск для коллекторного двигателя 220в.

Схема плавного пуска электроинструмента. Плавный пуск коллекторного двигателя 220в схема. Схема плавного пуска электродвигателя 220в. Схема регулятора плавного пуска оборотов болгарки. Схемы плавного запуска коллекторных двигателей.

Схема плавного пуска электроинструмента

Схема плавного пуска электроинструмента. Схема плавного пуска электроинструмента с регулятором оборотов. Плавный пуск двигателя 220в схема. Устройство плавного пуска коллекторного двигателя схема. Устройство плавного пуска болгарки схема.

Схема плавного пуска электроинструмента. Плавный пуск коллекторного двигателя 220в схема подключения. Схемы плавного пуска коллекторных электродвигателей. Схема подключения УШМ плавный пуск. Схема плавного пуска двигателя 220в.

Схема плавного пуска электроинструмента. Схема плавного пуска двигателя 220в. Плавный пуск коллекторного двигателя 220в схема. Плавный пуск для болгарки схема. Плавный пуск электродвигателя 220 схема.

Схема плавного пуска электроинструмента. Плавный пуск электродвигателя своими руками 220в схема. Схема плавного пуска двигателя 220в. Плавный пуск электродвигателя 220 своими руками. Плавный пуск коллекторного двигателя 220в схема.

Схема плавного пуска электроинструмента. Схемы плавного пуска коллекторных электродвигателей. Схема плавного пуска электродвигателя 220в. Схема плавного пуска электродвигателя болгарки. Схема плавного пуска коллекторного двигателя.

Схема плавного пуска электроинструмента

Схема плавного пуска электроинструмента. Плавный пуск для болгарки 3 проводной схема подключения. Схема включения плавного пуска на УШМ. Принципиальная схема плавного пуска электроинструмента. К1182пм1р плавный пуск.

Схема плавного пуска электроинструмента. Схема плавного пуска электроинструмента своими руками для болгарки. Плавный пуск электродвигателя своими руками 220в схема. Плавный пуск для болгарки своими руками схема. Схема подключения плавного пуска УШМ.

Схема плавного пуска электроинструмента

Схема плавного пуска электроинструмента. Устройство плавного пуска для электроинструмента схема подключения. Схема плавного пуска двигателя с регулятором оборотов. Регулятор оборотов с плавным пуском схема. Плавный пуск двигателя 220в схема.

Схема плавного пуска электроинструмента. Плавный пуск 220в схема. Регулятор скорости болгарки схема. Плавный пуск коллекторного двигателя 220в схема. Схема включения болгарки с регулятором.

Схема плавного пуска электроинструмента. Схема плавного пуска двигателя 220в. Плавный пуск коллекторного двигателя 220в схема. Плавный пуск асинхронного электродвигателя своими руками 220в схема. Плавный пуск электродвигателя 220 схема.

Схема плавного пуска электроинструмента. Плавный пуск коллекторного двигателя 220в схема. Схема плавного включения болгарки. Схема плавного пуска электродвигателя 220в.

Схема плавного пуска электроинструмента. Плавный пуск электродвигателя 220 схема. Плавный пуск для болгарки схема. Плавный пуск электродвигателя своими руками 220в схема. Схема регулятора плавного пуска болгарки.

Схема плавного пуска электроинструмента. Плавный пуск двигателя 12в схема. Плавный пуск для болгарки схема. Схема подключения плавного пуска УШМ 230. Схема подключения УШМ плавный пуск.

Схема плавного пуска электроинструмента. Плавный пуск для болгарки схема. Плавный пуск для болгарки схема подключения. Схема подключения устройства плавного пуска болгарки. Плавный пуск электродвигателя 12в схема.

Схема плавного пуска электроинструмента. Плавный пуск двигателя 220в схема. Плавный пуск электродвигателя своими руками 220в схема. Схема плавного пуска электродвигателя для пылесоса. Плавный пуск коллекторного двигателя 220в схема.

Схема плавного пуска электроинструмента. Устройство плавного пуска для электроинструмента схема подключения. Плавный пуск для электроинструмента схема подключения. Схема модуля плавного пуска болгарки. Схема плавного пуска электродвигателя для триммера.

Схема плавного пуска электроинструмента. Плавный пуск болгарки электрическая схема. Плавный пуск болгарки схема lm358. Электрическая схема плавного пуска электроинструмента. Схема плавного пуска двигателя 220в.

Схема плавного пуска электроинструмента. Схема плавного пуска электроинструмента своими руками для болгарки. Схема плавного пуска электродвигателя болгарки. Схема плавного пуска электродвигателя 12в. Схема плавного пуска болгарки.

Схема плавного пуска электроинструмента. Схема плавного пуска электродвигателя болгарки. Схема регулятора оборотов болгарки на микросхеме. Схема стабилизации частоты вращения болгарки. Плавный пуск на двигатель 220 вольт схема.

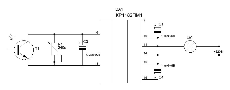
Схема плавного пуска электроинструмента. Кр1182пм1 схема плавного пуска. Плавный пуск болгарки схема lm358. Кр1182пм1 плавный пуск болгарки. К1182пм1р регулятор мощности.

Схема плавного пуска электроинструмента. Принципиальная схема плавного пуска электроинструмента. Схема плавного пуска коллекторного двигателя 220в. Схема подключения плавного пуска УШМ. Плата плавного пуска для электроинструмента схема подключения.

Схема плавного пуска электроинструмента. Плавный пуск электродвигателя 220 схема. Плавный пуск электродвигателя 220 схема подключения. Схема плавного пуска электродвигателя болгарки. Схема плавного пуска коллекторного двигателя 220в.

Схема плавного пуска электроинструмента. Плавный пуск электродвигателя 220 схема. Схема плавного пуска электродвигателя болгарки. Устройство плавного пуска электродвигателя схема своими руками. Схема плавного пуска двигателя 220в.

Схема плавного пуска электроинструмента. Схема плавного пуска ламп накаливания 220в. Схемы плавного включения электроинструмента 220в. Плавный пуск лампы накаливания 220 схема. Схема плавного включения лампы 220в.

Схема плавного пуска электроинструмента. Схема плавного пуска электродвигателя болгарки. Схема плавного пуска электродвигателя для пылесоса. Схема плавного пуска электродвигателя 220в. Плавный пуск коллекторного двигателя 220в схема.

Схема плавного пуска электроинструмента. Схема плавного пуска электродвигателя болгарки. Принципиальная схема плавного пуска электроинструмента. Схема регулятора плавного пуска оборотов болгарки. Плавный пуск + регулировка оборотов на болгарку схема.

Схема плавного пуска электроинструмента. Плавный пуск лампы накаливания 220 схема. Кр1182пм1 плавный пуск. Схема плавного пуска двигателя 220в. К1182пм1р регулятор мощности.

Схема плавного пуска электроинструмента. Схема плавного включения ламп накаливания 220в на симисторе схема. Схема плавного пуска ламп накаливания. Плавный пуск для ламп накаливания схема. Схема плавного пуска для лампы.

Схема плавного пуска электроинструмента. Плавный пуск лампы накаливания 220 схема. Плавное включение светодиодных ламп 220в схема. Схема плавного включения ламп накаливания 220в на симисторе схема. Схема плавного включения и выключения ламп накаливания 220в.

Схема плавного пуска электроинструмента. Принципиальная схема плавного пуска электроинструмента. Схема плавного пуска электродвигателя 220в. Плавный пуск для болгарки схема. Плавный пуск двигателя 220в схема.

Схема плавного пуска электроинструмента. Схема плавного пуска электроинструмента своими руками. Схема плавного пуска электроинструмента своими руками для болгарки. Схема плавного пуска коллекторного двигателя 220в. Схема плавного пуска электродвигателя болгарки.

Схема плавного пуска электроинструмента. Устройство плавного пуска для электроинструмента схема подключения. Плавный пуск электродвигателя 220 схема. Схема плавного пуска электродвигателя 220в. Схема плавного пуска двигателя 220в.

Схема плавного пуска электроинструмента. Плавный пуск для болгарки схема. Схема плавного пуска электроинструмента своими руками. Схема плавного пуска электродвигателя болгарки. Схема плавного пуска болгарки.

Схема плавного пуска электроинструмента. Плавный пуск коллекторного двигателя 220в схема. Плавный пуск двигателя 220в схема. Схема плавного пуска электродвигателя 12в. Плавный пуск электродвигателя 220 схема подключения.

Схема плавного пуска электроинструмента. Устройство плавного пуска для электроинструмента схема подключения. Схема плавного пуска электродвигателя болгарки. Схема плавного пуска двигателя 220в. Плавный пуск коллекторного двигателя 220в схема.

Схема плавного пуска электроинструмента. Плавный пуск лампы накаливания 220 схема. Плавное включение ламп накаливания 220в схема. Схемы плавного включения электроинструмента 220в. Плавный розжиг лампы накаливания 220в.

Схема плавного пуска электроинструмента. Плавный пуск коллекторного двигателя 220в схема. Плавный пуск усилителя мощности схема. Плавный пуск для электроинструмента схема подключения. Реле плавного пуска электроинструмента схема.

Схема плавного пуска электроинструмента. Устройство плавного пуска насоса УПП-2.2C. Плавный пуск электродвигателя 220 схема. Плавный пуск электродвигателя 220. Плавный пуск коллекторного двигателя 220в схема.

Схема плавного пуска электроинструмента. Устройство плавного пуска электродвигателя схема. Схема плавного пуска двигателя постоянного тока 12в. Схема плавного пуска коллекторного двигателя 220в. Схема 2. схема плавного пуска электроинструмента.

Схема плавного пуска электроинструмента. Схема плавного пуска электродвигателя 220в. Плавный пуск коллекторного двигателя 220в схема. Плавный пуск электродвигателя 220 схема. Схемы плавного включения электроинструмента 220в.

Схема плавного пуска электроинструмента. Схема плавного пуска электродвигателя болгарки. Плавный пуск электродвигателя 220 схема подключения. Схема регулятора плавного пуска оборотов болгарки. Плавный пуск для болгарки схема.

Схема плавного пуска электроинструмента. Схема плавного пуска электродвигателя болгарки. Схема плавного пуска болгарки. Устройство плавного пуска болгарки схема. Электрическая схема плавного пуска электроинструмента.

Схема плавного пуска электроинструмента. Устройство плавного пуска схема подключения. Устройство плавного пуска Акваконтроль схема подключения. Акваконтроль Extra УПП-4д-2,5. Устройство плавного пуска болгарки схема.

Схема плавного пуска электроинструмента. Схема плавного пуска лампочки 12v. Схема плавного пуска электродвигателя 220в. Плавный пуск для электроинструмента схема подключения. Плавный пуск лампы накаливания 220 схема.

Схема плавного пуска электроинструмента. Плавный пуск коллекторного двигателя 220в схема.

Схема плавного пуска электроинструмента. Кр1182пм1 плавный пуск. Схема плавного пуска электродвигателя 220в. К1182пм1р регулятор мощности электродвигателя. Кр1182пм1 схема плавного пуска.

Схема плавного пуска электроинструмента. Плавный пуск для циркулярной пилы схема. Устройство плавного пуска электродвигателя схема своими руками. Схема электрическая принципиальная УШМ. Эл схема плавного пуска Эл инструмента.

Схема плавного пуска электроинструмента. Схема подключения блока плавного пуска. Плавный пуск коллекторного двигателя 220в схема. Плавный пуск для болгарки схема подключения. Схема подключения блока плавного включения болгарки.

Схема плавного пуска электроинструмента. Плавный пуск электродвигателя 220 схема. Плавный пуск для электроинструмента схема. Схема плавного пуска электродвигателя постоянного тока. Схема плавного пуска УШМ.

Схема плавного пуска электроинструмента

Схема плавного пуска электроинструмента. Плавный пуск двигателя 12в схема. Схема плавного пуска электродвигателя 12в. Схема плавного пуска болгарки. Плавный пуск для торцовочной пилы схема подключения.

Схема плавного пуска электроинструмента. Плавный пуск электродвигателя 220 схема. Схема плавного пуска двигателя 220в. Схема плавного пуска электродвигателя болгарки. Плавный пуск электродвигателя 220 вольт схемы.

Схема плавного пуска электроинструмента. Устройство плавного пуска для электроинструмента схема подключения. Схема плавного пуска болгарки 220в. Плавный пуск двигателя 220в схема. Плавный пуск электродвигателя 220 схема подключения.

Схема плавного пуска электроинструмента. Плавный пуск коллекторного двигателя 220в схема. Схема плавного пуска двигателя 220в. Медленный пуск болгарки схема. Устройство плавного пуска болгарки схема.

Схема плавного пуска электроинструмента. Схема плавного пуска коллекторного двигателя. Плавный пуск для электроинструмента схема. Плавный пуск для болгарки схема.

Схема плавного пуска электроинструмента. Плавный пуск электродвигателя 220 схема. Схема плавного пуска электродвигателя болгарки. Плавный пуск электродвигателя 220 схема подключения. Схема плавного пуска двигателя 220в.

Схема плавного пуска электроинструмента. Плавный пуск двигателя 220в схема. Схема плавного пуска электродвигателя постоянного тока 12в. Плавный пуск электродвигателя 220 схема. Плавный пуск двигателя постоянного тока 12в схема.

Схема плавного пуска электроинструмента

Схема плавного пуска электроинструмента. Электрическая схема плавного пуска электроинструмента. Схема подключения плавного пуска на болгарку. Схема плавного пуска электродвигателя 220в. Схема плавного пуска электродвигателя болгарки.

Схема плавного пуска электроинструмента. Схема плавного включения болгарки. Схемы симисторных регуляторов мощности для индуктивной нагрузки. Схема плавного пуска электродвигателя болгарки. Регулятор мощности на bt136 600e.

Схема плавного пуска электроинструмента. Плавный пуск электродвигателя 220 схема. Плавный пуск для болгарки схема. Схема плавного пуска электродвигателя болгарки. Плавный пуск электродвигателя 220 схема подключения.

Схема плавного пуска электроинструмента. Д014-1а схема датчика. Принципиальная схема датчика ex-03n. Fs26 датчик схема. Датчик холла ky-024 схема.

Схема плавного пуска электроинструмента. Кр1182пм1 плавный пуск. Регулятор скорости вращения асинхронного двигателя 220в. Устройство плавного пуска электродвигателя схема своими руками. Схема плавного пуска на к1182пм1р.

Схема плавного пуска электроинструмента. К1182пм1р плавный пуск. Плавный пуск двигателя пылесоса схема. Схема плавного пуска электродвигателя для пылесоса. Схема плавного пуска электроинструмента на кр1182пм1.

Схема плавного пуска электроинструмента. Схема плавного пуска двигателя постоянного тока 12в. Плавный пуск электродвигателя 220 схема подключения. Плавный пуск двигателя 220в схема. Схема плавного пуска электродвигателя 18в для шуруповерта.

Схема плавного пуска электроинструмента. Устройство плавного пуска схема электрическая принципиальная. Схема плавного пуска электроинструмента своими руками. Схема плавного пуска двигателя 220в. Устройство плавного пуска для электроинструмента схема подключения.

Схема плавного пуска электроинструмента. Плавный пуск двигателя 220в схема. Плавный пуск электродвигателя 220 схема. Плавный пуск коллекторного двигателя 220в схема. Плавный пуск коллекторного двигателя 220в схема подключения.

  • Вперед Как поменять топливный фильтр на шкода фабия
  • Назад Словарные слова с картинками 1 класс школа россии распечатать

Новые страницы

2 Котенка обнимаются картинки

Дом музей цветаевых в тарусе

Достопримечательности россии здания

Гдз по биологии 8 сивоглазова

Изоляция для труб из вспененного полиэтилена

Как подтянуть ручник киа спектра

Как снять магнитолу рено флюенс

Какие жанры вокальной музыки

Карта старобельского района с дорогами и деревнями

Картинки скинов в pony town

Кран полипропилен 25

Марки пикапов внедорожников

Обозначение w в электрике что это

Образец доверенности от организации

Образец ходатайства об удо от осужденного

Приказ о проведении служебной проверки в отношении работника образец

Промвал шеви нива на шрусах

Редуктор для машины

Регулятор оборотов электродрели схема

Роман кош крымские горы

Шины кордиант спорт 3

Симферополь парк тренева карта

Синема парк седьмое небо

Служебная записка о премии за хорошую работу образец

Спортивный лабиринт ориентирование

Спортмастер тюмень адреса магазинов

Суд при рассмотрении дела договор

W1p smd транзистор datasheet

Заповедник алушта официальный сайт

Заявление в арбитражный суд о включении в реестр кредиторов образец

cdn.zecar.ru