Skip to content

Фотогалерея

  • Главная
  • Контакты

Схема плата зарядки

Схема плата зарядки. Модуль контроллер заряда li- ion аккумуляторов 2s. Контроллер заряда литиевых аккумуляторов 18650. Плата BMS HX 3s-01. Схема литий ионного аккумулятора для шуруповерта.

Схема плата зарядки. Плата зарядки для 18650 схема подключения. Tp4056 схема включения. Модуль контроллера заряда tp4056 схема. Контроллер заряда литиевых аккумуляторов 12в.

Схема плата зарядки. Плата заряда tp4056 с защитой схема. Модуль зарядки li-ion на tp4056 схема. Tp4056 модуль заряда аккумуляторов 18650 схема. Модуль контроллера заряда tp4056 схема.

Схема плата зарядки. Схема зарядки батареи литий ионных аккумуляторов 18650. Зарядка li-ion аккумуляторов 18650. IMAX b6 зарядка li-ion 18650 с балансировкой. Схема контроллера зарядки литий-ионного аккумулятора.

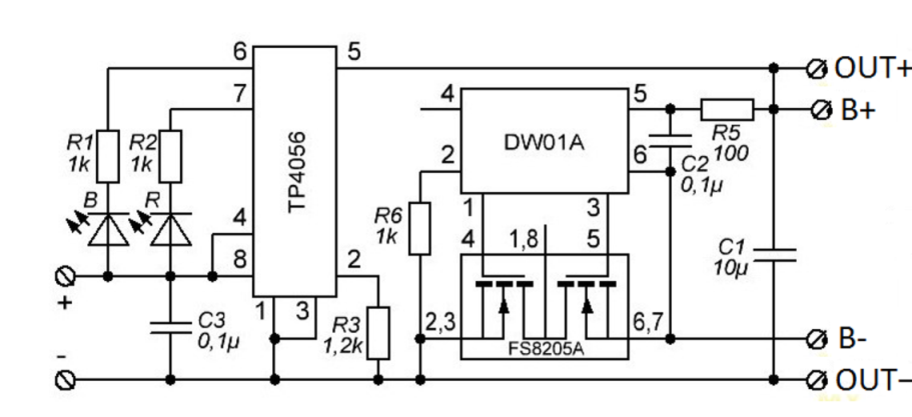
Схема плата зарядки. Контроллер заряда на dw01. Плата контроллера заряда tp4056. 4056 Контроллер заряда схема включения. 4056 Контроллер заряда Datasheet.

Схема плата зарядки. Плата для зарядки 2 литий-ионных аккумуляторов. BMS 2s 18650. Плата зарядки для 18650 на 2 аккумулятора. Плата зарядки для 18650 аккумуляторов схема подключения.

Схема плата зарядки. Контроллер зарядки литий-ионного аккумулятора 3.7. 4056 Контроллер заряда схема. Схема контроллера зарядки литий-ионного аккумулятора. Зарядка литий ионных аккумуляторов tp4056.

Схема плата зарядки. Схема зарядки на tp4056. Зарядка на 4056 схема. Плата зарядки тр4056. Tp4056 pinout.

Схема плата зарядки. Модуль зарядки li-ion на tp4056 схема. Модуль контроллера заряда tp4056 схема. Модуль заряда tp4056 схема. 4056 Контроллер заряда схема включения.

Схема плата зарядки. Модуль зарядки tp4056. Модуль заряда li-ion аккумуляторов 18650. Схема подключения модуля зарядки литий ионных аккумуляторов. Модуль зарядки li-ion аккумулятора 18650 схема.

Схема плата зарядки. Схема контроллера зарядки литий-ионного аккумулятора. Контроллер заряда литий ионных аккумуляторов схема. Схема заряда li-ion аккумулятора. Схемы контроля литий ионных аккумуляторов.

Схема плата зарядки. Плата для зарядки литий-ионных аккумуляторов 18650 схема. Контроллер заряда литий ионных аккумуляторов схема. Плата BMS 5s. Схема контроллера заряда li-ion аккумулятора шуруповерта.

Схема плата зарядки. Схема заряда li-ion аккумулятора. Зарядка литий ионных аккумуляторов tp4056. 4056 Контроллер заряда схема включения. Контроллер зарядки на тр4056.

Схема плата зарядки. Плата зарядки 18650 tp4056. Контроллер tp4056. Модуль зарядки tp4056. Платы заряда tp4056 схема.

Схема плата зарядки. Тр4056 схема подключения. 4056 Контроллер заряда схема включения. Плата зарядки 4056 схема подключения. Плата зарядки для 18650 схема подключения.

Схема плата зарядки. Контроллер заряда 8205а. Контроллер заряда на dw01. Схема зарядки литий ионных аккумуляторов 3.7в. Схема зарядки литий ионных аккумуляторов.

Схема плата зарядки. Модуль заряда аккумуляторов tp4056. Зарядка li-ion аккумуляторов схема. Модуль для зарядки литиевых аккумуляторов 18650. Модуль заряда li-ion аккумуляторов tp4056.

Схема плата зарядки. Контроллер заряда li-ion аккумуляторов 03962a tp4056 Micro USB. Модуль зарядки tp4056. Контроллер заряда li-ion аккумулятора 12v. Модуль заряда li-ion аккумуляторов 18650.

Схема плата зарядки. Схема зарядки аккумулятора 18650 от юсб. Зарядное устройство li ion USB схема. Схема включения микросхемы tc4056a. Китайская зарядка li-ion аккумуляторов схема.

Схема плата зарядки. Плата контроллера заряда tp4056. Tp4056 DC-DC преобразователь повышающий. Tp4056 габариты. 4056 Контроллер заряда Datasheet.

Схема плата зарядки. Микросхема контроллер заряда li-ion аккумулятора. Схема защиты li-ion аккумулятора 3.7v. Контроллер заряда аккумулятора 3.7 вольт схема. Плата защиты li-ion аккумуляторов схема подключения 18650 li-ion.

Схема плата зарядки. Зарядное устройство на микроконтроллере atmega8. Схема на микроконтроллере для зарядки автомобильного аккумулятора. Схема зарядного для автомобильного аккумулятора на микроконтроллере. Автоматическое зарядное устройство на atmega16.

Схема плата зарядки. Модуль заряда аккумуляторов tp4056. Модуль 4056 для зарядки 18650. Tp4056 контроллер заряда. Контроллер заряда li-ion аккумуляторов 03962a tp4056 Micro USB.

Схема плата зарядки. Mt3608+tp4056. 4056 Контроллер заряда Datasheet. Tp4056 габариты. 4056 Контроллер заряда схема включения.

Схема плата зарядки. Модуль заряда аккумуляторов tp4056. Модуль заряда li-ion аккумуляторов 18650. Tp4056 DC/DC преобразователь. Tp4056 резистор.

Схема плата зарядки. 4056 Контроллер заряда схема включения. Tp4056 контроллер заряда схема. Плата контроллера заряда tp4056. Tp4056 модуль балансировка.

Схема плата зарядки. BMS 2s li-ion. BMS 3s tp4056. Контроллер заряда li-ion аккумулятора 12v. BMS контроллер 2s.

Схема плата зарядки. Модуль заряда аккумуляторов tp4056. Контроллер для зарядки li-ion аккумуляторов 18650. Модуль заряда li-ion аккумуляторов 03962a. 4056 Контроллер заряда Datasheet.

Схема плата зарядки. 4056 Контроллер заряда Datasheet. Модуль заряда аккумуляторов tp4056. 4056 Контроллер заряда схема. USB 5в 1а 18650 tp4056.

Схема плата зарядки. Модуль контроллера заряда tp4056 схема. 4056 Контроллер заряда Datasheet. Tp4056 повербанк. Микросхема контроллер заряда li-ion аккумулятора.

Схема плата зарядки. Контроллер заряда литий ионных аккумуляторов схема. Схема контроллера зарядки литий-ионного аккумулятора. Схема контроллера литий-ионного аккумулятора 18650. Схема защитной платы литий ионного аккумулятора.

Схема плата зарядки. 4056 Контроллер заряда схема. Модуль зарядки li-ion аккумулятора 18650 схема. 4056 Контроллер заряда схема подключения. Модуль заряда li-ion аккумулятора 24.

Схема плата зарядки. Плата зарядки на li-ion 3 Ампера. Плата контроллера заряда li-ion аккумулятора 12в. Контроллер заряда 3 7 вольт. Индикатор тока зарядки li-ion аккумулятора.

Схема плата зарядки. Tp4056 контроллер заряда. Схема контроллера зарядки литий-ионного аккумулятора. Контроллер заряда аккумулятора схема подключения. Микросхема контроллер заряда li-ion аккумулятора.

Схема плата зарядки. Плата зарядки li-ion аккумулятора схема подключения. Модуль зарядки li-ion аккумулятора 18650 схема. Контроллер заряда li-ion аккумулятора схема подключения. Tp4056 контроллер заряда.

Схема плата зарядки. 4056 Контроллер заряда Datasheet. Модуль зарядки tp4056 схема. Плата зарядки тр4056. 4056e схема включения.

Схема плата зарядки. Контроллер зарядки на тр4056. Плата тр4056 для зарядки аккумулятора. Модуль зарядки ТП 4056. Контроллер заряда li-ion аккумуляторов 03962a tp4056 Micro USB.

Схема плата зарядки. Контроллер заряда li-ion аккумулятора 3.7v. Микросхема контроля заряда li-ion. Микросхема контроллер заряда li-ion аккумулятора. Контроллер заряда литиевых аккумуляторов 12в.

Схема плата зарядки. Модуль контроллера зарядки tp4056. Контроллер заряда li-ion аккумуляторов 03962a tp4056 Micro USB. Модуль заряда аккумуляторов tp4056. Контроллер заряда li-ion аккумуляторов 03962a tp4056 Micro USB схема включения.

Схема плата зарядки. Модуль для зарядки литиевых аккумуляторов 18650. Модуль 4056 для зарядки 18650. Модуль заряда li-ion аккумуляторов 18650. Контроллер заряда литиевого li-ion аккумулятора модуль tp4054.

Схема плата зарядки. Модуль заряда аккумуляторов tp4056. Контроллер заряда литиевых аккумуляторов 12в. Плата зарядки li-ion аккумулятора схема подключения. Заряда li-ion аккумуляторов tp4056.

Схема плата зарядки. Модуль заряда аккумуляторов tp4056. Tp4056 контроллер заряда. Модуль зарядки тр4056 схема. Модуль заряда аккумуляторов tp4056 схема.

Схема плата зарядки. Схема зарядки литиевого аккумулятора 3.7 вольт. Схема зарядки литий ионных аккумуляторов 12в. Контроллер заряда литий ионных аккумуляторов схема. Схема зарядного устройства для li-ion аккумуляторов 3.7в.

Схема плата зарядки. Модуль заряда li-ion аккумуляторов tp4056. 4056 Контроллер заряда схема подключения. Схема подключения плата зарядки аккумуляторов 18650 li-ion. Параллельное подключение аккумуляторов 18650 схема.

Схема плата зарядки. Схема печатной платы зарядного устройства. Печатная плата тиристорного зарядного устройства на ку202. Зарядное устройство на тиристоре печатная плата. Печатная плата зарядного устройства для автомобильного аккумулятора.

Схема плата зарядки. 4056 Контроллер заряда схема включения. 4056 Контроллер заряда схема подключения. Контроллер заряда литиевых аккумуляторов 20l. Тр4056 схема.

Схема плата зарядки. Схема контроллера заряда li-ion аккумулятора 18650. Tp4056 контроллер заряда. Контроллер заряда 2s li-ion аккумулятора. Контроллер заряда li-ion аккумулятора 12v.

Схема плата зарядки. Схема зарядки tp4056 с защитой. Tp4056 контроллер заряда. Зарядка li ion с защитой tp4056 схема. Контроллер заряда tp4056 аналоги.

Схема плата зарядки. Контроллер заряда li-ion BMS 3s. BMS 3s схема. BMS 3s 20a. Модуль заряда аккумуляторов 3s 10a.

Схема плата зарядки. Схема подключения 3s18650. Схема заряда li-ion аккумулятора. Контроллер заряда li-ion аккумулятора 12v. BMS 3s tp4056.

Схема плата зарядки. Модуль 4056 для зарядки 18650. Tp4056 контроллер заряда. Плата заряда литий ионных аккумуляторов 18650. Модуль для зарядки литиевых аккумуляторов 18650.

Схема плата зарядки. Модуль 4056 для зарядки 18650. Модуль заряда аккумуляторов tp4056. Модуль зарядки 18650 Micro-USB. Модуль заряда аккумуляторов tp4056 Micro USB.

Схема плата зарядки. Tp4056 контроллер заряда. 4056 Контроллер заряда Datasheet. 4056 Контроллер заряда схема. Модуль заряда tp4056 схема.

Схема плата зарядки. Контроллер заряда li-ion аккумулятора 12v. Схема платы защиты li-ion аккумулятора. Схема контроллера заряда li-ion аккумулятора. Контроллер заряда литий ионных аккумуляторов схема.

Схема плата зарядки. Модуль заряда аккумуляторов tp4056. Модуль заряда аккумуляторов tp4056 схема подключения. Модуль заряда li-ion аккумуляторов схема подключения. Микросхема контроллер заряда li-ion аккумулятора al1130cv.

Схема плата зарядки. Схема зарядки батареи литий ионных аккумуляторов 18650. Tp4056 контроллер заряда. Модуль для зарядки литиевых аккумуляторов 18650. Контроллер заряда литиевых аккумуляторов 18650.

Схема плата зарядки. Схема соединения аккумуляторов 18650 12 вольт. Схема подключения 3 аккумуляторов 18650. Схема литий ионного аккумулятора для шуруповерта. Параллельное соединение аккумуляторов 18650 схема.

Схема плата зарядки. Модуль заряда аккумуляторов tp4056. Контроллер заряда литий ионного аккумулятора 3.7. Модуль заряда li-ion аккумуляторов 18650. Микросхема заряда li-ion аккумулятора 3.7v.

Схема плата зарядки. Контроллер зарядки литий-ионного аккумулятора 3.7. Tp4056 напряжение заряда. Контроллер заряда литий ионных аккумуляторов схема. Модуль зарядки li-ion аккумулятора 18650 схема.

Схема плата зарядки. Контроллер заряда li-ion аккумулятора 12v. Контроллер заряда li-ion аккумулятора hw-107. 4056 Контроллер заряда схема включения. Tp4056 схема подключения.

Схема плата зарядки. Модуль заряда аккумуляторов tp4056. Модуль зарядки литиевых li-ion аккумуляторов. Модуль 4056 для зарядки 18650. Модуль зарядки литиевых (li-ion) аккумуляторов на tp4056.

Схема плата зарядки. BMS 3s аккумулятор 18650. BMS контроллер (плата защиты шуруповерта) li-ion 3s 10.8...1. Плата зарядкой BMS 18650 HX-3s-03. Контроллер заряда 18650 3s.

Схема плата зарядки. Зарядка li ion с защитой tp4056 схема. Модуль заряда li-ion аккумуляторов tp4056. 4056 Контроллер заряда схема включения. Модуль зарядки для аккумуляторов 18650 с защитой схема.

Схема плата зарядки. Схема контроллера зарядки литий-ионного аккумулятора. Контроллер заряда литий ионных аккумуляторов схема. Схема контроллера заряда li-ion аккумулятора. Схемы контроля литий ионных аккумуляторов.

Схема плата зарядки. Контроллер заряда АКБ 12в схема. Контроллер заряда аккумулятора 48 вольт схема. Схема защиты от перезаряда li-ion аккумулятора. Схемы заряда литий-ионных аккумуляторов.

Схема плата зарядки. Модуль заряда аккумуляторов 18650. Модуль зарядки АКБ TP-4056. Контроллер заряда 2 li-ion аккумулятора. Модуль заряда аккумуляторов tp4056.

Схема плата зарядки. Контроллер заряда литий ионных аккумуляторов схема. Схема зарядки двух аккумуляторов 18650 Соединенных последовательно. Зарядка аккумулятора 18650 схема подключения. Зарядка аккумулятора 18650 от солнечной батареи схема.

Схема плата зарядки. Контроллер зарядки литий-ионного аккумулятора 3.7 схема. Модуль заряда tp4056. Tp4056 контроллер заряда. Схема зарядки tp4056 с защитой.

Схема плата зарядки. Плата заряда 4056 схема. 18650 Ардуино tp4056. Схема подключения контроллера заряда литий ионных аккумуляторов. Плата контроллера заряда tp4056.

Схема плата зарядки. Модуль заряда аккумуляторов FDC-2s-2. Контроллер заряда 2s li-ion аккумулятора. Модуль заряда li-ion аккумуляторов BMS FDC-2s-2. Контроллер заряда разряда BMS 2s li-ion 18650 8.4v 5a.

Схема плата зарядки. Модуль заряда аккумуляторов tp4056. Контроллер заряда li-ion аккумулятора 4056. Модуль заряда li-ion аккумуляторов 18650. Tp4056 модуль заряда аккумуляторов 18650 с защитой, MICROUSB.

Схема плата зарядки. Параллельное подключение аккумуляторов 18650 схема. Схема соединения аккумуляторов в аккумуляторной батарее. Последовательное соединение 4 аккумуляторных батарей схема. Параллельное соединение аккумуляторов 18650 схема.

Схема плата зарядки. Модуль 4056 для зарядки 18650. Модуль для зарядки литиевых аккумуляторов 18650. 4056 Контроллер заряда. Модуль зарядки li-ion аккумулятора 12в.

Схема плата зарядки. IROBOT Roomba 620 схема. IROBOT 600 принципиальная схема. IROBOT Roomba схема электрическая. IROBOT Roomba схема материнской платы.

Схема плата зарядки. Плата BMS HX 3s-01. BMS 2s 18650. Плата заряда li-ion аккумулятора 7.4 v. Плата зарядки 18650 2s.

Схема плата зарядки. 4056 Контроллер заряда схема включения. 4056 Контроллер заряда схема подключения. Повышающий модуль tp4056. Tp5100 контроллер заряда.

Схема плата зарядки. Контроллер для зарядки li-ion аккумуляторов 18650. Зарядка tp4056 для 18650 аккумуляторов. Tp4056 контроллер заряда. Контроллер заряда литиевых аккумуляторов 18650.

Схема плата зарядки. Схема соединения литий ионных аккумуляторов. Плата контроллера заряда li-ion аккумулятора 12в. Схема подключения li-ion аккумуляторов 12 вольт. Схема литий ионного аккумулятора для шуруповерта 18в.

Схема плата зарядки. Контроллер заряда li-ion аккумуляторов 03962a tp4056 Micro USB. Модуль заряда tp4056. Контроллер заряда-разряда для li-ion аккумулятора tp4056. Модуль зарядки ТП 4056.

Схема плата зарядки. Схема контроллера заряда li-ion аккумулятора. Микросхема защиты li аккумуляторов dw01. Контроллер заряда dw01a схема. Схема контроллера заряда li-ion аккумулятора 1.2 в.

  • Вперед Штукатурка и шпаклевка
  • Назад Турунтаево гибдд

Новые страницы

А н воронихин архитектор

Акт на списание гсм на генератор бензиновый образец

Артрит колена симптомы и лечение

Баня а frame проект

Белеет парус одинокий падеж прилагательного

Безымянные могилы risen карта

Днс звуковая карта внутренняя для компьютера

Договор на видеонаблюдение образец

Дзюдо федерация россии

Электротехнический лом

Гдз математика страница 68 номер 5

География 5 класс учебник алексеев полярная звезда

Геометрия 8 класс мерзляк полонский учебник

Как покрасить трубы краскопультом

Карта осу папин олимпос

L тироксин берлин хеми

Образец должностной инструкции директора ооо

Перпендикуляр и наклонная это

Программа политической партии образец

Рассмотрение иска о расторжении брака

Республика корея экспорт

С днем рождения марат картинки с пожеланиями

Счетчик холодной воды пульсар

Схема плата зарядки

Схема подключения электрозеркал приора

Схема расположения предохранителей кайрон

Схема управления при петре

Сколько после удаления зуба нельзя заниматься спортом

Спортмастер смоленск цены

Зеркало затона что это

cdn.zecar.ru