Skip to content

Фотогалерея

  • Главная
  • Контакты

Схема переключателя света уаз

Схема переключателя света уаз. Ножной переключатель света ГАЗ 53 схема подключения. Ножной переключатель света ГАЗ 24. Переключатель света ножной ЗИЛ 130. Ножной переключатель света УАЗ Буханка.

Схема переключателя света уаз. Переключатель света п312-01 схема. П38м переключатель схема подключения. Переключатель света УАЗ Буханка схема.

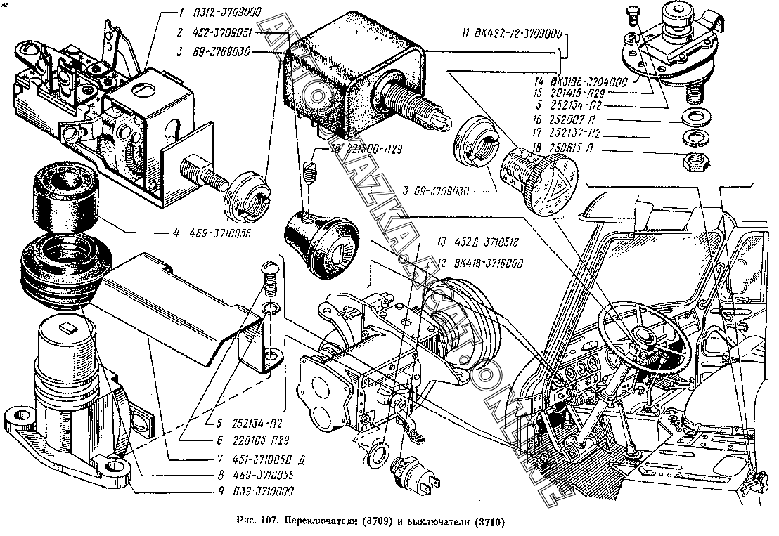
Схема переключателя света уаз. Схема подрулевого переключателя УАЗ 469. Схема подключения подрулевых переключателей УАЗ 469. Реле дальнего света УАЗ 469. УАЗ 469 переключатель поворота схема.

Схема переключателя света уаз. Переключатель п 312 схема подключения. Переключатель света п312-01 схема. Центральный переключатель света п305 схема подключения. Центральный переключатель света п312 схема подключения.

Схема переключателя света уаз. Схема подключения света УАЗ 469. Схема подключения выключателя света УАЗ 469. Схема освещения УАЗ 469. Схема подключения фар на УАЗ 469.

Схема переключателя света уаз

Схема переключателя света уаз. Реле света РС 711 схема подключения. Реле света РС 711-01 схема подключения. Реле РС 711-01 схема подключения. Реле Волга РС 711 схема.

Схема переключателя света уаз. УАЗ Буханка Центральный переключатель. Схема подключения переключателя света ГАЗ 53. Центральный переключатель света Москвич 412 схема подключения. Переключатель света фар ЗИЛ 130 схема.

Схема переключателя света уаз. Переключатель света п305 схема подключения. Схема ножного переключателя света УАЗ 469. УАЗ Буханка Центральный переключатель. П305 переключатель схема подключения.

Схема переключателя света уаз

Схема переключателя света уаз. Схема включения аварийной сигнализации Москвич 412. Центральный переключатель света Москвич 412 схема подключения. Схема реле поворотов Москвич 412. Переключатель аварийной сигнализации схема подключения.

Схема переключателя света уаз. Схема подключения центрального переключателя света ГАЗ 31105. Волга 3110 переключатель света схема. Схема подключения переключателя света ГАЗ 3110. Схема подключения выключателя света ГАЗ 31105.

Схема переключателя света уаз. Переключатель света п 38 схема подключения. Схема подключения переключателя света ГАЗ 53. Выключатель света ГАЗ 3307 схема подключения. Центральный переключатель света ГАЗ 53 схема подключения.

Схема переключателя света уаз. Центральный переключатель света схема подключения. Центральный переключатель света ГАЗ 53 схема подключения. Центральный переключатель света МТЗ 80. Переключатель света ЗИЛ 131 схема подключения.

Схема переключателя света уаз. ПКУЗ переключатель схема подключения. Переключатель ПКУЗ-11 схема. Пку3 11с 3084 схема. Переключатель пку3-11с-3002 схема.

Схема переключателя света уаз. Переключатель п306 схема подключения. Схема подключения выключателя света УАЗ 469. Центральный переключатель света УАЗ Буханка схема подключения. Центральный переключатель света УАЗ 469 схема подключения.

Схема переключателя света уаз. Переключатель ближнего света фар УАЗ Буханка. Центральный переключатель света ГАЗ 21 схема подключения. Выключатель ближнего света УАЗ 452. Реле дальнего света УАЗ 469.

Схема переключателя света уаз. УАЗ Буханка Центральный переключатель. Центральный переключатель света УАЗ 31512. Центральный переключатель света ЗИЛ 131.

Схема переключателя света уаз. Центральный переключатель света ГАЗ 3110 схема. Центральный переключатель света ГАЗ 53 схема подключения проводов. Схема подключения переключателя света ГАЗ 53. Центральный переключатель света Газель 3302 схема подключения.

Схема переключателя света уаз. Схема подключения подрулевых переключателей Тойота Королла 150. Схема подключения подрулевого переключателя МТЗ 82. Схема подрулевого переключателя МТЗ 82. Переключатель поворотов УАЗ 469 схема подключения.

Схема переключателя света уаз. Схема переключателя света УАЗ 469. Переключатель дальнего света УАЗ 469 схема подключения. Переключатель п-39 света ножной схема. Центральный переключатель света УАЗ 469 схема подключения.

Схема переключателя света уаз. Ножной переключатель дальнего и ближнего света УАЗ Буханка. Схема подключения переключателя света п300. Схема подключения ножного переключателя света УАЗ 469.

Схема переключателя света уаз

Схема переключателя света уаз

Схема переключателя света уаз. Схема ножного переключателя света УАЗ 469. Ножной переключатель света ГАЗ 53 схема подключения. Ножной переключатель дальнего света ЗИЛ 130 схема. Переключатель дальнего света УАЗ 469 схема.

Схема переключателя света уаз. Переключатель света п305 схема подключения. Схема переключателя света УАЗ 469. Выключатель света ЗИЛ 130 схема. Центральный переключатель света УАЗ 469.

Схема переключателя света уаз. Схема подключения переключателя света ГАЗ 53. Схема подключения света на выключателя ЗИЛ 130. Центральный переключатель света п305 схема подключения. Центральный переключатель света ГАЗ 52 схема подключения.

Схема переключателя света уаз. Центральный переключатель света УАЗ 469. УАЗ Буханка Центральный переключатель.

Схема переключателя света уаз. Центральный переключатель света ЗИЛ 130 схема подключения.

Схема переключателя света уаз. Ножной переключатель света УАЗ 452 схема. Переключатель света п312-01 схема. Схема ножного переключателя света УАЗ 469. Переключатель фар УАЗ 3303.

Схема переключателя света уаз. П-306 переключатель света схема подключения. Центральный переключатель света п306 схема подключения. Центральный переключатель света УАЗ схема подключения. Переключатель Центральный п-306.

Схема переключателя света уаз. УАЗ 469 переключатель поворота схема. Центральный переключатель света схема подключения. Переключатель света фар ЗИЛ 130 схема.

Схема переключателя света уаз. Центральный переключатель света ГАЗ 53 схема подключения. Переключатель света п312 УАЗ схема. Переключатель п306 схема подключения. Схема подключения центрального переключателя света п38.

Схема переключателя света уаз. Ножной переключатель света ГАЗ 53 схема подключения. Ножной переключатель света схема. Схема ножного переключателя света УАЗ 469. Ножной переключатель дальнего света ЗИЛ 130 схема.

Схема переключателя света уаз. Подключение гитары КАМАЗ. Подключение гитары КАМАЗ на УАЗ. Схема подключения гитары КАМАЗ на УАЗ Буханка.

Схема переключателя света уаз. Схема подрулевого переключателя МТЗ 82. Переключатель гитара КАМАЗ схема подключения. Схема подключения фар на МТЗ 80. Схема подключения гитары КАМАЗ на УАЗ.

Схема переключателя света уаз. Схема подключения моторчика стеклоочистителя УАЗ 469. Переключатель щеток стеклоочистителя УАЗ 31519. Схема подключения переключателя дворников УАЗ 469. Моторчик дворников УАЗ 469.

Схема переключателя света уаз. УАЗ Буханка схема электрооборудования переключатель света. Схема Ближний свет УАЗ 469. Схема подключения стеклоочистителя УАЗ 31514. Переключатель поворотов УАЗ Буханка схема.

Схема переключателя света уаз

Схема переключателя света уаз

Схема переключателя света уаз. Центральный переключатель света ГАЗ 53 схема подключения проводов. Схема подключения центрального переключателя света п38. Переключатель п306 схема подключения. П-306 переключатель света схема подключения.

Схема переключателя света уаз. Центральный переключатель света ГАЗ 3307 схема подключения. Центральный переключатель света ГАЗ 53 схема подключения проводов. Центральный переключатель света ГАЗ 24 схема подключения. Выключатель света ГАЗ 3307 схема подключения.

Схема переключателя света уаз. Переключатель света ГАЗ 31105 схема подключения. Схема центрального замка ГАЗ 31105.

Схема переключателя света уаз. Схема переключателя света УАЗ 469. Схема подключения центрального переключателя света п38. Схема подключения выключателя света ГАЗ 53. Схема подключения переключателя света ГАЗ 53.

Схема переключателя света уаз. Переключатель света Центральный п-312 УАЗ. Схема подключения переключателя света ГАЗ 69. Центральный переключатель света УАЗ 469. Центральный переключатель света УАЗ 469 цветная схема.

Схема переключателя света уаз. Центральный переключатель света схема подключения 3110. УАЗ Буханка Центральный переключатель. Распиновка центрального переключателя света ГАЗ 3110. Переключатель света ГАЗ 3307 схема подключения.

Схема переключателя света уаз

Схема переключателя света уаз. Ручка тяги центрального переключателя света ЦПС УАЗ 452-3709051. Ножной переключатель света УАЗ 452 схема. Выключатель света заднего хода УАЗ 452. Выключатель заднего хода УАЗ 3151.

Схема переключателя света уаз

Схема переключателя света уаз

Схема переключателя света уаз. Переключатель фар ГАЗ 53 схема. Переключатель света п305 схема подключения. Центральный переключатель МТЗ 80. Центральный переключатель света ЗИЛ 130 схема подключения.

Схема переключателя света уаз. Ножной переключатель света УАЗ 452 схема. Выключатель ближнего света УАЗ 452. Переключатель фар УАЗ 469. Переключатель ближнего дальнего света УАЗ Буханка.

Схема переключателя света уаз

Схема переключателя света уаз. П 44а Центральный переключатель света схема. Центральный переключатель света п312 схема подключения. Схема Центральный переключатель на МТЗ 80.

Схема переключателя света уаз. Распиновка блока фар на УАЗ Патриот. Блок управления стеклоподъемниками УАЗ Патриот распиновка. Блок управления светом УАЗ Патриот распиновка. Схема переключателя фар УАЗ Патриот.

Схема переключателя света уаз. Схема переключателя света УАЗ 469. Ножной переключатель света ГАЗ 53 схема подключения.

Схема переключателя света уаз. Схема подключения поворотников УАЗ 469. Электрическая схема поворотников УАЗ 469. Переключатель поворотов УАЗ 469 схема подключения. Схема указателей поворотов УАЗ 469.

Схема переключателя света уаз

Схема переключателя света уаз. Схема подключения переключателя света ГАЗ 3110. Центральный переключатель света схема подключения.

Схема переключателя света уаз. Схема подключения выключателя света ГАЗ 53. Схема подключения переключателя света ГАЗ 53. Переключатель фар ГАЗ 53 схема. Схема подключения переключателя поворотов МТЗ 82.

Схема переключателя света уаз. Схема переключателя света УАЗ 469. Центральный переключатель света УАЗ Буханка схема подключения. Переключатель света УАЗ Буханка схема подключения проводов. Переключатель света УАЗ Буханка схема.

Схема переключателя света уаз

Схема переключателя света уаз. Схема подключения переключателя света ГАЗ 53. Схема подключения выключателя света ГАЗ 53. П44а переключатель схема подключения. Схема переключателя света УАЗ 469.

Схема переключателя света уаз. Выключатель фар УАЗ 469 схема подключения. Переключатель п-53.3709 (Центральный). Центральный переключатель света УАЗ 469 схема подключения. Схема выключателя света УАЗ 469.

Схема переключателя света уаз. Волга 3110 переключатель света схема. Реле переключения дальнего и ближнего света ГАЗ 3110.

Схема переключателя света уаз

Схема переключателя света уаз. Переключатель п-39 света ножной схема. Переключатель света ножной Урал 4320. Переключатель фар ножной п39. Переключатель ножной Урал 4320.

Схема переключателя света уаз. Схема подключения выключателя света ГАЗ 53. Схема подключения ножного переключателя света УАЗ 469. Переключатель света ГАЗ 53 схема.

Схема переключателя света уаз. Схема подключения подрулевого переключателя МТЗ 82. Схема подключения подрулевого переключателя МТЗ 82.1. Схема подрулевого переключателя МТЗ 82. Распиновка подрулевого переключателя МТЗ 82.

Схема переключателя света уаз. Схема переключателя света УАЗ 469. Центральный переключатель света схема подключения.

Схема переключателя света уаз. Центральный переключатель света ЗИЛ 131. Схема Центральный переключатель света ГАЗ 53.

Схема переключателя света уаз. Блок управления светом УАЗ Патриот 2007. Схема переключателя ФАП Приора. Модуль управления светотехникой УАЗ Патриот схема. Блок управления светом Приора 2 схема.

Схема переключателя света уаз. Схема подключения переключателя света ГАЗ 53. Центральный переключатель света ЗИЛ 130. Центральный переключатель света УАЗ Буханка. Переключатель ближнего света на ЗИЛ 130.

Схема переключателя света уаз. Переключатель фар ГАЗ 53 схема. Схема подключения света на выключателя ЗИЛ 130. Выключатель света ЗИЛ 131 схема подключения. Центральный переключатель света МТЗ 80.

Схема переключателя света уаз

Схема переключателя света уаз. Переключатель ближнего дальнего света УАЗ 469 схема. Схема ножного переключателя света УАЗ. Схема выключателя света Волга. Схема схема подключения стоп сигналов ГАЗ-53.

Схема переключателя света уаз. Схема подрулевых переключателей УАЗ Буханка. Схема подключения подрулевого переключателя КАМАЗ 5320. Переключатель гитара КАМАЗ схема подключения. Схема подрулевого переключателя п145.

Схема переключателя света уаз. Центральный переключатель света п305 схема подключения.

Схема переключателя света уаз

Схема переключателя света уаз. Ножной переключатель света фар УАЗ 469. Переключатель дальнего света УАЗ 469 схема. Схема ножного переключателя света УАЗ 469. Схема подключения ножного переключателя света УАЗ 3303.

Схема переключателя света уаз. Переключатель баков УАЗ 31519. Переключатель освещения УАЗ 469 схема. Переключатель топливных баков УАЗ (31512-3710040). Схема переключателя света УАЗ 469 31514.

Схема переключателя света уаз

Схема переключателя света уаз

Схема переключателя света уаз. Реле поворотов УАЗ 469. Электропроводка фары УАЗ 452.

Схема переключателя света уаз

  • Вперед Музей орсэ в париже
  • Назад Полировка кузова в туле

Новые страницы

100 Долларов нового образца и старого

Анна каверина радиоведущая

Буксует сцепление джили мк

Формула летучего водородного

Грибы рядовки съедобные фото и описание

Хелпдеск почта

Интимные стрижки для женщин

Irfpf50 datasheet

Какой аккумулятор на ниву шевроле

Картинки для фона apple watch

Клевер компания официальный сайт

Контурная карта по географии 9 класс страница 16 дрофа

Кран букса для смесителя esko

Математика 3 класс 2 часть учебник страница 96

Мультяшный кузнечик картинки

Не заводится нива 21214

Педагогика как наука опорные схемы

Пляж в аше

Почему темнеет пластиковая дверь

Промывка форсунок дизельного двигателя лавром

Решение задач на движение 8 класс алгебра с помощью таблицы презентация

Схема 17 века

Схема фонарей космос

Схема работы вебасто

Справка для оформления кредита или поручительства сбербанк образец заполнения

Стамбул январь

Статград тренировочные варианты егэ 2023

Учебник английского языка для 5 класса афанасьева

Vt 215 n 07

Зерновка односемянная или многосемянная

cdn.zecar.ru