Skip to content

Фотогалерея

  • Главная
  • Контакты

Схема переходника

Схема переходника. Схема юсб адаптера. Ft232rl k-line адаптер. USB TTL K line адаптер схема. K line адаптер из USB TTL.

Схема переходника. Переходник USB-UART TTL на ch340. Разъем USB UART rs232. USB TTL ch340 schematic.

Схема переходника. DVI VGA схема распайки. Переходник HDMI VGA схема распайки. Переходник DVI-D VGA схема распайки. Адаптер HDMI VGA схема принципиальная.

Схема переходника. Кабель rs232 USB распайка. Rs232 USB переходник распиновка. Rs232 USB распиновка. Распиновка USB rs232 кабеля.

Схема переходника. Адаптер SATA USB распиновка. Распиновка жесткого диска 2.5. Распиновка переходника USB SATA 2.5. Переходник SATA USB для жесткого диска 3.5 схема.

Схема переходника. Rs232 USB переходник схема. Адаптер USB rs232 схема. USB.com адаптер схема. Переходник USB rs232 схема max2012.

Схема переходника. Разъем USB UART rs232. Rs232 USB распиновка. Rs232 USB переходник распиновка. Распайка rs232 на USB.

Схема переходника. Распиновка преобразователя USB rs232. Переходник USB rs232 схема max202. USB com rs232 переходник схема. Rs232 USB переходник схема.

Схема переходника. Rs232 USB переходник схема. Адаптер USB rs232 схема. Схема переходника RS 232. Rs232 UART преобразователь.

Схема переходника. Переходник USB rj45 схема. Переходник USB rj45 схема распайки. Схема переходника rj45 на USB своими руками. Удлинитель USB rj45 схема.

Схема переходника. K-line адаптер Орион схема. Obd2 k-line адаптер схема. Схема k-line адаптера KKL VAG-com 409.1. K line адаптер bm9213 схема.

Схема переходника. K.line адаптер 9141. Схема адаптера вм9213. K line адаптер bm9213 схема. Obd2 k-line адаптер схема.

Схема переходника. Распайка rs232 Mini din. Rs232 Mini din 8 Pin кабель распиновка. Гнездо Mini din 9 Pin распиновка. Переходник VGA-RCA тюльпаны распиновка.

Схема переходника. Адаптер USB rs232 схема. USB to rs232 схема. Rs232 UART преобразователь. Контроллер rs232 max232.

Схема переходника. USB to PS/2 переходник схема. Адаптер «PS/2 to USB». Схема!. Ps2 USB Keyboard схема. Ps2 USB переходник схема подключения.

Схема переходника. Распиновка провода rs232. Rs232 распиновка переходник. Разъем rs232 распайка. VGA D sub кабель распиновка.

Схема переходника. Ниссан Консул 1 схема адаптера USB адаптер. Схема USB TTL 3.3V. Адаптер TTL-UART. Распиновка i2c адаптера.

Схема переходника. Адаптер USB-UART ft232rl. Ft232rl USB UART схема. Ft232r USB UART схема. USB TTL ft232rl схема.

Схема переходника. Gameport USB адаптер. Arduino схема переходника Midi USB-1. USB to i2c Adapter схема. Usb3318 scheme.

Схема переходника. HDMI DVI переходник схема. Кабель HDMI DISPLAYPORT схема. HDMI DVI кабель схема. Переходник DVI HDMI разъем распиновка.

Схема переходника. Db9 db25 кабель распайка. Rs232 кабель db9-db25 схема. Кабель rs232 схема распайки db9. Разъем rs232 9 Pin 25 Pin.

Схема переходника. Max232 RS-232 -> TTL. Разъем USB UART rs232. Программатор max232 для прошивки. Адаптер USB rs232 схема.

Схема переходника. PS/2 USB переходник схема. Распиновка адаптер к228. PROTAC 2 переходник схема. Айпрог распиновка разъема.

Схема переходника. Преобразователь ps2 на USB схема. Схема разъема электропитания. Распиновка разъема клавиатуры PS/2. Переходник PS/2 USB для мыши схема.

Схема переходника. Схема подключения разъема микро СД. Распиновка MICROSD на USB. Адаптер MICROSD на USB распиновка. Распиновка микро USB для видеокамеры.

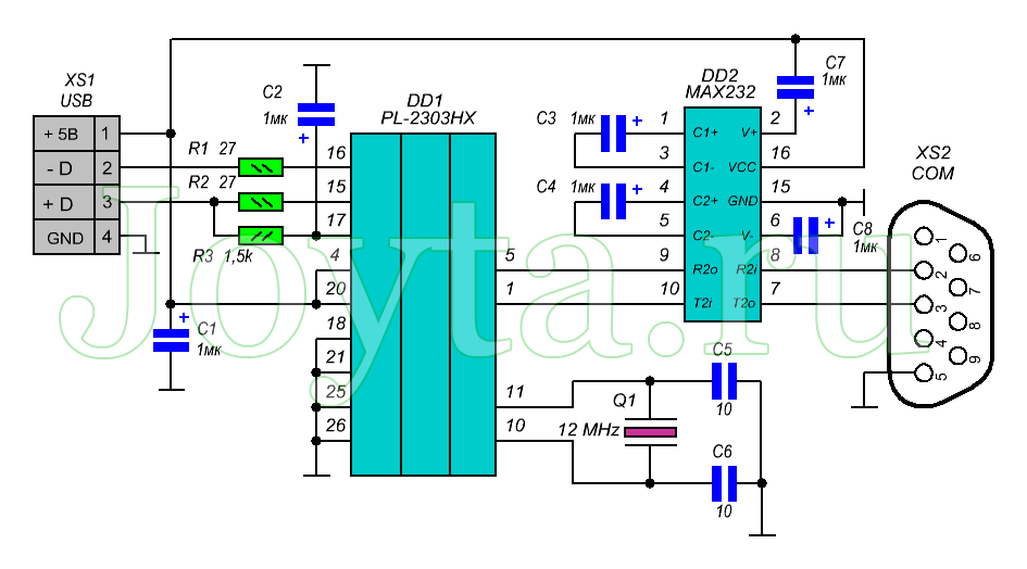
Схема переходника. Схема pl2303hx USB-UART. USB TTL pl2303hx схема. Rs232 USB переходник pl2303 схема. Адаптер USB rs232 схема.

Схема переходника. Переходник VGA RCA схема. Переходник VGA-SCART схема. Переходник HDMI VGA схема принципиальная. Переходник HDMI VGA схема распиновки.

Схема переходника. Rs232 USB переходник схема. Адаптер USB rs232 схема. Переходник rs232 на USB схема расключения. Конвертер переходник com USB.

Схема переходника. Кабель display Port распиновка. DISPLAYPORT разъем схема. Распайка кабеля DISPLAYPORT HDMI. Переходник HDMI DISPLAYPORT распайка.

Схема переходника. Схема подключения проводов микро юсб. Разъём Micro USB распиновка. Распайка переходника USB на Type-c. Микро юсб разъем распайка.

Схема переходника. Переходник db25 db9 схема. Переходник d-sub 25 на dsub9. Db25 Connector чертеж. Db9 разъем чертеж.

Схема переходника. Rs232 rj11. RS 232c db9. RJ-12 to rs232 распайка. Rs232 rj11 кабель распиновка.

Схема переходника. Rs232 rs485 переходник схема. Преобразователь rs232 rs485 схема. Преобразователь интерфейсов RS-232/RS-485,схема включения схема. USB 485 преобразователь схема.

Схема переходника. Адаптер USB rs232 схема. Rs232 USB переходник схема. Разъем USB UART rs232. Схема к-line адаптер rs232.

Схема переходника. OTG Micro USB схема. Кабель USB микро USB С дополнительным питанием схема распайки. Micro USB OTG кабель распайка. Схема ОТГ кабеля USB.

Схема переходника. LPT Philips адаптер. LPT Philips i2c адаптер схема. USB-LPT переходник схема. Схема адаптера LPT SMBUS.

Схема переходника. Max232 RS-232 -> TTL. Data кабель Siemens max232. Rs232 UART преобразователь. Rs232 USB переходник схема.

Схема переходника. Адаптер USB-UART ft232rl. USB to TTL ft232rl. Преобразователь USB - UART на atmega8. Преобразователь UART USB схема.

Схема переходника. Адаптер SATA USB распиновка. Питание HDD 3.5 SATA распиновка. Переходник SATA USB для жесткого диска 2.5 своими руками схема. Распиновка разъема HDD 3.5 SATA.

Схема переходника. K.line адаптер 9141. Самодельный k-line адаптер USB схема. Адаптер k-line схема подключения. K line rs232 адаптер.

Схема переходника. USB to LPT переходник atmega8. USB LPT схема. Схема USB расширителя. Схема USB хаба на 4 порта.

Схема переходника. PS/2 USB переходник схема. Переходник PS/2 USB для мыши схема. Переходник PS/2 USB для клавиатуры распиновка. Переходник клавиатуры PS 2 USB схема.

Схема переходника. Адаптер DVI VGA схема. DVI-I/VGA схема распайки. HDMI rj45 переходник схема. HDMI VGA переходник схема.

Схема переходника. Ft232rl k-line адаптер. Obd2 k-line адаптер схема. K-line адаптер USB из rs232. KL-line адаптер схема.

Схема переходника

Схема переходника. Адаптер HDMI VGA схема принципиальная. Переходник VGA HDMI схема проводов. Кабель HDMI VGA для монитора своими руками. HDMI VGA кабель схема подключения.

Схема переходника. J2534 адаптер схема. Схема elm327 Bluetooth Mini. Obd2 k-line адаптер схема. Адаптер VAG 409 схема.

Схема переходника. J2534 адаптер распиновка. Апс78 адаптер схема. Tja1050 stm32. J2534 адаптер схема.

Схема переходника. Переходник USB rj45 схема распайки. Переходник rj45 USB распиновка. Распайка USB rj45 APC. Переходник USB rj45 схема.

Схема переходника. Разъём SCART распиновка. Распайка скарт разъема. Сема распановки разема СКАРД. Скарт разъем схема подключения.

Схема переходника. Rs232 TTL схема. Rs232 схема включения. Rs232 UART преобразователь. USB com rs232 переходник схема.

Схема переходника. Распиновка преобразователя USB rs232. Rs232 USB переходник схема. Адаптер USB rs232 схема. USB.com адаптер схема.

Схема переходника. Переходник VGA HDMI распиновка проводов. DISPLAYPORT HDMI переходник схема. DVI схема распайки. Адаптер DVI VGA схема.

Схема переходника. Адаптер USB rs232 схема. Rs232 USB переходник схема. USB com pl2303 переходник схема. Rs232 USB переходник pl2303 схема.

Схема переходника. Rs232 USB переходник схема. Адаптер USB rs232 схема. USB com rs232 переходник схема. USB to rs232 схема.

Схема переходника. PS/2 USB переходник схема. Переходник клавиатуры PS 2 USB схема. PS/2 USB переходник распиновка. Переходник PS/2 USB для мыши схема.

Схема переходника. Распиновка USB rs232 кабеля. Rs232 USB переходник распиновка. USB RS-232 разъём распайка. Rs232 USB распиновка.

Схема переходника. Кабель USB-rj45 распиновка. USB И rj45 распайка. USB rj45 распиновка. Распайка USB rj45 APC.

Схема переходника. Преобразователь UART USB схема. Адаптер USB rs232 схема. Преобразователь TTL - USB ft232. Rs232 UART преобразователь схема.

Схема переходника. Распиновка USB 3.0 разъема на материнской плате. USB 3.0 схема распайки. Распиновка USB 19 Pin. Схема USB 3.0 разъема.

Схема переходника. Веб камера схема подключения 6 проводов USB. Схема подключения камеры от ноутбука к юсб. Схема подключения телефонной камеры к ПК. Распиновка адаптера USB com.

Схема переходника. Схема подключения VGA К HDMI. Распиновка DVI-I разъема. Схема DVI кабеля. DISPLAYPORT схема подключения.

Схема переходника. Схема переходников Скандок. Схема кабеля питания Скандок. Схемы адаптеров Скандок дл. Схемы адаптеров Скандок старого образца.

Схема переходника. USB UART atmega8 схема. Rs485 схема atmega8. Max232 программатор SPI. Max232 и max232a.

Схема переходника. Max232 RS-232 -> TTL. USB/rs232/rs485/TTL. Rs232 UART преобразователь. Преобразователь порта USB-rs232ttl.

Схема переходника. Адаптер VGA VGA распайка. Переходник HDMI VGA схема принципиальная. Переходник HDMI to VGA схема подключения. Переходник SCART на VGA распиновка.

Схема переходника. Самодельный k-line адаптер USB схема. K-line Adapter схема. K line rs232 адаптер. Адаптер k-линии USB bm9213 схема.

Схема переходника. USB rs232 переходник схема max232. Переходник USB com rs232 распиновка. Max232 USB UART. Адаптер UART-rs232 max3232.

Схема переходника. Самодельный k-line адаптер USB схема. Штат адаптер USB-K-line схема. Obd2 k-line адаптер схема. K-line Adapter схема.

Схема переходника. Адаптер adpc12416bb схема. Адаптер iphone схема. Карту-адаптер схема. Схема переходник ТГС.

Схема переходника. Переходник клавиатуры PS 2 USB схема. USB to PS/2 переходник схема. Клавиатура переходник PS/2 to USB схема. Переделка разъема PS/2 на USB.

Схема переходника. Переходник 3rca USB распиновка. Распиновка USB разъема на RCA. Переходник мини USB на USB распиновка. USB 3rca переходник схема.

Схема переходника. USB com rs232 переходник схема. Max232 программатор. Max232 RS-232 -> TTL. Rs232 принципиальная схема.

Схема переходника

Схема переходника. Преобразователь USB rs232 схема. USB rs232 FTDI схема. Разъем USB UART rs232. USB rs232 схема подключения.

Схема переходника. Переходник мини USB на USB распиновка. Разъём Mini USB распайка. Micro b - USB разъем распиновка. Распайка USB разъема и Mini USB.

Схема переходника. Гарнитура Yaesu распайка. Схема гарнитуры Yaesu VX. Схема разъема гарнитуры радиостанции. Схема гарнитуры радиостанции Yaesu.

Схема переходника. Схема подключения клавиатуры к ардуино. Контроллер клавиатуры USB схема. Ps2 USB Keyboard схема. Клавиатура PS/2 В USB схема.

Схема переходника. Адаптер USB-UART ch340. USB TTL ch340 схема. USB UART ch340g схема. Ch340g USB TTL Adapter схема.

Схема переходника. IROBOT Roomba схема материнской платы. PS/2 USB переходник схема. USB to PS/2 Converter схема. Адаптер «PS/2 to USB». Схема!.

Схема переходника. Rs232 USB переходник схема. USB com rs232 переходник схема. USB rs232 схема. Rs232 USB переходник распиновка.

Схема переходника. Преобразователь USB rs232 схема. Max232 схема включения. USB rs232 переходник схема max232. Программатор max232 для прошивки.

  • Вперед Образец договора гпх с физическим лицом
  • Назад Кекушев архитектор работы в москве

Новые страницы

103101107 Gauss

Английский 4 класс учебник 1 часть афанасьева

Больные занимаются спортом

Извинить кого словосочетание

Кафе у самолета

Как заменить сцепление на приоре

Карабин спорт

Кассиопея группа

Кейтеринг доставка еды

Крахмал и целлюлоза сходства и различия

Мастер по ремонту водонагревателей термекс

Мост это устройство соединяющее

Орбита 108с схема

Pink guy

План железнодорожный центр 2 железнодорожный

Планировочная схема земельного участка

Площадь курган 2020

Прилагательные с безударными гласными в корне

Распиновка датчика скорости шевроле лачетти 1.6 механика

Рецепт обезьяний хлеб

Регулировка кастера ваз 2109

Ремонт верхней деки гитары

Решебник по алгебре 8 класс учебник макарычев

Снятие аккумулятора кашкай

Снятие амортизатора

Спортивная гимнастика физические качества

Тематический контроль знаний учащихся математика 4 класс

Тренинг здоровый образ

Яндекс такси алушта телефоны

Золотое кольцо схема

cdn.zecar.ru