Skip to content

Фотогалерея

  • Главная
  • Контакты

Схема охлаждения двигателя змз 402

Система охлаждения двигателя: как работает, зачем нужна, виды система ...

Система охлаждения ЗМЗ 402 (14 фото): циркуляция двигателя у Волги ...

Система охлаждения ЗМЗ 402 (14 фото): циркуляция двигателя у Волги ...

Двигатель уаз буханка схема

Глава 16 Система охлаждения двигателя - Учебник по строению авто

Особенности работы системы охлаждения ЗМЗ 406 инжектор. Система ...

Система охлаждения двигателя ГАЗель Бизнес. | Автотема

Система охлаждения ЗМЗ 402: схема, устройство, работа

Система охлаждения двигателя змз 405 газель: характеристика, схема ...

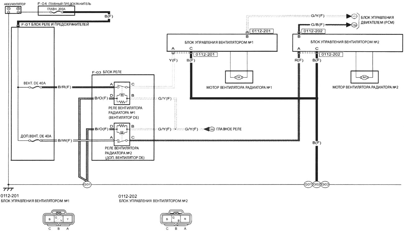
Схема системы охлаждения двигателя (Мазда CX-5 KE 2012-2017 ...

Устройство и работа системы охлаждения: Система охлаждения двигателя ...

Схема системы охлаждения Двигателя: описание, характеристика ...

Схема технологического процесса разборки двигателя ЗМЗ-402

Система охлаждения двигателя Д-240 (Д-240Л)

Схема подключения двигателя 402 двигатель

Система охлаждения двигателя: что это, неисправности, уход :: Autonews

Двигатель уаз патриот схема

Схема системы охлаждения газ-31105: вентилятор, патрубки и радиатор

Система охлаждения ЗМЗ 402: схема, устройство, работа

Двигатель 402 система охлаждения схема газ 3110 с двигателем

Схема системы охлаждения Двигателя: описание, характеристика ...

Система охлаждения двигателя трактора

Система охлаждения двигателя змз 405 газель: характеристика, схема ...

Система охлаждения двигателя змз 405 газель: характеристика, схема ...

Назначение системы охлаждения двигателя: Назначение системы охлаждения ...

Не включается вентилятор радиатора автомобиля - Ремонт и обслуживание авто

Схема охлаждения двигателя ваз 21011

Система охлаждения двигателя змз 405 газель: характеристика, схема ...

Система охлаждения двигателя ч.5 - YouTube

Описание системы охлаждения (Тойота Корона 9, 1992-1997) [Двигатель и ...

Какова рабочая температура двигателя пассат б3

Система питания двигателя ЗМЗ-402. ГАЗ 3110, 310221 (Волга)

Как работает система охлаждения двигателя змз 402

Система охлаждения двигателя схема: Система охлаждения двигателя

Системы охлаждения двигателя: Система охлаждения двигателя: описание и ...

  • Вперед Спортивные поло женские
  • Назад Клуб маями

Новые страницы

Бланк исходящего письма образец

Броско фитнес оренбург личный

Гдз по математике 6 класс виленкин номер 607

Грузоподъемность соляриса

Hyundai tuscan

Илья ефимович репин славянские композиторы картины ильи репина

Интернет услуги

Исковое заявление на расторжение брака и взыскание алиментов на ребенка образец

Как удалить полип на шейке матки

Карта логово зверя холлоу найт

Клемма силовая на дин рейку

Кот с яйцами картинки

Личная карточка учета средств индивидуальной защиты образец рб

Математика 2 класс гдз иванова

Монстров из чернобыля картинки

Муфта пп 20 1 2 наружная резьба

Направление в военкомат для постановки на воинский учет от работодателя образец

Образец договора займа между юридическим лицом и физическим лицом

Подагра что это за болезнь фото

Схема охлаждения двигателя змз 402

Sports игра

Стабилизатор 500вт

Стальное горло пересказ

Структура органов государственной власти рф схема

Теорема и доказательство теоремы

Труба стальная бесшовная 25

Упр 661

Услуги сиделки уход за пожилыми

Винтовые сваи под фундамент дома

Занятия фитнесом для начинающих

cdn.zecar.ru