Skip to content

Фотогалерея

  • Главная
  • Контакты

Схема ниссан цефиро

Схема ниссан цефиро. Реле дворников Максима а32. Реле дворников Ниссан Цефиро а32. Реле стартера Ниссан Цефиро а32. Реле стартера Ниссан Максима а32.

Схема ниссан цефиро. Ниссан Максима а33 схема электрооборудования. Схема Ниссан Максима а33. Схема проводки Ниссан Максима а33. Схема проводки Ниссан Максима а32.

Схема ниссан цефиро. Электрическая схема Ниссан Максима а34. Ниссан Максима а32 схема. Схема проводки maxima a32. Nissan maxima QX схема центрального замка.

Схема ниссан цефиро. Схема проводки Ниссан Максима а33. Схема проводки Nissan maxima a33. Схема проводки Ниссан Максима а32. Схема Ниссан Максима а33.

Схема ниссан цефиро. Блок предохранителейничсан Цефиро а 33. Блок предохранителей Максима а32. Блок предохранителей Ниссан Максима а33. Предохранитель ближнего света Ниссан Максима а32.

Схема ниссан цефиро. Схема панели приборов Ниссан Альмера n15. Схема приборной панели Ниссан Максима а32. Панель приборов Ниссан Альмера н16 схема. Nissan maxima a33 схема проводов.

Схема ниссан цефиро. Nissan primera p11 схема электрооборудования. Nissan primera p10 схема электрооборудования. Схема электрики Nissan primera p12. Схема электропроводки Ниссан ад.

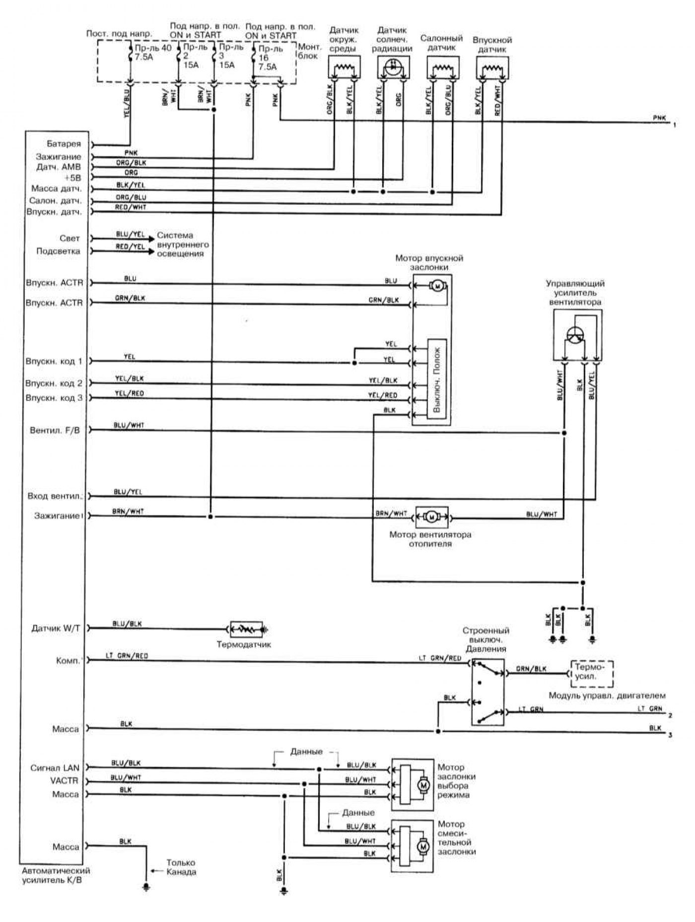
Схема ниссан цефиро. Nissan maxima a32 схема вентиляторов охлаждения. Nissan maxima a32 схема электропроводки. Электрическая проводка системы кондиционирования Nissan x Trail t 32. Схема подключения генератора Ниссан Максима а32.

Схема ниссан цефиро. Расположение предохранителей Ниссан Максима а32. Предохранитель Ниссан а33. Блок под капотом Ниссан Максима а33. Ниссан Цефиро а32 реле под капотом.

Схема ниссан цефиро. Nissan Cefiro a31 чертеж. Геометрия кузова Nissan Skyline hr33. Ниссан Максима а33 Размеры кузова. Ниссан Максима а33 габариты кузов.

Схема ниссан цефиро. Электросхемы Nissan a32. Схема генератора Ниссан Максима а33. Электрическая схема Nissan Leaf. Схема электропроводки Ниссан Максима а33.

Схема ниссан цефиро. Ниссан т 31 схема противотуманных фар. Реле противотуманных фар Ниссан х-Трейл т30. Схема подключения противотуманных фар на Ниссан Максима а32. Схема противотуманных фар Nissan t32.

Схема ниссан цефиро. Nissan Cefiro a33 замок зажигания схема. Реле ближнего и дальнего света на Ниссан Цефиро а 32. Схема противотуманных фар Ниссан Цефиро а33. Реле дальнего света Цефиро а33.

Схема ниссан цефиро. Схема охлаждения двигателя Ниссан Максима а32. Ниссан Максима а33 вакуумные трубки. Вакуумные трубки Ниссан Максима а33 2.0. Схема вакуумных трубок Ниссан Максима а33.

Схема ниссан цефиро. Ниссан Цефиро а33 электрические схемы. Электросхема Ниссан Цефиро а32. Цефиро а32 схема зарядки. Схема проводов Ниссан Цефиро а32.

Схема ниссан цефиро. Схема электрооборудования Цефиро а32. Ниссан Максима а33 схема электрооборудования. Реле поворотов Ниссан Максима а33. Электросхема зажигания Цефиро а33.

Схема ниссан цефиро

Схема ниссан цефиро. Схема подключения генератора Ниссан Максима а32. Схема иммобилайзера Ниссан Максима а32. Схема генератора Ниссан Максима а33. Схема замка зажигания Ниссан Максима а32.

Схема ниссан цефиро. Электросхемы Nissan a32. Схема подключения фар Ниссан Цефиро а32. Схема генератора Ниссан Максима а33. Схема компрессора кондиционера на Ниссан Максима а33.

Схема ниссан цефиро. Вакуумные трубки Ниссан Максима а33 2.0. Схема двигателя Ниссан Максима а32. Система охлаждения двигателя Ниссан Максима а32 2.0. Схема вакуумных трубок Ниссан Максима а33.

Схема ниссан цефиро. Nissan Cefiro a32. Nissan Cefiro a32 autech. Габариты Ниссан а32. Cefiro Nissan Cefiro a32.

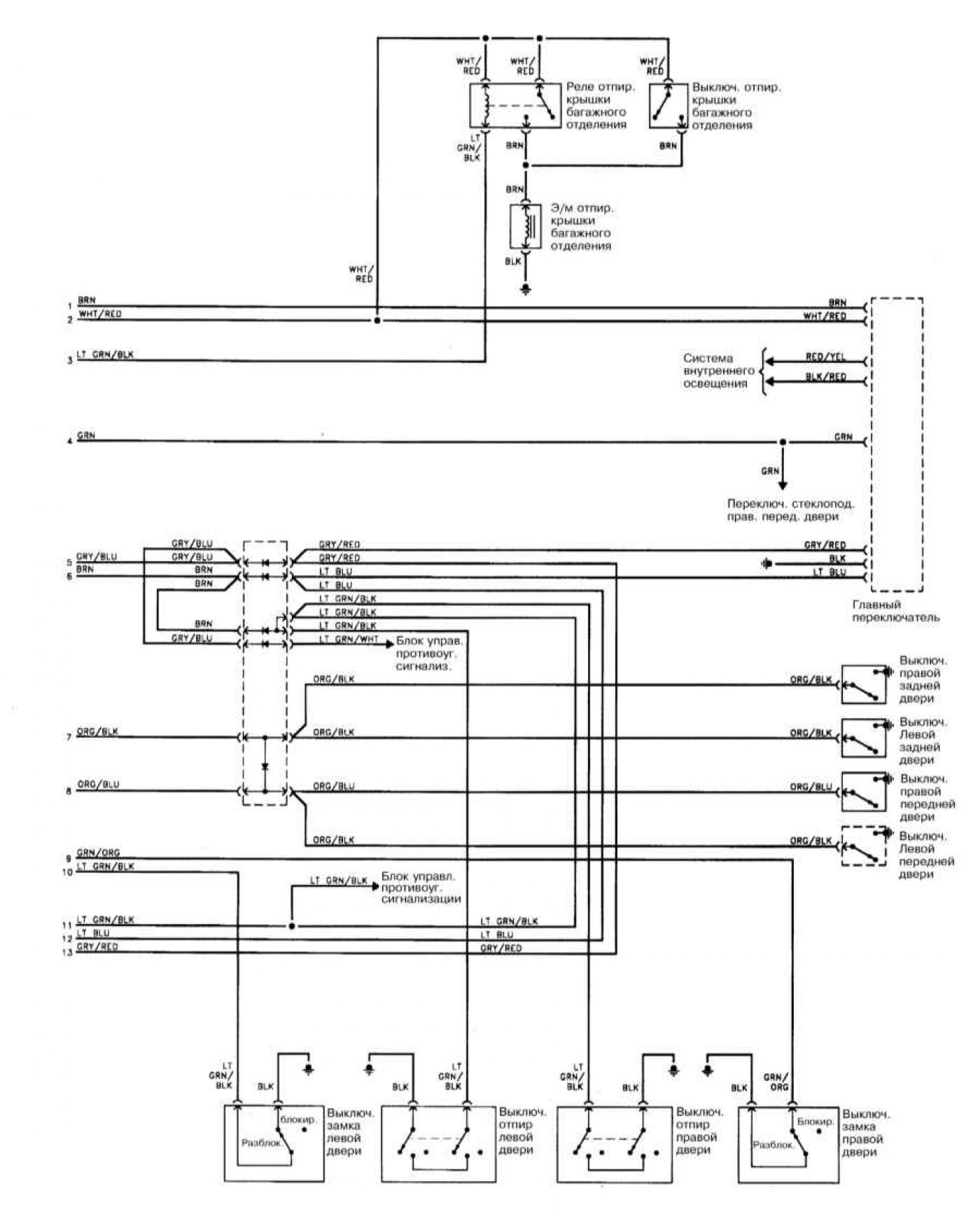
Схема ниссан цефиро. Схема электроподъемников Ниссан Максима а33. Электрическая схема Ниссан Максима а34. Ниссан Максима электросхема стеклоподъемников. Схема Ниссан Максима а33.

Схема ниссан цефиро. Схема переднего бампера Ниссан Цефиро а33. Схема Ниссан Цефиро а33. Топливная система Ниссан Цефиро а32. Проводка салонная Nissan Cefiro a32.

Схема ниссан цефиро. Электросхема АКПП Ниссан Максима а32. Электросхема ЭБУ Ниссан куб z10. Электросхема АКПП Сааб 2000. Электросхема Ниссан Цефиро а32.

Схема ниссан цефиро. Схема приборной панели Ниссан Санни. Схема проводки приборной панели Ниссан Максима а32. Nissan Wingroad схема приборной панели. Распиновка приборной панели Ниссан р11.

Схема ниссан цефиро. Распиновка приборной панели Ниссан Максима а32. Схема приборной панели Nissan Expert. Распиновка панели приборов Ниссан Цефиро а33. Схема приборной панели Ниссан Блюберд Силфи 2001.

Схема ниссан цефиро. Nissan maxima a32 схема электропроводки. Схема поворотников Ниссан Максима. Nissan maxima a33 схема проводов. Nissan maxima a33 проводка магнитолы.

Схема ниссан цефиро. Электросхемы Ниссан Максима 3.0л. Ниссан Максима а32 электросхема. Схема проводки Nissan maxima a33. Ниссан Максима схема проводки.

Схема ниссан цефиро. Электросхемы Nissan a32. Схема генераторе Ниссан Цефиро а32. Ниссан Максима а32 электросхема. Схема генератора Ниссан Максима а33.

Схема ниссан цефиро

Схема ниссан цефиро. Распиновка приборной панели Ниссан Максима а32. Схема приборной панели Ниссан Максима а32. Приборная панель Nissan Cefiro a33. Схема электропроводки Ниссан Максима а33.

Схема ниссан цефиро. Система охлаждения двигателя Ниссан Максима а32 2.0. Помпа Ниссан Максима 2004 года. Система охлаждения Ниссан Цефиро а32. Схема тормозной системы Ниссан Цефиро а33.

Схема ниссан цефиро. Схема проводки Nissan maxima a33. Схема проводки Ниссан Максима а33. Схема проводки Ниссан Максима а32. Ниссан Максима а33 схема электрооборудования.

Схема ниссан цефиро. Ниссан Максима схема аудио проводки. Электросхема Nissan Cefiro a33. Схема электропроводки Ниссан Цефиро а32. Электросхема Ниссан Максима а33 2литра автомат.

Схема ниссан цефиро. Книга по Ниссан Цефиро а33. Nissan maxima QX 2002. Книга Ниссан Cefiro. Руководство по ремонту Ниссан Цефиро.

Схема ниссан цефиро. Предохранители Ниссан Максима а32. Схема предохранителей Ниссан Максима а32. Ниссан а33 реле стартера. Реле топливного насоса 1996 Nissan Terrano 2.

Схема ниссан цефиро. Схема электрическая система Ниссан Максима а33. Схема кондиционера Ниссан Максима а33. Схема проводки Ниссан Максима а33. Ниссан Максима а32 схема проводки АКПП.

Схема ниссан цефиро

Схема ниссан цефиро. Ниссан Максима а32 схема проводки АКПП. Схема панели приборов Ниссан Максима а32. Схема приборной панели Ниссан Максима а33. Электросхемы Nissan a32.

Схема ниссан цефиро. Схема проводки Ниссан Максима а33. Схема вентилятора Ниссан Максима 1994 год. Схема электрическая система Ниссан Максима а33. Схема электрическая климат контроля Ниссан Максима а32.

Схема ниссан цефиро. Wbabhf а33 вентилятор схема. Схема компрессора кондиционера на Ниссан Максима а33. Вентилятор Цефиро 32. Ниссан Цефиро схема управления вентиляторами.

Схема ниссан цефиро. Распиновка разъемов Nissan cc5w-4100p. Схема приборной панели Ниссан Максима а33. Схема подключения магнитолы Ниссан Максима а32. Электросхемы Nissan a32.

Схема ниссан цефиро. Блок предохранителей Ниссан Максима 2001. Схема электрооборудования Ниссан а32. Электрическая схема питания Ниссан Цефиро а32. Электросхемы Nissan a32.

Схема ниссан цефиро. Nissan Cefiro a31 Blueprint. Nissan Cefiro a31 габариты. Nissan Cefiro a31 чертеж.

Схема ниссан цефиро. Вакуумная система Ниссан Максима а32. Вакуумные шланги Ниссан Максима а32. Максима vq30de вакуумные шланги. Двигатель Nissan h 15 вакуумная система.

Схема ниссан цефиро. Подкапотные датчики Ниссан Максима а33 схема. Nissan x Trail 2,5 моторный отсек схема. Nissan x Trail t31 2.0 схема моторного отсека. Схема моторного отсека Nissan x-Trail (t31).

Схема ниссан цефиро. Ниссан Максима а33 вакуумные трубки. Максима vq30de вакуумные шланги. Vq20de схема вакуумных трубок. Схема вакуумных трубок Ниссан Максима а32.

Схема ниссан цефиро. Схема проводки Ниссан Цефиро а32. Схема проводов Ниссан Цефиро а32. Распиновка приборной панели Nissan Cefiro a32. Схема приборной панели Ниссан Максима а33.

Схема ниссан цефиро

Схема ниссан цефиро. Nissan Laurel c35 чертеж. Nissan Cefiro 2003 чертеж. Nissan Cefiro габариты. Ниссан Лаурель 35 чертеж.

Схема ниссан цефиро. Nissan Sentra 2015 предохранители. Схема предохранителей Ниссан Сентра 2002. Схема предохранителей Ниссан Максима а32. Схема реле Cefiro a33.

Схема ниссан цефиро. Схема проводки Ниссан Максима а33. Ниссан Максима а33 схема электрооборудования. Схема проводки Ниссан Максима а32. Ниссан Максима 1997 блок климат контроля.

Схема ниссан цефиро. Блок реле фар Ниссан Цефиро. Схема реле Ниссан Максима а32. Блок реле фар Cefiro 32. Схема подключения фар Ниссан Цефиро а32.

Схема ниссан цефиро. Ниссан Максима а33 электросхема. Схема проводки Ниссан Максима а33. Схема электрооборудования Цефиро а32. Схема проводки Ниссан Максима а32.

Схема ниссан цефиро. Схема проводки Ниссан Максима а33 3.0. Электрическая схема климат контроля Ауди 100 с4. Схема электрическая система Ниссан Максима а33. Ниссан Максима схема проводки.

Схема ниссан цефиро. Схема проводки Ниссан Максима а33. Схема проводки Nissan maxima a33. Ниссан Максима а33 схема электрооборудования. Схема электропроводки Максима а32 3.0.

Схема ниссан цефиро. Реле стартера Ниссан Цефиро а32. Реле стартера Ниссан Максима а32. Реле бензонасоса Cefiro a33. 25221e реле.

Схема ниссан цефиро. Ниссан Максима а32 габариты кузова. Nissan Cefiro габариты. Ниссан Максима а33 Размеры кузова. Nissan Cefiro габариты кузова.

Схема ниссан цефиро. Распиновка панели приборов Ниссан Цефиро а33. Схема подключения приборной панели Ниссан 2. Схема панели приборов Ниссан Максима а32. Панель приборов Nissan Serena 2002 год.

Схема ниссан цефиро. Схема климат контроль Nissan maxima. Схема проводки Ниссан Максима а33. Схема электрическая климат контроля Ниссан Максима а32. Схема Ниссан Максима а33.

Схема ниссан цефиро. Схема ЭБУ Ниссан Максима 2001. Электросхемы Nissan a32. Схема электрооборудования Ниссан Максима а32. Схема ЭБУ Nissan n16.

Схема ниссан цефиро. Схема проводки Ниссан Максима а33. Схема электропроводки Ниссан Максима а33. Схема подключения зажигания Ниссан Максима а32. Ниссан Максима а33 2004 электрическая схема.

Схема ниссан цефиро. Схема электрооборудования Ниссан а32. Схема проводки Ниссан Цефиро а32. Схема электрооборудования Ниссан Максима а32. Схема электрооборудования Цефиро а32.

Схема ниссан цефиро

Схема ниссан цефиро. Ниссан Максима схема двигателя 2 0. Схема проводки Ниссан Максима а33. Система охлаждения двигателя Ниссан Максима а32 2.0. Схема подкапотного пространства Murano z50.

Схема ниссан цефиро. Схема приборной панели Ниссан Максима а32. Схема проводки Ниссан Цефиро а32. Ниссан Цефиро а33 схема приборной панели. Cefiro a32 панель приборов.

Схема ниссан цефиро. Система охлаждения Ниссан Максима а33. Патрубки Ниссан Максима а33. Система охлаждения Ниссан Максима 3.0. Система охлаждения Ниссан Максима а33 2.0.

Схема ниссан цефиро. Схема генератора Ниссан Максима. Схема электрики на Ниссан Максима 32. Ниссан Максима а32 электросхема. Электросхемы Nissan a32.

Схема ниссан цефиро. Габариты Ниссан Максима а32. Ниссан Максима а33 габариты габариты. Ниссан Максима а32 габариты кузова. Nissan maxima a32 габариты.

Схема ниссан цефиро. Система охлаждения двигателя Ниссан Максима а32 2.0. Ниссан Максима а32 1994 года система кондиционирования. Трубка воздушного фильтра Nissan maxima. Воздушная система Ниссан Максима а32.

Схема ниссан цефиро. Схема замок двери Ниссан Максима а33. Блок управления подсветкой Ниссан Цефиро а32. Схема генератора Ниссан Максима а33. Схема двери Ниссан Максима а33.

Схема ниссан цефиро. Ниссан Максима а32 электросхема. Схема электрооборудования Цефиро а32. ЭБУ Ниссан Максима а32 схема. Схема проводки Ниссан Максима а32.

Схема ниссан цефиро. Схема генератора Ниссан Максима а33. Схема отопителя Nissan maxima 33. Схема электрооборудования Ниссан Максима а32. Схема проводки Ниссан Максима а33.

Схема ниссан цефиро

Схема ниссан цефиро. Схема приборной панели Ниссан Максима а33. Реле замка зажигания а32 Цефиро. Ниссан Максима а32 электросхема. Схема проводки Ниссан Цефиро а33.

Схема ниссан цефиро. Датчик в коробке передач Ниссан Максима а32. Поддон картера Ниссан Максима а33. Датчики Nissan Cefiro vq20de. Датчик коленвала Nissan Cefiro схема.

Схема ниссан цефиро. Схема проводки Nissan maxima a33. Ниссан Максима а33 схема электрооборудования. Схема проводки Ниссан Максима а33. Схема привода Ниссан Максима а32.

Схема ниссан цефиро. Схема генератора Ниссан Максима а33. Ниссан Максима а33 схема электрооборудования. Схема электрооборудования Ниссан Максима а32. Схема электрооборудования Ниссан а32.

Схема ниссан цефиро. ЭБУ Ниссан Максима а32 схема. Ниссан Максима а32 электросхема. Схема проводки Ниссан Максима а32. Схема проводки Nissan maxima a33.

Схема ниссан цефиро. Система отопления салона Ниссан Максима а33. Сервопривод заслонки печки Ниссан Цефиро а32. Блок управления печки Ниссан Максима а33. Отопитель салона Теана j32 схема заслонок.

Схема ниссан цефиро. Ниссан Цефиро а 32 схемы. Схема подключения фар Ниссан Цефиро а32. Схема электрооборудования Цефиро а32. Схема реле фар Ниссан Цефиро.

Схема ниссан цефиро. Схема двигателя Ниссан Максима а32. Схема расположения датчиков Ниссан Максима а33. Располодениедатчиков пол капотом Ниссан Максима а32. Ниссан Максима а33 под капотом схема.

Схема ниссан цефиро. Ниссан Максима а33 схема электрооборудования. Максима а32 схема электрооборудования. Схема электрооборудования Ниссан Максима а32. Ниссан Максима а32 электросхема.

  • Вперед Проставки плюсы и минусы
  • Назад Сравните приведенную в документе классификацию с теми которые представлены в параграфе какая

Новые страницы

Акт о замене шин в автомобиле образец

Ашан карта покупателя

Элементы окна программы

Гдз по английскому языку 4 класс рабочая тетрадь виргиния эванс

Гетеродин схема

Город рим возник в италии на левом или

Иск в суд на алименты образец

Как сделать бизнес план для малого бизнеса образец

Какой двигатель на мицубиси аутлендер

Карта белгородской области с районами границами с украиной

Коктебель нудисткий пляж

Ленком схема зала с местами

Литературное чтение рабочая тетрадь страница 79

Математика 3 класс рабочая тетрадь стр 47 2 часть

На рисунке изображена схема опыта

Ноутбук asus republic of gamers

Образец справки о среднем заработке

Ольха диктант

Распиновка эбу ме 7.9 7

Разборка в щербинке шевроле

Ремонт под контролем

Решебник по англ яз 7 класс воркбук

Русский язык 7 класс ладыженская зеленый учебник ответы 2 часть

Рв 248

Самастойная работа по математике 4 класс петерсон

Схема линии метрополитена

Шкода октавия или хендай крета

Телевизор через 10 минут

Труба полипропиленовая черная

Яндекс снимать квартира

cdn.zecar.ru