Skip to content

Фотогалерея

  • Главная
  • Контакты

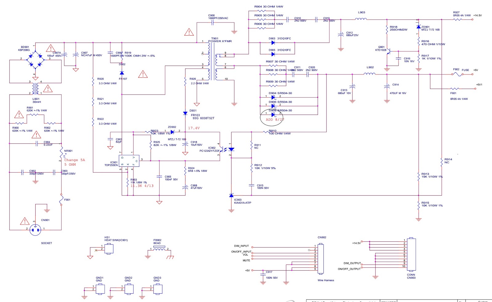
Схема монитора компьютера

Схема монитора компьютера. Service manual dell sx2210b. Dell e198wfp монитор схема электрическая. Схема монитора Делл 2140. Dell h240es-02 схема.

Схема монитора компьютера. Структурная схема монитора. Жидкокристаллические мониторы схема. Структурная схема платы управления монитора. Функциональная схема монитора.

Схема монитора компьютера. Структурная схема кинескопного телевизора. Структурная схема платы управления монитора. Структурная схема LG телевизоров. Структурная схема ЭЛТ телевизора.

Схема монитора компьютера

Схема монитора компьютера. Пассивный контроллер мониторов схема. Строчный драйвер матрицы. Столбцовый драйвер матрицы. TFT дисплея схема контроллера.

Схема монитора компьютера

Схема монитора компьютера. Монитор Proview 700p схема. Монитор VIEWSONIC va703b схема блока питания. Схема блока питания монитора Proview 700p. Схема блока питания монитора Вьюсоник.

Схема монитора компьютера. Монитор (устройство). Устройство монитора компьютера. Из чего состоит монитор. Состав монитора.

Схема монитора компьютера. Монитор Samsung схема электрическая принципиальная. Схема монитора самсунг. Схема плата управления монитора самсунг 910. Блок питания монитора самсунг схема.

Схема монитора компьютера. Принципиальная электрическая схема sr19342b. Sa300 схема монитор. Asg600 схема принципиальная электрическая. Vt3110 схема принципиальная электрическая.

Схема монитора компьютера. Структурная схема ЭЛТ монитора. Структурную схему платы управления ЖК монитора. Схема функциональных блоков ЖК-монитора. Структурная схема блока питания ЖК монитора.

Схема монитора компьютера

Схема монитора компьютера. SYNCMASTER 740n схема. Принципиальная схема монитора Samsung 740n. Самсунг 740n схема. Монитор Samsung схема электрическая принципиальная.

Схема монитора компьютера

Схема монитора компьютера. Монитор Samsung SYNCMASTER 943n схема. Oriel 710 схема электрическая. Схема монитора SYNCMASTER 920nw. Oriel 740 схема принципиальная.

Схема монитора компьютера. Блок питания монитора самсунг схема. Схема блока питания монитора с кинескопом. Схема принципиальная блока монитора Samsung 151. Принципиальная схема мониторов схема ЖК.

Схема монитора компьютера

Схема монитора компьютера. Схема монитора AOC 197si. Принципиальная схема монитора AOC c24g1. Схема ЭЛТ монитора. Em-1428 схема монитора.

Схема монитора компьютера. Схема монитора s24b300. Электрическая принципиальная схема монитора LG 24mk430h.

Схема монитора компьютера

Схема монитора компьютера. Структурная схема ЭЛТ монитора. Функциональная схема монитора. Структурная схема ЖК монитора Samsung. Структурная схема блока питания ЭЛТ монитора.

Схема монитора компьютера

Схема монитора компьютера

Схема монитора компьютера. Str58041 схема.

Схема монитора компьютера. Структурная схема монитора lg1740bqn. Схема монитора на mst703-LF. Схема монитор тока. Схема монитора Hyundai x91d.

Схема монитора компьютера

Схема монитора компьютера. Схема монитора Envision.

Схема монитора компьютера

Схема монитора компьютера. Строение монитора компьютера схема. Монитор компьютерный схема. Монитор компьютера Сема. Схема монитора ПК.

Схема монитора компьютера

Схема монитора компьютера. Монитор BENQ q7c5 схема. Схема монитора BENQ q7c4. Схема монитора BENQ gl2240. Схема монитора BENQ g2400w.

Схема монитора компьютера. Структурная схема ЖК монитора Samsung. Блок схема LCD монитора. Принципиальная схемой ЖКМОНИТОРА. Структурная схема LCD телевизора Samsung.

Схема монитора компьютера

Схема монитора компьютера. Структурная схема платы управления монитора. Dv0876-HDMI-TFT.PCB схема. Структурная схема холтеровского монитора. Блок схема телевизора LCD.

Схема монитора компьютера. Схема монитора LG 556le-Acrul.

Схема монитора компьютера

Схема монитора компьютера. Структурная схема ЭЛТ монитора. Структурная схема ЖК монитора Samsung. Структурная схема блока питания монитора. Структурная схема платы управления монитора.

Схема монитора компьютера. Структурная схема ЖК монитора Samsung. Структурная схема источника питания монитора. Структурная схема платы управления монитора. Структурная схема LCD телевизора Samsung.

Схема монитора компьютера

Схема монитора компьютера. Принципиальная схема монитор Flatron f700p. Схема монитора LG Flatron w2042s. Схема монитора LG. Схема монитора LG 575n.

Схема монитора компьютера. Монитор AOK структурная схема платы управления.

Схема монитора компьютера. Схема монитора AOC 197si. Схема CRT монитора. Unitra g2021 схема. Схема ЭЛТ монитора.

Схема монитора компьютера. Принципиальная схема монитора самсунг SYNCMASTER 710 N. SYNCMASTER 204b схема. Схема блока питания Samsung SYNCMASTER. SYNCMASTER 920n схема.

Схема монитора компьютера. Монитор нарисованный. Монитор схематичное изображение. Экран компьютера рисунок. Монитор разукрашка.

Схема монитора компьютера

Схема монитора компьютера. Блок схема графического процессора. Схема видеокарты 1060. Принцип работы видеокарты схема. Структурная схема видеокарты.

Схема монитора компьютера. Как подключить монитор к системному. Схема подключения монитора м7. Схема подключения монитора к ПК. Как подсоединить ПК К монитору.

Схема монитора компьютера. Принципиальная схема ЖК телевизора. Структурная схема платы управления монитора. Структурная схема LСD телевизоров. Схема принципиальная электрическая блока питания ЖК телевизора.

Схема монитора компьютера. Flatron f700b схема. Блок питания мониторов LG схема. Схема кинескопного монитора. Схема блока питания монитора LG Flatron l1715s.

Схема монитора компьютера. Схема ЭЛТ телевизора самсунг. Схема монитора s22c300h. Схема монитора LG 1792. Электрическая схема телевизора с ЭЛТ.

Схема монитора компьютера. Структурная схема ЖК монитора Samsung. Функциональная схема монитора. Структурная схема платы управления монитора. Схема монитора самсунг 710v.

Схема монитора компьютера. LG Studioworks 44i. Схема кинескопного монитора. Монитор компьютерный схема. Схема блока питания монитора с кинескопом.

Схема монитора компьютера. Система вывода изображения на экран. Схема вывода изображения на экран. Схема видеосистемы ПК. Схема вывода изображения на мониторе.

Схема монитора компьютера. Схема Филипс шасси ht165. Схема телевизора Philips шасси l7-1a. ТВ Филипс шасси saa5542ps схема. Philips8200 сервисная схема.

Схема монитора компьютера. Видеосистемы персонального компьютера. Видеосистема персонального ПК. Компоненты видеосистемы компьютера. Видеосистема компьютера состоит из.

Схема монитора компьютера

Схема монитора компьютера. Структурная схема платы управления монитора. Структурная схема ЖК монитора Samsung. Схема блока питания монитора с кинескопом. Принципиальная электрическая схема монитора.

Схема монитора компьютера. Схема монитора Proview ma 782kc. Proview ma-782 схема. Монитор Proview 782 схема. Proview 700p схема.

Схема монитора компьютера

Схема монитора компьютера. Дисплей на структурной схеме. Структурная схема монитора. Структурная схема ПК открытого типа. Основные блоки ПК схема.

Схема монитора компьютера. Схема монитора Proview ma 782kc. Принципиальная электрическая схема монитора Proview ma782kc. Схема блока питания монитора Proview 700p. Proview 2200w схема.

Схема монитора компьютера. Блок питания мониторов LG схема. Flatron f700b схема. Монитор f700p схема. LG f700p схема.

Схема монитора компьютера

Схема монитора компьютера. Схема монитора va702. Принципиальная схема монитора lj64-01541a. Схема CRT монитора. 9700 Схема монитора.

Схема монитора компьютера. Схема блока питания Compaq pdp117p. Compaq pdp123p схема. Схема БП Compaq pdp124p. Compaq Presario 1200 электрическая схема.

Схема монитора компьютера

Схема монитора компьютера

Схема монитора компьютера. Блок питания мониторов LG схема. Схема блока питания монитора fp91g+. Dp104c блок питания схема. БП монитора l1515sl схема 7767.

Схема монитора компьютера. Монитор VIEWSONIC e50. Схема блока питания монитора VIEWSONIC. VIEWSONIC 1912 схема. Монитор VIEWSONIC vx2235wm схема.

Схема монитора компьютера. Dt9205m микросхема дисплея.

Схема монитора компьютера. Монитор Samsung 940n схема блока питания. Монитор Samsung SYNCMASTER 943n схема. Монитор SYNCMASTER 943 электрическая схема. Самсунг 940 NW схема включения.

Схема монитора компьютера. Структурная схема LCD телевизора. Схема LCD монитора. Схемотехника мониторов LSD. Схема подсветки монитора AOC.

Схема монитора компьютера. LG мониторы 20 дюймов схемы БП. Mip320f схема. Схема блока питания p21 WHATSMINER. Схема блока питания монитора с кинескопом.

Схема монитора компьютера

Схема монитора компьютера. Плата блока питания монитора схема. Схема платы монитора Acer v193. Acer v226hql схема блока питания. Схема блока питания монитора led.

Схема монитора компьютера. Монитор самсунг 710n схема блока питания. Схема монитора самсунг 710v. Принципиальная электрическая схема монитора. Принципиальная схема монитора Samsung 710n.

  • Вперед Ремонт квартир в радужном хмао
  • Назад Свято симеоновский кафедральный собор челябинск

Новые страницы

Аденоиды в носу у ребенка фото

Агенты валютного контроля

Б у мониторы для компьютера

Дайте характеристику химического элемента натрия по плану положение элемента в псхэ строение атома

Гдз по английскому 8 класс э

Гдз по русскому языку 3 класс стр 80

Ходатайство об истребовании доказательств кас рф образец

Как ремонтировать турбину

Как склонять местоимения

Какие есть названия спорта

Картинки с днем рождения брат костя

L42s1 dsm bn44 00645a схема

Лабрадудель цена в москве

На что похожа буква п картинки для детей

Образец заявления на временную регистрацию

Озеро в челябинской области тургояк

Парагрипп у детей симптомы и лечение

Пропаганда спорта

Радиатор 8 секций

Roliz sport 005

Сеть автосервисов

Схема детских костюмчиков

Схема электрическая монтажная обозначение

Схема монитора компьютера

Шланг поливной

Термическая обработка продуктов питания это

Тюменский индустриальный университет официальный сайт тюмень

Убер заказать такси

Ваз 2109 дергается при переключении передач

Звенит весенняя капель

cdn.zecar.ru