Skip to content

Фотогалерея

  • Главная
  • Контакты

Схема ленд крузер 80

Схема ленд крузер 80. Схема генератора Toyota Land Cruiser 80. Ленд Крузер 80 Генератор схема подключения. Схема подключения генератора Тойота ленд Крузер 80. Схема зарядки аккумулятора ленд Крузер 100.

Схема ленд крузер 80. Toyota Land Cruiser 100 схема электрооборудования. Ленд Крузер 100 электросхема стеклоподъемников. Схема электрооборудования ленд Крузер 100. Ленд Крузер 100 схема электрическая.

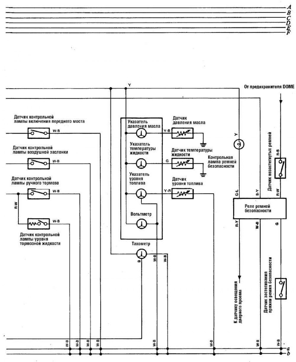
Схема ленд крузер 80. Схема электрооборудования ленд Крузер 80. Схема электрооборудования Land Cruiser 80 дизель. Реле стартера на Land Cruiser 105. Реле Land Cruiser 80 дизель.

Схема ленд крузер 80. Амортизатор Land Cruiser 80 схема. Лэнд Крузер 80 схема замка зажигания. Электросхемы АКПП Toyota Land Cruiser 80. Схема деталей Крузер 80.

Схема ленд крузер 80. Land Cruiser 80 зарядка схема. Схема зарядки ленд Крузер 100. Тойота ленд Крузер 80 4.2 дизель схема зарядки. Схема стартера Лэнд Крузер 80.

Схема ленд крузер 80. Схема блока управления печкой Тойота. Схема подключения печки ленд Крузер 100. Схема блока управления печкой Тойота ленд Крузер 80. Печка ленд Крузер 80 схема.

Схема ленд крузер 80. Схема стеклоподъемников Тойота ленд Крузер 100. Ленд Крузер 200 2008 года электросхема стеклоподъемников. Ленд Крузер 80 схема подключения стеклоподъемников. Cruiser 100 стеклоподъёмники схема.

Схема ленд крузер 80

Схема ленд крузер 80. Схема стеклоочистителя tlc80. Схема противотуманных фар Land Cruiser 200. Схема фар Toyota Land Cruiser 80. Схема стеклоочиститель Toyota-Land-Cruiser-200/.

Схема ленд крузер 80. Электросхемы Land Cruiser 80. Схема электрооборудования ленд Крузер 80. Электрическая схема ленд Крузер 80. Реле аккумулятора Land Cruiser 80.

Схема ленд крузер 80. Электрооборудование Тойота ленд Крузер 80. Электросхемы Land Cruiser 80. Электрическая схема ленд Крузер 80 электрооборудования. Ленд Крузер 80 дизель Электрооборудование.

Схема ленд крузер 80. Схема спидометра ленд Крузер 105. Land Cruiser 200 электросхема. Ленд Крузер 100 электросхема стеклоподъемников. Toyota Land Cruiser Prado 150 Electric scheme.

Схема ленд крузер 80. Toyota Land Cruiser 100 электросхема. Схема Тойота ленд Крузер 100. Схема кондиционера Toyota Land Cruiser. Схема проводки Toyota Land Cruiser 100.

Схема ленд крузер 80. Тойота ленд Крузер 1fz-Fe электросхема двигателя. Ленд Крузер 80 дизель Электрооборудование. Схема ABS Land Cruiser 200. Тойота ленд Крузер 80 1fz-Fe электросхема.

Схема ленд крузер 80. Предохранители ленд Крузер 80. Предохранитель на печку ленд Крузер 80. Реле центральной блокировки Land Cruiser 80. Схема предохранителей ленд Крузер 80.

Схема ленд крузер 80. Электрическая схема ленд Крузер 80. Электрическая схема ленд Крузер 80 электрооборудования. Электрооборудование Тойота ленд Крузер 80. Схема проводки ленд Крузер 80.

Схема ленд крузер 80

Схема ленд крузер 80. Ленд Крузер 80 дизель Электрооборудование. Ландкрузер 80 схема подключения стеклоподъемников. Ленд Крузер 80 схема подключения стеклоподъемников. Электросхема фар Land Cruiser 80.

Схема ленд крузер 80. Электросхемы Land Cruiser 80. Электросхема Toyota Land Cruiser 80. Электропроводка Тойота ленд Крузер 80. Тойота ленд Крузер 80 схема электрооборудования.

Схема ленд крузер 80. Тойота круизер ленд 80 реле стартера схемы. Реле стартера на Land Cruiser 105. Реле Horn Toyota Land Cruiser 105. Реле стартера крузак 80 дизель.

Схема ленд крузер 80. Схема динамиков Toyota Land Cruiser 100. Электрическая схема Land Cruiser 80. Схема ленд Крузер 100 антенна. Схема электропроводки Крузер 80.

Схема ленд крузер 80. Реле переключения 12 24 Тойота ленд Крузер. Реле 12/24 ленд Крузер 80 схема. Разбор реле 12-24 ленд Крузер 80. Схема реле 12 24 лендкрузер 80.

Схема ленд крузер 80. Электрическая схема ленд Крузер 80. Электросхемы Land Cruiser 80. Toyota Land Cruiser 80 электросхема бензонасоса. Электрические разъемы Тойота ленд Крузер 80.

Схема ленд крузер 80

Схема ленд крузер 80. Реле стеклоочистителя ТЛК 80. Реле переключения света Дальний Ближний ТЛК 80. ТЛК 100 схема стеклоочистителей. Toyota Land Cruiser 80 1fz схема охлаждения.

Схема ленд крузер 80. Land Cruiser 80 1 HD ТНВД схема. Схема ТНВД Land Cruiser 80. ТНВД ленд Крузер 4.2 схема. Схема ТНВД Тойота ленд Крузер 80 дизель.

Схема ленд крузер 80

Схема ленд крузер 80. Toyota Land Cruiser 80 габариты. Ленд Крузер 80 габариты кузова. Габариты Тойота ленд Крузер 80. Тойота ленд Крузер 80 Размеры.

Схема ленд крузер 80. Электрооборудование Тойота ленд Крузер 80. Электрическая схема ленд Крузер 80 электрооборудования. Тойота ленд Крузер 80 схема включения стартера. Схема подключения генератора Тойота ленд Крузер 80.

Схема ленд крузер 80. Схема проводки Toyota Land Cruiser 80 дизель. Схема зарядки Прадо 150. Ленд Крузер 70 схема электрооборудования. Прадо 150 схема электрооборудования.

Схема ленд крузер 80. Электрооборудование Тойота ленд Крузер 80. Электрическая схема ленд Крузер 80 электрооборудования. Ленд Крузер 80 дизель Электрооборудование. Электрическая схема Тойота ленд Крузер 80.

Схема ленд крузер 80. Крепление подушки рамы Тойота 4runner 1993. Тлк80 крепления кузова к раме. Схема подушек кузова Прадо 95. Подушки кузова ТЛК 100 схема.

Схема ленд крузер 80. Реле переключения света фар Toyota Land-Cruiser 80. Пропал Дальний свет и габариты, gx90. Реле переключения света фар Toyota Land-Cruiser 80 фото. Сааб 9-5 пропал Дальний свет фар.

Схема ленд крузер 80. Электросхема Тойота ленд Крузер 80. Ленд Крузер 80 дизель Электрооборудование. Электропроводка Тойота ленд Крузер 80. Электросхема Тойота Крузер 200.

Схема ленд крузер 80. Схема зарядки Toyota Land Cruiser Prado 150. Реле управления блокировкой Land Cruiser 80. Электрическая схема сигнала Toyota Land Cruiser 105. Схема электрооборудования ленд Крузер 80.

Схема ленд крузер 80. Вакуумная система ленд Крузер 80. Проводка АКПП Toyota Land Cruiser 100. Схема автомата Тойота ленд круизер 80. АКПП схема Тойота ленд круизер 80.

Схема ленд крузер 80. Схема блока стеклоподъемников ленд Крузер 100. Toyota Land Cruiser 105 схема стеклоподъемников. Схема блок управления стеклоподъемниками Тойота ленд Крузер 100. Электрическая схема ленд Крузер 80 электрооборудования.

Схема ленд крузер 80. Схема фар Toyota Land Cruiser 80. Реле переключения света фар Toyota Land-Cruiser 80. Toyota Land Cruiser 200 схема фар. Электрическая схема Тойота ленд Крузер 80.

Схема ленд крузер 80. Схема раздаточной коробки Тойота ленд Крузер 80. Схема переднего моста Тойота ленд Крузер 100. Схема раздатки Тойота ленд Крузер 70. Схема раздаточной коробки Prado 120.

Схема ленд крузер 80. Предохранители ленд Крузер 80. Toyota Land Cruiser 80 чертеж. Схема предохранителей ленд Крузер 80. Схема реле ленд Крузер 80.

Схема ленд крузер 80. Электросхемы Land Cruiser 80. Система пуска Land Cruiser 80. Схема электрооборудования ленд Крузер 80. Электро система ленд Крузер 80.

Схема ленд крузер 80. Схема звукового сигнала ленд Крузер 200. Схема электрооборудования Toyota Land Cruiser Prado 120 сигналы поворотов. Схема сигнала ленд Крузер 200. Реле аварийной сигнализации Лэнд Крузер 80.

Схема ленд крузер 80. Land Cruiser 80 электросхема. Схема электрооборудования ленд Крузер 80. Электрическая схема Тойота ленд Крузер 80. Схема фар Toyota Land Cruiser 80.

Схема ленд крузер 80. Схема фар Toyota Land Cruiser 80. Схема задних фонарей Land Cruiser 80. Land Cruiser 80 электросхема. Схема задних фонарей ленд Крузер 80.

Схема ленд крузер 80. Система АБС Toyota Land Cruiser 100. Тойота ленд Крузер 80 тормозная система. Тормозная система Тойота ленд Крузер 100. Тормозная система Land Cruiser 200 схема.

Схема ленд крузер 80. Габариты Тойота ленд Крузер 100. Колесная база ленд Крузер 80. Toyota Land Cruiser 80 габариты. Габариты Тойота ленд Крузер 80.

Схема ленд крузер 80. Ленд Крузер 80 электросхема. Схема очистителя фар Toyota Land Cruiser 100. Электросхема Тойота ленд Крузер 80 дизель. Схема подключения Генератор Тойота ленд Крузер 120.

Схема ленд крузер 80

Схема ленд крузер 80

Схема ленд крузер 80. Схема электрооборудования ленд Крузер 80. Схема электрооборудования Toyota Land Cruiser Prado 120 сигналы поворотов. Эл схема Land Cruiser 80. Схема электрооборудования Land Cruiser 80 дизель.

Схема ленд крузер 80. Схема ТНВД Land Cruiser 80. Редуктор ленд Крузер 80 схема. Схема моста ленд Крузер 80. Схема заднего моста Land Cruiser 80.

Схема ленд крузер 80. Land Cruiser 80 электросхема. Схема проводки фар ленд Крузер 80. Схема электрооборудования ленд Крузер 80. Электросхема фар Land Cruiser 80.

Схема ленд крузер 80. Электрическая схема Додж Дакота. K 8652 SD wiring diagram. Mxl2003 schematic.

Схема ленд крузер 80. Схема электрооборудования ленд Крузер 80. Схема электропроводки Крузер 80. Land Cruiser 80 схема электропроводки. Toyota Land Cruiser 70 Series схема электропроводки.

Схема ленд крузер 80. Toyota Land Cruiser 100 электросхема. Схема электрооборудования ленд Крузер 200. Электросхема Toyota Crown 200. Эл схемы Тойота ленд Крузер 70.

Схема ленд крузер 80. Блок управления свечей накаливания на ТЛК 100 дизель. Блок питания свечей накаливания rav4 2013. Блок свечи накала Тойота ленд Крузер 200 схема. Распиновка блока управления свечей накала Toyota Land Cruiser 80.

Схема ленд крузер 80. Проводка спереди Лэнд Крузер 80. Ленд Крузер 200 схема климат-контроля. Ленд Крузер 80 схема полного привода. Схема подключения сигнализации Land Cruiser 100.

Схема ленд крузер 80. Проводка центрального замка Тойота Лэнд Крузер 100. ТЛК 80 схема электрооборудования. Электрическая схема ТЛК 200. Схема электрооборудования TLC 100 4.7.

Схема ленд крузер 80. Схема подключения центрального замка Тойота Прадо 120. Ленд Крузер 80 схема подключения стеклоподъемников. Схема центрального замка Тойота. Схема управления стеклоподъемниками ленд Крузер.

Схема ленд крузер 80. Схема электрооборудования Toyota Land Cruiser Prado 120. Схема противотуманных фар Toyota Land Cruiser 100. Прадо 150 схема электрооборудования. Реле дальнего света prado90.

Схема ленд крузер 80. Ленд Крузер 80 магнитола. Toyota Land Cruiser 200 схема магнитолы. Схема электронных блоков Land Cruiser 200.

Схема ленд крузер 80. Схема кондиционера ленд Крузер 105 схема. Эл схема Land Cruiser 80. Схема кондиционера Land Cruiser 100. Электрическая схема ленд Крузер 80 электрооборудования.

Схема ленд крузер 80. Лебедка Land Cruiser 100 схема. Пульт лебедки ленд Крузер 76. Лебедка AISIN ai 1000 схема подключения. Схема лебедка Крузер 105.

Схема ленд крузер 80. Электрооборудование Тойота ленд Крузер 80. Электросхемы Land Cruiser 80. Схема электрооборудования ленд Крузер 80. Схема схема электрооборудования Toyota Лэнд Крузер 80.

Схема ленд крузер 80

Схема ленд крузер 80

Схема ленд крузер 80

Схема ленд крузер 80. Схемы электрооборудования ТЛК 100. Схемаэлетрооборудовпния tlc100. Тойота ленд Крузер 200 схема проводки. Схема включения отопителя Land Cruiser 100.

Схема ленд крузер 80. Электросхемы Land Cruiser 80. Электрооборудование Тойота ленд Крузер 80. Схема электрооборудования ленд Крузер 80. Электрическая схема ленд Крузер 80 электрооборудования.

Схема ленд крузер 80. Габарит Тойота Крузер 100. Toyota Land Cruiser 80 габариты. Toyota Land Cruiser 80 чертеж. Чертеж ленд Крузер 100.

Схема ленд крузер 80. Схема фар Toyota Land Cruiser 80. АКПП схема Тойота ленд круизер 80. Мануал ленд Крузер 80. Книга Тойота ленд Крузер 80.

Схема ленд крузер 80

Схема ленд крузер 80

Схема ленд крузер 80. Land Cruiser 80 электросхема. Схема электрооборудования ленд Крузер 80. Схема включения стартера ленд Крузер 80. Электросхема Toyota Land Cruiser 80 дизель.

Схема ленд крузер 80. Схема приборной панели ленд Крузер 100. Схема панели приборов ленд Крузер 80. Схема щитка приборов LC 80. Крузер 105 электросхема.

Схема ленд крузер 80. Схема системы зажигания Land Cruiser 80. Ленд Крузер 80 Генератор схема подключения. Электрооборудование Тойота ленд Крузер 80. Схема подключения генератора Тойота ленд Крузер 80.

Схема ленд крузер 80

Схема ленд крузер 80. Эл схема Land Cruiser 80. Электросхемы Land Cruiser 80. Электрическая схема Тойота ленд Крузер 80. Ленд Крузер 100 схема электрическая.

Схема ленд крузер 80. Схема электрооборудования ленд Крузер 80. Электрическая схема ленд Крузер 80 электрооборудования. Система пуска Land Cruiser 80. Схема включения стартера ленд Крузер 80.

Схема ленд крузер 80. Ленд Крузер 80 схема подключения стеклоподъемников. Ландкрузер 80 схема подключения стеклоподъемников. Эл схема Land Cruiser 80. Электрическая схема Тойота ленд Крузер 80.

Схема ленд крузер 80. Схема электрооборудования ленд Крузер 80. Электрическая схема Land Cruiser 80. Ленд Крузер 80 электросхема. Toyota Land Cruiser Prado 95 схема подогрева сидений.

Схема ленд крузер 80. Электросхема Тойота ленд Крузер 70. Тойота ленд Крузер 80 4.2 дизель схема зарядки. Электросхема Toyota Land Cruiser 80 дизель. Ленд Крузер 70 схема электрооборудования.

Схема ленд крузер 80. Схема управления двигателем1kr-Fe. Схема системы управления двигателем 1fz-Fe. Тойота ленд Крузер 1fz-Fe электросхема двигателя. Land Cruiser 100 1 HD электросхемы.

Схема ленд крузер 80. Электрическая схема ленд Крузер 80 электрооборудования. Схема электрооборудования Land Cruiser 80 дизель. Toyota Land Cruiser Prado 120 схема парктроников. Схема проводки Тойота ленд Крузер 80 дизель.

Схема ленд крузер 80. Электрическая схема ленд Крузер 80 электрооборудования. Электрооборудование Тойота ленд Крузер 80. Схема электрооборудования ленд Крузер 200. Электрическая схема ленд Крузер 80.

Схема ленд крузер 80. Тойота ленд Крузер 80 4.2 дизель схема зарядки. Ленд Крузер 70 схема электрооборудования. Схема управления дизельным двигателем Land Cruiser 105. Электросхема Тойота ленд Крузер 70.

  • Вперед Азербайджан новости спорт
  • Назад Три дня дождя глеб рисунок

Новые страницы

Адаптация датчиков давления в шинах

Баскетбольный клуб надежда все

Централ парк курск распечатать

Договор аренды спецтехники в казахстане образец

Драгомилов биология

Электросхема света фар

Ep crs каталог стандартных образцов

Фон москва сити для

Гдз физика лабораторные работы

Индиго схема

Номер 324 по алгебре 7 класс макарычев

Очиститель мощный profoam 1000 600мл

Очко карточная игра

Океан отель

P621

Периметр геометрических фигур

Поломки фольксваген тигуан

Представление на медаль образец

Пробка в ухе как убрать

Проверка соответствия схем электроснабжения

Ремонт гусеничного экскаватора

С наступающим новым спортсменам

Схема искусственной

Схема ленд крузер 80

Солярис складывание зеркал

Спорт сейчас прямая трансляция

Темброблок на ne5532

Тройник обжимной

В чем состояли служебные обязанности консула в чем они занимались

Виды психологической подготовки в спорте

cdn.zecar.ru