Skip to content

Фотогалерея

  • Главная
  • Контакты

Схема киа спектра

Схема киа спектра. Схема стеклоподъемников Киа спектра. Лансер 9 схема разъема стеклоподъемников.

Схема киа спектра

Схема киа спектра. Схема проводки Киа спектра 2006. Kia Spectra 2007 электросхема. Схема проводки Киа спектра 2008 года. Схема электропроводки Киа спектра 2006.

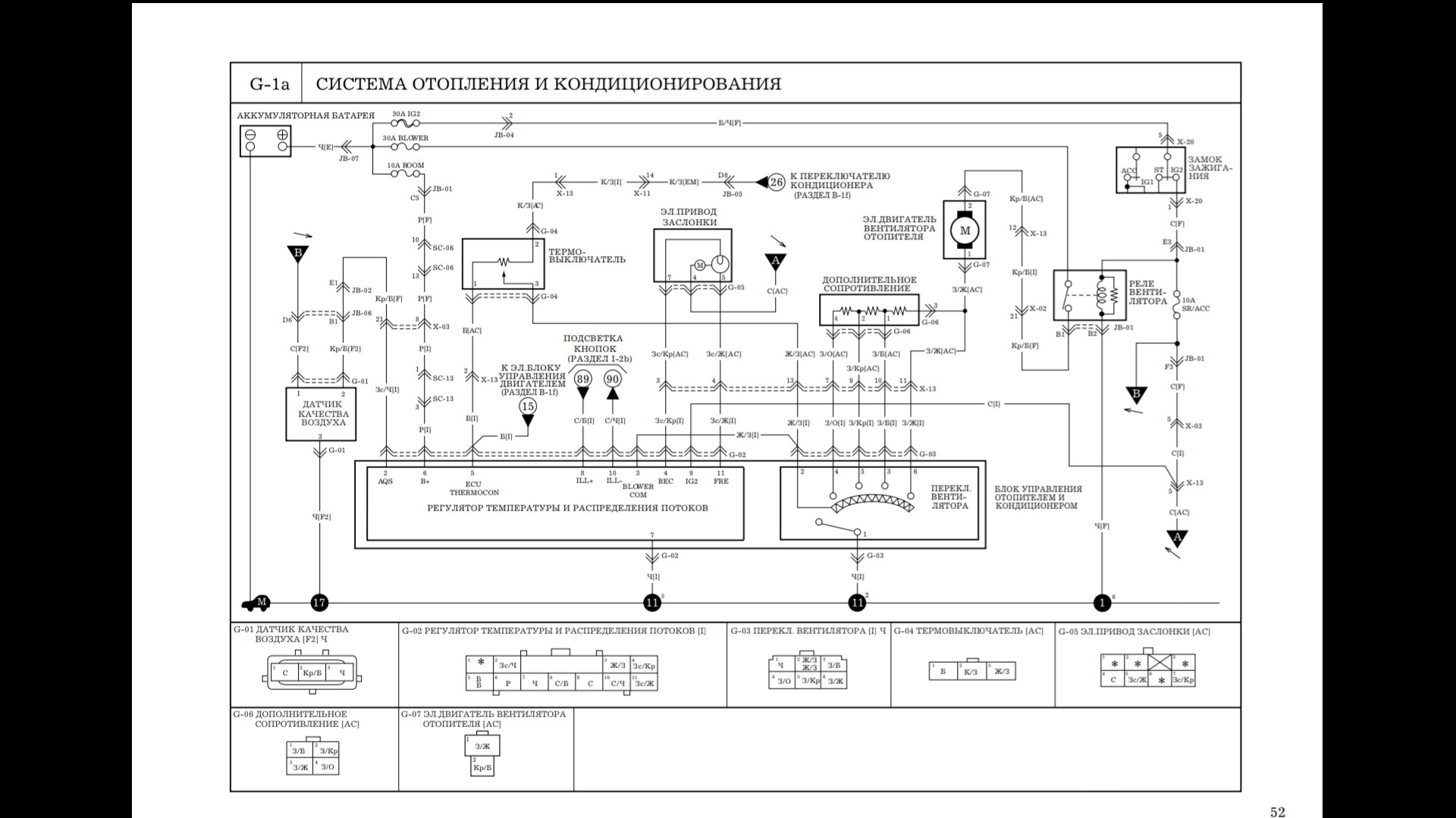
Схема киа спектра. Кия спектра 2007 система кондиционирования. Схема компрессора кондиционера Киа спектра 2006. Схема кондиционера Киа Рио 2. Spectra Kia 2007 схема кондиционера.

Схема киа спектра. Электросхема Киа спектра 2007. Схема фары Киа спектра 2008. Схема проводки Kia Spectra. Электрическая схема Киа спектра 2008 года.

Схема киа спектра. Электросхемы Киа Оптима 2018г. Генератор электросхема Киа Оптима 2011. Схема проводки Киа спектра 2008 года. Кия спектра 2009 электросхема кондиционера.

Схема киа спектра. Киа спектра 2008 электропроводка салона. Киа спектра 2006 схема электрооборудования. Киа спектра 2007г схема. Схема панели приборов Киа спектра 2006.

Схема киа спектра. Схема системы охлаждения Киа Оптима. Датчик влажности Киа Оптима 2017 схема. Kia Optima 2012 года мотор схема. Схема системы зажигания Киа Оптима.

Схема киа спектра. Блок управления АБС Киа шума 1. Киа Рио 2002 схема ABS 4. Электросхемы Киа Спортейдж 1. Киа спектра блок управления стеклоподъемниками 2007 года схема.

Схема киа спектра. Киа спектра 2006 г схема включения вентилятора. Киа Сефия 1997 система управления двигателем. Схема электрооборудования Kia Sportage II 2. Схема бензонасоса Киа спектра.

Схема киа спектра. Схема проводки Kia Spectra 2008. Схема проводки Kia Spectra. Схема замка зажигания Киа спектра 2007. Схема проводки Киа спектра 2006.

Схема киа спектра. Электросхемы Киа Спортейдж 4. Кия Авелла 1998 электросхема. Схема зарядки кия Церато 3. Kia Avella электросхема.

Схема киа спектра

Схема киа спектра. Kia Spectra приборная панель схема. Схема щитка приборов Киа Рио 3. Схема подключения датчика скорости Киа спектра. Схема панели приборов Киа спектра 2006.

Схема киа спектра. Kia Cerato 2 электросхемы. Электросхемы Киа Спортейдж 4. Kia Cerato 2011 электросхема. Электросхема Kia Optima 2017.

Схема киа спектра. Электрическая схема генератора Kia Sportage. Киа Спортейдж 2 дизель схема генератора. Генератор Киа Спортейдж схема. Kia Spectra Генератор схема.

Схема киа спектра. Схема проводки Kia Spectra. Киа спектра 2007 схема габаритов. Электропроводка фары Киа спектра. Схема электрооборудования звукового сигнала Киа Спортейдж 4.

Схема киа спектра. Блок управления двигателем Киа спектра. Схема электрооборудования Киа спектра 2011. Киа спектра 2006 года электросхемы. Кия спектра 2007 ЭБУ схема.

Схема киа спектра. Схема электропроводки Киа спектра 2006. Схема катушки зажигания Киа спектра. Датчики и система управления двигателем на Киа спектра 2007. Схема подключения катушки зажигания Киа спектра.

Схема киа спектра

Схема киа спектра

Схема киа спектра. Киа спектра 2006 схема электрооборудования. Бензонасос кия спектра схема 2007. Электросхема топливного насоса Киа спектра 2007. Электросхема Киа спектра 2006.

Схема киа спектра. Электрическая схема Киа Церато 2. Электрическая схема Киа Церато 2 поколения. Схема электропроводки Kia Cerato 4. Kia Cerato 2011 электросхема.

Схема киа спектра. Электрические схемы Kia Cerato (4 поколение). Электросхема магнитолы Киа Спортейдж 2. Kia Cerato 2 электросхемы. Электрическая схема Kia Soul 2011.

Схема киа спектра. Электрическая схема Киа спектра 2008 года. Схема проводки Kia Spectra 2008. Киа спектра схема электрооборудования. Киа спектра 2007 схема электрооборудования.

Схема киа спектра. Электрическая схема Kia Rio 2. Электросхема Kia Carens 2005 2l. Киа Рио 4 схема электрооборудования. Электросхема Киа Рио 4 1.4.

Схема киа спектра. Спектра блок ETWIS. Чертёж Kia Spectra 2008. Блок ETWIS Киа спектра. Kia Spectra кнопка подогрева зеркал.

Схема киа спектра. Схема концевиков Kia Shuma 2. Киа шума 2 электрическая схема. Схема проводки магнитола Киа шума 2. Схема Киа шума 2.

Схема киа спектра

Схема киа спектра

Схема киа спектра. Kia Spectra 2007 электросхема. Kia Spectra 2007 схема центрального замка. Схема замка зажигания Киа спектра 2007. Схема иммобилайзера Киа спектра.

Схема киа спектра. Схема электропроводки Киа спектра 2006. Kia Spectra 2007 электросхема. Схема проводки Киа спектра 2008 года. Киа спектра 2006 года электросхемы.

Схема киа спектра. Схема под капотом Киа спектра 2007. Киа спектра схема проводки фар. Схема моторного отсека Kia Cerato 2006. Схема проводки Kia Spectra 2008.

Схема киа спектра. Схема салонного освещения Kia Spectra. Схема электрооборудования Киа спектра 2011. Схема подсветки приборов Киа спектра. Электросхема освещения на Киа спектра 2008 года.

Схема киа спектра. Kia Spectra 2007 электросхема. Киа спектра электросхема генератора. Схема центрального замка Киа спектра 2007. Схема стеклоподъемников Киа спектра 2011.

Схема киа спектра. Электрические схемы Kia Cerato (4 поколение). Киа спектра 2010 схема электрооборудования. Kia Cerato схема электрическая. Kia Cerato 2 поколения электрическая схема.

Схема киа спектра. Kia Cerato 2 электросхемы. Электросхемы Kia Cerato 2020u/. Кия Церато 2 схема электропроводки. Электрические схемы Kia Sorento 2019.

Схема киа спектра. Схема ближнего света Киа спектра. Киа спектра схема ближнего света фар. Схема электрическая Киа Соренто 2008 г.. Kia Spectra 2008 год схема электрическая ближнего света.

Схема киа спектра. Схема подключения генератора Киа спектра. Электросхема генератора Kia Spectra. Электросхема зажигания Kia Shuma 2. Схема генератора электропроводки Киа спектра.

Схема киа спектра. Схема генератора Киа спектра 2006. Kia Spectra 2007 электросхема. Схема фары Киа спектра 2008. Электрическая схема кия спектра 2008.

Схема киа спектра. Электросхема Рио 4. Электросхема Киа Рио 4. Киа Стингер электросхема. Электросхема Киа Пиканто 2011.

Схема киа спектра. Схема электропроводки Киа спектра 2006. Киа спектра 2007 схема электрооборудования. Схема проводки Киа спектра 2006 года. Схема проводки Kia Spectra 2008.

Схема киа спектра. Схема приборной панели Киа спектра. Распиновка приборной панели Киа спектра 2008. Распиновка панели приборов Киа спектра. Электросхема панели приборов Киа спектра.

Схема киа спектра. Схема проводки Kia Spectra 2008. Схема проводки Киа спектра. Киа спектра схема проводки фар. Блок DRL Киа спектра.

Схема киа спектра

Схема киа спектра. Kia Spectra 2007 электросхема. Схема замка зажигания Киа спектра 2007. Электрическую схему на Kia Spectra 2007. Схема центрального замка Киа спектра 2007.

Схема киа спектра. Электрические схемы Kia Cerato (4 поколение). Схема центрального замка Киа Рио 2. Схема парктроника герато 2007. Kia Cerato схема электрическая.

Схема киа спектра. Схема электропроводки Киа спектра 2006. Киа спектра схема дворников. Реле дворников и омывателя Киа спектра. Киа спектра 2006 года электросхемы.

Схема киа спектра. Электрические схемы Kia Cerato (4 поколение). Электрические схемы Киа Церато 1. Kia Cerato 2007 схема реле поворотов. Kia Cerato 1 электросхема.

Схема киа спектра. Кия спектра реле поворотов схема. Схема поворотников Киа спектра. Переключатель света фар Киа спектра схема. Киа спектра 2006 схема реле аварийной сигнализации.

Схема киа спектра. Схема электрооборудования Киа спектра 2011. Схема центрального замка Киа Венга 2011. Киа спектра 2006 схема электрооборудования. Киа спектра 2006 года электросхемы.

Схема киа спектра. Кия Церато 2 схема электропроводки. Электрические схемы Kia Cerato 2010. Схема проводки Kia Cerato 2. Схема Киа Церато 2.

Схема киа спектра. Kia Spectra 2007 чертеж. Kia Spectra 2007 габариты. Kia Spectra 2008 Blueprint. Киа спектра 2008 схема кузова.

Схема киа спектра

Схема киа спектра. Kia Spectra 2007 электросхема. Схема электропроводки Киа спектра 2006. Схема электропроводки Киа спектра 2007 года. Электрическая схема Киа спектра 2006.

Схема киа спектра. Kia Forte 2009 схема Автозвука. Электросхемы Kia Forte. Схема топливной системы Киа. Топливная система Киа Церато 3 схема.

Схема киа спектра. Kia Cerato 1 электросхема. Схема электропроводки Kia Cerato 4. Электросхемы Киа Спортейдж 4. Kia Cerato 2 электросхемы.

Схема киа спектра. Kia Sportage 1 электросхема. Киа спектра зажигание 2 провод. Киа спектра контроллер катушек. Схема электрическая Киа k5.

Схема киа спектра. Схема электропроводки Киа спектра 2006. Электрическая схема Киа спектра 2006. Киа спектра 2007 схема электрооборудования. Киа спектра 2006 схема электрооборудования.

Схема киа спектра. Схема проводки Kia Spectra. Схема проводки Kia Spectra 2008. Эл схема Киа спектра. Электрическая схема Киа спектра 2008 года.

Схема киа спектра. Схема зарядки Kia Spectra. Схема генератора Киа спектра 2006 года. Схема генератора Киа спектра. Схема зарядки аккумулятора Kia Spectra.

Схема киа спектра. Киа спектра 2007 схема габаритов. Электрическая схема Киа спектра 2006. Схема проводки Киа спектра 2006 года. Схема электрическая Kia Spectra.

Схема киа спектра. Электрические схемы Kia Cerato (4 поколение). Схема электропроводки Kia Cerato 4. Схема блока управления двигателем 4. Схема электроники Kia Cerato.

Схема киа спектра

Схема киа спектра. Киа спектра 2007 схема электрооборудования. Схема Киа спектра 2007. Kia Spectra 2008 г. электросхема. Схема проводки Kia Spectra 2008.

Схема киа спектра. Схема центрального замка кия спектра. Электрическая схема Киа спектра 2006. Схема замка зажигания Киа спектра 2007. Киа спектра 2008 блок центрального замка.

Схема киа спектра. Kia Carens 2007 электросхемы. Электрические схемы Kia Cerato (4 поколение). Электрическая схема Киа Церато 2. Электросхема Киа Каренс 1999.

Схема киа спектра. Kia Sportage 1 схема стеклоподъемника. Эл схема стеклоподъемников Киа спектра. Кия спектра 2007 схема стеклоподъемников. Kia Carnival 2 схема стеклоподъемников.

Схема киа спектра. Схема проводки Kia Spectra 2008. Киа спектра 2006 года электросхемы. Электрическая схема Киа спектра 2008 года. Схема проводки Киа спектра 2008.

Схема киа спектра. Блок управления стеклоподъемниками Киа спектра схема. Электросхема стеклоподъемников Киа спектра 2007. Схема подключения стеклоподъемников Киа спектра. Киа спектра блок управления стеклоподъемниками 2007 года схема.

Схема киа спектра. Схема подключения генератора Киа спектра. Kia Spectra Генератор схема. Схема проводки предохранителей кия спектра 2008 года. Kia Spectra схема электропроводки.

Схема киа спектра. Схема проводки Киа спектра 2006 года. Киа спектра 2006 схема электрооборудования. Kia Spectra 2007 электросхема. Киа спектра 2007 схема электрооборудования.

Схема киа спектра. Схема проводки Kia Spectra 2008. Схема освещения Киа сефия2. Схема электропроводки Киа спектра. Киа спектра 2006 схема освещения салона.

Схема киа спектра. Схема электропроводки Киа спектра 2006. Блок управления АКПП Киа спектра. Разъём АКПП Киа спектра. Электрическая схема Киа спектра 2006.

Схема киа спектра

Схема киа спектра. Киа спектра схема освещения салона. Схема электропроводки Киа спектра 2006. Схема подсветки приборов Киа спектра. Эл схема щитка приборов Киа спектра.

Схема киа спектра. Схема приборной панели Киа спектра. Электрическая схема Киа спектра панель приборов. Схема приборной панели на Киа спектра 2008г. Киа спектра 2007 схема электрооборудования.

Схема киа спектра. Блок управления стеклоподъемниками Киа спектра 2008. Kia Spectra 2007 схема центрального замка. Блок управления стеклоподъемниками Киа спектра. Блок стеклоподъёмника Киа спектра.

Схема киа спектра. Схема проводки Киа спектра 2006 года. Схема замка зажигания Киа спектра 2007. Схема электропроводки Киа спектра 2006. Схема проводки Киа спектра 2008 года.

Схема киа спектра. Схема проводки Киа спектра 2006 года. Электрическая схема Киа спектра 2008 года. Схема панели приборов Киа спектра 2006. Схема проводки Kia Spectra 2008.

Схема киа спектра. Схема стеклоподъемников Киа Рио 4 поколения. Электрические схемы Kia Cerato (4 поколение). Киа Церато 2009 блок стеклоподъемников схема. Электросхема стеклоподъемников Kia Cerato 1.

Схема киа спектра. Схема генератора Киа спектра 2006. Электропроводка фары Киа спектра. Киа спектра схема включения света. Киа спектра 2007 схема габаритов.

Схема киа спектра. Схема электропроводки Киа спектра 2006. Электрическая схема Киа спектра 2006. Киа спектра электрическая схема головного света. Киа спектра схема проводки фар.

Схема киа спектра. Kia Sportage 1 электросхема. Электросхема Kia Rio 4. Электросхемы Киа Спортейдж 4. Электросхемы Киа Спортейдж 1.

Схема киа спектра. Схема кнопки противотуманных фар Киа спектра. Схема кнопки передних противотуманных фар Киа спектра. Схема подключения кнопки противотуманных фар спектра. Схема проводки ПТФ кия спектра.

  • Вперед Установка дистанционного управления на лодку
  • Назад Ремонт котлов в туле

Новые страницы

Что такое dpf

Девочка с телефоном картинка

Электробензонасос пекар 2112 1139010

Газпромлизинг

Где по английскому языку 4 класс учебник афанасьева михеева 2 часть

Гдз по английскому языку 3 класс рабочая тетрадь стр 105

Главные страны экспорта металлургии

Горы вино

Гвэ 9 тренировочные варианты

Hsync

Картинки чумъа муборак новый

Набор инструментов для аппендэктомии с картинками

О чем молчит душа

Образец титульного листа проекта 5 класс

Отремонтировать карданный вал

Перепайка наушников

Пикофарады в микрофарады

Плацкартный вагон фото схема мест

Площадь славы хабаровск старое

Польза кешью для мужчин

Поверка водосчетчиков в улан удэ

Повторное согласование проекта плана осуществляется в срок не позднее

Прилагательное раздельное написание

Распиновка разъема задних дверей рено каптур

Рефрактометрия что это такое в офтальмологии

Рисунки детей лето 5 6 лет

Рисунок компота блогера

Русский язык 4 класс 2 часть решебник учебник

Спорт руками детей

Валик для спины фитнес

cdn.zecar.ru