Skip to content

Фотогалерея

  • Главная
  • Контакты

Схема генератора тигго

Схема генератора тигго. Электрооборудование автомобиля чери Тигго т11. Электрическая схема Chery Tiggo t11. Схема электрическая чери Тигго т11 2.4. Схемы электрооборудования Chery Tiggo.

Схема генератора тигго. Чери Тигго т11 схема электрооборудования. Электрическая схема Chery Tiggo t11. Электрическая схема чери Тигго т11. Схемы электрооборудования Chery Tiggo.

Схема генератора тигго. Электрическая схема бензонасоса чери Тигго т11. Электрическая схема чери Тигго т11. Схема приборной панели чери Тигго т11. Схема подключения панели приборов чери Тигго т11.

Схема генератора тигго. Система охлаждения генератора схема. Генератор с водяным охлаждением схема. Система охлаждения синхронных генераторов. Воздушное охлаждение синхронного генератора.

Схема генератора тигго. Распиновка блока стеклоподъемников Chery Tiggo t 11. Чери Тигго т11 схема электрооборудования. Электросхема чери Тигго 4. Чери амулет 2007 электросхема двигателя.

Схема генератора тигго

Схема генератора тигго

Схема генератора тигго. Блок предохранителей Вортекс Эстина. Схема предохранителей Vortex Estina. Предохранители чери м11 схема. Схема блока предохранителей чери Фора а21.

Схема генератора тигго. Чери амулет катушка зажигания схема подключения. Схема вентиляторов чери амулет. Chery Amulet схема электропроводки. Схема проводки черри амулет а 15.

Схема генератора тигго

Схема генератора тигго. Электрические схемы Тигго фл. Чери Тигго т11 схема электрооборудования. Электрическая схема Chery Tiggo 4. Электрическая схема Тигго т11.

Схема генератора тигго. Электрическая схема Тигго т11. Схема электрическая чери Тигго т11 2.4. Система зажигания на чери Тигго т11 схема. Электросхема Chery Tiggo 2.4.

Схема генератора тигго. Стартер Грейт вол н5 дизель. Корпус редуктора стартера Ховер н2. Suzuki VX 800 сборка стартера. Hover h2 сборка стартера.

Схема генератора тигго. Реле включения вентилятора охлаждения черри тигго8. Схема предохранителей Chery Tiggo 4. Схема блока предохранителей Chery Tiggo 8 Pro. Схема предохранителей на чери Тигго 4.

Схема генератора тигго

Схема генератора тигго

Схема генератора тигго

Схема генератора тигго

Схема генератора тигго. Система охлаждения чери Тигго т11 2.4. Система охлаждения двигателя чери Фора 1.6. Система отопления чери Тигго т11. Чери Тигго т11 система охлаждения схема.

Схема генератора тигго. Электрическая схема ABS чери Тигго т11. Схема АБС чери Тигго т11. Чери Тигго т11 FL электросхема АБС. Chery Tiggo схема блока комфорта.

Схема генератора тигго. Схема электрооборудования чери Фора 2.0. Chery m11 электросхема. Электрическая схема чери м11. Чери Тигго т11 схема электрооборудования.

Схема генератора тигго. Схема электрическая чери Тигго т11 2.4. Эл схема чери Тигго т11. Электрическая схема чери Тигго т11. Электрическая схема чери Тиго 1.8 т11 2009г.

Схема генератора тигго. Чери Тигго т11 схема электрооборудования. Электрическая схема бензонасоса чери Тигго т11. Схема электрооборудования Chery Tiggo 2011. Схемы электрооборудования Chery Tiggo.

Схема генератора тигго. Электросхема сигнала Chery QQ 6. Принципиальная схема Chery qq6. Схема предохранителей чери Куку 6 с21. Схема электропроводки чери Куку 6.

Схема генератора тигго. Реле зарядки Генератор Chery Amulet. Разъем генератора чери Тигго. Реле зарядки чери амулет а15 артикул. Chery Tiggo 2.4 реле регулятор.

Схема генератора тигго. Реле стеклоочистителей Chery fora. Проводки дворников чери амулет. Реле на стеклоочиститель и дворники черри м11. Схема подрулевых переключателей чери амулет.

Схема генератора тигго

Схема генератора тигго. Схема панели приборов Шевроле Авео т250. Схема проводки приборной панели Шевроле Авео 250. Шевроле Авео т 250 1 2 провод тахометра. Распиновка приборной панели Шевроле Авео т250.

Схема генератора тигго. Схема топливной системы чери Тигго т11 2.4. Топливная система чери Тигго т11 2.4 2007 года схема. Чери Тигго т11 топливная система схема. Топливная система чери Тиго 2.4 схема.

Схема генератора тигго. Электрооборудование чери амулет а 15. Схема проводки чери амулет а15. Схема электрооборудования чери амулет а15. Электро схема чери амулет а15 2006 года.

Схема генератора тигго

Схема генератора тигго

Схема генератора тигго. Схема электрооборудования чери амулет а15. Chery Amulet схема электропроводки. Схема катушки зажигания чери амулет. Схема электрическая Chery Amulet.

Схема генератора тигго. Схема подключения фаркопа Каптива c140. Разъем подключения фаркопа на каптиву с140. Схема для подключения фаркопа на Шевроле Каптива. Схема Шевроле Каптива с140.

Схема генератора тигго

Схема генератора тигго. Электросхема сигнала Chery QQ 6. Чери Куку 6 схема предохранителей. Схема предохранителей чери Куку 6 с21. Блок предохранителей Chery qq6 схема.

Схема генератора тигго. Чертёж ротора генератора ВАЗ 2110. Ротор автомобильного генератора схема. Схема разборки автомобильного генератора. Схема ротора генератора автомобиля.

Схема генератора тигго. Схема электрооборудования чери амулет а15. Электрооборудование чери амулет а 15. Схема стеклоподъемников чери амулет а15. Электросхема сигнала Chery QQ 6.

Схема генератора тигго. Схема ремня генератора чери Фора 1.6. Приводной ремень чери Тигго 1.8.

Схема генератора тигго

Схема генератора тигго

Схема генератора тигго. Схема подключения штатной магнитолы чери Тигго 11. Схема подключения штатной магнитолы чери. Схема подключения штатной магнитолы чери Тигго т11. Распиновка штатной магнитолы чери Тигго т11.

Схема генератора тигго. Pvt312l схема включения. М51132l схема включения. Эл схема дневных ходовых огней черри Тиго фл т11. M57962l схема включения.

Схема генератора тигго

Схема генератора тигго

Схема генератора тигго. Схема электропроводки Chery Amulet a15. Схема проводки чери амулет а15. Электрическая схема Тигго 4. Схема управления двигателем Chery Tiggo 2 a13t.

Схема генератора тигго. Chery Amulet схема электропроводки. Схема электропроводки чери амулет 2007 года. Chery Amulet 2007 комбинация приборов схема. Схема проводки чери амулет а15.

Схема генератора тигго

Схема генератора тигго. Электрическая схема Тигго т11. Электрическая схема Chery Tiggo t11. Схема электрическая чери Тигго т11 2.4. Электрическая схема чери Тигго т11.

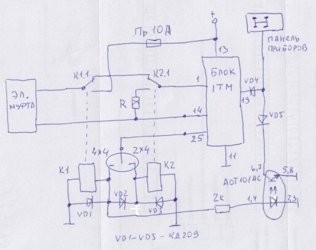
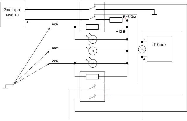
Схема генератора тигго. Схема полного привода Тигго т11. Принудительное включение полного привода чери Тиго. Чери Тигго полный привод схема. Схема подключения полного привода чери Тигго т11.

Схема генератора тигго. Чери Тигго т11 приводной ремень. Приводные ремни чери Тигго т11 2.4. Ремень приводной чери Тигго т11 2.4. Ремень генератора черри Тигго т 11.

Схема генератора тигго

Схема генератора тигго. Электросхема Chery Tiggo t11. Тормозная система чери Тигго т11 схема. Vortex Tingo схема ABS. Схема системы ABS Chery Tiggo.

Схема генератора тигго

Схема генератора тигго. Схема проводки чери Фора а21. Схема электрооборудования чери Фора 2.0. Chery Amulet схема электропроводки. Черри амулет а15 проводка.

Схема генератора тигго. Схема электрооборудования чери Фора 2.0. Схема проводки Chery fora. Чери Фора схема электрооборудования. Электрическая схема Вортекс корда.

Схема генератора тигго

Схема генератора тигго. Схема подключения автомагнитолы чери м11. Схема подключения магнитолы Chery Tiggo. Схемы автомагнитол черри Тиго. Чери Тиго т11 схема магнитолы.

Схема генератора тигго. Электрическая схема Тигго т11. Схема электрическая чери Тигго т11 2.4. Электрическая схема Chery Tiggo t11. Электрическая схема чери Тигго 2.

Схема генератора тигго

Схема генератора тигго. Приводной ремень чери Фора 2.0. Приводной ремень чери м11. Чери м11 приводной ремень схема. Чери Тигго т11 приводной ремень.

Схема генератора тигго. Генератор чери амулет а15. Tiggo t11 2,4 Генератор. Схема генератора чери амулет а15. Щетки на Генератор чери Тигго т 11.

Схема генератора тигго

Схема генератора тигго

Схема генератора тигго. Схема полного привода Тигго т11. Чери Тигго полный привод схема. Схема управления полным приводом чери Тиго. Схема полного привода чери Тигго т11.

Схема генератора тигго. Чери Тигго т11 схема электрооборудования. Схема электрооборудования Chery Tiggo 2011. Схема проводки чери Тигго т11. Схема электрическая чери Тигго т11 2.4.

Схема генератора тигго

Схема генератора тигго

Схема генератора тигго

Схема генератора тигго. Из чего состоит Генератор автомобиля. Генератор автомобильный устройство схема. Генератор автомобильный устройство поломки. Генератор авто устройство и принцип работы.

Схема генератора тигго. Электрическая схема Тигго т11. Жгут проводов Тигго т 11 2.4. Схема проводки чери Тигго т11. Электрическая схема чери Тигго т11.

Схема генератора тигго. Схема электрооборудования Nissan Qashqai j10 аудиосистема. Nissan Qashqai схема электрооборудования. Электросхема Ниссан Кашкай j10. Реле системы зажигания Nissan Qashqai j10.

Схема генератора тигго. Электросхема сигнала Chery QQ 6. Электросхема чери Кимо s12. Схема электрическая Chery Kimo. Электрическая схема чери Кимо а1.

Схема генератора тигго

Схема генератора тигго. Chery Amulet схема электрооборудования. Chery Amulet схема электропроводки. Схема электрооборудования чери амулет а15. Схема электропроводки Chery Amulet a15.

Схема генератора тигго. Схема электрооборудования чери амулет а15. Chery Amulet схема электропроводки. Схема электрическая Chery Amulet. Схема проводки чери амулет а15.

Схема генератора тигго. Chery QQ 0.8 реле стартера. Реле зажигание чери Кимо. Реле стартера чери Тигго т11. Черри Куку робот.реле стартера.

Схема генератора тигго. Блок обогрева сидений ТАГАЗ Тагер. Схема подогрева сидений Мазда СХ 5. Схема подключения обогрева сидений ТАГАЗ Тагер. ТАГАЗ Вега с100 схема электрооборудования.

Схема генератора тигго

Схема генератора тигго. Схема электрооборудования чери Фора 2.0. Электросхема Вортекс Эстина 1.6. Электросхема Вортекс Эстина. Электрическая схема чери Фора а21.

Схема генератора тигго

Схема генератора тигго

Схема генератора тигго

Схема генератора тигго. Предохранители чери м11 схема. Реле на чери м11. Предохранители чери м11 хэтчбек. Схема блока предохранителей Chery m11.

Схема генератора тигго

Схема генератора тигго. Схема электрооборудования чери амулет а15. Схема замка зажигания чери амулет. Электропроводка черри амулет 2007 года схема. Электро схема чери амулет а15 2006 года.

Схема генератора тигго. Диоды в схеме сигнализации. 96216279 Реле центрального замка схема подключения. Диод для сигнализации STARLINE. Центральный замок старлайн 4д схема подключения.

Схема генератора тигго. Втулки стартера чери амулет а15. Датчик системы управления двигателем чери амулет. Чери амулет 2007 система зажигания. Силовой провод на стартер чери Тигго т11 2.4.

  • Вперед Установка направляющих для шкафа купе
  • Назад На принципиальной схеме показывают

Новые страницы

4 20 Ма схема

5030Al datasheet

Алгебра 8 класс мерзляк 862

Анализ стихотворения мережковский родное

Английский язык 4 класс страница 71 номер 19

Автоспот ру казань

Дорожные знаки с пояснениями в картинках стоянка запрещена

Джипы из кореи

Фитнес залы екатеринбург

Гдз алгебра 8 класс номер 975

Гидроабразивная резка металла

Горит стоп на приборке ваз 2109

Характеристика на сотрудника отдела кадров для награждения образец

Https org moisport ru login

Как прикрепить зеркало на лобовое стекло

Красивые природные места

Миссис ивт учебный план

Нисон краски красногорск

Поезд метро яуза

Пособие по русскому языку в старших классах гдз

Презентация про золото по химии

Схема генератора тигго

Сколько живут телескопы в аквариуме в домашних

Собака динго кратко

Сочинения по теме уроки французского 6 класс

Тренировки 3 км

Учимся читать по слогам для детей 6 7 лет азбука игры презентация

В том числе и спортсмены

Зазор на свечах зажигания ваз 2106 карбюратор

Зимние олимпийские виды спорта сообщение

cdn.zecar.ru