Skip to content

Фотогалерея

  • Главная
  • Контакты

Схема генератора круз 1.6

Схема генератора круз 1.6. Генератор Chevrolet Cruze схема. Схема электрооборудования Шевроле Круз 1.6 механика. Разъём генератора Шевроле Круз. Схема генератора Лачетти 1.6.

Схема генератора круз 1.6

Схема генератора круз 1.6. Блок управления светом Шевроле Круз схема. Корректор фар Ланос схема. Электросхема Шевроле Круз фары. Схема фары Шевроле Круз.

Схема генератора круз 1.6

Схема генератора круз 1.6. Электрическая схема Шевроле Круз 1.8 механика. Схема блок питания Шевроле Круз 1-8. Схема блока на Chevrolet Cruze 2013 года. Электрическая схема Шевроле Вива.

Схема генератора круз 1.6. Схема вентилятора охлаждения Chevrolet Cruze. Шевроле Авео 2007 года электропроводка. Схема центрального замка Авео т250. Электросхема центрального замка Авео т250.

Схема генератора круз 1.6. Схема ремня генератора Шевроле Круз 1.8. Схема ремня генератора Шевроле Круз 1.6. Генератор Шевроле Круз 1.6 109 схема. Генератор Шевроле Круз 1.6 расположение.

Схема генератора круз 1.6. Крепление генератора Шевроле Лачетти 1.6 схема. Верхний болт крепления Генератор Шевроле Лачетти. Крепление генератора Круз. Лачетти схема крепления генератора.

Схема генератора круз 1.6. Генератор Chevrolet Cruze 1.8 схема. Каталог запастешевроле Круз 1.6 109 л.с МКПП. Схема генератора Шевроле Круз 1.8. Генератор Chevrolet Cruze схема.

Схема генератора круз 1.6. Схема электрооборудования кобальт. Схема электрооборудования Шевроле Круз 1.6 механика. Схема проводки Шевроле Круз 1.6. Электрическая схема Шевроле Круз.

Схема генератора круз 1.6. Схема электрооборудования Chevrolet Cruze 2011 года. Схема проводки Шевроле Круз 1.6. Электрическая схема Шевроле Круз 1.6 механика. Схема электропитания Шевроле Круз.

Схема генератора круз 1.6. Chevrolet Cruze схема подогрева сидений.

Схема генератора круз 1.6. Схема ремня генератора Шевроле Круз 1.6. Приводной ремень Chevrolet Cruze 1.6 109. Chevrolet Lacetti 1.6 ремень генератора схема. Ремень генератора Шевроле Круз 1.6 109 схема.

Схема генератора круз 1.6. Chevrolet Cruze 2012 1.8 схема электрооборудования. Электросхема ЭБУ Cruze 1.6. Схема блока комфорта Шевроле Круз. Электросхема Шевроле Круз 1.6 109 л.с.

Схема генератора круз 1.6. 1.8 Шевроле Круз двигатель черчения. Двигатель Chevrolet Cruze 1.8 схема. Схема двигателя Chevrolet Cruze. Схема двигателя Шевроле Круз 1.8.

Схема генератора круз 1.6. Электросхема Chevrolet Cruze 2012. Схема блок управления парктроника Шевроле. Chevrolet Cruze 2014 схема. Блок управления светом Шевроле Круз схема.

Схема генератора круз 1.6. Схема электрооборудования Шевроле Круз 1.6 механика. Схема электропроводки Шевроле Круз. Электросхема Шевроле Круз 1.8. Датчик заряда АКБ Шевроле Круз.

Схема генератора круз 1.6. Электросхема Chevrolet Cruze 2012. Электросхема Шевроле Круз 1.6 2014. Схема электропроводки Шевроле Круз. Схема блока на Chevrolet Cruze 2013 года.

Схема генератора круз 1.6. Схема электрооборудования Шевроле Круз 1.6 механика. Схема блока управления Шевроле Круз. Схема блока на Chevrolet Cruze 2013 года. Схема блока управления двигателем Chevrolet Cruze 2013.

Схема генератора круз 1.6. Схема электрооборудования Chevrolet Cruze 2011 года. Схема проводки Chevrolet Cruze. Схема проводки Шевроле Круз 1.6. Chevrolet Cruze схема ПТФ.

Схема генератора круз 1.6. Chevrolet Volt circuit diagram. Wiring diagram for Systems Chevrolet Cruze Eco 2012. Wiring diagram for engine-Electric Chevrolet Cruze Eco 2014. Wiring diagram for all function Groups Chevrolet Equinox Sport 2008.

Схема генератора круз 1.6. Распиновка модуля зажигания Шевроле Круз 1.8. Схема катушки зажигания Шевроле Круз 1.6. Распиновка разъема катушки зажигания Шевроле Круз 1.6. Распиновка катушки зажигания Cruze 1.6.

Схема генератора круз 1.6. Схема генератора Лачетти 1.6. Схема подключения генератора Шевроле Лачетти. Электрическая схема генератора Шевроле Лачетти. Схема подключения генератора Шевроле Круз.

Схема генератора круз 1.6. Принципиальная схема Шевроле Круз. Схема кнопок круиз контроля Круз. Схема подключения генератора Шевроле Круз. Электросхема кондиционера Шевроле Круз 1.6.

Схема генератора круз 1.6. Шевроле Cruze схема электропроводка. Электросхемы Шевроле кобальт 2013. Схема электрооборудования Chevrolet Cruze 2011 года. Генератор Chevrolet Cruze схема.

Схема генератора круз 1.6

Схема генератора круз 1.6

Схема генератора круз 1.6. Реле блокировки стартера Лачетти 1.4. Схема стартера Шевроле Лачетти. Реле блокировки стартера Лачетти. Реле блокировки стартера Chevrolet Lacetti.

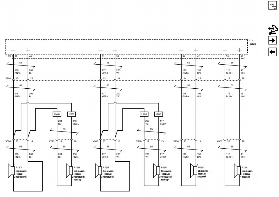
Схема генератора круз 1.6. Схема подключения динамиков Шевроле Круз. Схема проводов динамиков на Шевроле Круз. Схема аудиосистемы Шевроле Круз. Схема подключения колонок Chevrolet Cruze.

Схема генератора круз 1.6. Генератор Chevrolet Cruze схема. Схема подключения генератора Шевроле Круз. Электрическая схема генератора Шевроле Круз. Схема зарядки Шевроле Эпика.

Схема генератора круз 1.6. Эл схема Лачетти седан 1.6. Электросхемы Шевроле кобальт 2013. ,Схема блока управления Электрооборудованием Лачетти. Схема подключения генератора Шевроле Лачетти.

Схема генератора круз 1.6

Схема генератора круз 1.6. Крепление генератора Шевроле Круз 1.6 109 л.с. Схема генератора Шевроле Круз 1.6. Схема генератора Шевроле Круз 1.6 109 л.с с кондиционером. Генератор Шевроле Круз 1.6 109 л.с схема.

Схема генератора круз 1.6. Шевроле Круз помпа схема. Схема помпы Круз 1.8. Сервисный ремень Шевроле Круз 1.8 схема. Помпа Gates Круз 1.8.

Схема генератора круз 1.6. Схема ремня генератора Шевроле Круз 1.6. Схема приводного ремня Круз 1.6. Приводной ремень Шевроле Круз 1.6 схема. Обводной ремень Круз 1.6 схема.

Схема генератора круз 1.6. Схема электрооборудования Лачетти хэтчбек. Chevrolet Lacetti 2008 схема электропроводки. Схема зажигания Лачетти 1.6. Схема проводки Шевроле Лачетти седан.

Схема генератора круз 1.6. Ремень навесного оборудования Шевроле Круз 1.6 с кондиционером схема. Схема ремня генератора Шевроле Круз 1.8. Схема приводного ремня Круз 1.6. Ремень привода Шевроле Круз расположение.

Схема генератора круз 1.6. Кан шина Шевроле Круз 1.8 схема. Круз схема схема can шины. Схема замка зажигания Cruze.

Схема генератора круз 1.6. Электрическую схему иммобилайзера. Chevrolet Lacetti схема иммобилайзера. Схема иммобилайзера Лачетти 1.6. Схема парктроника Шевроле Круз.

Схема генератора круз 1.6. Шевроле Круз 1.8 прокладка АКПП. Генератор Chevrolet Cruze 1.8 схема. Шевроле Круз фильтр в коробке автомат. Фильтр АКПП Шевроле Круз 1.8 автомат.

Схема генератора круз 1.6

Схема генератора круз 1.6. Шевроле Круз электросхема подогрева сидений. Схема подогрева сидений Шевроле Лачетти. Схема обогрева сидений Шевроле Лачетти. Электро схема подогрева сидений Шевроле Круз.

Схема генератора круз 1.6. Электрическая схема Шевроле Ланос 2007г. Схема проводки Шевроле Ланос 1.5 2008 года. Эл схема Лачетти седан 1.6. Схема стартера Лачетти 1.6.

Схема генератора круз 1.6

Схема генератора круз 1.6. Схема стартера Chevrolet Lacetti. Chevrolet Aveo схема генератора. Схема генератора Лачетти 1.8. Эл схема Лачетти седан 1.6.

Схема генератора круз 1.6. Схема электрооборудования Шевроле Круз 1.6 механика. Электрическая схема поворотников Chevrolet Cruze 2009. Схема электропитания Шевроле Круз. Электросхема Chevrolet Cruze 2012.

Схема генератора круз 1.6. Схема электрооборудования Шевроле Круз 1.6 механика. Электрическая схема Шевроле Круз 2013. Схема электрооборудования Chevrolet Cruze 2011 года. Электрическая схема Шевроле Круз 1.6 механика.

Схема генератора круз 1.6

Схема генератора круз 1.6. Электросхема Chevrolet Cruze 2012. Блок управления светом Шевроле Круз схема. Блок света Шевроле Круз 2011 схема. Электросхема освещения Шевроле Круз.

Схема генератора круз 1.6. Кан шина Шевроле Круз 1.8 схема. Электрическая схема Шевроле Круз. Шевроле Cruze схема электропроводка. Схема электрооборудования Шевроле Круз 1.6 механика.

Схема генератора круз 1.6. Схема вентилятора охлаждения Chevrolet Cruze. Схема блока на Chevrolet Cruze 2013 года. Схема подключения генератора Круз 1.6. Схема проводки Шевроле Круз.

Схема генератора круз 1.6

Схема генератора круз 1.6. Схема подключения стартера Шевроле Круз 1.6. Схема включения стартера Шевроле Авео т250. Схема подключения стартера Шевроле Лачетти 1.6. Схема подключения стартера Шевроле Авео 1.2.

Схема генератора круз 1.6. Электросхема Chevrolet Cruze 2012. Схема проводки Шевроле Круз. Электрическая схема Шевроле Круз 1.6 механика. Схема электропроводки Шевроле Круз 1.8.

Схема генератора круз 1.6. Схема стеклоподъемника Шевроле Круз. Схема электрики Chevrolet Cruze. Электросхема кондиционера Шевроле Круз 1.6. Шевроле Круз схема стеклоподъемников.

Схема генератора круз 1.6. Электросхема Шевроле Круз 1.6 2014. Электросхема Шевроле Круз двигатель. Схема электрооборудования Шевроле Круз 1.6 механика. Электросхема Chevrolet Cruze 2011 года.

Схема генератора круз 1.6. Схема ремня генератора Круз 1.6. Схема ремня генератора Шевроле Круз 1.6. Ремень генератора Шевроле Авео т300 схема. Схема натяжки ремня генератора Шевроле Круз.

Схема генератора круз 1.6

Схема генератора круз 1.6. Схема двигателя Chevrolet Cruze. Шевроле Круз 1.8 автомат схема двигателя. Двигатель Chevrolet Cruze 1.8 схема. Схема двигателя Шевроле Круз 1.8 с названиями запчастей.

Схема генератора круз 1.6. Схема электрооборудования Шевроле Круз 1.6 механика. Электросхема Шевроле Круз двигатель. Шевроле Эпика схема электрооборудования. Схема электрооборудования Chevrolet Cruze 2011 года.

Схема генератора круз 1.6. Приводной ремень Шевроле Круз 1.6 схема. Схема ремня генератора Шевроле Круз 1.6. Схема приводного ремня Chevrolet Cruze 1.6. Схема ремня агрегатов Шевроле Круз.

Схема генератора круз 1.6. Схема двигателя Авео т300 1.6. Схема ГРМ Авео т300. Схема ГРМ Шевроле Авео т300. Ремень генератора Авео т300 1.6 схема.

Схема генератора круз 1.6. Chevrolet Cruz схема электрооборудования кондиционера. Схема электрооборудования Шевроле Круз 1.6 механика. Электросхема Шевроле Круз 1.6 2014. Электрическая схема Шевроле Круз.

Схема генератора круз 1.6. Коробка Шевроле Лачетти 1.6 автомат схема. Коробка Шевроле Круз 1.6 механика схема. Коробка передач Лачетти 1.6 механика схема. Коробка передач Лачетти 1.6 схема датчики.

Схема генератора круз 1.6. Ремень генератора Авео т300 1.6 схема. Схема ремня ГРМ Круз 1.6. Ремень ГРМ Шевроле Авео т300 1.4 схема. Схема ГРМ Круз 1.8.

Схема генератора круз 1.6. Z18xer приводной ремень схема. Обводной ремень Круз 1.6 схема. Схема ремня ГРМ Шевроле Круз 1.8. Схема ремня генератора Круз 1.8.

Схема генератора круз 1.6. Разъем генератора Шевроле Круз 1.6 109 л.с. Chevrolet Cruze Генератор фишка. Распиновка штекеера генератора Хундай соната2. Фишка генератора Шевроле Круз 1.6 109 л.с.

Схема генератора круз 1.6. Генератор Калина устройство генератора. Генератор Калина 8 клапанов схема. Генератор Калина 1 устройство схема. Генератор Калина 8 клапанов устройство.

Схема генератора круз 1.6. Схема электрооборудования Chevrolet Cruze 2011 года. Шевроле Круз блок управления двигателем схема. Схема проводки Chevrolet Cruze. Электросхемы Шевроле кобальт 2013.

Схема генератора круз 1.6

Схема генератора круз 1.6. Схема двигателя Шевроле Круз.

Схема генератора круз 1.6

Схема генератора круз 1.6. Chevrolet Cruze 2012 1.8 схема электрооборудования. Электрическая схема Шевроле Круз 1.6 механика. Схема электрооборудования Шевроле Круз 1.6 механика. Схема замка зажигания Шевроле Круз 1.6.

Схема генератора круз 1.6. Схема ремня генератора Шевроле Круз 1.6. Приводной ремень Шевроле Круз 1.6 схема. Приводной ремень Круз 1.6 схема. Приводные ремни Шевроле Круз 1.8 схема.

Схема генератора круз 1.6. Распиновка катушки зажигания Шевроле Круз 1.6. Chevrolet Cruze катушка зажигания 1.6 схема. Схема катушки зажигания Шевроле Круз 1.6. Схема зажигания Шевроле Круз 1.6.

Схема генератора круз 1.6. Схема электропроводки Шевроле Круз 1.8. Схема электрооборудования Chevrolet Cruze 2011 года. Электросхема Chevrolet Cruze 2012. Электропроводка на Chevrolet Cruze схема.

Схема генератора круз 1.6. Электрическая схема Шевроле Круз 1.6 автомат. Схема проводки Chevrolet Cruze.

Схема генератора круз 1.6. Схема вентилятора охлаждения Chevrolet Cruze. Схема электрооборудования Шевроле Круз 2013. Электрическая схема Шевроле Круз 2013. Электрическая схема Шевроле Круз.

Схема генератора круз 1.6. Блок управления светом Шевроле Круз схема. Схема подключения панели приборов Шевроле Круз. Электросхема Шевроле Круз 2009. Шевроле Круз 2012 электросхема ABS.

Схема генератора круз 1.6

Схема генератора круз 1.6. Схема проводки Шевроле Круз 1.6. Электрическая схема Шевроле Круз 2013. Электрическая схема Шевроле Круз. Chevrolet Cruze схема электрическая стеклоочистителя.

  • Вперед Кроссворд на тему спорт 20 слов
  • Назад Учебник по английскому спотлайт 6

Новые страницы

2Cds251001r0044

3 Класс английский язык рабочая тетрадь страница 53

Белорусские достопримечательности

Colorsit 350u sch схема

Достопримечательности аршана

Это твой день

Фибросаркома

Гдз по географии 10 класс гладкий николина

Как правильно подавать записки в церкви о здравии и упокоении образец

Как самому нарисовать картину для интерьера мастер класс легко и быстро

Квартиры в холмогорах

Logitech ru

Мария ермак

Математика 4 класс петерсон 1

Московская площадь в санкт петербурге

Мультик вверх картинки дедушки

Объявление требуется продавец образец текста

Ответ на предложение о выкупе доли в квартире образец

П403

Перескочил ремень грм приора

Почему возникают панические атаки

Погода в дубровно карта осадков

Путевой лист автокрана 2023 года скачать бланк образец бесплатно

Шаркия египет

Схема меган 1

Трюковой велик bmx

В квартире появились блохи как избавиться

Вакансии установщик дверей с обучением

Замена мойки из искусственного камня

Замена тормозных колодок форд фокус

cdn.zecar.ru