Skip to content

Фотогалерея

  • Главная
  • Контакты

Схема генератора каптива

Схема генератора каптива. Chevrolet Captiva 2.4 приводной ремень. Приводной ремень Шевроле Каптива 2.4. Схема ремня навесного оборудования Шевроле Каптива 2.2 дизель. Приводной ремень Каптива 2,2 схема.

Схема генератора каптива. Шевроле Каптива 2008 схема омывателя стекла электро. Схема стеклоочиститель Каптива с100. Шевроле Каптива 2014 схема стеклоочистителя. Шевроле Каптива с 140 Эл. Схема ближнего света.

Схема генератора каптива. Электрическая схема Шевроле Каптива. DWF 806wps схема контроллера. Каптива блок управления климатом схема. Es99 контроллер схема.

Схема генератора каптива. Шевроле Каптива схема электрическая генератора. Генератор Шевроле Каптива схема подключения. Блок управления полным приводом Каптива схема. Шевроле Каптива Генератор система зарядки.

Схема генератора каптива. Chevrolet Captiva c100 электросхема. Chevrolet Captiva 2008 схема электрическая. Каптива схема парктроника 2014. Электрическая схема Шевроле Каптива c140.

Схема генератора каптива. Электромагнитный клапан впускного распредвала Шевроле Каптива. Каптива 3.2 привод клапанов. Клапан фазовращателя Каптива 3.2. Клапан OCV (впускного р/вала Шевроле Каптива 2,4.

Схема генератора каптива

Схема генератора каптива. Шевроле Каптива 2.4 электросхема. Шевроле Каптива с140 электросхемы. Клемма 15 Шевроле Каптива электросхема. Шевроле Каптива электросхема.

Схема генератора каптива. Captiva Diesel стартер схема. Схема включения стартера Chevrolet Cruze. Схема зарядки аккумулятора Шевроле Круз. Схема подключения стартера Круз.

Схема генератора каптива. Ремень генератора Каптива 3.2 схема. Chevrolet Captiva обводной ремень. Captiva 3.2 ремень генератора Паразитный. Обводной ремень Каптива 3.2.

Схема генератора каптива. Приводной ремень Captiva 2.4. Приводной ремень Шевроле Каптива 2.4. Схема приводного ремня Каптива 2.2. Ремень генератора Каптива 2.4.

Схема генератора каптива

Схема генератора каптива. Электрическая схема Шевроле Каптива 3.2. Chevrolet Captiva 2008 схема электрическая. Электрическая схема Шевроле Каптива с140. Chevrolet Captiva 3.2 схема.

Схема генератора каптива. Каптива 2.4 схема парктроника. Схема парктроников Каптива. Шевроле Каптива схема. Каптива схема парктроника 2014.

Схема генератора каптива. Chevrolet Captiva c100 электросхема. Схема замка зажигания Шевроле Каптива с140. Схема АБС Шевроле Каптива с100. Электрическая схема Каптива с140.

Схема генератора каптива. Схема АБС Шевроле Каптива с100. ABS Chevrolet Captiva распиновка. Шевроле Каптива распиновка блока АБС. Распиновка ЭБУ Шевроле блейзер 2.2 Елабуга.

Схема генератора каптива. Opel Antara схема электрооборудования. Электрическая схема Опель Антара 2.4. Opel Antara электрическая схема. Схема электропроводка Opel Antara.

Схема генератора каптива. Chevrolet Captiva 2008 схема электрическая. Chevrolet Captiva c100 электросхема. Электрическая схема Шевроле Каптива 3.2. Схема проводки Каптива с100.

Схема генератора каптива. Крепление генератора Каптива 3.2. Каптива 3.2 схема. Крепление Генератор на Шевроле Каптива 2.4. Шевроле Каптива 2.4 c100 оригинальные запчасти.

Схема генератора каптива. Электрическая схема Опель Антара 2.4. Каптива 2.4 схема парктроника. Chevrolet Captiva 2008 схема электрическая. Chevrolet Captiva c100 электросхема.

Схема генератора каптива. Ремень генератора Каптива 2.4. Схема ремня генератора Каптива 2.4. Ремень генератора Каптива 3.2. Chevrolet Captiva 2.2 Diesel схема приводного ремня.

Схема генератора каптива. Стартер Каптива 2.4 расположение. Стартер Шевроле Каптива 2.2 снятие. Расположение стартера Captiva 2.0. Снятие стартера Шевроле Каптива 2.4.

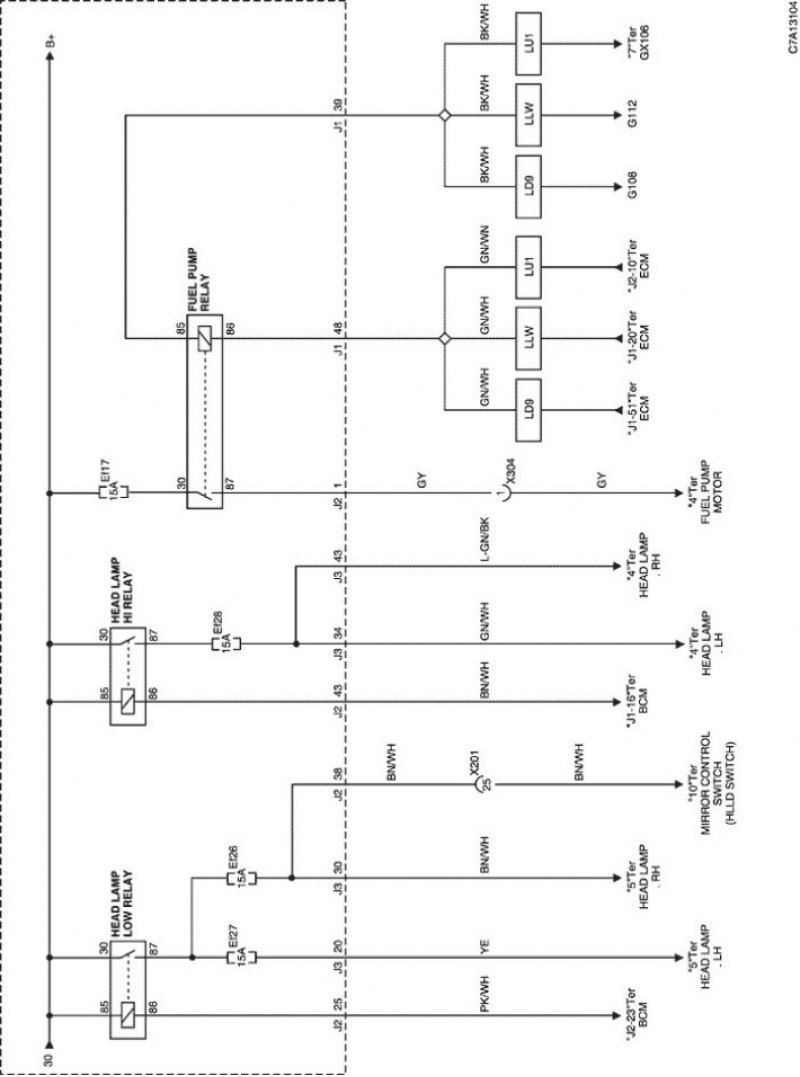
Схема генератора каптива. Схема моторного отсека Chevrolet Captiva. Схема топливной системы Каптива 2.0 дизель. Схема двигателя Шевроле Каптива 2.2 дизель. Топливная система Chevrolet Captiva c100.

Схема генератора каптива

Схема генератора каптива. Эл цепь подогрева сидений Каптива с 100 2008г 2,4. Схема стабилизатора Каптива. Блок управления климатом Каптива с140 схема. Установка доводчиков стекол на Шевроле Каптива с140.

Схема генератора каптива. Chevrolet Captiva 2008 схема электрическая. Электрическая схема Каптива с140. Схема парктроника Chevrolet Captiva c140. Каптива 2008 схемы электрооборудования.

Схема генератора каптива

Схема генератора каптива. Chevrolet Captiva c100 электросхема. Электрическая схема Captiva c140. Электрическая схема Шевроле Каптива c140. Генератор Chevrolet Cruze схема.

Схема генератора каптива

Схема генератора каптива. Электрическая схема Шевроле Каптива c140. Captiva 2.4 схема Кан-шины. Chevrolet Captiva 2008 схема электрическая. Электрическая схема Шевроле Каптива с140.

Схема генератора каптива. Обводной ремень схема Шевроле Каптива дизель. Схема ремня генератора Шевроле Каптива 2.2 дизель. Приводной ремень Шевроле Каптива 2.2 дизель схема. Схема ремня Каптива 2.2 дизель.

Схема генератора каптива. Приводной ремень Каптива 2.4. Обводной ремень Шевроле Каптива 2.4. Ремень генератора Каптива 3.2 схема. Ремень генератора Шевроле Каптива 2.4.

Схема генератора каптива. Chevrolet Captiva c100 электросхема. Chevrolet Captiva 2008 схема электрическая. Электрическая схема Шевроле Каптива с140. Схема блок управления Chevrolet-Captiva 2.2.

Схема генератора каптива. Chevrolet Captiva c100 электросхема. Электрическая схема Шевроле Каптива с140. Электрическая схема Шевроле Каптива 3.2. Схема проводки Шевроле Каптива с100.

Схема генератора каптива. Обводной ремень Шевроле Каптива 3.2. Антара 3.2 приводной ремень схема. Chevrolet Captiva ремень генератора. Шевроле Каптива, приводный ремень.

Схема генератора каптива. Cadillac SRX 4.6 ремень приводной. Cadillac SRX 4 приводной ремень. Ремень генератора схема Cadillac SRX 3.0. Кадиллак SRX 3.0 ремень привода.

Схема генератора каптива. Электросхема Шевроле Каптива с100 2.4. Электросхема Шевроле Каптива с100. Электрическая схема Шевроле Каптива. Эл цепь подогрева сидений Каптива с 100 2008г 2,4.

Схема генератора каптива. Схема освещения Шевроле Каптива c140. Каптива схема установки динамиков. Схема электрооборудования топливной системы Chevrolet Captiva. Каптива схема датчиков топлива.

Схема генератора каптива. Приводной ремень Шевроле Каптива 2.2 дизель. Приводной ремень Chevrolet Captiva 2.2 дизель. Приводной ремень Каптива 2.2 дизель схема. Обводной ремень Шевроле Каптива.

Схема генератора каптива. Крепление генератора Шевроле Каптива. Крепление Генератор на Шевроле Каптива 2.4. Генератор Chevrolet чертеж. Схема крепления генератора Шевроле Лачетти.

Схема генератора каптива. Электрическая схема Шевроле Каптива с140. Электрические схемы Шевроле Каптива с 100. Chevrolet Captiva 2008 схема электрическая. Эл схема Шевроле Каптива 2.2 дизель.

Схема генератора каптива. Генератор Chevrolet Cruze схема. Схема электрооборудования Шевроле Круз 1.6 механика. Разъём генератора Шевроле Круз. Схема генератора Лачетти 1.6.

Схема генератора каптива. Приводной ремень Каптива 2.4. Chevrolet Captiva ремень генератора. Ремень генератора Шевроле Каптива 2.4. Ремень генератора Шевроле Каптива 2.4 c140.

Схема генератора каптива. Приводной ремень Шевроле Каптива 3.2. Приводной ремень Кадиллак SRX 3.0. Обводной ремень Каптива 3.2. Приводной ремень Кадиллак 4.6.

Схема генератора каптива. Chevrolet Captiva 2008 схема электрическая. Каптива 2.4 схема парктроника. Chevrolet Captiva 2.4 схема блока управления. Схема парктроника Chevrolet Captiva c140.

Схема генератора каптива

Схема генератора каптива. Ремень генератора Шевроле Орландо 1.8. Приводной ремень Шевроле Орландо 1.8. Ремень генератора Каптива 2.2 дизель. Каптива дизель 2.2 схема ремня генератора.

Схема генератора каптива. Генератор Шевроле Каптива дизель. Каптива 2.4 автомат схема. Шевроле Каптива 2.4 le5 схема катализатора. Шевроле Каптива le5 система вентиляции картерных.

Схема генератора каптива. Chevrolet Captiva c100 электросхема. Электрическая схема Шевроле Каптива с140. Схема проводки Каптива с100. Электрическая схема Captiva c140.

Схема генератора каптива. Схема парктроника Chevrolet Captiva c140. Электрическая схема АБС Каптива c100. Электрическая схема Шевроле Каптива c140. Схема электропитания Шевроле Каптива ц 100.

Схема генератора каптива. Электрическая схема Шевроле Каптива с140. Chevrolet Captiva c100 электросхема. Электрическая схема Шевроле Каптива c140. Электрические схемы Шевроле Каптива с 100.

Схема генератора каптива. Установка щитка двигателя Каптива. Снятие декоративной крышки двигателя Каптива 2.2 дизель. Карта Каптиве 1.12.2.

Схема генератора каптива. Электросхема Chevrolet Captiva c140. Электрическая схема Шевроле Каптива с140. Схема генератора Каптива 2008. Эл схема Шевроле Каптива 2.2 дизель.

Схема генератора каптива. Обводной ремень Каптива 2.4. Приводной ремень Каптива 2.2 дизель. Ремень навесного оборудования Шевроле Каптива 2.2 дизель. Chevrolet Captiva ремень генератора.

Схема генератора каптива. Реле дальнего света Шевроле Каптива. Эл цепь подогрева сидений Каптива с 100 2008г 2,4. Каптива распиновка фары. DRL-30-Mad Каптива.

Схема генератора каптива. Chevrolet Captiva 2.4 схема блока управления. Схема стартера qx56. Шевроле блейзер схема стартера. Схема включения стартера Chevrolet Каптива.

Схема генератора каптива. Ремень генератора Антара 2.2. Антара 2.2 дизель схема приводного ремня. Обводной ремень Опель Антара 2.0 дизель. Ремень генератора Опель Антара 2.0 дизель.

Схема генератора каптива. Схема двигателя Шевроле Круз.

Схема генератора каптива. Каптива схема парктроника 2014. Схема парктроников Каптива. Схема парктроника Шевроле Каптива. Схема звукового сигнала на Шевроле Каптива.

Схема генератора каптива. Chevrolet Captiva 2008 схема электрическая. Электрическая схема Шевроле Каптива с140. Электрическая схема Шевроле Каптива. Электрическая схема Шевроле Каптива c140.

Схема генератора каптива. Схема проводки Каптива с100. Шевроле Каптива схема. Схема электропроводки Шевроле Каптива. Схема звукового сигнала Шевроле трекер 2000.

Схема генератора каптива. Схема реле Bosch 0281003039. Электрическая схема Шевроле Каптива c140. Схема реле 0281003039 подключения. Шевроле Каптива с140 2.2 дизель электрическая схема.

Схема генератора каптива. Каптива корректор фар правый 2012. Пропала зарядка на Шевроле Каптива 2.4. Подключение ДХО на Шевроле Каптива c140. Как работает корректор фар на Каптиве схема.

Схема генератора каптива. Эл цепь подогрева сидений Каптива с 100 2008г 2,4. Блок управления двигателем для Chevrolet Captiva (c100) в схеме. Электрическая схема Шевроле Каптива. Электрическая схема Шевроле Каптива с140.

Схема генератора каптива. Крепление генератора Шевроле Каптива. Крепление Генератор на Шевроле Каптива 2.4. Крепление генератора Каптива с100. Крепление генератора Каптива 3.2.

Схема генератора каптива. Электрическая схема Шевроле Каптива c140. Электрическая схема Шевроле Каптива с140. Схема проводки Шевроле Каптива с100. Электрические схемы Шевроле Каптива с 100.

Схема генератора каптива. Генератор Шевроле Каптива дизель переборка. Генератор Chevrolet чертеж. Генератор Шевроле Каптива v6. Генератор на Лачетти чертеж.

Схема генератора каптива. Схема предохранители Captiva c140. Электрическая схема Шевроле Реззо 2007 года. Электрическая схема Каптива с140. Rezzo Chevrolet схема электрооборудования.

Схема генератора каптива. Крепление генератора Каптива 3.2. Tis Шевроле Каптива 2.2 дизель. Chevrolet Captiva 2.2 Diesel схема приводного ремня. Двигатель Каптива 2.2 дизель схема.

Схема генератора каптива. Схема подключения фаркопа Каптива c140. Схема проводки Каптива с140. Схема подключения штатного парктроника Каптива с100. Схема зажигания Шевроле Каптива с100 2,4.

Схема генератора каптива. Tis Chevrolet Captiva 2.2 дизель охлаждения. Высоковольтный провод на стартер Chevrolet Captiva 2.2 дизель. Схема кондиционера Chevrolet Captiva 2011. Стартер Каптива 2.4 расположение.

Схема генератора каптива. Схемы электрооборудования Шевроле Каптива ц 140. Электросхема Chevrolet Captiva c140. Электрическая схема Шевроле Каптива с140. Шевроле Каптива 2.4 электросхема.

  • Вперед Гибкая подводка угловая 1 2
  • Назад Московская академия парусного спорта

Новые страницы

2Гдш 16

Алгебра 7 класс 805

Алышева 3 класс математика

Английский язык 6 класс учебник 2 часть вербицкая

Авито квартиры луга

Диаметр патрубков печки газель

Игра в карты 101

Intro vr 910 прошивка скачать

Клуб платинум калининград

Комплементарные транзисторы

Красные габаритные огни

Лабиопластика отзывы женщин

Министерства культуры и спорта казахстана

Не качает бензонасос зил 130

Непосредственный впрыск топлива недостатки

Нет искры газель 406 инжектор

Образцовый самец 2 скачать

Острый холецистит симптомы лечение

Поздравления с днем рождения женщине с 55 летием красивые картинки

Расшифровка маркировки карбюратора иков

Решебник математика 2 класс перспектива 2 часть

Рисунок окно с узорами изо 5 класс

Сезам кафе чебоксары

Схема генератора каптива

Схема вышивки святых

Схемы электронных настольных часов

Советская площадь в воронеже

Тренировка мышцы для женщин

Wow sport

Замена порогов на уаз патриот

cdn.zecar.ru